
FM Radio Transmitter DIY Kit
Instruction Manual

Principle Overview
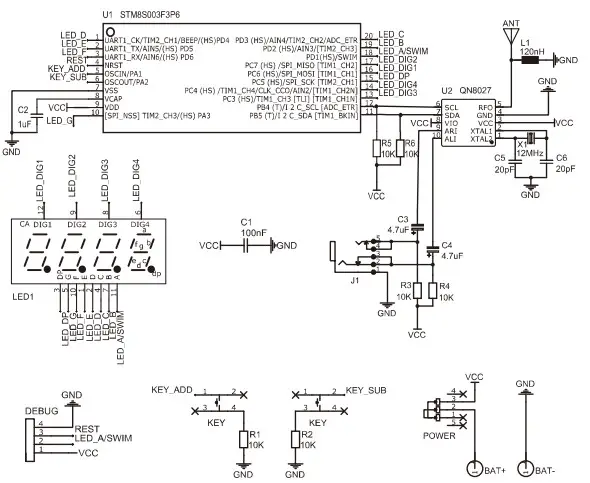
The FM transmitter is mainly composed of microcontroller STM8S003F3P8 and FM transmitter chip 0N8027. The chip STM8S003F3P8 and QN8027 are connected through the IIC mainline. The microcontroller uses the IIC to perform the chip QN8027 configure and Initialize it to a normal working state. The digital tube Is a common anode digital tube. When the bit selection pin is high and the segment selection pin is low, the corresponding segment will light up to form a number. The button is directly connected to the pin of the microcontroller, and the mIcrocontroller judges whether the button is pressed by the level change of the pin. The transmitter works in the 87-108MHz frequency band.
Please note
- This FM radio transmitter should be working with your FM radio (kit), please make sure you have a radio, which works properly first.
- We also prepare a PDF version detailed instruction manual for your convenience, please contact us via
[email protected] if you need it. We’d like to hear from you and send it to you as soon as possible we can. 😉
| NO. | Name | Specification | QTY | Position |
| 1 | PCB board | VT-10 Size: 83x63x1.6mm | 1 | |
| 2 | IC | QN8027 | 1 | IC1 |
| 3 | IC | STM8S003F3P6 | 1 | IC2 |
| 4 | Resistor | 10K 1/4W 5% DIP | 6 | R1 R2 R3 R4 R5 R6 |
| 5 | Electric inductance | 120nH 1/4W | 1 | L1 |
| 6 | Electrolytic capacitor | 4.7uF / 50V, 4mm x 7mm | 2 | C3 C4 |
| 7 | Ceramic capacitor | 100nF (104) 50V | 1 | C1 |
| 8 | Ceramic capacitor | 1uF (105) 50V, Monolithic | 1 | C2 |
| 9 | Ceramic capacitor | 20nF 50V | 2 | C5 C6 |
| 10 | Toggle switch | SS12D07G3, ON / OFF | 1 | Power |
| 11 | Crystal | HC-49S12, 20pF; 12MHz | 1 | X1 |
| 12 | Microphone audio socket | PJ-307C, 3.5mm | 1 | Audio-in |
| 13 | Tact switch | Size: 6mm x 6mm x 4.5mm; 4 pins | 2 | FREQ.+ FREQ.- |
| 14 | Digital tube | 0.36inch; 4-digit common | 1 | LED1 |
| 15 | Telescopic antenna | Size: 30mm; universal; 5 sections | 1 | ANT |
| 16 | Screw | Round screw head; M3X8mm; D=3mm | 5 | Fix antenna and battery case |
| 17 | Hexagon metal column | R=5x18mm Hole=3mm copper plating | 2 | Fix battery case |
| 18 | Battery case | Size: 56x32x15mm 3V Alex 2pcs | 1 | |
| 19 | Screw nut | M3 nickel plating | 1 | Fix antenna |
| 20 | Lavalier microphone | 3.5mm; 100cm length | 1 | |
| 21 | Audio cable | 3.5mm; 50cm length | 1 | |
| 22 | Instruction manual | 1 |
- Please note the IC STW8S003F3 and QN8027 have been soldered on the board before leaving the factory for your convenience.
Schematic Diagram

How to identify the capacitor’s value?

| Code | Tolerance |
| A | ±0.05% |
| 3 | *0.1% |
| C | *0.25% |
| D | ±0.5% |
| F | ±1% |
| 0 | t2% |
| 0. | *5% |
| K | ±10% |
| M or NONE | ±20% |
| N | *30% |
| Q | -10%+30% |
| S | -20%+50% |
| T | -10%+50% |
| Z | -20%+80% |
Soldering and Installation Steps
Before you start, please check all the components are in the package. If there is any missed or any other needs. please don’t hesitate to contact us via [email protected].
- Basic tools you may need
- Soldering iron with a knife tip (recommend it has 40-60 watts, around 350 tr662, with 1-2 seconds soldering time)/ solder wire/ a diagonal knife / a screwdriver / a pair of nose pliers/rosin core /AA battery x2
- All solder joints should be fulled onto the pads, each solder joint should like a small hill, should not be soldered skips, pseudo solder or short-bridge soldered. If you are a totally new learner in electronics, check some related soldering knowledge and then practice the skills more, you will handle it well.
- Solder the resistors R1, R2, R3, R4, R5, R6 (they ave the same value), inductance L1, ceramic capacitors C1, C5, C6, monolithic capacitors C2, crystal oscillator X1, and tact switches. They all don’t have polarity, so don’t need to pay attention to their directions when installing.
- Solder the toggle switch, which is for turning the kit on and off. It has polarity. There is a notch on one side of the switch, place it near to the gap of the corresponding position on the board, then solder the 5 pins of it. As shown in Figure (2).

- Solder the microphone/audio socket. The picture shows at above. please don’t make the pins short-bridged.
- Solder the electrolytic capacitors C3 and C4. They have polarity, please pay attention to their right direction, the long pin should be installed the hole marked with ‘+’ corresponding on the board, the short pin should be installed in the hole colored grey or white. The picture shows at below. Use a pair of nose pliers to cut the extra pins after soldering.

- Let us solder the 4-digital tube. Please pay attention to it having 4 dots and it should be placed onto the 4 white dots corresponding on the board. The protective plastic on its surface could be removed when used.

- Install the antenna. The antenna has a universal direction by turning two parts of it. it is flexible. Use a srewdriver and the M3 srew to install it on the board, you will find the hole of the antenna also has a screw thread. Install the srew nut on to make the installation tighter when turning the antenna.

- Install the battery case. First, we need to install the o hexagon metal columns on the board by using the M3x8mm screws, the battery case is fixed on the other’s side of the columns. The wires of the battery case could be entwined around the columns or shorted. Add some solder wire on the corresponding pads, then solder the red wire of the battery case onto the pad which is marked 1+1, the black wire goes the ‘-‘ mark. Assemble done!

How to use the transmitter with an FM radio?
- > Install two AA batteries in the case, turn the toggle switch on, the digital tube shows initial setting frequency 108Mhz at first time.
- > Turn the FM radio at 108MHz to match the transmitter easily (at the first time), the radio will have no noise at all, then put the microphone or the audio cable( the other side of the cable should be put in audio equipment) in the socket, you will hear the voice from the radio. Or you can use any frequency you like to adjust the radio or transmitter in both directions.
- > Short press the button, the frequency will change by 100 kHz, long press will continue to adjust the frequency at a faster speed until you stop pressing. When the frequency is adjusted to the maximum value (108 MHz), continue to increase the frequency, and the frequency will return to the minimum value (88 MHz), and vice versa. The adjusted frequency has a power-down memory function.
In order to use it better, you may need to pay attention to these at below,
- > The antenna should be tightened well on the pad, or the transmission distance will be relatively short.
- > The frequency of the transmitter and the radio should be the same. The radio will no noisy when they matched.
- > Try to avoid the frequency and where the local radio station is located.
- > When using the audio cable to play music, the volume of the music should not be too high, too much volume will distort the music emitted by the transmitter.
- > The distance is close when the frequency is lower, the distance is relatively far when the frequency Is higher.
- > If necessary, you can fix a piece of wire to the end of the antenna so that the total length is about 60.80cm, which can increase the transmission distance.
Hope you will like our FM radio transmitter kit!
This device complies with Part 15 of the FCC Rules. Operation is subject to the following two conditions: (1) this device may not cause harmful interference, and (2) this device must accept any interference received, including interference that may cause undesired operation
NOTE: This equipment has been tested and found to comply with the limits for a Class B digital device, pursuant to Part 15 of the FCC Rules. These limits are designed to provide reasonable protection against harmful interference in a residential installation. This equipment generates, uses, and can radiate radio frequency energy and, if not installed and used in accordance with the instructions, may cause harmful interference to radio communications. However, there is no guarantee that interference will not occur in a particular installation. If this equipment does cause harmful interference to radio or television reception, which can be determined by turning the equipment off and on, the user is encouraged to try to correct the interference by one or more of the following measures:
— Reorient or relocate the receiving antenna.
— Increase the separation between the equipment and receiver.
— Connect the equipment into an outlet on a circuit different from that to which the receiver is connected.
— Consult the dealer or an experienced radio/TV technician for help.
Warning: Changes or modifications not expressly approved by the party responsible for compliance could void the user’s authority to operate the equipment























