AXTON Car Audio System 4 Channel Smart Digital Amplifiers

Thank you for purchasing this innovative AXTON amplifier! To maximize the performance of this amplifier and your complete car audio system installation, we recommend you acquaint yourself thoroughly with all the technical features and controlling options of this AXTON amplifier. Please read this manual carefully, before attempting the installation. If, after reading this manual, you still have questions regarding functions or the installation of the amplifier, we recommend you consult your dealer.
SAFETY INSTRUCTIONS
- Do not turn on any function that may distract you while driving the vehicle. Functions requiring sustained attention must only be used when the vehicle is at a complete standstill. Make sure to always stop your vehicle in a safe place before operating these functions. There are risks of causing an accident.
- Keep the volume at a low level to be able to hear exterior noises while driving the vehicle. There are risks of causing an accident.
- Do not open the amplifier or undertake any modification of the product. There is a risk of accident, fire or electric shock.
- Only use this amplifier with 12V mobile applications. Any use other than for this product intended may lead to fire, electric shock or injury.
- Use correct amperage fuses. There are risks of fire or electrocution.
- Do not obstruct radiators and/or vents. Internal overheating may occur and cause a fire.
- Ensure all connections are properly made. Check the section of cable and the type of cable if it does not correspond with the use. There is a risk of fire, injury and/or damage to the product.
- Do not use screw nuts or fasteners part of the steering or braking systems for ground connection. The fasteners and nuts used for the brake and steering systems (or any other security system) as well as various tanks must never be used for grounding. Use of these parts as the ground may deactivate the vehicle’s control system and cause a fire or other technical problem.
- Keep all small objects which could be swallowed, such as the fasteners and screws, out of the reach of children. Swallowing such objects may cause serious injuries. In the event of swallowing any of these objects, immediately seek medical advice.
- Before starting the installation, disconnect the negative terminal of the battery to avoid any risk of injury, fire or damage to the equipment.
TECHNICAL SPECIFICATIONS A592DSP / A542DSP
| A592DSP | A542DSP | |
| Music Power Output:* | 150 W x 4 @ 4/2 ohms | 54 W x 4 @ 4 ohms |
| RMS Power Output:* | 76 W x 4 @ 4/2 ohms | 32 W x 4 @ 4 ohms |
| Music Power Output: | 100 W x 4 @ 4/2 ohms | n.a. |
| RMS Power Output: | 50 W x 4 @ 4/2 ohms | n.a. |
| Frequency response: | 20Hz ~ 20 kHz | 20Hz ~ 20 kHz |
| Audio sampling frequency: | 192 kHz | 192 kHz |
| Distortion: | 1 KHz <0.001% | 1 KHz <0.001% |
| Supply voltage range: | 7.5V – 16.5V | 7.5V – 16.5V |
| Signal to noise ratio: | > 120 dB | > 120 dB |
| Dynamic range: | > 96 dB | > 96 dB |
| Standby current: | 0.23 A | 0.23 A |
| Maximum operating current: | 20 A | 15 A |
| Dimensions (LxWxH): | 185(218**) x 114 x 40 mm | 145(177**) x 114 x 40 mm |
- With additional power supply.
- Including BT antenna.
MAIN FEATURES
- 4-channel Smart Digital Amplifi er with iOS or Android App controlled audio DSP functions
- DSP-controlled 5-channel Preout (6 Volt) including REM out to control additional amplifi ers
- Bluetooth 5.0 Audio Streaming with automatic source switching
- Optical and Coaxial input for lossless audio data transmission. If you connect the optionally available AXTON ABT50 device you can listen to your Hi-Res Audio music fi les losslessly via Bluetooth or by OTG cable.
- Optional Remote Control with direct Master Volume and Bass Level Control
- Plug’N’Play quick installation system via optional vehicle brand and model specifi c ISO wire harness
- Auto-Turn-On function
FUNCTIONALITY & ADJUSTABILITY
- Bluetooth connection and control of DSP settings via iOS or Android Smartphone App
- Freely confi gurable active crossover: High-/Low-/Band-/Bypass with 6/12/18/24dB/Oct. slope for Front, Rear and Subwoofer channel
- Time Alignment in cm (0 – 420 cm) for front, rear and subwoofer channel
- 5 channel control: Gain, Phase switch and Mute function for each speaker
- Freely confi gurable 10 or 31-band parametric Equalizer for every single front and rear speaker
- Freely confi gurable 5-band parametric Equalizer for subwoofer channel
- Is able to save 5 memories in the amp and unlimited sound settings on the smart-phone
- Dynamic Bass setting for powerful performance without subwoofer
- Noise Gate function to reduce car stereo background noise
INSTALLATION DIAGRAM A592DSP / A542DSP
DIMENSIONS A592DSP / A542DSP
CONNECTIONS + CONTROLS A592DSP
In some cases with old headunits the Auto-Turn-On function cannot work. If you meet this problem, please connect the “ACC-IN” wire to the ACC/Amp Remote of the car stereo or another cable that will provide +12 V only when the car stereo is turned on. Secondly select “REMOTE TURN ON” on the remote switch. REM-Out: Connect this wire to the remote input of a separate amplifier, for example a mono amp for a subwoofer.
- REMOTE CONTROL Connect the optional RC for convenient operation of Master Volume, Bass Volume and Mute function. When you are using the ABT50 with OTG for iPhone for lossless audio transmission, the signal is sent directly avoiding any converter. That’s awesome. But it also means you are not able to adjust the volume with your iPhone. Therefore you need to connect the separate available RC.
- ANTENNA External Bluetooth antenna of the audio streaming BT module, called “BT Audio” in your mobile settings. The second BT module, called “A592DSP” is for doing the adjustments only and does not need a separate antenna.
- POWER TERMINAL Connect Ground and Battery cables when additional power is necessary or desired.
- FUSE If the fuse is broken, replace it with a new fuse of same value.
- COAXIAL This input provides power for the ABT50 and also receives audio data from this device. It’s impossible to connect usual USB sticks.
- SPEAKER IMPEDANCE Choose according to the connected speakers. If your system is equipped with 3 ohms speakers or less, switch to 2 ohms. Minimum load is 2 ohms.
- OPTICAL Connect to ABT50 for lossless Hi-Res audio transmission from your smartphone.
- SERVICE For internal use only.
- LINE OUT If you only want to use the DSP function of the A592DSP with a separate high performance amplifier, connect the line out of the A592DSP with the RCA input of your amplifier.
- SPEAKER LEVEL INPUT/OUTPUT This is the main connector for Plug & Play installation.
- REMOTE / SIGNAL TURN ON Choose if the amp shall turn on by separate ACC+/Remote wire or by DC Offset signal.
- POWER Two color LED: Green light shows normal operation. Green light blinking shows a current data transfer, i.e. receiving data from the app. Red light shows protection mode, i.e. too low impedance.
MOUNTING INSTRUCTIONS A592DSP
- Before you start with the installation, make sure you know the security code of your headunit (if applicable).
- Remove the headunit from the dashboard and disconnect the main wire harness.
- Find a place for the A592DSP and connect the provided (or optionally available car- specific) wire harness to the amp.
- Optionally: For more power output please follow these steps: Run a 10 mm2 power wire from the (+) pole of the battery to the (BATT) terminal of the amplifier. Use a fuse with the related value of the cross section of the power wire. The distance between the B+ pole and the fuse holder must be 30 cm or less. Run the minus cable with the same cross section from the (GND) terminal of the amp to the vehicle chassis ground. Make sure that the contact surface is clean in order to get best conductance.
- Optionally: For Hi-Res Sound from your smartphone: Connect the optical and coaxial cables to the inputs of A592DSP and outputs of the AXTON ABT50. Connect your smartphone via Bluetooth to the ABT50 for using APTX-HD standard or use the AXTON OTG cable for absolutely lossless audio transmission: the signal is sent from your smartphone directly to the amplifier without passing any D/A converter.
- Optionally: Connect the remote control for convenient operation of the Master Volume, Bass Extender and Mute function. Recommended when using A592DSP without any headunit.
- Connect the wire to the headunit.
- Install the headunit back in the dashboard.
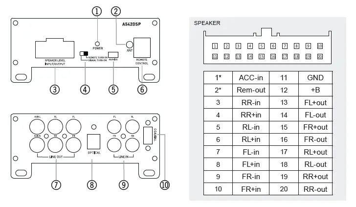
CONNECTIONS + CONTROLS A542DSP
- In some cases with old headunits the Auto-Turn-On function cannot work. If you meet this problem, please connect “ACC-IN” wire to ACC/Amp Remote of the car stereo or another cable which will provide +12 V only when the car stereo is turned on. Secondly select “REMOTE TURN ON” on the remote switch.
- REM-Out: Connect this wire to the remote input of a separate amplifier, for example a mono amp for a subwoofer.
- POWER
Two color LED: Green light shows normal operation. Green light blinking shows a current data transfer, i.e. receiving data from the app. Red light shows protection mode, i.e. too low impedance. - ANTENNA
External Bluetooth antenna of the audio streaming BT module, called “BT Audio” in your
mobile settings. The second BT module, called “A542DSP” is for doing the adjustments
only and does not need a separate antenna. - SPEAKER LEVEL INPUT/OUTPUT
This is the main connector for Plug & Play installation. - REMOTE / SIGNAL TURN ON
Choose if the amp shall turn on by separate ACC+/Remote wire or by DC Offset signal. - SERVICE
For internal use only. - REMOTE CONTROL
Connect the optional RC for convenient operation of Master Volume, Bass Volume andMute function. When you are using the ABT50 with OTG for iPhone for lossless audio transmissionthe signal is sent directly avoiding any converter. That’s awesome. But it also means that you are not able to adjust the volume with your iPhone. Therefore you need to connect the separate available RC. - FRONT/REAR LINE OUT
If you only want to use the DSP function of the A542DSP with a separate high performance amplifier, connect the line out of the A542DSP with the RCA input of your amplifier. - OPTICAL
Connect to ABT50 for lossless Hi-Res audio transmission from your smartphone. - FRONT/ REAR LINE IN
Connect the RCA output of the head unit to these RCA inputs. - COAXIAL
This input provides power for the ABT50 and also receives audio data from this device. It’s impossible to connect usual USB sticks.
- POWER
MOUNTING INSTRUCTIONS A542DSP
- Before you start with the installation, make sure you know the security code of your headunit (if applicable).
- Remove the headunit from the dashboard and disconnect the main wire harness.
- Wiring Plug & Play: Find a place for the A542DSP and connect the provided (or optionally available car-specific) wire to the amp, to the headunit and the cars main wire harness. No additional power wiring necessary. RCA Line In: If you prefer using low level signal, then disconnect the speaker input cables and connect your headunit and A542DSP with the RCA interconnects. You will also need to use separate remote/ACC+ cable and switch to “Remote Turn On”.
- For Hi-Res Sound from your smartphone: Connect the optical and coaxial cables to the inputs of A542DSP and outputs of the AXTON ABT50. Connect your smartphone via Bluetooth to the ABT50 for using APTX-HD standard or use the AXTON OTG cable for absolutely lossless audio transmission: the signal is sent from your smartphone directly to the amplifier without passing any D/A converter.
- Connect the remote control for convenient operation of the Master Volume, Bass Extender and Mute function. Recommended when using A542DSP without any headunit.
- Connect the wire to the headunit.
- Install the headunit back in the dashboard.
BLUETOOTH AUDIO STREAMING
Open the Bluetooth settings on your smartphone and search for „BT Audio“ device. Press “connect” and enter the code ”1234” to get the amp paired with your mobile. When you start playing music on your mobile, the amp automatically mute the signal from your car stereo. Please note: you cannot hear any warnings or navigation notes from your car stereo.
Connection to the smart mobile
Start the app and touch the “Connect” button. After the connection procedure is done successfully, the app downloads the current settings from the amplifier.
Save to Phone
You can save the settings on your smartphone. To do this, press „Save on Phone“ button , enter the desired filename, and confirm with „OK“.
Save to AMP
When you have done the settings, touch the „Save to Amplifier“ button and chose the favorite to transfer the settings to the amplifier. During the saving process do not switch off the amplifier as this may lead to malfunction and/or damage.
Load
Shows a list of files saved on the smartphone. Touch the desired setup to load. If you want to save the loaded setup permanently on the amp, press „Save to Amplifier“ button
EQ Settings
You can build your sound according to your settings in the EQ menu. Depending on the grade of required accuracy, you can chose between a 10 and a 31 band parametric equalizer. Swipe to the right/ to the left to get to the bands outside of the screen area. In the line „f0“ tap on the band you want to adjust. A pop-up window appears to enter the value of the center frequency you want. Confirm with „Ok“ . In the line „Q“ tap on the band you want to adjust. A pop-up window appears to enter the value of the quality factor you want. Confirm with „Ok“ . Instead you can also touch “-“ or “+” to adjust the Q factor in 0.1 steps. The quality factor (Q factor) determines the effect of the EQ filter (bandwidth) on the frequency band around the chosen center frequency f0.
- Example1: f0 = 1000 Hz

- desired bandwidth of EQ filter = 1000 Hz (i.e. 500 Hz – 1500 Hz) Q = 1
- Example2: f0 = 1000 Hz
- desired bandwidth of EQ filter = 200 Hz (i.e. 900 Hz – 1100 Hz) Q = 5 Q factors from 0.3 to 9.9 are possible.
- If required, you can choose independent equalizer preferences for the front and rear channels and even for each channel separately. Simply use the slider Front or Rear. When you want to do one setting for all channels (w/o sub) just press the “all” button .

- To reset all settings to „0“, press the
- „Reset“ button in the EQ menu. If you just want to try out the presets and then go back to your personal preferences, exit without saving the app, and then restart. The app will then load your saved preferences from the amplifier.

- Dynamic Bass Located in the EQ menu, the “Bass” slider is a very effective way to increase bass per-formance without overloading the speakers. Level at “0” = no Dynamic Bass function active.
- Level at “1” to “20” = the higher the value the higher the bass increasing. Simulta-neously a strong subsonic filter is enabled to protect the speakers from deepest bass frequencies to avoid damage to them.
Gain Phase
In this menu you can adjust the following settings for each individual channel: sound level, mute and phase. The sound level settings adjust in the field above and under the respective speaker icons.
In the lower area of the menu, in the top line, are the icons for phase-settings. From left to right: Front left, Front right, Rear left, Rear right, Subwoofer.In the bottom line are the icons for setting the mute switch. From left to right: Front left, Front right, Rear left, Rear right, Sub-woofer. When you adapted the settings, go back to the main menu, and touch the „Save to Am-plifier“ button to transfer the settings to the amplifier. During the saving process do not switch off the amplifier as this may lead to malfunction and/or damage. You can also save the settings on your smartphone. To do this, press „Save on Phone“ , and enter the desired filename.
Noise Gate
In the upper right corner of the GAIN menu you can find the Noise Gate function. It’s intended to reduce the back ground noise of the head unit. If back ground noise of the head unit is audible, increase the Noise Gate level by sliding to the left until the noise disappeared.
Crossover
In this menu you can assign a frequency band to the connected speakers that cor-responds to their recommended operating range. You can choose to adjust each channel separately, combine front and rear speakers and also all speakers together. In the left half of the diagram you can set the break frequency of the high pass filter as well as its slope. In the right half are the break frequency and slope of the low pass filter. The blue line shows the set slope of the filter. „Bypass“ means the signal is unfiltered and contains all frequencies. The filter settings also apply to the corresponding preamp outputs.
When you adapted all settings, go back to the main menu, and touch the „Save to Amplifier“ button to transfer the set-tings to the amplifier. During saving do not switch off the amplifier as this may lead to malfunction and/or damage. You can also save the settings on your smartphone. To do this, press the „Save on Phone“ button , and enter the desired filename.
Time Alignment
Press the „Time Alignment“ button to go to the menu. In this menu you can apply a time delay to the speaker signal to simulate an ideal listening position. Note the distance between your listening position and each speaker. Choose the most distant speaker as the reference for the other speakers. 
With the aid of the following example, calculate the values for your speakers:
- (FL) front left is 0.80 m from the listening position
- (FR) front right is 1.40 m from the listening position
- (RL) rear left is 0.50 m from the listening position
- (RR) rear right is 1.30 m from the listening position
- (SubW) subwoofer is 2.00 m from the listening position
- Value for FL = SubW – FL → FL = 2.00 – 0.80 m
- Value for FR = SubW – FR → FL = 2.00 – 1.40 m
- Value for RL = SubW – RL → RL = 2.00 – 0.50 m
- Value for RR = SubW – RR → RR = 2.00 – 1.30 m
- SubW remains at the value „0“
WARRANTY CONDITIONS + LIMITATIONS
Dear customer Please read the warranty specifications below carefully. Should your AXTON amplifier require warranty service, please return it to the retailer from whom it was purchased or the distributor in your country. Do not send any product to AXTON. Should you have difficulty in finding an authorized AXTON service center, details are available from your local distributor.
This AXTON amplifier is fully warranted against defective materials or workmanship for a period of two years from date of purchase at retail to the original buyer. Warranty work will not be carried out unless this warranty certificate is presented fully completed with serial number, purchaser‘s address, purchasing date and dealer stamp together with the original sales slip and either an authorized deal-er‘s confirmation of installation or authorized dealer‘s installation approval! This warranty does not cover any damage due to:
- Unauthorized or unapproved installation, incorrect audio or mains connection(s).
- Defects caused by exposure of the amplifier to humidity, water and organic fluids, prolonged exposure to sun rays or excessive dirt or dust.
- Mechanical defects caused by accidents, fall or impact.
- Unauthorized repair attempts and modifications not explicitly authorized by the manufacturer.
This warranty is limited to the repair or the replacement of the defective product at the manufacturer‘s option and does not include any other form of damage, whether incidental, consequential or other-wise. The warranty does not cover any transport costs or damages caused by transport or shipment of the product. Any additional or further claims and requirements for compensation of auxiliary com-ponents that have been damaged by the amp in sequence, directly or indirectly, are strictly excluded. You can find the warranty slip on page 30.

























