AUDIO DSPAI35 4 Channel Amplifier
Product Information
The user manual contains a series of characters and numbers that do not provide any product information.
Product Usage Instructions
- Ensure that the product is properly installed and connected to a power source.
- Refer to the user manual for specific instructions on how to operate the product.
- If you encounter any issues or have questions about product usage, consult the troubleshooting section of the user manual or contact customer support for assistance.
DIGITAL SIGNAL PROCESSING
PANEL CONTROLS AND FEATURES

- BT connector(B5 5.0 HD Bluetooth only)
- Low level output
- Low level input
- USB connector
- Jack for bass remote
- High level/ output/ power supply
- Auto tuning microphone input(Only applicable to Oaktree company dedicated microphone)
- Auto turn on/off switch

Note: There is no fuse inside the DSP. It is recommended to use an external fuse.
GUI OPERATION INSTRUCTION
- Double click the DSP icon

- Welcome the GUI that you have been long-expected! Now you can skillfully debug every tone to enjoy the perfect sound quality.

- Crossover:HP/LP
- The graphic of the crossover and EQ
- Main volume setting
- Volume and channel setting
- Delay setting
- EQ adjustment area
- Auto tuning interface (click Advanced – Auto Tuning)

PARAMETERS
POWER SUPPLY
- Voltage 11 – 15 VDC
- Idling current 0,4A
- Switched off without DRC 2,5mA
- Switched off with DRC 4mA
- Remote IN voltage 7 -15 VDC (1.3 mA)
- Remote OUT voltage 12 VDC (130 mA)
POWER OUTPUT
- Effective power 4X35W
- Peak power 4X80W
SIGNAL STAGE
- Distortion – THO @ 1 kHz, 1V RMS Output 0,005 %
- Bandwith @ -3 dB 10 – 22k Hz
- Master Input 95dBA
- Channel Separation @ 1 kHz 88dB
- Input Sensitivity (High level) 2-15 V RMS
- Max Output Level (RMS) @ 0.1 % THO 4VRMS
INPUT STAGE
- High Level (Speaker) FR- FR+ FL- FL+ RL- RL + RR- RR+
- OUTPUT STAGE
- Low level CH1 CH2 CH3 CH4 CHS CH6
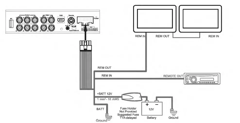
CONNECTION
- From/ To Personal Computer 1 x USB / B (1.1/2.0) 5M
CROSSOVER N.5 ( each output channel)
- Filter Type Full/ High Pass I Low Pass I Band Pass
- Slope Setting 6 I 12 / 18 / 24 / 30 / 36 I 42 I 48 dB
- Crossover frequency 68 steps@ 10 – 20k Hz
- Phase control independently set to each channel 0° – 180°
- Time delay independently set to each channel 0 – 15 MS 3
























