BC66F2332 Easy DEV
User Guide
General Description
1.1 Main Features
- Directly connects to the e-Link without the need for wiring
- Connects to the e-Socket (ESKT40DIPC) for programming using the e-WriterPro
- Three power supply options: 5V (USB)/3.3V/VDD (e-Link)
- Preload breathing lamp (LED) DEMO CODE, development board status is convenient for inspection
- Compact board – PAD hole distance multiple of 100mil allows for convenient usage
1.2 Hardware Introduction

Note
- The development board only supports the 433.93MHz frequency band.
- If the SMA connector is used, select the 50Ω impedance antenna.
- If using the spring antenna attached to the board, change the R3 to the R5 and weld the antenna to the E1 point.
e-Link On-Chip Debug Support – OCDS
2.1 Software Introduction
- Download the software from the Holtek official website to obtain the relevant information.
Download Path: MCU Development Tools – Software – ICE Software – HT-IDE3000 - After the HT-IDE3000 installation has been completed, the Holtek HT8OCDS-ICE User’s Guide can be accessed from its menu.

- Update the e-Link to e-Link OCDS Mode using the HT-IDE3000 software.
2.2 Hardware Introduction
- e-Link HT8OCDS Pin Assignment

- Hardware Connection Schematic Diagram

Connects to the USB port for programming using the HT-IDE3000. If problems are encountered, refer to the HT-IDE3000 User’s Guide.
- If the connection is successful, the following message will pop up:

- If the connection fails or there is no connection, the following message will pop up:

e-Link In-Circuit Program Function – ICP
3.1 Software Introduction
- Download the software from the Holtek official website to get the relevant information.
Download Path: MCU Development Tools – Software – Programmer Software – HOPE3000 for e-Link - After the HOPE3000 for e-Link installation has been completed, the User’s Guide can be accessed from the menu.

- Update the e-Link to the e-Link ICP mode using the HOPE3000 for e-Link software.
3.2 Hardware Description
- e-Link ICP Pin Assignment

- Hardware Connection Schematic Diagram
Connects to the USB port for programming using the HOPE3000 for e-Link. If the connection is successful, a prompt will be generated informing the user that the writer is connected. If problems are encountered, refer to the HOPE3000 for the e-Link User’s Guide.
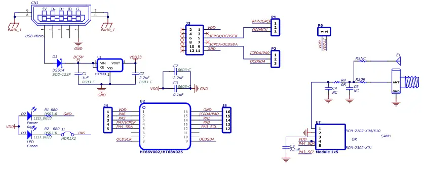
Pin and Schematics
4.1 Pin Assignment – Size: 20mm×64mm

4.2 Schematic

Copyright © 2022 by HOLTEK SEMICONDUCTOR INC.
The information provided in this document has been produced with reasonable care and attention before publication, however, Holtek does not guarantee that the information is completely accurate and that the applications provided in this document are for reference only. Holtek does not guarantee that these explanations are appropriate, nor does it recommend the use of Holtek’s products where there is a risk of personal hazard due to malfunction or other reasons.
Holtek hereby declares that it does not authorize the use of these products in life-saving, life-sustaining, or critical equipment. Holtek accepts no liability for any damages encountered by customers or third parties due to information errors or omissions contained in this document or damages encountered by the use of the product or the datasheet. Holtek reserves the right to revise the products or specifications described in the document without prior notice. For the latest information, please contact us.
Revision: V1.00
www.holtek.com







Connects to the USB port for programming using the HOPE3000 for e-Link. If the connection is successful, a prompt will be generated informing the user that the writer is connected. If problems are encountered, refer to the HOPE3000 for the e-Link User’s Guide.

















