WIRELESS LIGHT DIMMER
(CLASSIC VERSION)

Combination of iNELS wall-mounted wireless controller and dimmer for regulation of all types of dimmable bulbs and light sources.
Content
On-wall button controller PLASTIC – 4 buttons
RFWB-40/G
Universal dimmer, 1-channel
RFDEL-71B-SL
EAN 8595788183017 (On-wall button controller PLASTIC – 4 buttons + 2x Universal dimmer, 1-channel)
EAN 8595188183000 (On-wall button controller PLASTIC – 4 buttons + 1x Universal dimmer, 1-channel)

The individual elements in the iNELS set are paired and their functions are preset.
iNELS Wireless light dimmer enables dimming of different types of lights or controlling electrical appliances

A Switch OFF/dimm DOWN light 1.
(short/long press)
B Switch ON/dimm UP light 1.
(short/long press)
C Switch ON/dimm UP light 2.
(short/long press)
D Switch OFF/dimm DOWN light 2.
(short/long press)
The settings of the wall controllers can be changed – see. Functions and programming.
Detailed manual

RFWB-40
RFWB-40/G On-wall button controller PLASTIC – 4 buttons
Characteristics
- The wireless controller is used to control switches and dimmers (lights, gate, garage door, blinds, etc.).
- RFWB-40/G: four buttons enable control from two up to four units independently (depending on the type of switching element)
- The flat design with level base makes it ideal for fast installation on any surface (fi xation with adhesive or screws in the installation box).
replacement of a battery RFWB-40
1 Using a screwdriver, carefully pry off the device from the frame.

![]()
2 Gently pull to remove the cover.

![]()
3 Slide the CR2032 battery into the battery holder. Observe the polarity.

![]()
4 Snap on the cover. The LED opening must be located in the upper part (for the RFWB-40, observe the positioning of the left and right cover

![]()
5 Place the frame on the rear part.

![]()
6 Snap the device with the cover into the prepared frame.

Safe handling
When handling a device unboxed it is important to avoid contact with liquids. Never place the device on the conductive pads or objects, avoid unnecessary contact with the components of the device.
| Technical parameters | RFWB-40/G |
| Supply voltage: | 3 V battery CR 2032 |
| Transmission indication: | red LED |
| Number of buttons: | 4 |
| Transmitter frequency: | 868.5 MHz |
| Signal transmission method: | unidirectionally addressed message |
| Range in free space: | up to 200 m |
| Other data: | |
| Operating temperature: | -10 … +50 °C |
| Operating position: | any |
| Mounting: | glue, screws |
| Protection: | IP20 |
| Contamination degree: | 2 |
| Dimensions: | |
| LOGUS90 frame – plastic: | 85 x 85 x 16 mm |
| LOGUS90 frame – metal, glass, wood, granite: | 94 x 94 x 16 mm |
| Weight: | 39g * |
| Related standards: | EN 60669, EN 300220, EN 301489 |
* Comes with plastic frame. No installation into multi-frames.
Attention:
When you instal iNELS RF Control system, you have to keep minimal distance 1 cm between each units. Between the individual commands must be an interval of at least 1s.
Detailed manual
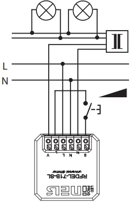
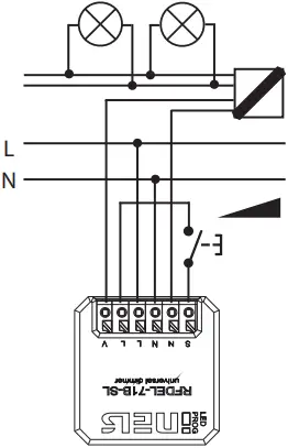
RFDEL-71B-SL
Universal dimmer, 1-channel
RFDEL-71B-SL
Characteristics
- The universal built-in dimmer is used to regulate light sources.
- They can be combined with detectors, controllers, iNELS RF Control or system components.
- 7 light functions – smooth increase or decrease with time setting 2s-30 min. + additional function SWITCH OFF
- Thanks to setting the min.brightness you will eliminate flashing of the LED and ESL light sources
- The universal dimmer may be controlled by up to 25 channels (1 channel represents 1 button).
- Connection of the existing button on the control input “S” enables combination of wireless control with classic (wired) control.
- The programming button on the controller is also used for manual control of the output.
- For components labelled as iNELS RF Control2 (RFIO2), it is possible to set the repeater function via the RFAF/USB service device.
- Range up to 200 m (in open space), if the signal is insu cient between the controller and unit, use the signal repeater RFRP-20 or protocol component RFIO2 that support this feature.
Installation options
mounting in an installation box

mounting into the ceiling light cover

under ceiling mounted

| Technical parameters | RFDEL-71B-SL |
| Supply voltage: | 230 V AC / 50 Hz |
| Apparent power: | 5 VA |
| Dissipated power: | 0.5 W |
| Supply voltage tolerance: | +10/ -15 % |
| Connection: | 4 – wire, with NEUTRAL |
| Dimmed load: | R, L, C, LED, ESL |
| Output: | |
| Contactless: | 2 x MOSFET |
| Load capacity: | 300 W * |
| Control: | |
| RF command from the transmitter: | 868.5 MHz |
| Range in open space: | up to 200 m |
| Manual control: | button PROG (ON/OFF), external button |
| Other data: | |
| Operating temperature: | 15 … + 45 °C |
| Storage temperature: | -30 … +70°C |
| Operating position: | any |
| Protection: | IP40 under normal conditions |
| Overvoltage category: | III. |
| Contamination degree: | 2 |
| Connection: | screwless terminals |
| Connecting conductor: | 0.2-1.5 mm2 |
| Dimensions: | 43 x 44 x 22 mm |
| Weight: | 30g |
| Related standards: | EN 60730, EN 63044, EN 300 220, EN 301 489 |
Compatibility
The device can be combined with all system components, controls and devices of iNELS RF Control and iNELS RF Control². The detector can be assigned an iNELS RF Control² (RFIO²) communication protocol.
Connection
L coil transformer C electronic transformer


LED, ESL, R

Radio frequency signal penetration through various construction materials
Range up to 200 m (2 inch) in open space, if the signal is insu cient between the controller and unit, use the signal repeater RFRP-20 or protocol component RFIO² that supports this feature.

![]() | ![]() | ![]() | ![]() | ![]() |
| 60 – 90 % | 80 – 95 % | 20 – 60 % | 0 – 10 % | 80- 90 % |
| brick walls | wooden structures with plaster boards | reinforced concrete | metal partitions | common glass |
Warning
Instruction manual is designated for mounting and also for the usage of the device. It is always a part of its packing. Installation and connection can be carried out only by a person with adequate professional qualification with understanding this instruction manual and functions of the device, and while observing all valid regulations. Trouble-free function of the device also depends on transportation, storing and handling. In case you notice any sign of damage, deformation, malfunction or missing part, do not install this device and return it to its seller. It is necessary to treat this product and its parts as electronic waste after its lifetime is terminated. Before starting installation, make sure that all wires, connected parts or terminals are de-energized. While mounting and servicing observe safety regulations, norms, directives and professional, and export regulations for working with electrical devices. Do not touch parts of the device that are energized life threat. Due to transmissivity of RF signal, observe correct location of RF components in a building where the installation is taking place. RF Control is designated only for mounting in interiors. Devices are not designated for installation into exteriors and humid spaces. The must not be installed into metal switchboards and into plastic switchboards with metal door transmissivity of RF signal is then impossible. RF Control is not recommended for pulleys etc. - radio – frequency signal can be shielded by an obstruction, interfered, battery of the transceiver can get flat etc. and thus disable remote control.
Designed & Manufactured by:
ELKO EP, s.r.o. Palackého 493, 769 01 Holesov, Vsetuly,
Czech republic, www.elkoep.com, Hotline: +420 800 100 671

























