IBC6008 Battery Charger
Owner’s Manual
MODEL IBC6008/IBC6008MSK
OPERATOR’S MANUAL
IBC6008 Battery Charger
WARNING: Read all instructions before operating product. Failure to follow all instructions listed below may result in electric shock, fire and/or serious injury.
Danger: Indicates a hazardous situation that, if not avoided, will result in death or serious injury.
Warning: Indicates a hazardous situation that, if not avoided, could result in death or serious injury.
Caution: Indicates a hazardous situation that, if not avoided, could result in minor or moderate injury.
Notice: Indicates information considered important but not hazard related.
WARNING: IMPORTANT SAFETY INSTRUCTIONS
- SAVE THESE INSTRUCTIONS. This manual contains important safety and operating instructions for the battery charger model IBC6008/IBC6008MSK. You may need to refer to these instructions later.
- To reduce risk of injury, charge only lead-acid rechargeable batteries. Other types of batteries may burst causing personal injury and property damage.
- Do not expose the charger to rain or snow if specifically warned on the unit not to do so.
- Use of an attachment not recommended or sold by the battery charger manufacturer may result in a risk of fire, electric shock, or injury to persons.
- To reduce the risk of damage to the electric plug and cord, pull by the plug rather than the cord when disconnecting the charger.
- Make sure the cord is located so that it will not be stepped on, tripped over, or otherwise subjected to damage or stress.
- An extension cord should not be used unless necessary. Use of an improper extension cord could result in a risk of fire and electric shock. If an extension cord must be used, make sure:
a. That the pins on the plug of extension cord are the same number, size, and shape as those of the plug on the charger;
b. That the extension cord is properly wired and in good condition; and
c. If the length of the extension cord is less than 25 feet, use a 14AWG cord, If 50 feet- 12AWG, 100 feet-10AWG, 150 feet-8AWG. - Do not operate the charger with a damaged cord or plug, replace them immediately.
- Do not operate the charger if it has received a sharp blow, been dropped, or otherwise damaged in any way; take it to a qualified service facility.
- Do not disassemble the charger; take it to a qualified service facility when service or repair is required. Incorrect reassembly may result in risk of electric shock or fire.
- To reduce the risk of electric shock, unplug the charger from the outlet before attempting any maintenance or cleaning. Turning off the controls will not reduce this risk.
WARNING – RISK OF EXPLOSIVE GASES
a. WORKING IN THE VICINITY OF A LEAD-ACID BATTERY IS DANGEROUS. BATTERIES GENERATE EXPLOSIVE GASES DURING NORMAL BATTERY OPERATION. FOR THIS REASON, IT IS OF UTMOST IMPORTANCE THAT EACH TIME BEFORE USING YOUR CHARGER, YOU READ THIS MANUAL AND FOLLOW THE INSTRUCTIONS EXACTLY.
b. To reduce the risk of battery explosion, follow these instructions and those published by the battery manufacturer and manufacturer of any equipment you intend to use in the vicinity of the battery. Review cautionary markings on these products and on the engine.- PERSONAL PRECAUTIONS
a. Someone should be within range of your voice or close enough to come to your aid when you work near a lead-acid battery.
b. Have plenty of fresh water and soap nearby in case battery acid contacts skin, clothing, or eyes.
c. Wear complete eye protection, and clothing protection. Avoid touching eyes while working near battery.
d. If battery acid contacts skin or clothing, wash immediately with soap and water. If acid enters the eyes, immediately flood eyes with running cold water for at least 10 minutes and get medical attention immediately.
e. NEVER smoke or allow a spark or flame in the vicinity of the battery or engine.
f. Be extra cautious to reduce risk of dropping a metal tool onto the battery. It might spark or short circuit the battery or other electrical parts that may cause an explosion.
g. Remove personal metal items such as rings, bracelets, necklaces, and watches when working with a lead-acid battery. A lead-acid battery can produce a short circuit current high enough to weld a ring or the like to metal, causing a severe burn.
h. Use this charger for charging a LEAD-ACID battery only. It is not intended to supply power to a low-voltage electrical system other than in an automotive application. Do not use this battery charger for charging dry-cell batteries that are commonly used with home appliances. These batteries may burst and cause injury to persons and damage to property.
I. NEVER charge a frozen battery. - PREPARING TO CHARGE
a. If necessary, to remove battery from vehicle to charge, always remove the grounded terminal from the battery first. Make sure all accessories in the vehicle are off, so as not to cause an arc.
b. Be sure the area around the battery is well ventilated while the battery is being charged. Gas can be forcefully blown away by using a piece of cardboard or other non-metallic material as a fan.
c. Clean the battery terminals. Be careful to keep corrosion from coming in contact with eyes.
d. Add distilled water in each cell until battery acid reaches level specified by the battery manufacturer. This helps purge excessive gas from cells. Do not overfill. For a battery without cell caps, carefully follow the manufacturer’s recharging instructions.
e. Study all battery manufacturer’s specific precautions such as removing or not removing the cell caps while charging and the recommended rates of charge.
f. Determine voltage of the battery by referring to the vehicle’s owner’s manual and make sure that the output voltage selector switch is set at the correct voltage. If the charger has adjustable charge rate, charge the battery initially at the lowest rate. - CHARGER LOCATION
a. Locate the charger as far away from the battery as the DC cables permit.
b. Never place the charger directly above the battery being charged; gases from the battery will corrode and damage the charger.
c. Never allow battery acid to drop on the charger when reading the specific gravity or filling battery.
d. Do not operate the charger in a closed-in area or restrict ventilation in any way.
e. Do not set a battery on top of the charger. - DC CONNECTION PRECAUTIONS
a. Connect and disconnect the DC output clamps only after setting the charger switches to the OFF position and removing the AC cord from the electric outlet. Never allow the clamps to touch each other.
b. Attach the DC clamps to the battery post and twist or rock back and forth several times to make a good connection. This tends to keep the clamps from slipping off the terminals and helps to reduce the risk of sparking. - FOLLOW THESE STEPS WHEN THE BATTERY IS INSTALLED IN A VEHICLE. A SPARK NEAR THE BATTERY MAY CAUSE A BATTERY EXPLOSION. TO REDUCE THE RISK OF A SPARK NEAR THE BATTERY:
a. Position the AC and DC cords to reduce the risk of damage by the hood, door, or moving engine parts.
b. Stay clear of fan blades, belts, pulleys, and other parts that can cause injury to persons.
c. Check the polarity of the battery post. The POSITIVE (POS, P, +) battery post usually has a larger diameter than the NEGATIVE (NEG, N, -) post.
d. Determine which post of the battery is grounded (connected) to the chassis. If the negative post is grounded to the chassis (as in most vehicles), see item (e). If the positive post is grounded to the chassis, see item (f).
e. For negative-grounded vehicles, connect the POSITIVE (RED) clamp from the battery charger to the POSITIVE (POS, P, +) ungrounded post of the battery. Connect the NEGATIVE (BLACK) clamp to the vehicle chassis, heavy gauge metal part of the frame, or engine block, away from the battery. Do not connect to the carburetor, fuel lines, or sheet metal body parts.
f. For positive-grounded vehicle, connect NEGATIVE (BLACK) clamp from the battery charger to the NEGATIVE (NEG, N, -) ungrounded post of the battery. Connect POSITIVE (RED) clamp to the vehicle chassis or engine block away from the battery. Do not connect the clamp to the carburetor, fuel lines, or sheet-metal body parts. Connect to a heavy gauge metal part of the frame or engine block.
g. When disconnecting the charger, turn the switches to OFF, disconnect the AC cord, remove the clamp from the vehicle chassis, and then remove the clamp from the battery terminal.
h. See the operating instructions for length of charge information. - FOLLOW THESE STEPS WHEN THE BATTERY IS OUTSIDE THE VEHICLE. A SPARK NEAR THE BATTERY MAY CAUSE A BATTERY EXPLOSION. TO REDUCE THE RISK OF A SPARK NEAR THE BATTERY:
a. Check the polarity of the battery post. The POSITIVE (POS, P, +) usually has a larger diameter than the NEGATIVE (NEG, N, -) post.
b. Attach at least a 24-inch-long 6-gauge (AWG) insulated battery cable to the NEGATIVE (NEG, N, -) battery post.
c. Connect the POSITIVE (RED) charger clamp to the POSITIVE (POS, P, +) post of the battery.
d. Position yourself and free end of cable as far away from the battery as possible – then connect the NEGATIVE (BLACK) charger clamp to the free end of cable.
e. Do not face the battery when making the final connection.
f. When disconnecting the charger, always do so in reverse sequence of connecting procedure, and break the first connection while standing as far away from the battery as practical.
g. A marine (boat) battery must be removed and charged on shore. To charge it on board requires equipment specially designed for marine use. - GROUNDING AND AC POWER CORD CONNECTION INSTRUCTIONS
The charger should be grounded to reduce the risk of electric shock. This charger is equipped with an electric cord having an equipment grounding conductor and a grounding plug. The plug must be plugged into an outlet that is properly installed and grounded in accordance with all local codes and ordinances.
DANGER. Never alter the AC cord or plug provided – if it will not fit the outlet, have a proper outlet installed by a qualified electrician Improper connection can result in a risk of an electric shock. This battery charger is for use on a nominal 120-volt circuit and has a grounding plug that looks like the plug illustrated in FIGURE (A). A temporary adapter, which looks like the adapter illustrated in FIGURE (C), may be used to connect this plug to a two-pole receptacle, as shown in FIGURE (B), until a properly grounded outlet can be installed by a qualified electrician.
DANGER. Before using an adapter as illustrated, be certain that the center screw of the outlet plate is grounded. The green-colored rigid ear or lug extending from the adapter must be connected to a properly grounded outlet – make certain it is grounded. If necessary, replace the original outlet cover plate screw with a longer screw that will secure the adapter ear or lug to the outlet cover plate and make ground connection to grounded outlet.
NOTICE: USE OF AN ADAPTER IS NOT ALLOWED IN CANADA. IF A GROUNDING TYPE RECEPTACLE IS NOT AVAILABLE, DO NOT USE THIS APPLIANCE UNTIL THE PROPER OUTLET IS INSTALLED BY A QUALIFIED ELECTRICIAN. - LENGTH OF CHARGE
a. Test the battery for state of charge. Do not charge if it is over 75% charged or the battery is determined to be defective.
b. Set beginning amps charge rate for size of battery and state of charge per charts.
c. Charge for length of time per charge.
d. Discontinue charge when the specific gravity of electrolyte reaches 1.260 or above. A temperature compensating hydrometer should be used for this reading. Discontinue charge if the battery begins to gas excessively or if the temperature of the electrolyte reaches approximately 125°F. Do not overcharge batteries. Overcharging results in excessive water loss and eventual damage to the battery.
- ASSEMBLY INSTRUCTIONS
Attach the handle to the charger using the four screws provided. - CHARGER CONTROL LAYOUT
The control has a large 4-line 20-character LCD display. User interface is thru a 4-button keypad with an ON/OFF, Arrow Up, Select, and Arrow Down keys. ON/OFF primary use is for turning the charger ON and OFF the other 3
keys are primary used for setting the different parameters available to the end user.
- OPERATING INSTRUCTIONS: CHARGING
When the charger is connected to AC Power, the display will show manufacture and program version. It will then default to the charge-type screen. On this screen the user can select a Partial Charge (will return about 75%), Complete Charge (this charge is controlled by the entered parameters), Relish Power, MEMSAVR, Crank, or Manual. Use the Arrow Up or Arrow Down keys to scroll to the desired type of charge then press the “Select” key. If a Partial or Complete Charge was selected it will display the Battery Type Selection screen at this point, select the battery type by using the arrow keys and then pressing “Select”. At this point will ask if a “Battery Connected” if it is press “Select” to start right way or wait 10-second and it will start on its own. You can return to the charge type-screen by pressing the ON/OFF key.
● Relish Power: Used to hold the voltage on the battery at the set value while the vehicle is being serviced. Do not use without battery.
● MEMSAVR (MEMORY SAVER): Used to hold up the vehicle voltage while charging the battery. Plug cable into the power plug, then set charger for Memory Saver and press ON/OFF to start. If it does not see a voltage on the Memory Saver it will show an Error.
● Crank: Used to assist starting a vehicle. Select and follow the screen prompts.
● Manual: This mode can be used to operate the charger just like a manual charger runs for the time set while limiting the current and voltage. (See section 20. LENGTH OF CHARGE). - CHARGER SETUP
The charger has several parameters that can be set to enhance the charger’s operation or the user experience. To enter this set-up menu PRESS and HOLD the “Select” key (about 5 seconds). The Display will show the menu of items that may be changed:
● LCD Contrast: Use to optimize the contrast on the display for optimum viewing.
● Use Buzzer: Used to turn the buzzer on and off.
● Language: Used to select the language to be used in the display.
● Parameter Lock: Used to lock all the settings for the various battery types.
● Volts at Bat: Voltage Drop; this is used to calibrate cable/clamp voltage drop. This should only need to be done if a large discrepancy between the display voltage and actual battery voltage exists. To use, select while connected to a battery, unit will turn on in the midrange current, place a calibrated meter on the battery terminals, then use the arrow keys to adjust the display voltage to match meter on the battery. When they match, press the “Select” key.
● Jump Conn ohms: Used to determine voltage drop for line drop calculations.
● Man Test: Used to test the unit in production.
● Amp Output: Used to calibrate the current reading.
● Use SOC: Used to turn the SOC and Est. Time on or off.
● Master Reset: Used to reset all charge parameter to factory default. - GENERAL CHARGING PARAMETER SETUP
The charger is setup for maximum versatility. All charging parameters start at factory default. Once a parameter is changed then it will remain changed at that setting until it is changed again. Parameters have limits depending on the battery type. All changes should be changed with great care to ensure not to damage the battery.
To change a parameter, press and hold the ON/OFF key. Use the UP/DOWN arrow keys to place the caret (arrow) on the parameter desired to change. Press “Select”, and caret will start to flash. Now use the arrow keys to change the parameter to the desired values within the limits allowed. Once the parameter is set press the “Select” key to lock that value in memory.
Battery Type: Use this to select the battery type that needs to be charged. When charger powers up it defaults to AGM, if the battery type is unknown the AGM is usually a safe charge to use. To change parameters for a battery or mode then that item must first be selected, then all the parameters for the item will change to match what they are set for. Not all parameters are needed for every battery type.
Maximum Current: Limits current output of the charger. Can be used to limit heating of the battery. Some batteries have limits on maximum current for charging.
Hold Voltage: Depending on the battery type, this could be the maximum voltage the battery is charged at, or it may be the gassing point where the current is reduced to charge the battery for maximum charge efficiency.
Run Time: This would be the maximum charge time allowed for charging the battery.
Safety Voltage: If this voltage is reached, and cannot be reduced, charge is terminated.
Finish Current: Depending on the battery type, this current is the current the charge is terminated on, or the current used to finish the charge.
Time Post Gassing: This is the maximum time allowed after reaching the hold voltage.
Finish Types:
● None: When charge is done just turns off.
● Pulse/Time (PULSE/TIME): After charge is complete, charger turns OFF and remains OFF until the selected time is reached. Charger will then turn back on until the hold voltage is reached, at which time it will turn off.
● Pulse/Vats (PULSE/VOLTS): After charge is complete, charger turns OFF and remains OFF until the battery voltage drops to the selected float voltage. Charger will then turn back on until the hold voltage is reached, at which time it will turn off.
● Float: After charge is complete, charger turns OFF and remains OFF until the battery voltage drops to the float voltage. Charger will then turn on as necessary to hold the voltage at the float voltage until the battery is removed. - MAINTENANCE INSTRUCTIONS
Worn clamps should be replaced. Worn parts can lead to poor connections and present a safety hazard. See parts list for part number of D.C. Cord kit. Any Maintenance or repair of this unit that involves disassembly of the cabinet should be done only by a qualified service person. Incorrect reassembly may result in a risk of electric shock when the unit is subsequently used.
PRODUCT WARRANTY
Associated Equipment Corp. warrants only to the original End User/Purchaser that under normal use, care and service, the Equipment (except as otherwise provided herein) shall be free from defects in material and workmanship for the Warranty Period of 2 (TWO) YEARS PARTS AND LABOR, 3 (THREE) YEARS TRANSFORMER AND RECTIFIER (PARTS ONLY AFTER 2ND YEAR). All Warranty Periods are from the date of original invoice/purchase (dated sales receipt required). The Associated Equipment Warranty is NOT extended to products, which in Associated Equipment’s sole judgement, have been misused, abused or modified from their original state.
ASSOCIATED EQUIPMENT’S OBLIGATIONS UNDER THIS WARRANTY ARE LIMITED SOLELY TO THE REPAIR OR, AT SELLER’S OPTION, REPLACEMENT OF EQUIPMENT OR PARTS WHICH TO SELLER’S SATISFACTION ARE DETERMINED TO BE DEFECTIVE AND WHICH ARE NECESSARY, IN SELLER’S JUDGEMENT, TO RETURN THE EQUIPMENT TO GOOD OPERATING CONDITION. NO OTHER WARRANTIES EXPRESS OR IMPLIED OR STATUTORY, INCLUDING WITHOUT LIMITATION ANY IMPLIED WARRANTY OF MERCHANTABILITY OR FITNESS FOR A PARTICULAR PURPOSE, SHALL APPLY AND ALL SUCH WARRANTIES ARE HEREBY EXPRESSLY DISCLAIMED.
SERVICE CENTERS: For a complete listing of authorized service centers, contact Customer Service or consult the online listing at www.associatedequip.com. While most products may be serviced by Associate’s authorized service centers, some products may only be serviced by the factory.
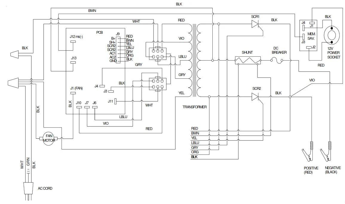
WIRING DIAGRAM

REPAIR PARTS

| Item | Description | Part No. |
| 1 2 3 4 5 6 7 8 9 10 11 12 13 14 15 16 17 18 19 | Memory Saver PCB Wheel w/nuts (2) Rectifier (#1) Rectifier (#2) Harness Transformer w/male harness Fan Motor w/blade DC Circuit Breaker AC Cord DC Cable Set Clamps (1 pair w/jaws) Jaw Kit (repairs 1 clamp) PCB Switch Membrane Large Display 12V Power Socket Front Leg Handle Clamp Bar | 611486 611157 611467 611468 611237 611477 610189 610190 610536 611481 611084 6199 610970 611482 611480 611257 605671 605213 610517 |
Parts Not shown
Memory Saver Cable (OBD II to Cigarette Plug) ……. MS6209-12
Battery Cable Terminal Covers …………………………………. CC6212
Harness Molex female ……………………………………………… 611478
Associated Equipment Corp.
5043 Ferlin Ave.
St. Louis, MO 63115
Tel. (314)385-5178 Fax. (314)385-3254
www.associatedequip.com
d. Position yourself and free end of cable as far away from the battery as possible – then connect the NEGATIVE (BLACK) charger clamp to the free end of cable.




















