sip 04381 QT24 Litre 10 Low Noise Air Compressor

Product Information
The product is a compressor with model numbers 10 & 04382 QTA50/10. It is used to compress air and discharge it into the tank via the piston moving up and down in the cylinder. The compressor has a motor and pump assembly with a thermal overload protector that shuts down the motor in case of overheating. It also has an air receiver of either 24L or 50L, a tank pressure gauge, an air pressure regulator, a regulated pressure gauge, a quick connector air outlet, an air tank ball valve, a pressure relief safety valve, an ON/OFF-pressure switch, and a mains lead.
Product Usage Instructions
- Read and understand the operator’s manual thoroughly before using the product to ensure safety and proper operation.
- Follow all instructions provided in the manual when using the product.
- Do not operate the compressor above the maximum operating pressure of the spray gun or tool.
- Drain water from the tank after each use.
- Do not weld or repair the tank.
- Do not operate with the pressure switch or safety valve set above the maximum allowable working pressure.
- Allow the compressor to cool before touching as hot compressor surfaces could result in serious injury.
- Do not use the compressor to supply breathing air to avoid inhalation hazards resulting in death or serious injury.
- Do not spray flammable materials in the vicinity of any flame or ignition sources including the compressor unit as this poses a risk of fire resulting in death or serious injury.
- Do not restrict compressor ventilation openings or place objects against or on top of it. Operate the compressor only in a clean, dry, well-ventilated area and never operate it unattended.
- Always wear CE-approved safety glasses when using the air compressor to avoid the risk of serious eye injury. Do not spray any part of the body and always wear hearing protection when using an air compressor to avoid hearing loss.
Safety Guidelines
Important Safety Information
The manufacturer cannot possibly anticipate every possible circumstance that might involve a hazard. The warnings work method, or operating technique that the manufacturer does not specifically recommend, you must satisfy yourself that it is safe for you and others. You must also make sure that the procedure, work method, or operating technique that you choose does not render the compressor unsafe.
Safety Symbols and Meanings 
- The safety alert symbol indicates a potential hazard to personal injury. A signal word (DANGER, WARNING, or CAUTION) is used with the alert symbol to designate a degree or level of hazard seriousness. A safety symbol may be used to represent the type of hazard. The signal word NOTICE is used to address practices not related to personal injury.
- DANGER indicates a hazard which, if not avoided, will result in death or serious injury.
- WARNING indicates a hazard which, if not avoided, could result in death or serious injury.
- CAUTION indicates a hazard which, if not avoided, could result in minor or moderate injury. Notice address practices not related to personal injury.
Safety Information
DO NOT OPERATE THIS UNIT UNTIL YOU READ AND UNDERSTAND THIS INSTRUCTION MANUAL FOR SAFETY, OPERATION, AND MAINTENANCE INSTRUCTIONS.
WARNING
- Risk of fire caused by sparks from motor and pressure switch could result in death or serious injury. Do not operate compressor near flammable gas or vapor. Never store flammable liquids or gases in vicinity of compressor.
- High pressure air could result in death or serious injury. Never operate above maximum operating pressure of the spray gun or tool. Drain water from tank after each use.
- Do not weld or repair tank.
- Donotoperate with a pressure switch or safety valve set above the maximum allowable working pressure.
- Hot compressor surfaces could result in serious injury. Allow the compressor to cool before touching it.
- Inhalation hazard. Using a compressor to supply breathing air could result in death or serious injury. Do not, use a compressor to supply breathing air.
- The risk of fire could result in death or serious injury.
- Do not spray flammable materials in the vicinity of any flame or ignition sources including the compressor unit.
- Do not restrict compressor ventilation openings or place objects against or on top of the compressor. Operate the compressor only in a clean, dry, well-ventilated area.
- Do not operate unattended. Always turn off and unplug the unit when not in use.
- Risk of serious eye injury. Always wear CE-approved safety glasses when using an air compressor. Do not spray any part of the body.
- Always wear hearing protection when using an air compressor. Failure to do so may result in hearing loss. Shock risk could result in death or serious injury. Only connect the compressor to a properly grounded receptacle. KEEP CHILDREN AWAY FROM THE AIR COMPRESSOR AT ALL TIMES.
- Dust can be created when cutting, sanding, drilling, or grinding materials such as wood, paint, metal, concrete, cement, or other masonry. To reduce your exposure to these chemicals, work in a well-ventilated area and ALWAYS wear approved safety equipment.
- This air compressor is supposed to be stored in ambient temperature conditions: centigrade temperature from 20 to 30°C.
Key PartsDiagram
| Item | Description | Item | Description |
| A | Motor & Pump Assembly | F | Quick Connector Air Outlet |
| B | Air Receiver 24L or 50L | G | Air Tank Ball Valve |
| C | Tank Pressure Gauge | H | Pressure Relief Safety Valve |
| D | Air Pressure Regulator | I | ON / OFF – Pressure Switch |
| E | Regulated Pressure Gauge | J | Mains Lead |
- A. ELECTRIC MOTOR: The motor is used to power the pump. It contains a thermal overload protector. If the motor overheats for any reason, the thermal overload protector will shut it down in order to prevent the motor from being damaged.
- AIR COMPRESSOR PUMP: The pump is used to compress the air and discharge it into the tank via the piston moving up and down in the cylinder.
- B. AIR RECEIVER: The Air Tank / Receiver is used to store the compressed air.
- C. TANK PRESSURE GAUGE: The gauge is used to measure the stored air pressure level inside the tank. It is not adjustable by the operator and does not indicate line outlet pressure.
- D. AIR PRESSURE REGULATOR: The regulator is used to adjust line / outlet pressure to the tool you are using. Turn the knob clockwise to increase pressure and counterclockwise to decrease pressure.
WARNING
Never exceed the maximum working pressure of the tool.
- E. REGULATED PRESSURE GAUGE: The gauge is used to measure the regulated outlet pressure.
- F. QUICK COUPLER: The air compressor features a quick coupler for air outlet connecting ease.
- G. AIR TANK BALL VALVE: The ball valve is used to remove moisture / condensate from the air tank after the unit is shut off.
WARNING
Never attempt to open the drain valve when the tank pressure is more than 10 PSI.
- H. PRESSURE RELIEF SAFETY VALVE: The valve is used to prevent the compressor from over pressure. If the pressure reaches the preset level, it will automatically pop open.
- I. ON/OFF – PRESSURE SWITCH: This switch turns on the compressor and is operated manually. The compressor will produce air and shut off at the “Cut-Off “pressure. When air is drawn by an air tool the compressor will automatically start to pump once the “Cut-In” pressure has been reached. ALWAYS set this switch to OFF when the compressor is not being used and before unplugging the compressor.
- J. MAINS LEAD: This compressor is for use with a 230 Volt UK domestic socket and should be grounded / Earthed.
- Make sure that the product is connected to an outlet that has the same configuration as the plug (see Figure 1). If an extension lead is used, make sure the cable size is sufficient to be able to take the current of the compressor Check with a licensed electrician if the grounding instructions are not understood or there is doubt as to whether the product is properly grounded. Do not modify the plug provided. If it will not fit the outlet, have the proper outlet installed by a licensed electrician.
- DANGER Improper installation of the grounding plug will result in a risk of electric shock. If repair or replacement of the cord or plug is necessary, consult a qualified electrician.

Assembly
PREPARATION
- Before beginning assembly of product, make sure all parts are present. Compare parts with package contents list and hardware contents list. If any part is missing or damaged, do not attempt to assemble the product.
- Estimated Assembly Time: 5 minutes
Tools Required for Assembly (not included):
ASSEMBLY INSTRUCTIONS
- Removable Handle Assembly
- Insert handle (K) into the FIxed sleeves. Align the tapped holes (K1) with the holes on the sleeve.
- Fasten the handle to the sleeve using the screws (AA).
Hardware Used
M6 × 14 Screw 
Wheel Assembly
- Insert the bolt (BB) through one of the wheels (L).
- Insert the bolt (BB) through the bracket on the bottom of the tank assembly. spring washer (CC) and tighten the nut (DD). Repeat this step for the second wheel.
- Once assembled, roll the air compressor to test the operation of the wheels. Periodically check to ensure that wheel and the hardware is secure.
Hardware Used
- M10 Bolt
- 10 Spring Washer
- M10 Nut

Air Filter Installation
- Screw the air filter assembly into the pump cylinder head (see image Pg.3).

Operating Instructions
BEFORE EACH START UP
- Press the ON/OFF switch down to the off position.
- Turn the air pressure regulator knob (D) counterclockwise until it stops.
- Attach air hose/accessories or air tools (not included) to the airline outlet (F).
WARNING! < Riskofbursting. Too much air pressure causes a hazardous risk of bursting. Check the manufacturer’s maximum pressure rating for air tools and accessories. The regulator outlet pressure must never exceed the maximum pressure rating.
Note: Use this compressor in 20~30 degrees Celsius conditions.
HOW TO START UP
- Close the air tank ball valve (G) by turning clockwise.
- Plug in the mains lead.
- Pull the ON/OFF switch UP to the on position and allow tank pressure to build. Motor will stop when tank pressure reaches “cut-out” pressure.
- Turn the air pressure regulator (D) clockwise until desired pressure is reached.
- The compressor is ready for use.
WARNING
- High temperatures are generated by the electric motor
- and the pump. To prevent burns or other injuries,
- DONOT touch the compressor while it is running.
- Allow it to cool before handling or servicing.
- Keep children away from the compressor at all times.
- When adjusting from a higher to a lower pressure,
- Turn the knob counterclockwise past the desired setting.
- Then turn clockwise to reach the desired pressure.
- Donotexceedoperating pressure ofthe toolor accessory being used
HOW TO SHUT DOWN
- Press the ON/OFF switch down to the off position.
- Unplug the mains lead.
- Reduce the pressure inthe tank through the outlet hose.
- Keep it open to reduce the pressure in the tank until empty.
- Tip the compressor so the tank drain valve is at the bottom of the tank, then open the tank drain valve (G) to allow moisture to drain from the tank.

CAUTION!
Escaping air and moisture can propel debris that may cause eye injury. Wear safety glasses when opening the drain valve.
WARNING!
- To avoid personal injury, always shut off and unplug the unit and relieve all air pressure from the system before performing any service on the air compressor.
- Risk of unsafe operation. Unit cycles automatically when powered on. When performing maintenance, you may be exposed to voltage sources, compressed air, or moving parts. Personal Injuries can occur. Before performing any maintenance or repair, disconnect the power source from the compressor and bleed off all air pressure.
Maintenance
WARNING:
- To avoid personal injury, always shut off and unplugthe unit and relieve all air pressure from the system before performing.
- Regular maintenance will ensure trouble-free operation.
| TASK | DESCRIPTION | SERVICE INTERVAL |
| Drain the tank | To prevent corrosion inside the tank, the condensation must be drained at the end of every workday. Be sure to wear protective goggles. Relieve the air pressure in the system and then open the ball valve on the bottom of the tank. | Daily |
| Test for leakage | Check all connections to see if tight. A small leak of any of part (the tank, hoses, pipe connections or transfer tubes) will reduce the unit’s performance. Spray a small amount of soapy water around the area of the suspected leak with a spray bottle. If bubbles appear, repair or replace the faulty component. Do not overtighten any connections. | Monthly |
| Nuts & Bolts / stability Check | Check nuts & bolts regularly. Check that the wheels and handle fixings are secure & that the compressor is stable. | Monthly |
| Storage | Before storing the unit for a long period, use an air blow gun to clean all dust anddebrisfrom the compressor. Disconnect and coil the power cord. Pull the drain valve valve to release all pressure from the tank. Drain all moisture from the tank. Cover the entire unit to protect it from moisture and dust. | N/A |
| PROBLEM | POSSIBLE CAUSE | CORRECTIVE ACTION |
|
Low pressure, not enough air or compressor does not stop | 1. Tank drain valve is open. 2. Fittings leak.
3. Prolonged or excessive use of air. 4. Compressor not large enough.
5. Hole in air hose. 6. Tank leaks. | 1. Close tank drain valve. 2. Check fittings with soapy water. Tighten or reseal leaking fittings. DO N OT OVER TIGHTEN. 3. Decrease amount of air used.
4. Check air requirement of accessory. If it is higher than LPM and pressure supplied by compressor, you need a larger compressor. Most accessories are rated at 25% of actual LPM while running continuously. 5. Check and replace if necessary. 6. WARNING: Immediately replace tank. DO NOT attempt to repair. |
| 7. Blown seals. 8. Valve leaks. 9. Leaking or worn piston. | 7. Contact SIP (Industrial Products) Ltd. 8. Contact SIP (Industrial Products) Ltd. 9. Contact SIP (Industrial Products) Ltd | |
| Air leaks from | 1. Dirty or damaged regulator internal parts. | |
| regulator, or regulator does not | 1. Replace regulator. | |
| regulate pressure | ||
| Regulated pressure gauge reading drops when air accessory is being used |
1. This is normal.
2. Compressor not large enough. | 1. If pressure drops to low, adjust regulator while accessory isused. 2. Check air requirement of accessory. If it is higher than LPM and pressure supplied by compressor, you need a larger compressor. Most accessories are rated at 25% of actual LPM while running continuously. |
| Pressure relief valve opens | 1. Tank pressure exceeded normal rating pressure. 2. Pressure switch stuck. | 1. Replace pressureswitch.
2. Replace pressureswitch. |
| PROBLEM | POSSIBLE CAUSE | CORRECTIVE ACTION |
| Motor will not run | 1. Tank pressure exceeds preset pressure switch limit. 2. Fuse blown or circuit breaker tripped. 3. Check valve is stuck open. 4. Extension lead wire gauge too small or lead is too long. 5. Loose electrical connections. 6. The motor’s thermal overload protection has tripped. 7. Themotor, capacitor or safety valveis defective. | 1. Motorwill start automatically whentank pressure drops below tank cut-in pressure. 2. Replace blown fuse or reset circuit breaker. Do not usefuse or circuit breaker with higher rating thanspecifiedforyou branch circuit. • Check for proper fuse; 13A is required for the plug • Checkforlowvoltage and proper extension cord size. • Disconnect other applications from circuit. Operate compressor on a dedicated circuit. 3. Remove and clean or replace. 4. Check forproper gauge and extension cord length. 5. Contact authorized service center. 6. Turn the air compressor off, unplug the power cord and wait until the motor has cooleddown.Plug in thepowercord only after the motor has cooled down, waiting at least five minutes to make sure thethermal overload protector has recovered. 7. Have the compressor serviced by a qualified technician. |
Technical Specification
| Model | 04381 QT 24/10 |
| Supply | 230v 50Hz |
| Motor Power | 1.3HP / 1KW |
| Motor Poles / Speed | 4 / 1400rpm |
| Pump | Oil – Less |
| Piston Displacement | 7.3ft3/Min – 208Litres/Min |
| Free Air Delivered | 5.4ft3/Min -153Litres/Min |
| Maximum Pressure | 10Bar – 145psi |
| Receiver Size | 24Litres |
| Noise | 59dB(A) LpA 73dB(A)LwA |
| Model | 04382 QT 50/10 |
| Supply | 230v 50Hz |
| Motor Power | 1.3HP / 1KW |
| Motor Poles / Speed | 4 / 1400rpm |
| Pump | Oil – Less |
| Piston Displacement | 7.3ft3/Min – 208Litres/Min |
| Free Air Delivered | 5.4ft3/Min -153Litres/Min |
| Maximum Pressure | 10Bar – 145psi |
| Receiver Size | 50Litres |
| Noise | 59dB(A) LpA 73dB(A)LwA |
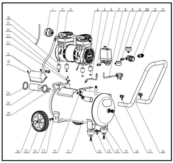
Exploded View 04381
Parts List 04381
| Item | Description | Qty | Item | Description | Qty |
| 1 | Air Filter | 1 | 19 | Drain Valve | 1 |
| 2 | Delivery Pipe | 1 | 20 | Screw M5 x 20 | 2 |
| 3 | Motor Pump Unit | 1 | 21 | 24Litre Air Receiver | 1 |
| 4 | Elbow Connector | 1 | 22 | Non Return Valve | 1 |
| 5 | Bleed Pipe | 1 | 23 | Nut M10 | 2 |
| 6 | Pressure Safety Valve | 1 | 24 | Spring Washer 10mm | 2 |
| 7 | Pressure Switch | 1 | 25 | Wheel | 2 |
| 8 | Mains Lead | 1 | 26 | Wheel Axle | 2 |
| 9 | Receiver Pressure Gauge | 1 | 27 | Crimp Connector | 2 |
| 10 | Equal Connector | 1 | 28 | Capacitor | 1 |
| 11 | Working Pressure Gauge | 1 | 29 | Capacitor Retaining Ring | 2 |
| 12 | Air Pressure Regulator | 1 | 30 | Self Tapping Screw 4.8x 14 | 2 |
| 13 | Quick Coupler | 1 | 31 | Capacitor Cover | 1 |
| 14 | Handle | 1 | 32 | Cable Clamp | 1 |
| 15 | Wing Nut | 2 | 33 | Self Tapping Screw 3.9 x 14 | 2 |
| 16 | Receiver Bung | 2 | 34 | Nut M6 | 4 |
| 17 | Rubber Foot | 2 | 35 | Rubber Mount | 4 |
| 18 | Washer 10mmØ | 2 | 36 | Air Filter Tube | 1 |
Exploded View 04382
Parts List 04382
| Item | Description | Qty | Item | Description | Qty |
| 1 | Receiver Bung | 2 | 19 | Air Filter Tube | 1 |
| 2 | Nut | 4 | 20 | Rubber Mounts | 4 |
| 3 | Wing Nut | 2 | 21 | Capacitor Cover | 1 |
| 4 | Non Return Valve | 1 | 22 | Capacitor Cover Screws | 2 |
| 5 | Handle | 1 | 23 | Capacitor Retaining Ring | 2 |
| 6 | Bleed Pipe | 1 | 24 | Capacitor | 1 |
| 7 | Mains Lead | 1 | 25 | Crimp Connector | 2 |
| 8 | Air Pressure Regulator | 1 | 26 | Self Tapping Screw 3.9 x 14 | 2 |
| 9 | Quick Coupler | 1 | 27 | Cable Clamp | 1 |
| 10 | Working Pressure Gauge | 1 | 28 | Wheel Axle | 2 |
| 11 | Receiver Pressure Gauge | 1 | 29 | Wheel | 2 |
| 12 | Pressure Safety Valve | 1 | 30 | Axle Washer | 2 |
| 13 | Pressure Switch | 1 | 31 | Axle Nut | 2 |
| 14 | Equal Connector | 1 | 32 | 50Litre Air Receiver | 1 |
| 15 | Delivery Pipe | 1 | 33 | Drain Valve | 1 |
| 16 | Elbow Connector | 1 | 34 | Rubber Foot Washer | 2 |
| 17 | Motor Pump Unit | 1 | 35 | Rubber Foot Bolt | 2 |
| 18 | Air Filter | 1 | 36 | Rubber Foot | 2 |
EC DECLARATION OF CONFORMITY
- We
- SIP (Industrial Products) Ltd
- Gelders Hall Road
- Shepshed
- Loughborough
- Leicestershire
- LE12 9NH
- England
- As The Manufacturer’s Authorised Representative
- Declare that the
- SIP QT 24/10 Air Compressor – SIP Part No. 04381
- SIP QT 50/10 Air Compressor – SIP Part No. 04382
- Conforms to the requirements of the following Directive/s, as indicated
- 2014/30/EU
- 2006/42/EC
- 2000/14/EC
- The Electromagnetic Compatibility Directive
- The Machinery Directive
- Noise Emission Directive
- 2014/68/EU Pressure Equipment Directive
- 2011/65/EU RoHS Directive
- Noise measurements have been made in accordance with the internal control of production (Schedule 45/Annex V). The declared noise
- Measured Sound Power Level 73dB(A)values are as follows:
Guaranteed sound power level59dB(A) - And the relevant harmonised standard/s, including:
- EN 60204-1:2018
- EN 1012-1:2010
- EN 55014-1:2017
- EN 55014-2:2015
- EN61000-3-2:2014
- EN61000-3-3:2013
- EN ISO 3744:2010
- Please dispose of packaging for the product in a responsible manner. It is suitable for recycling. Help to protect the environment, take the packaging to the local amenity tip and place into the appropriate recycling bin.
- Never dispose of electrical equipment or batteries in with your domestic waste.
- If your supplier offers a disposal facili-ty please use it or alternatively use a recognised re-cycling agent. This will allow the recycling of raw materials and help protect the environment.
- FOR HELP OR ADVICE ON THIS PRODUCT PLEASE CONTACT YOUR DISTRIBUTOR, OR SIP DIRECTLY ON:
- TEL: 01509500400
- EMAIL: [email protected] or [email protected]
- www.sip-group.com
























