scheppach HC25Si Portable Super Silent Air Compressor 
Introduction
Dear Customer,
We hope your new tool brings you much enjoyment and success.
Note:
In accordance with the applicable product liability laws, the manufacturer of this device assumes no liability for damage to the device or caused by the device arising from:
- Improper handling,
- Non-compliance with the operating manual,
- Repairs carried out by third parties, unauthorised specialists.
- Installing and replacing non-original spare parts
- Application other than specified
- Failure of the electrical system in the event of the electrical regulations and VDE provisions 0100, DIN 13 / VDE0113 not being observed
Please consider:
Read through the complete text in the operating manu-al before installing and commissioning the device. The operating manual is intended to help the user to become familiar with the machine and take advantage of its application possibilities in accordance with the recommendations. The operating manual includes important instructions for safe, proper and economic operation of the device, for avoiding danger, for minimising repair costs and downtimes, and for increasing the reliability and ex-tending the service life of the device. In addition to the safety instructions in this operating manual, you must also observe the regulations appli-cable to the operation of the device in your country. Keep the operating manual package with the machine at all times and store it in a plastic cover to protect it from dirt and moisture. They must be read and careful-ly observed by all operating personnel before starting the work. The device may only be used by personnel who have been trained to use it and who have been instructed with respect to the associated hazards.The required minimum age must be observed.In addition to the safety instructions in this operating manual and the separate regulations of your country, the generally recognised technical rules relating to the operation of such machines must also be observed. We accept no liability for accidents or damage that occur due to a failure to observe this manual and the safety instructions.
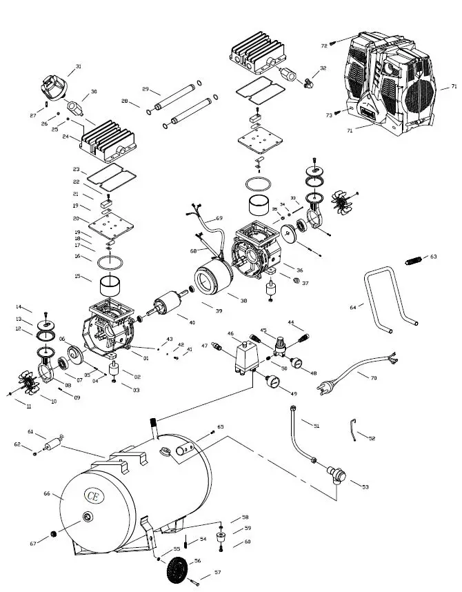
Device description (fig. 1 – 10)




- Transport handle
- Pressure switch
- On/off switch
- Air filter
- Wheel
- Drain screw for condensate
- Foot
- Pressure vessel
- Safety valve
- Quick coupling (regulated compressed air)
- Quick coupling (regulated compressed air)
- Pressure gauge (set pressure can be read off)
- Pressure gauge (vessel pressure can be read off)
- Pressure regulator
- Transport lid
Scope of delivery
- 1x air filter
- 1x foot
- 2x wheel
- 1x assembly material
- 1x operating manual
Proper use
The compressor is designed to generate compressed air for compressed-air driven tools which can be driv-en with an air volume of up to approx. 133 l/min (e. g. tire inflator, blow-out pistol and paint spray gun). Due to the limited air output it is not possible to use the com-pressor to drive tools with very high air consumption (for example orbital sanders, die grinders and hammer screwdrivers). The compressor may only be operated in a dry and well ventilated indoor space. The machine may only be used in the intended manner. Any use beyond this is improper. The user/operator, not the manufacturer, is responsible for damages or inju-ries of any type resulting from this. Please observe that our equipment was not designed with the intention of use for commercial or industrial purposes. We assume no guarantee if the equipment is used in commercial or industrial applications, or for equivalent work.
General safety information
WARNING! Read all safety information, instructions, il-lustrations and technical data for this electric tool. Failure to follow all instructions listed below may result in electric shock, fire and/or serious injury. Save all warnings and instructions for future ref-erence. The term “power tool” used in the safety instructions refers to mains-powered electrical tools (with a mains cable) and battery-powered electrical tools (without a mains cable).
Work area safety
- Keep work area clean and well lit. Cluttered or dark areas invite accidents.
- Do not operate power tools in explosive at-mospheres, such as in the presence of flam-mable liquids, gases or dust. Power tools create sparks which may ignite the dust or fumes.
- Keep children and bystanders away while op-erating a power tool. Distractions can cause you to lose control.
Electrical safety
- Power tool plugs must match the outlet. Never modify the plug in any way. Do not use any adapter plugs with earthed (grounded) power tools. Unmodified plugs and matching outlets will reduce risk of electric shock.
- Avoid body contact with earthed or ground-ed surfaces, such as pipes, radiators, ranges and refrigerators. There is an increased risk of electric shock if your body is earthed or grounded.a
- Do not expose power tools to rain or wet con-ditions. Water entering a power tool will increase the risk of electric shock.
- Do not use the cable for another purpose, for example, carrying or hanging the power tool or pulling the plug out of the socket. Keep the cable away from heat, oil, sharp edges or moving device parts. Damaged or coiled cables in-crease the risk f an electric shock.
- If you work with a power tool outdoors, only use extension cables that are also suitable for outdoor use. Using an extension cable suitable for outdoor use reduces the risk of an electric shock. Only use approved and appropriately identified ex-tension cables for use outdoors. Only use cable reels in the unrolled state.
- If operating a power tool in a damp loca-tion is unavoidable, use a residual current circuit breaker with a trigger current of 30 mA or less to protect the power supply. Use of an RCD reduces the risk of electric shock.
Personal safety
- Stay alert, watch what you are doing and use common sense when operating a power tool. Do not use a power tool while you are tired or under the influence of drugs, alcohol or med-ication. A moment of carelessness when using electrical tools can result in serious injuries.
- Use personal protective equipment. Always wear eye protection. Protective equipment such as a dust mask, non-skid safety shoes, hard hat or hearing protection used for appropriate conditions will reduce per-sonal injuries.
- Prevent unintentional starting. Ensure the switch is in the off-position before connecting to power source and/or battery pack, picking up or carrying the tool.
Carrying power tools with your finger on the switch or energising power tools that have the switch on invites accidents. - Remove any adjusting key or wrench before turning the power tool on. A tool or spanner that is located in a rotating de-vice part may result in injuries.
- Do not overreach. Keep proper footing and balance at all times. This enables better control of the power tool in unex-pected situations.
- Dress properly. Do not wear loose clothing or jewellery. Keep hair, clothing and gloves away from moving parts. Loose clothes, jewellery or long hair can be caught in moving parts.Rubber gloves and anti-slip footwear are recom-mended when working outdoors.Tie long hair back in a hair net.
- If dust extraction and collection devices can be mounted, make sure that they are connect-ed and used properly. Use of dust collection can reduce dust-related hazards.
- Do not let familiarity gained from frequent use of tools allow you to become complacent and ignore tool safety principles. A careless action can cause severe injury within a fraction of a second.
- d. Store idle power tools out of the reach of children and do not allow persons unfamiliar with the power tool or these instructions to operate the power tool. Power tools are dangerous in the hands of untrained users.
Unused power tools should be stored in a dry, el-evated or closed location out of the reach of chil-dren. - e. Maintain power tools and accessories. Check whether moving parts function properly and do not get stuck and whether parts are broken or are damaged and thus adversely affect the electric tool function. If damaged, have the power tool repaired before use. Many accidents are caused by poorly maintained power tools.
- Keep cutting tools sharp and clean. Properly maintained cutting tools with sharp cutting edges are less likely to bind and are easier to control.
- Use the power tool, accessories and tool bits etc. in accordance with these instructions, taking into account the working conditions and the work to be performed. Use of the power tool for op-erations different from those intended could result in a hazardous situation.
- Keep handles and grasping surfaces dry, clean and free from oil and grease. Slippery handles and grasping surfaces do not allow for safe handling and control of the tool in unexpected situations.
Service
- Have your power tool serviced by a qualified repair person using only identical replacement parts. This will ensure that the safety of the power tool is maintained.
Safety instructions for compressors
m Attention! The following basic safety measures must be observed when using this compressor for pro-tection against electric shock, and the risk of injury and fire. Read and observe these instructions before using the device.
Safe work
- Take care of your tools
- Keep your compressor clean in order to work well and safely.
- Follow the maintenance instructions.Check the connection cable of the power tool reg-ularly and have it replaced by a recognised spe-cialist when damaged.
- heck extension cables regularly and replace them when damaged.
- Pull the connector out of the socket
- When the power tool is not in use or prior to main-tenance and when replacing tools such as saw blades, bits, milling heads.
- Check the power tool for potential damage
- Protective devices or other parts with minor dam-age must be carefully inspected to ensure that they function correctly and as intended prior to continued use of the power tool.
- Check whether the moving parts function fault-lessly and do not jam or whether parts are dam-aged. All parts must be correctly mounted and all conditions must be fulfilled to ensure fault-free operation of the power tool.
- Damaged protective devices and parts must be properly repaired or replaced by a recognised workshop, insofar as nothing different is specified in the operating manual.
- Do not use any faulty or damaged connection cables.
Attention!
- For your own safety, only use accessories and additional equipment that are indicated in the operating manual or have been recommended or indicated by the manufacturer. Use of other tools or accessories that those recommended in the operating manual or in the catalogue could rep-resent a personal danger to you.
- Replacing the connection line
- If the connection line is damaged, it must be re-placed by the manufacturer or an electrician to avoid danger. There is a risk of electric shock.
- Directly after inflating tyres, check the pressure with a suitable pressure gauge, for example at your filling station.
- Street-legal compressors in construction site op-eration
- Ensure that all hoses and fixtures are suitable for the maximum permissible working pressure of the compressor.
- Set-up location Only set up the compressor on a flat surface.
- It is recommended to equip the feed hoses with a safety cable in cases where the pressure is above 7 bar, e.g. using a wire cable.
- Avoid over-stressing the piping system by using flexible hose connections to prevent kinking.
ADDITIONAL SAFETY INSTRUCTIONS
Observe the corresponding operating manuals of the respective compressed air tools / compressed air attachments! The following general instructions must also be observed: Safety instructions for working with compressed air and blasting guns
- Ensure there is sufficient distance to the product, at least 2.50 m, and keep the compressed air tools /compressed air attachments away from the com-pressor during operation.
- The compressor pump and lines can become very hot during operation. Touching these parts will burn you.
- The air which is sucked in by the compressor must be kept free of impurities that could cause fires or explosions in the compressor pump.
- When releasing the hose coupling, hold the hose coupling piece with your hand. This way, you can protect yourself against injury from the rebounding hose.
- Wear safety goggles when working with the blow-out pistol. Foreign objects or blown off parts can easily cause injuries.
- Wear safety goggles and a respirator when working with the compressed air pistol. Dusts are harmful to health! Foreign objects or blown off parts can easily cause injuries.
- Do not blow at people with the blow-out pistol and do not clean clothes while being worn. Risk of injury!
Safety instructions when using spraying attach-ments (e.g. paint sprayers):
- Keep the spray attachment away from the com-pressor when filling so that no liquid comes into contact with the compressor.
- Never spray in the direction of the compressor when using the spraying attachments (e.g. paint sprayers). Moisture can lead to electrical hazards!
- Do not process any paints or solvents with a flash point below 55° C. Risk of explosion!
- Do not heat up paints or solvents. Risk of explosion!
- If hazardous liquids are processed, wear protec-tive filter units (face guards). Also, adhere to the safety information provided by the manufacturers of such liquids.
- The details and designations of the Ordinance on Hazardous Substances, which are displayed on the outer packaging of the processed material, must be observed. Additional protective measures are to be undertaken if necessary, particularly the wearing of suitable clothing and masks.
- Do not smoke during the spraying process and/or in the work area. Risk of explosion! Paint vapours are easily combustible.
- Never set up or operate the equipment in the vicini-ty of a fire place, open lights or sparking machines.
- Do not store or eat food and drink in the work area. Paint vapours are harmful to your health.
- The work area must exceed 30 m³ and sufficient ventilation must be ensured during spraying and drying.
- Do not spray against the wind. Always adhere to the regulations of the local police authority when spraying combustible or hazardous materials.
- Do not process media such as white spirit, butyl alcohol and methylene chloride with the PVC pres-sure hose.
- These media will destroy the pressure hose.
- The work area must be separated from the com-pressor so that it cannot come into direct contact with the working medium. Warning! This power tool generates an electromag-netic field during operation. This field can impair active or passive medical implants under certain conditions. In order to prevent the risk of serious or deadly injuries, we recommend that persons with medical implants consult with their physician and the manufacturer of the medical implant prior to operating the power tool.
- Keep these safety instructions in a safe place.Residual risks The machine has been built according to the state-of-the-art and the recognised technical safety require-ments. However, individual residual risks can arise during operation.
- Health hazard due to electrical power, with the use of improper electrical connection cables.
- Furthermore, despite all precautions having been met, some non-obvious residual risks may still re-main.
- Residual risks can be minimised if the “Safety infor-mation” and the “Proper use” together with the oper-ating manual as a whole are observed.
- Avoid accidental starting of the machine: the oper-ating button may not be pressed when inserting the plug in an outlet. Use the tool that is recommended in this operating manual. This is how to ensure that your machine provides optimum performance.
- Keep your hands away from the work area, when the machine is in operation.
Operation of pressure vessels
- Anyone who operates a pressure vessel must keep this in good working order, operate and monitor it correctly, perform the necessary maintenance and servicing works immediately and implement safe-ty measures as arequired according to the circum-stances.
- The regulatory authority can instruct necessary monitoring measures in individual cases.
- A pressure vessel must not be operated if it exhib-its a defect that poses a danger to personnel or third parties.
- Check the pressure vessel for rust and damage each time before use. The compressor shall not be operated if the pressure vessel is damaged or rusty. If you discover damage, please contact the custom-er service workshop.
- Health hazard due to electrical power, with the use of improper electrical connection cables.
- Furthermore, despite all precautions having been met, some non-obvious residual risks may still re-main.
- Residual risks can be minimised if the “Safety infor-mation” and the “Proper use” together with the oper-ating manual as a whole are observed.
- Avoid accidental starting of the machine: the oper-ating button may not be pressed when inserting the plug in an outlet. Use the tool that is recommended in this operating manual. This is how to ensure that your machine provides optimum performance.
- Keep your hands away from the work area, when the machine is in operation.
Technical data
- Mains connection 230 V~ 50 Hz
- Motor power 1100 W
- Operating mode S1
- Compressor speed 2850 min-1
- Pressure vessel capacity approx. 24 l
- Operating pressure approx. 8 bar
- Theo. intake capacity approx. 230 l/min
- Theo. power output approx. 133 l/min
- Protection category IP 30
- Device weight approx. 21 kg
- Max. altitude (above mean sea level)
- 1000 m
- Technical changes reserved!
Unpacking
- Open the packaging and carefully remove the device. Remove the packaging material, as well as the pack-aging and transport safety devices (if present).
- Check whether the scope of delivery is complete.
- Check the device and accessory parts for transport damage. In the event of complaints the carrier must be informed immediately. Later claims will not be recognised.
- If possible, keep the packaging until the expiry of the warranty period.
- Familiarise yourself with the product by means of the operating instructions before using for the first time. With accessories as well as wearing parts and re-placement parts use only original parts. Replace-ment parts can be obtained from your dealer. When ordering please provide our article number as well as type and year of manufacture for your equip-ment.
WARNING!
The device and the packaging material are not children’s toys! Do not let children play with plas-tic bags, films or small parts! There is a danger of choking or suffocating!
- Before connecting the machine, make certain that the data on the type plate matches with the mains power data.
- Check the device for transport damage. Report any damage immediately to the transport company which was used to deliver the compressor.
- Install the compressor near the point of consumption.
- Avoid long air lines and supply lines (extension cables).
- Make sure that the intake air is dry and free of dust.
Maintaining the pressure vessel (fig. 1) Attention!
To ensure a long service life for the pressure vessel (8), drain off the condensate after each use by opening the drain screw (6). Release the vessel pressure beforehand (see 12.6.1). Open the drain screw (6) by turning it counterclock-wise (when looking at the screw from the bottom of the compressor) so that the condensate can be completely drained out of the pressure vessel (8). Then close the drain screw (6) again (turn it clockwise). Check the pressure vessel (8) for rust and damage each time before use. Do not use the compressor with a damaged or rusty pressure vessel (8). If you discover damage, please contact the customer service workshop.
Safety valve (fig. 7)
The safety valve (9) has been set for the highest per-mitted pressure of the pressure vessel (8). It is not permitted to adjust the safety valve (9) or remove the connection lock (9b) between the exhaust nut (9a) and its cap (9c). Actuate the safety valve (9) every 30 oper-ating hours but at least 3 times a year to ensure that it works when required. Turn the perforated exhaust nut (9a) counterclockwise to open it and use your hands to pull the valve rod out-wards over the perforated exhaust nut (9a) to open the outlet of the safety valve (9). Now, the valve audibly releases air. Then, tighten the exhaust nut (9a) clock-wise again.
Cleaning the air filter (fig. 8, 9)
The air filter (4) prevents dust and dirt being sucked in. It is essential to clean this air filter (4) after at least every 300 hours in service. A blocked air filter (4) sig-nificantly reduces the compressor power. Turn the air filter (4) counterclockwise to remove it. Open the filter cover (4c) and remove it. You can now take out the filter element (4b). Carefully tap out the fil-ter element (4b), the filter cover (4c) and the filter hous-ing (4a). These components must then be blown out with compressed air (approx. 3 bar) and reassembled in reverse order.
Service information
With this product, it is necessary to note that the follow-ing parts are subject to natural or usage-related wear, or that the following parts are required as consumables. Wearing parts*: air filter may not be included in the scope of supply!
Connections and repairs
Connections and repair work on the electrical equip-ment may only be carried out by electricians. Please provide the following information in the event of any queries:
- Type of current for the motor
- Data of machine type plate
- Data of motor type plate
Spare parts and accessories can be obtained from our service centre. To do this, scan the QR code on the cover page.
Storage
Attention!
Pull out the mains plug and ventilate the equip-ment and all connected pneumatic tools. Store the compressor in such a way that it cannot be used by unauthorised persons.
Releasing excess pressure
Release the excess pressure by switching off the com-pressor and using the compressed air which is still left in the pressure vessel (8), e. g. with a compressed air tool running in idle mode or with a blow-out pistol.
Transport
Use the transport handle (1) to transport the device, and drive the compressor with it.When lifting the compressor, note its weight (see Tech-nical data). Ensure that the load is well secured when transporting the compressor in a motor vehicle.
Disposal and recycling
The device is supplied in packaging to avoid transport damages. This packaging is raw ma-terial and can thus be used again or can be reintegrated into the raw material cycle. The device and its accessories are made of differ-ent materials, such as metals and plastics. Take defective components to special waste disposal sites. Check with your specialist dealer or municipal administration! Old devices must not be disposed of with house-hold waste!This symbol indicates that this product must not be disposed of together with domestic waste in compliance with the Directive (2012/19/EU) pertaining to waste electrical and electronic equipment (WEEE). This product must be handed over at the intended collection point. This can be done, for example, by returning it when purchasing a similar product or delivering it to an authorised collec-tion point for the recycling of old electrical and electron-ic devices. Improper handling of waste equipment may have negative consequences for the environment and human health due to potentially hazardous substances that are often contained in electrical and electronic equipment. By properly disposing of this product, you are also contributing to the effective use of natural re-sources. You can obtain information on collection points for waste equipment from your municipal admin-istration, public waste disposal authority, an authorised body for the disposal of waste electrical and electronic equipment or your waste disposal company.
Troubleshooting
The following table shows fault symptoms and describes remedial measures in the event of your machine failing to work properly. If you cannot localise and rectify the problem with this, please contact your service workshop.
| Fault | Possible cause | Remedy |
|
The compressor does not start. | Mains voltage is not available. | Check the cable, mains plug, fuse and socket. |
| Mains voltage is too low. | Make sure that the extension cable is not too long. Use an extension cable with large enough wires. | |
| Outside temperature is too low. | Never operate with an outside temperature of below +5 °C. | |
| Motor is overheated. | Allow the motor to cool down. If necessary, remedy the cause of the overheating. | |
|
The compressor starts but there is no pressure. | The safety valve leaks. | Contact your local service centre. Only allow qualified personnel to carry out repairs. |
| The seals are damaged. | Check the seals and have any damaged seals replaced by a service centre. | |
| The drain screw for condensate leaks. | Tighten the screw by hand. Check the seal on the screw and replace if necessary. | |
|
The compressor starts, pressure is shown on the pressure gauge, but the tools do not start. | The hose connections have a leak. | Check the compressed air hose and tools and replace if necessary. |
| A quick coupling has a leak. | Contact your local service centre. Only allow qualified personnel to carry out repairs. | |
| Insufficient pressure set on the pressure regulator. | Increase the set pressure with the pressure regulator. |



















