scheppach HC20Si Twin Compressor

Explanation of the symbols on the equipment
![]() | Read and follow the operating and safety instructions before you start working with this power tool. |
![]() | Wear respiratory protection. |
![]() | Wear eye protection. |
![]() | Wear ear-muffs. The impact of noise can cause damage to hearing. |
![]() | Beware of hot parts! |
![]() | Beware of electrical voltage! |
![]() | Warning! The unit is equipped with an automatic start control. Keep others away from the work area of the device! |
![]() | Observe warnings and safety instructions! |
![]() | Do not expose the machine to rain. The device may only be stationed, stored and operated in dry ambient conditions. |
![]() | Sound power level specified in dB |
![]() | Sound pressure level specified in dB |
Introduction
Manufacturer:
Scheppach GmbH
Günzburger Straße 69
D-89335 Ichenhausen
Dear Customer,
we hope your new tool brings you much enjoyment and success.
Note:
According to the applicable product liability laws, the manufacturer of the device does not assume liability for damages to the product or damages caused by the product that occurs due to:
- Improper handling,
- Non-compliance of the operating instructions,
- Repairs by third parties, not by authorized service technicians,
- Installation and replacement of non-original spare parts,
- Application other than specified,
- A breakdown of the electrical system that occurs due to the non-compliance of the electric regulations and local regulations.
We recommend:
Read through the complete text in the operating instructions before installing and commissioning the device.
The operating instructions are intended to help the user to become familiar with the machine and take advantage of its application possibilities in accordance with the recommendations.
The operating instructions contain important information on how to operate the machine safely, professionally and economically, how to avoid danger, costly re-pairs, reduce downtimes and how to increase reliability and service life of the machine.
In addition to the safety regulations in the operating instructions, you have to meet the applicable regulations that apply for the operation of the machine in your country. Keep the operating instructions package with the machine at all times and store it in a plastic cover to protect it from dirt and moisture. Read the instruction manual each time before operating the machine and carefully follow its information.
The machine can only be operated by persons who were instructed concerning the operation of the machine and who are informed about the associated dangers. The minimum age requirement must be complied with.
In addition to the safety notices contained in this op-erating manual and the particular instructions for your country, the generally recognised technical regulations for the operation of identical devices must be complied with.
We accept no liability for damage or accidents which arise due to non-observance of these instructions and the safety information.
Device description
(Fig. 1 – 14)





- Transport handle
- Pressure vessel
- Drain plug for condensation water
- Supporting foot (2x)
- Height adjustment of the transport handle
- Cable
- Wheel (2x)
- ON/OFF switch
- Safety valve
- Pressure gauge (for reading the vessel pressure
- Pressure regulator
- Pressure gauge (for reading the preset vessel pressure)
- Quick-lock coupling (regulated compressed air)
- Pressure switch
- Cable holder
- Air filter
- Filter cover
- Screw (air filter)
Scope of delivery
- 1x Compressor
- 1x Air filter
- 1x Translation of original operating manual
Intended use
The compressor is designed to generate compressed air for compressed-air-driven tools which can be driven with an air volume of up to approx. 89 l/min (e.g. tire inflator, blow-out pistol and paint spray gun).
The equipment is to be used only for its prescribed purpose. Any other use is deemed to be a case of misuse. The user/operator and not the manufacturer will be liable for any damage or injuries of any kind caused as a result of this.
Please note that our equipment has not been designed for use in commercial, trade or industrial applications. Our warranty will be voided if the equipment is used in commercial, trade or industrial businesses or for equivalent purposes.
Safety information
Attention! The following basic safety measures must be observed when using electric tools for protection against electric shock, and the risk of injury and fire.
Read all these notices before using the electric tool and keep the safety instructions for later reference.
m Attention! The following basic safety actions must be taken when using this compressor in order to protect the user from electric shocks and the risk of injury and fire. Read and follow these instructions before using the equipment.
Safe work
- Keep the work area orderly
- Disorder in the work area can lead to accidents.
- Take environmental influences into account
- Do not expose electric tools to rain.
- Do not use electric tools in a damp or wet environment. There is a risk of electric shock!
- Make sure that the work area is well-illuminated.
- Do not use electric tools where there is a risk of fire or explosion.
- Protect yourself from electric shock
- Avoid physical contact with earthed parts (e.g. pipes, radiators, electric ranges, cooling units).
- Keep children away
- Do not allow other persons to touch the equipment or cable, keep them away from your work area.
- Securely store unused electric tools
- Unused electric tools should be stored in a dry, elevated or closed location out of the reach of children.
- Do not overload your electric tool
- They work better and more safely in the specified output range.
- Wear suitable clothing
- Do not wear wide clothing or jewellery, which can become entangled in moving parts.
- Rubber gloves and non-slip shoes are recommended when working outdoors.
- Tie long hair back in a hair net.
- Do not use the cable for purposes for which it is not intended
- Do not use the cable to pull the plug out of the outlet. Protect the cable from heat, oil and sharp edges.
- Take care of your tools
- Keep your compressor clean in order to work well and safely.
- Follow the maintenance instructions.
- Check the connection cable of the electric tool regularly and have it replaced by a recognised specialist when damaged.
- Check extension cables regularly and replace them when damaged.
- Pull the plug out of the outlet
- During non-use of the electric tool or prior to maintenance and when replacing tools such as saw blades, bits, milling heads.
- Avoid inadvertent starting
- Make sure that the switch is switched off when plugging the plug into an outlet.
- Use extension cables for outdoors
- Only use approved and appropriately identified extension cables for use outdoors.
- Only use cable reels in the unrolled state.
- Remain attentive
- Pay attention to what you are doing. Remain sensible when working. Do not use the electric tool when you are distracted.
- Check the electric tool for potential damage
- Protective devices and other parts must be carefully inspected to ensure that they are fault-free and function as intended prior to continued use of the electric tool.
- Check whether the moving parts function faultlessly and do not jam or whether parts are damaged. All parts must be correctly mounted and all conditions must be fulfilled to ensure the fault-free operation of the electric tool.
- Damaged protective devices and parts must be properly repaired or replaced by a recognised workshop, insofar as nothing different is specified in the operating manual.
- Damaged switches must be replaced at a customer service workshop.
- Do not use any faulty or damaged connection cables.
- Do not use any electric tool on which the switch cannot be switched on and off.
- Have your electric tool repaired by a qualified electrician
- This electric tool conforms to the applicable safety regulations. Repairs may only be performed by an electrician using original spare parts. Otherwise, accidents can occur.
- Important!
- For your own safety you must only use the accessories and additional units listed in the operating instructions or recommended or specified by the manufacturer. The use of mounted tools or accessories other than those recommended in the operating instructions or catalogue may place your personal safety at risk.
- Noise
- Wear ear muffs when you use the compressor.
- Replacing the power cable
- To prevent hazards, leave the replacement of damaged power cables strictly to the manufacturer or a qualified electrician. There is a risk of electric shock!
- Inflating tires
- Directly after inflating tires, check the pressure with a suitable pressure gauge, for example at your filling station.
- Roadworthy compressors for building site operations
- Make sure that all lines and fittings are suitable for the maximum permissible operating pressure of the compressor.
- Place of installation
- Set up the compressor on an even surface.
- Supply hoses at pressures above 7 bar should be equipped with a safety cable (e.g. a wire rope).
- Avoid over-stressing the piping system by using flexible hose connections to prevent kinking.
- Use a residual current circuit breaker with a trigger current of 30 mA or less. Using a residual current circuit breaker reduces the risk of an electric shock.
WARNING! This electric tool generates an electromagnetic field during operation. This field can im-pair active or passive medical implants under certain conditions. In order to prevent the risk of serious or deadly injuries, we recommend that persons with medical implants consult with their physician and the manufacturer of the medical implant prior to operating the electric tool.
ADDITIONAL SAFETY INSTRUCTIONS
Safety instructions for working with compressed air and blasting guns
- The compressor pump and lines can become very hot during operation. Touching these parts will burn you.
- The air which is sucked in by the compressor must be kept free of impurities that could cause fires or explosions in the compressor pump.
- When releasing the hose coupling, hold the hose coupling piece with your hand. This way, you can protect yourself against injury from the rebound-ing hose.
- Wear safety goggles when working with the blow-out pistol. Foreign bodies or blown-off parts can easily cause injuries.
- Do not blow at people with the blow-out pistol and do not clean clothes while being worn. Risk of injury!
Safety instructions when using spraying attachments (e.g. paint sprayers)
- Keep the spray attachment away from the compressor when filling so that no liquid comes into contact with the compressor.
- Never spray in the direction of the compressor when using the spraying attachments (e.g. paint sprayers). Moisture can lead to electrical hazards!
- Do not process any paints or solvents with a flash point below 55 °C. Risk of explosion!
- Do not heat up paints or solvents. Risk of explosion!
- If hazardous liquids are processed, wear protective filter units (face guards). Also, adhere to the safety information provided by the manufacturers of such liquids.
- The details and designations of the Ordinance on Hazardous Substances, which are displayed on the outer packaging of the processed material, must be observed. Additional protective measures are to be undertaken if necessary, particularly the wearing of suitable clothing and masks.
- Do not smoke during the spraying process and/or in the work area. Risk of explosion! Paint vapours are easily combustible.
- Never set up or operate the equipment in the vicinity of a fireplace, open lights or sparking machines.
- Do not store or eat food and drink in the work area. Paint vapours are harmful to your health.
- The work area must exceed 30 m³ and sufficient ventilation must be ensured during spraying and drying.
- Do not spray against the wind. Always adhere to the regulations of the local police authority when spraying combustible or hazardous materials.
- Do not process media such as white spirit, butyl alcohol and methylene chloride with the PVC pressure hose. These media will destroy the pressure hose. The work area must be separated from the compressor so that it cannot come into direct contact with the working medium.
Operating pressure vessels
- You must keep your pressure vessel in good working order, operate the vessel correctly, monitor the vessel, carry out necessary maintenance and re-pair work immediately and meet the relevant safety precautions.
- The supervisory authority may enforce essential control measures in individual cases.
- A pressure vessel is not allowed to be used if it has faults or deficiencies that can endanger workers or third parties.
- Check the pressure vessel for signs of rust and damage each time before using. Do not use the compressor with a damaged or rusty pressure vessel. If you discover any damage, then please contact the customer service workshop.
Do not lose these safety instructions
Residual risks
Comply with the stipulated maintenance and safety instructions in the operating instructions.
Remain attentive at all times when working, and keep third parties at a safe distance from your work area.
Even when the device is being used properly, there will always be certain residual hazards that cannot be completely ruled out. The following potential hazards can arise due to the type and design of the device:
- Unintentional starting up of the product.
- Damage to hearing if the stipulated hearing protection is not worn.
- Dirt particles, dust etc. can get irritate the eyes or face despite wearing safety goggles.
- Inhaling swirled up particles.
Technical data
- Mains connection 230 V~ 50 Hz
- Motor rating 750 W
- Operating mode S1
- Compressor speed 1400 min-1
- Pressure vessel capacity 20 l
- Operating pressure approx. 10 bar
- Theoretical intake capacity approx. 200 l/min
- Effective delivery quantity at 1 bar approx. 89 l/min
- Protection type IP20
- Weight of the unit approx. 30 kg
- Max. altitude (above mean sea level) 1000 m
- Protection class I
The noise emission values were measured in accordance with EN ISO 3744.
Wear hearing protection.
The effects of noise can cause a loss of hearing.
Warning: Noise can have serious effects on your health. If the machine noise exceeds 85 dB (A), please wear suitable hearing protection.

Before starting the equipment
- Open the packaging and carefully remove the device.
- Remove the packaging material, packaging and transport safety devices (if applicable).
- Check that the delivery is complete.
- Check the device and accessory parts for transport damage.
- If possible, keep the packaging until the end of the warranty period.
DANGER
The device and the packaging are not children‘s toys! Do not let children play with plastic bags, films or small parts! There is a danger of choking or suffocating!
- Before you connect the equipment to the mains supply make sure that the data on the rating plate are identical to the mains data.
- Check the equipment for damage which may have occurred in transit. Report any damage immediately to the transport company which was used to deliver the compressor.
- Install the compressor near the point of consumption.
- Avoid long air lines and supply lines (extension cables).
- Make sure that the intake air is dry and dustfree.
- Do not install the compressor in a damp or wet room.
- The compressor may only be used in suitable rooms (with good ventilation and an ambient temperature from +5 °C to 40 °C). There must be no dust, acids, vapors, explosive gases or inflammable gases in the room.
- The compressor is designed to be used in dry rooms. It is prohibited to use the compressor in areas where work is conducted with sprayed water.
- The compressor may only be used outdoor briefly when the ambient conditions are dry.
- The compressor must always be kept dry and must not be left outdoors after work is complete.
Attachment and operation
Important!
You must fully assemble the appliance before using it for the first time!
Fitting the compressed air hose (fig. 2)
- Connect the plug nipple of the compressed air hose (not included in the scope of delivery) to one of the quick couplings (13). Then attach the compressed air tool to the quick coupling of the compressed air hose.
Mains connection
- The compressor is equipped with a mains cable with shock-proof plug. This can be connected to any 230- 240 V~ 50 Hz shock-proof socket.
- Before you use the machine, make sure that the mains voltage is the same as the operating voltage (see the rating plate).
- Long supply cables, extensions, cable reels etc. cause a drop in voltage and can impede motor start-up.
- At low temperatures below +5°C, sluggishness may make starting difficult or impossible.
ON/OFF switch (Fig. 2)
- To switch on the compressor, press the button (8) on position I.
- To switch off the compressor, press the button (8) on position 0.
Setting the pressure (Fig. 2)
- Use the pressure regulator (11) to set the pressure on the pressure gauge (12).
- The set pressure can be drawn from the quick lock coupling (13).
- The vessel pressure can be read off the pressure gauge (10).
- The vessel pressure is drawn from the quick lock coupling (13).
Setting the pressure switch (Fig. 1)
- The pressure switch (14) is set at the factory.
Cut in pressure approx. 8 Bar
Cut-out pressure approx. 10 Bar.
Thermal protector
The thermal protector is built into the device.
If the thermal protector has tripped, proceed as follows:
- Pull out the mains plug.
- Wait about two to three minutes.
- Plug the device in again.
- If the device does not start, repeat the process.
- If the device does not start again, switch the device off and on again using the on/off switch (8).
- If you have carried out all of the steps above and the device still does not work, contact our service team.
Electrical connection
The electrical motor installed is connected and ready for operation. The connection complies with the applicable VDE and DIN provisions.
The customer‘s mains connection as well as the extension cable used must also comply with these regulations.
When working with spray attachments and during temporary use outdoors, the device must be connected to a residual current circuit breaker with a trigger current of 30 mA or less.
Important information
In the event of an overloading the motor will switch itself off. After a cool-down period (time varies) the motor can be switched back on again.
Damaged electrical connection cable
The insulation on electrical connection cables is often damaged.
This may have the following causes:
- Passage points, where connection cables are passed through windows or doors.
- Kinks where the connection cable has been improperly fastened or routed.
- Places where the connection cables have been cut due to being driven over.
- Insulation damage due to being ripped out of the wall outlet.
- Cracks due to the insulation ageing.
Such damaged electrical connection cables must not be used and are life-threatening due to the insulation damage.
Check the electrical connection cables for damage regularly. Make sure that the connection cable does not hang on the power network during the inspection.
Electrical connection cables must comply with the applicable
VDE and DIN provisions. Only use connection cables with the marking „H05VV-F“.
The printing of the type designation on the connection cable is mandatory.
AC motor
- The mains voltage must be 230 V~
- Extension cables up to 25 m long must have a cross-section of 1.5 mm2.
Connections and repairs of electrical equipment may only be carried out by an electrician.
Please provide the following information in the event of any enquiries:
- Type of current for the motor
- Machine data-type plate
- Machine data-type plate
Cleaning, maintenance and storage
Important!
Pull out the power plug before doing any cleaning and maintenance work on the equipment. Risk of injury from electric shock!
Important!
Wait until the equipment has cooled down completely!
Risk of burns!
Important!
Always depressurize the equipment before carrying out any cleaning and maintenance work! Risk of injury!
Cleaning
- Keep the equipment free of dirt and dust as far as possible. Wipe the equipment with a clean cloth or blow it down with compressed air at low pressure.
- We recommend that you clean the equipment immediately after you use it.
- Clean the equipment regularly with a damp cloth and some soft soap. Do not use cleaning agents or solvents; these may be aggressive to the plastic parts in the equipment. Ensure that no water can get into the interior of the equipment.
- You must disconnect the hose and any spraying tools from the compressor before cleaning. Do not clean the compressor with water, solvents or the like.
Maintenance work on the pressure vessel (Fig. 1)
Important! To ensure a long service life of the pressure vessel (2), drain off the condensed water by opening the drain valve (3) each time after using.
Release the vessel pressure first (see 10.5.1). Open the drain screw by turning counter-clockwise (looking at the screw from the bottom of the compressor) so that all the condensed water can run out of the pressure vessel. Then close the drain screw again (turn it clockwise).
Check the pressure vessel for signs of rust and damage each time before using. Do not use the compressor with a damaged or rusty pressure vessel. If you discover any damage, then please contact the customer service workshop.
Important!
The condensed water from the pressure vessel will contain residual oil. Dispose of the condensed water in an environmentally compatible manner at a suitable collection point.
Safety valve (Fig. 2)
The safety valve (9) has been set for the highest permitted pressure of the pressure vessel. It is not permitted to adjust the safety valve or remove the connection lock between the exhaust nut and its cap.
Actuate the safety valve every 30 operating hours but at least 3 times a year, to ensure that it works when required.
Turn the perforated drain nut anti-clockwise to open it.
Now, the valve audibly releases air. Then, tighten the exhaust nut clockwise again.
Cleaning the intake filter (Fig. 4)
The intake filter prevents dust and dirt being drawn in.
It is essential to clean this filter after at least every 300 hours in service. A clogged intake filter will decrease the compressor’s performance dramatically. Open the screw (18) to remove the intake filter.
Then pull off the filter cover (17). Now you can remove the air filter (16). Carefully tap out the air filter, filter cover and filter housing. Then blow out these parts with compressed air (approx. 3 bar) and reinstall in reverse order.
Storage
Important!
Pull out the mains plug and ventilate the equipment and all connected pneumatic tools. Switch off the compressor and make sure that it is secured in such a way that it cannot be started up again by any unauthorized person.
Important!
Store the compressor only in a dry location which is not accessible to unauthorized persons. Always store upright, never tilted!
Releasing excess pressure
Release the excess pressure by switching off the compressor and using the compressed air which is still left in the pressure vessel, e.g. with a compressed air tool running in idle mode or with a blow-out pistol.
Service information
Please note that the following parts of this product are subject to normal or natural wear and that the following parts are therefore also required for use as consumables.
Wear parts*: belt, coupling
Not necessarily included in the scope of delivery!
Spare parts and accessories can be obtained from our service centre. To do this, scan the QR code on the cover page.
Transport
Use the transport handle (1) to transport the device, and drive the compressor with it.
The handle height can be adjusted on the height adjustment (5), as shown in figure 5. The handle height can be adjusted from 53 cm up to 82.5 cm.
When lifting the compressor, note its weight (see
Technical data). Ensure that the load is well secured when transporting the compressor in a motor vehicle.
Disposal and recycling
Notes for packaging
The packaging materials are recyclable.
Please dispose of packaging in an environmentally friendly manner.
Notes on the electrical and electronic equipment act [ElektroG]
Waste electrical and electronic equipment does not belong in household waste, but must be collected and disposed of separately!
- Old batteries or rechargeable batteries that are not permanently installed in the old unit must be removed before handing them in! Their disposal is regulated by the battery act.
- Owners or users of electrical and electronic devices are legally obliged to return them after use.
- The end user is responsible for deleting their personal data from the old device being disposed of!
- The symbol of the crossed-out dustbin means that waste electrical and electronic equipment must not be disposed of with household waste.
- Waste electrical and electronic equipment can be handed in free of charge at the following places:
- Public disposal or collection points (e.g. municipal works yards)
- Points of sale of electrical appliances (stationary and online), provided that dealers are obliged to take them back or offer to do so voluntarily.
- Up to three waste electrical devices per type of device, with an edge length of no more than 25 centimetres, can be returned free of charge to the manufacturer without prior purchase of a new device from the manufacturer or taken to another authorised collection point in your vicinity.
- Further supplementary take-back conditions of the manufacturers and distributors can be obtained from the respective customer service.
- If the manufacturer delivers a new electrical appliance to a private household, the manufacturer can arrange for the free collection of the old electrical appliance upon request from the end user. Please contact the manufacturer’s customer service for this.
- These statements only apply to devices installed and sold in the countries of the European Union and which are subject to the European Directive 2012/19/EU. In countries outside the European Union, different regulations may apply to the disposal of waste electrical and electronic equipment.
Troubleshooting
| Fault | Possible cause | Remedy |
|
The compressor does not start. | No supply voltage. | Check the supply voltage, the power plug and the socket-outlet. |
| Insufficient supply voltage. | Make sure that the extension cable is not too long. Use an extension cable with large enough wires. | |
| Outside temperature is too low. | Never operate with an outside temperature of below +5° C. | |
| Motor is overheated. | Allow the motor to cool down. If necessary, remedy the cause of the overheating. | |
|
The compressor starts but there is no pressure. | The non-return valve (9) leaks. | Have a service center replace the non-return valve. |
| The seals are damaged. | Check the seals and have any damaged seals replaced by a service center. | |
| The drain plug for conden- sation water (3) leaks. | Tighten the screw by hand. Check the seal on the screw and replace if necessary. | |
| The compressor starts, pressure is shown on the pressure gauge, but the tools do not start. | The hose connections have a leak. | Check the compressed air hose and tools and replace if necessary. |
| A quick-lock coupling has a leak. | Check the quick-lock coupling and replace if necessary. | |
| Insufficient pressure set on the pressure regulator (11). | Increase the set pressure with the pressure regulator. |
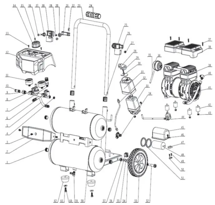
Diagram

EC Declaration of Conformity
hereby declares the following conformity under the EU Directive and standards for the following article
Marke / Brand / Marque: SCHEPPACH
Art.-Bezeichnung: KOMPRESSOR – HC20SI TWIN
Article name: COMPRESSOR – HC20SI TWIN
Nom d’article: COMPRESSEUR – HC20SI TWIN
Art.-Nr. / Art. no.: / N° d’ident.: 5906145901
Standard references:
EN 1012-1; EN 60204-1:2018; EN 55014-1:2017+A11:2020; EN 55014-2:2015; EN IEC 61000-3-2:2019;
EN 61000-3-3:2013+A1:2019
The object of the declaration described above fulfills the regulations of the directive 2011/65/EU of the European
Parliament and Council from 8th June 2011, on the restriction of the use of certain hazardous substances in electrical and electronic equipment.
Warranty
Apparent defects must be notified within 8 days from the receipt of the goods. Otherwise, the buyerís rights of claim due to such defects are invalidated. We guarantee for our machines in case of proper treatment for the time of the statutory warranty period from delivery in such a way that we replace any machine part free of charge which provably becomes unusable due to faulty material or defects of fabrication within such period of time. With respect to parts not manufactured by us we only warrant insofar as we are entitled to warranty claims against the upstream suppliers. The costs for the installation of the new parts shall be borne by the buyer. The cancellation of sale or the reduction of purchase price as well as any other claims for damages shall be excluded.





























