SOLUNA 6K-Pack-HV Battery Module

Safety precautions
Warning Sign
Warning signs are used to warn you about the conditions that may cause severe injury or damage to the device. They instruct you to exercise caution to prevent danger. The following table describes the warning signs used in this manual.
- This battery pack contains high voltage which can cause electric shock resulting in severe injury.
- Make sure that the battery polarity is connected correctly.
- Keep the battery pack away from open flame or ignition sources
- Keep the battery pack away from children.
- Read the manual before installing and operating the battery pack.
- The battery pack is heavy enough to cause severe injury
- The battery pack may leak corrosive electrolyte.
- The battery pack may explode.
- The battery pack should not be disposed with household waste at the end of its working life.
- Physical injury or damage to the devices may occur if related requirements are not followed.
Safety instructions
For safety reasons, installers are responsible for familiarizing themselves with the contents of this manual and all warnings before performing installation.
General safety precautions
Failure to observe the precautions described in this section can cause serious injury to persons or damage to property, observe the following precautions.
Risks of explosion
- Do not subject the battery pack to strong impacts.
- Do not crush or puncture the battery pack.
- Do not dispose of the battery pack in a fire.
Risks of fire
- Do not expose the battery pack to temperatures in excess of 60°C.
- Do not place the battery pack near a heat source, such as a fireplace.
- Do not expose the battery pack to direct sunlight.
- Do not allow the battery connectors to touch conductive objects such as wires.
Risks of electric shock
- Do not disassemble the battery pack.
- Do not touch the battery pack with wet hands.
- Do not expose the battery pack to moisture or liquids.
- Keep the battery pack away from children and animals.
Risks of damage to the battery pack
- Do not allow the battery pack to come in contact with liquids.
- Do not subject the battery pack to high pressures.
- Do not place any objects on top of the battery pack.
Battery handling guide
- Use the battery pack only as directed.
- Do not use the battery pack if it is defective, appears cracked, broken or otherwise damaged, or fails to operate.
- Do not attempt to open, disassemble, repair, tamper with, or modify the battery pack. The battery pack is not user serviceable.
- To protect the battery pack and its components from damage when transportation, handle with care.
- Do not impact, pull, drag or step on the battery pack.
- Do not subject it to any strong force.
- Do not insert foreign objects into any part of the battery pack.
- Do not use cleaning solvents to clean the battery pack.
Response to emergency situations
The Soluna 6K Pack HV (L-E) battery pack comprises multiple batteries that are designed to prevent hazards resulting from failures. However, Soluna cannot guarantee their absolute safety.
Leaking batteries
If the battery pack leaks electrolyte, avoid contact with the leaking liquid or gas. the electrolyte is corrosive and contact may cause skin irritation and chemical burns. If someone is exposed to the leaked substance, do these actions:
Inhalation
Evacuate the contaminated area, and seek medical attention immediately.
Eye contact
Rinse eyes with flowing water for 15 minutes, and seek medical attention immediately.
Skin contact
Wash the affected area thoroughly with soap and water, and seek medical attention immediately.
Ingestion
Induce vomiting, and seek medical attention immediately.
Fire
In case there is a fire, always have an ABC or carbon dioxide extinguisher.
The battery pack may catch fire when heated above 150°C.
If a fire breaks out where the battery pack is installed, do these actions:
- Extinguish the fire before the battery pack catches fire.
- If it is impossible to extinguish the fire but you have time, move the battery pack to a safe area before it catches fire.
- If the battery pack has caught fire, do not try to extinguish it. Evacuate people immediately.
If the battery catches fire, it will produce noxious and poisonous gases. Do not approach.
Wet batteries
If the battery pack is wet or submerged in water, do not try to access it. Contact Soluna or your distributor for technical assistance.
Damaged batteries
Damaged batteries are dangerous and must be handled with extreme caution. They are not fit for use and may pose a danger to people or property.
If the battery pack seems to be damaged, pack it in its original container, and then return it to Soluna or your distributor.
Damaged batteries may leak electrolyte or produce flammable gas. If you suspect such damage, immediately contact Soluna for advice and information.
Qualified installers
This manual and the tasks and procedures described herein are intended for use by skilled workers only. A skilled worker is defined as a trained and qualified electrician or installer who has all of the following skills and experience:
- Knowledge of the functional principles and operation of on-grid systems.
- Knowledge of the dangers and risks associated with installing and using electrical devices and acceptable mitigation methods.
- Knowledge of the installation of electrical devices.
- Knowledge of and adherence to this manual and all safety precautions and best practices.
Product Introduction
Soluna 6K Pack HV (L-E) is a LFP lithium battery product with BMS (battery management system). It is a high-voltage battery module with CAN communication, under-voltage,over-voltage,over-current,over-temperature,under-temperature protection functions. It has the characteristics of high energy density, long life, safety and reliability and so on, and It is your trustworthy green environmental product.
Features
- Excellent safety performance
- Long cycle life
- Support for CAN-communication
- High energy density
- Excellent battery management system
- Number of expandable battery units
- Wi-Fi monitor
Application
- Back-up power
- Micro-grid
- Home Energy Storage system
Outline Dimension
| Width | 654 | mm |
| Depth | 227 | mm |
| Height | 971 | mm |
| Weight | 74 | kg |
Technical data
Physical Characteristics
| Width | 654mm |
| Depth | 227mm |
| Height | 971mm |
| Weight | 74kg |
Electrical Characteristics
| Battery type | LFP |
| Total Energy Capacity | 6kWh |
| Usable Energy Capacity | 5.4kWh |
| Battery Capacity (Nominal) | 40Ah |
| Voltage Range(Usable) | 134.4~168V |
| Nominal Voltage | 153.6V |
| Charge voltage (CV) | 168V |
| Discharge cut-off voltage | 134.4V |
| Charge/Discharge Current (Nominal) | 20A/20A |
| Charge/Discharge Current (Max) | 40A/40A |
| DOD | 90% |
| Cycle life @ 25℃ (under standard charge and discharge conditions,charge 0.2C,discharge 0.2C) | ≥6000 |
| DC Disconnect | Contactor Fuse |
| Number of expandable battery units | 8 |
BMS
| Power consumption | ≤100mA (work), ≤0.1mA (sleep) |
|
Monitoring parameters | System Voltage System Current Cell Voltage Cell temperature |
| Communication | CAN |
Operating Conditions
| Condition | Indoor conditioned |
| Operating Temperature | -10~50 ℃ |
| Operating Temperature (Recommended) | 15~30 ℃ |
| Storage Temperature | -30~60 ℃ |
| Humidity | 5%~95% |
| Altitude | Max. 2,000 m |
| Cooling Strategy | Natural Convection |
Reliability & Certification
| Certificates | Cell:UL1642 Battery Module:IEC62619 & UL1973 |
| Transportation | UN38.3 |
| Ingress Rating | IP54 |
Warranty
Please refer to SOLUNA WARRANTY CONDITIONS
Appearance
| Number | Name | Remark |
| ① | Cable entry | |
| ② | Power ON/OFF | |
| ③④ | Handle | |
| ⑤⑥ | Grounding | |
| ⑦ | Power light | |
| ⑧ | Fixed bracket |
Wiring port
User can see the wiring port of Soluna 6K Pack HV (L-E) after the cover cap opened, please see the below picture in details.
| Number | Name | Remark |
| 1 | CAN1 port | For external communication (inverter) |
| ② | CAN2 port | For internal communication (BMS) |
| ③ | Battery+ | |
| ④ | Battery- |
CAN communication interface definition (CAN1 & CAN2)
CAN1 port (for inverter communication
| 1 | 2 | 3 | 4 | 5 | 6 | 7 | 8 |
| — | — | — | CAN1H | CAN1L | — | — |
2.7.1 CAN2 port (for battery communication)
| 1 | 2 | 3 | 4 | 5 | 6 | 7 | 8 |
| 485A | 485B | GND | CAN1H | CAN1L | +12V | CAN2H | CAN2L |
Installation
The battery pack is too heavy for one to carry. Make sure that two or more persons are available.
Unpacking the package
3.1.1 Please see the below figure for the packing box of Soluna 6K Pack HV (L-E).
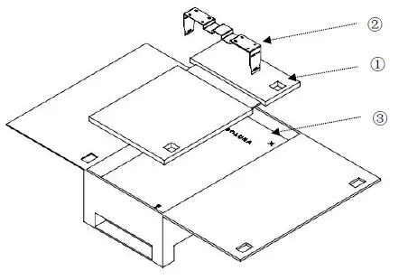
3.1.2 Open the packing box, take out the wall bracket and remove the EPE plate.
| Number | Name | Remark |
| 1 | EPE plate | |
| 2 | Wall bracket | |
| ③ | Soluna 6K Pack HV (L-E) |
3.1.3 Pull out the battery pack and stand it upright. Check if the battery pack is
damaged.
3.1.4 All the other items are contained in a box in one corner of the carton. Take
them out and check if any item is missing
3.1.5 Keep the carton for future storage or transportation
Packing lists
The following table lists the numbers of each item included. If anything is damaged or missing, contact Soluna or your distributor.
| Item | Name | Qty (pcs) | Remark |
| 1 | Soluna 6K Pack HV (L-E) | 1 | |
| 2 | PE wire | 1 | |
| 3 | Allen wrench(M2.5) | 1 | |
| 4 | M4 socket head combination screws | 4 | |
| 5 | M6 Phillips head three combination screw | 10 | |
| 6 | M8 expansion screw combination | 8 | |
| 7 | Wall bracket | 1 | |
| 8 | CAN communication wire | 1 |
Installation materials
These installation materials shall be prepared by installers.
- Charging cables
- Network cables
- DC breaker
Installation location
Please make sure that the installation location meets the following conditions:
- The building is designed to withstand earthquakes.
- The location is far away from the sea, to avoid salt water and humidity.
- The floor is flat and level.
- There are no flammable or explosive materials nearby.
- The ambient temperature is between 15 and 30°C.
- The temperature and humidity stays at a constant level.
- There is minimal dust and dirt in the area.
- There are no corrosive gases present, including ammonia and acid vapor.
If the ambient temperature is outside the operating range, the battery pack stops operating to protect itself. The optimal temperature range for the battery pack to operate is 15°C to 30°C. Frequent exposure to harsh temperatures may deteriorate the performance and lifetime of the battery pack.
Installation tools
The following tools are required to install the battery pack.
| Item | Photo | Name |
| 1 |
| Phillips-screwdriver bit |
| 2 | ![]() | Network crimper |
| 3 | ![]()
| Wire cutters |
| 4 | ![]() | Wire stripper |
| 5 | ![]() | Tape measure |
Use properly insulated tools to prevent accidental electric shock or short circuits. Use adjustable tools and measuring instruments that are certified for precision and accuracy.
Installation requirement
Soluna 6K Pack HV (L-E) should be installed against the wall, Eight holes should be drilled on the wall in order to fix the racks of the battery module. Please find the following pictures for details.
Safety gear
Wear the following safety gear when dealing with the battery pack. Installers must meet the relevant requirements of international standards, such as IEC 60364, or the domestic legislation.
| Item | Photo | Name |
| 1 | ![]() | Insulated gloves |
| 2 | ![]() | Safety goggles |
| 3 | ![]() | Safety shoes |
Wiring specification
In order to standardize the wiring specification of Soluna 6K Pack HV (L-E), the following requirements are required for connecting wires of Soluna 6K Pack HV (L-E).
| Battery cable | Communication cable |
| It is recommended to use 8AWG of conductor with double insulation | It is recommended to use Standard communication cable with shielding function |
Wi-Fi module connection
Single battery unit
Wi-Fi module should be connected to the CAN2 port of battery with Wi-Fi cable, Please find the following position of Wi-Fi module for details.
User only need to install 1 unit Wi-Fi module on the HV parallel box, Please find the following position of Wi-Fi module for details.
Remark:
- User can find the user manual of Wi-Fi module in the Wi-Fi packing box
- In pure off-grid case when the first installation is completed, if there is no PV power, long press the battery black start switch to start the system.
How to operate Soluna 6K Pack HV (L-E)
Step: please see below information for details.
- Connect the inverter and battery module with communication & battery cable
- Turn on the breaker , the breaker is on the right side of Soluna 6K Pack HV (L-E). Please see below figure for details.

Remark:
- CAN1 is connected to inverter for communication.
- Soluna 6K Pack HV (L-E) can only operate after receiving the inverter’s communication instructions.
- After the system is powered on, the user needs to select the battery communication protocol on the inverter, so that the system can run normally.
Electrical connection
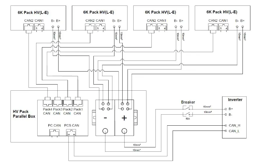
Single battery unit
The battery units are connected in parallel
DOD setting of Inverter
To make sure the battery working smoothly, we recommend the DOD setting of inverter as follows.
- On-grid DOD:80%
- Off-grid DOD:70%
Contact us
If any questions for Soluna, please contact us.
SOLUNA
Add: No.3492 Jinqian Road, Shanghai, China 201406
Tel: +86-21-57475835
Email: [email protected]
Web: www.solunabattery.com




























