
USER MANUAL
WDG-V UOP Combustion Analyzer
ATEX-IECEx
Copyright Notice © 2021 AMETEK Process Instruments. All rights reserved.
The information and descriptions in this document are the sole property of AMETEK Process Instruments and may not be copied, reproduced, disseminated, or distributed without explicit written permission from AMETEK Process Instruments.
The statements, configurations, technical data, and recommendations in this document are believed to be accurate and reliable at the time of this publication, but AMETEK Process Instruments assumes no responsibility or liability for any errors or inaccuracies that may appear in this document.
AMETEK Process Instruments is not responsible for any infringement of patents or other rights of third parties that may result from the use of this document. The content of this document is furnished for informational purposes only, is subject to change without notice, and does not represent a commitment or guarantee by AMETEK Process Instruments.
AMETEK Process Instruments makes no warranty, express or implied, with respect to the content of this document. AMETEK Process Instruments shall not be liable for any loss or damage, including consequential or special damages, resulting from any use of this information, even if loss or damage is caused by AMETEK Process Instruments as a result of negligence or any other fault. To obtain a PDF of this manual, visit our Products page at www.ametekpi.com.
Safety Notes
WARNINGS, CAUTIONS, and NOTES contained in this manual emphasize critically instructions as follows:
Important information that should not be overlooked.
operating procedure which, if not strictly observed, may result in personal injury or environmental contamination.
operating procedure that, if not strictly observed, may result in damage to the equipment.
Burn hazard. Hot surface. Do not touch, allow to cool before servicing.
Electrical Safety
High voltages are present in the analyzer housings. Always shut down power source(s) before performing maintenance or troubleshooting. Only a qualified electrician should
make electrical connections and ground checks.
Any use of the equipment in a manner not specified by the manufacturer may impair the safety protection originally provided by the equipment.
Grounding
Instrument grounding is mandatory. Performance specifications and safety protection are void if an instrument is operated from an improperly grounded power source.
Verify ground continuity of all equipment before applying power.
Personnel and Equipment Safety Information
This section describes important safety information to avoid personal injury and damage to the equipment while installing, operating, maintaining, or servicing the equipment. All safety regulations, standards, and procedures at the analyzer location must be followed.
All personnel involved with the installation, start-up, operation, maintenance, service, or troubleshooting of the analyzer must review and follow these Warnings and Cautions.
Do Not Operate without Covers
To avoid electric shock or fire hazards, do not operate this product with covers or panels removed.
Use Caution When Lifting
Use caution when lifting the analyzer from its crate.
Use Proper Attire
Equipment is hot, a user should wear protective gloves while handling the equipment.
Use Proper Wiring
To avoid fire hazards, use only the wiring specified in the “Installation and Start-Up” chapter of this manual.
Avoid Electrical Overload
To avoid electrical shock or fire hazards, do not apply voltage to a terminal that is outside the range specified for that terminal.
Ground the Product
Follow the grounding instructions provided in the “Installation and Start-Up” chapter of this manual. Before making connections to the input or output terminals of this product, ensure that the product is properly grounded.
Use Proper Fuse
To avoid fire hazards, use only the fuse type and rating specified for this product.
Use Proper Power Source
Do not operate this product from a power source that applies more than the voltage specified.
Do Not Operate with Suspected Failures
If you suspect there is damage to this product, have it inspected by qualified service personnel.
Special Conditions for Safe Use
The WDG-V UOP is designed to be used in Category 3 hazardous locations where explosive gases may be present. Protection against explosion is provided by purge technique. There are four rules that must always be followed:
- Do not open the enclosure unless the power is removed from both sensor and control unit for 90 minutes while maintaining pressurization, or the area is demonstrated to be hazardous.
- Perform purge system maintenance as described in Chapter 2 of this manual.
- Use only appropriate approved conduit fittings or cable glands for cable entry
(IIC, IP40 minimum). No holes shall be left unplugged. - Internal temperature rises above the rated T-class. The end user must take immedi- ate action on the loss of pressure to reinstate purge.
HAZARDOUS LOCATION LIMITATIONS
The WDG-V UOP is a Category 3 analyzer specifically designed and certified for use in ATEX II 3 G and IECEx hazardous locations. It can be safely operated in a location in which:
- No gases are present with a higher probability of ignition than hydrogen (e.g., acetylene).
- The ambient temperature does not exceed 60 °C.
- Voltages are 104–127 VAC or 207–253 VAC, 740 VA.
Make sure the location in which the WDG-V is installed meets all of the Hazardous Location Limitation criteria for a Category 3 analyzer described above.
Warning Labels
These symbols may appear on the instrument in order to alert you of existing conditions.
Protective Conductor Terminal
(BORNIER DE L’ECRAN DE PROTECTION) Schutzerde
Caution – Risk of electric shock
(ATTENTION – RISQUE DE DÉCHARGE ÉLECTRIQUE)
Achtung – Hochspannung Lebensgefahr
Caution – Refer to accompanying documents
(ATTENTION – SE RÉFERER AUX DOCUMENTS JOINTS)
Achtung – Beachten Sie beiliegende Dokumente
CAUTION – Hot Surface
(ATTENTION – SURFACE CHAUDE)
Achtung – Heiße Oberfläche
Environmental Information – WEEE
This AMETEK product contains materials that can be reclaimed and recycled. In some cases the product may contain materials known to be hazardous to the environment or human health. In order to prevent the release of harmful substances into the environment and to conserve our natural resources, AMETEK recommends that you arrange to recycle this product when it reaches its “end of life.”
Waste Electrical and Electronic Equipment (WEEE) should never be disposed of in a municipal waste system (residential trash). The Wheelie Bin marking on this product is
a reminder to dispose of the product properly after it has completed its useful life and been removed from service. Metals, plastics, and other components are recyclable and
you can do your part by doing one of the following steps:
When the equipment is ready to be disposed of, take it to your local or regional waste collection administration for recycling.- In some cases, your “end of life” product may be traded in for credit towards the purchase of new AMETEK instruments. Contact your dealer to see if this program is available in your area.
- If you need further assistance in recycling your AMETEK product, contact us through our Customer Support page at
https://www.ametekpi.com/customersupport/requestsupport.
Overview
UOP CCR Platforming Process
“The CCR Platforming process uses naphtha boiling in the range of 180–400 °F to produce high-octane gasoline or petrochemical precursors. This technology is the world’s leading reforming process. It is also the technology of choice for new reforming applications, providing refiners with proven, ultra-low-pressure (50 PSIG reactor pressure) operation and producing the highest reforming yields.
In gasoline applications, the Platforming process produces high-octane reformate for unleaded gasoline blending to make higher-octane grades of gasoline. In reformulated gasoline applications, the low-pressure, low-severity Platforming process restores a refinery’s hydrogen balance by maximizing the yield of hydrogen, even at the required low-octane severities. With appropriate prefractionation, the process produces the low-benzene, low-vapor-pressure material mandated by reformulated gasoline.”
World Wide Web page (no author)
CCR Platforming Process uop.com – 2002, April 10
History
The semi-regenerative Platforming process, introduced by UOP in 1949, was the first catalytic reforming process to use platinum-coated catalysts. Advances continuously improved the process, and in 1972, UOP introduced the Platforming process with CCR (Continuous Catalyst Regeneration).
CCR (Continuous Catalyst Regeneration)
CCR Platforming incorporates a moving catalyst bed that allows the catalyst to be added or removed from the reactor while the unit is operating. Spent catalyst from the reactor flows to the regeneration tower where the carbon is burned off and the catalyst is reconditioned. The regenerated catalyst is returned to the top of the reactor stack.
CCR Platforming Process.
Catalytic reaction causes coke to be deposited on the catalyst as it moves through the reactors, degrading its performance. Once in the regenerator, the coke is burned off the catalyst. However, the resulting high temperature greatly increases the risk of permanent damage to the catalyst and so the combustion must be controlled. This is done by controlling the oxygen content. The catalyst is the key ingredient used in the catalytic reforming process and oxygen measurement is critical to this process. It is essential that the oxygen analyzer function accurately and be easy to service and maintain.
A major benefit of the of the UOP CCR process is that the catalytic reforming process can run uninterrupted. Other catalyst regeneration methods require a shutdown of the process which is costly and defeats the purpose of the UOP-type system. The oxygen analyzer is critical to the UOP-patented CCR process and designed specifically to monitor xygen levels during catalyst regeneration.
Thermax and WDG UOP Series
| 1980 | Thermox, in conjunction with the UOP Process Division, developed the WDG-III UOP to monitor the gaseous atmosphere during a regeneration cycle of UOP’s Licensed Continuous Catalyst Regeneration process. With their technical guidance this analyzer evolved to the current modeled-IV UOP/RP. |
| 1999 | UOP and Thermox addressed plugging and corrosion issues with the external sample return line which is outside the scope of our supply. The revised UOP Project Specification 630 allows the close-coupled, nitrogen-aspirated, return-to-process design of the Thermax model WDG-IV UOP/RP (or an in-situ probe design) to be used to measure oxygen content of the process. This eliminated the need for the external sample return line and the sample flow sensor used to check for plugging in the return line that were part of the WDG-III and WDG-IV UOP analyzer designs. Since the process piping of the CCR is 316 stainless steel, and the process was adjusted to include nitrogen blanketing at shutdown, UOP decided that Hastelloy C was no longer mandatory for the process-wetted parts. The standard nalyzer is now constructed of 316 SS, but Hastelloy C is still available as an option. |
| 2007 | Thermox added an option to the WDG-IV UOP to include isolation valves on the inlet and outlet process connections. This option allows for maintenance of the WDG-IV UOP analyzer without shutting down the process. |
| 2019 | Thermax updated the instrument’s electronics package and renamed the product WDG-V UOP. The new electronics package includes additional diagnostics and meets the ROHS compliance directive. The AMEVision Controller replaces the Series 2000 Controller for the instrument as well. It includes a color LED display and additional communications options. |
About the WDG-V UOP Analyzer
Designed for fast response in a wide range of flue gas applications, the analyzer mounts directly on the combustion process to provide continuous measurement of oxygen.
A sample is drawn from the process stream by means of an air-operated aspirator and is immediately returned to the process. A portion of this gas rises past the oxygen measuring Cell and returns to the primary loop. All sample wetted parts are heated to 200 °C to maintain the sample above the dewpoint of the gas.
Follow these precautions when working on the analyzer:
Do not turn on the aspirator until the analyzer has been turned on and is hot – preferably 24 hours. Also, if you turn off the analyzer or the process is shut down, turn off the aspirator air to avoid plugging problems.
Remove AC power from the analyzer and allow it to cool for at least 90 minutes before performing any maintenance or troubleshooting activities.
The outside of the analyzer cover and all analyzer assembly components are hot during normal operation (up to 260 °C/500 °F insidethe cover). Allow analyzer components to cool for at least 90 minutes before working inside the analyzer. Use caution and wear appropriate gloves when handling components or when touching the analyzer cover.
Basic Elements of the Analyzer
The WDG-V UOP analyzer is a complete standalone unit; no separate controller
is required. The unit consists of three basic systems:
- Plumbing
Includes all inlet and outlet tubing, O2 Cell Housing, the calibration gas inlet and aspirator assembly, flow sensor, and the aspirator used to pull the sample into the analyzer. - Measuring System
Includes the oxygen Cell and flow sensor. - Temperature System
Includes the electrical Cell heater (furnace), sensor case heaters, the Type K Thermocouple (maintains Cell operating temperature). The sensing Cell operates at a constant temperature. The WDG-V is a complete standalone unit. No separate controller is required.
Analyzer I/O
All required I/O comes with the analyzer. See the section “About the Analyzer Electronics” for descriptions.
Analyzer Communications
The analyzer is configured, calibrated, and monitored using the MODBUS RTU interface. AMETEK provides two options for communicating with the analyzer:
- AMEVision Display User Interface
- WDG-V UOP Configurator Software via PC (standard with each unit)
The interface is industry-standard MODBUS which allows customized user software. Contact the factory for the MODBUS register definitions.
How the Oxygen Measuring Cell Works
The sensing element is a closed-end tube made from ceramic zirconium oxide stabilized with an oxide of yttrium or calcium. Porous platinum coatings on the inside and outside serve as both a catalyst and as electrodes. At high temperatures (generally above 650 °C/1200 °F), oxygen molecules coming in contact with the platinum electrodes near the sensor become ionic.
- As long as the oxygen partial pressures on either side of the Cell are equal, the movement is random and no net flow of ions occurs.
- If, however, gases having different oxygen partial pressures are on either side of the Cell, a potentiometric voltage is produced. The magnitude of this voltage is a function of the ratio of the two oxygen partial pressures.
- If the oxygen partial pressure of one gas is known, the voltage produced by the Cell indicates the oxygen content of the other gas. A reference gas, usually air (20.9 % O2 ), is used for one of the gases.

The voltage of the Cell depends on temperature, and so the Cell is maintained at a constant temperature. The oxygen content is then determined from the Nernst equation:
where R and F are constants, T is absolute temperature, and O1 and O2 are the oxygen partial pressures on either side of the Cell.
Measuring Non-Combustible Gases
For measuring oxygen in non-combustibles gases, the calibration of an analyzer is obtained using the formula:
Where A is a constant, T is the Cell temperature on an absolute scale (°C +273) and O2 Unk% is the unknown oxygen concentration of the gas to be analyzed, and which is calculated by the analyzer.
The Cell produces zero voltage when the same amount of oxygen is on both sides. Voltage increases as the oxygen concentration of the sample decreases. The voltage created
by the difference in the sample gas and the reference, air is transmitted to the microprocessor control unit and linearized to an output signal.
Hydrocarbons in the Gas Sample
When hydrocarbons are present in a gas sample, a combustion process occurs when the sample is exposed to the high temperature of the Zirconia Cell. If the oxygen reading is lower than expected, it may be an indication that hydrocarbons are present.
The amount of oxygen reduction is dependent on the type of hydrocarbons present in the sample gas.
About the Analyzer Sample System,
The WDG-V UOP was designed for meeting the purpose of low level oxygen measurement during the regeneration cycle in which coke deposits are removed from the catalyst by oxidation. The WDG-V UOP analyzer has a specially treated Zirconium Oxide Cell which is used to survive the destructive effects of halogen-oxidation.
The analyzer uses a nitrogen-operated aspirator to draw a sample of gas from the catalyst regenerator. A portion of this gas passes over the Zirconia Cell. Because the aspirator gas contains no oxygen, the sample can simply be returned to the process.
The major components of the sample system and other key components and their functions are detailed below (see Figures 1-2 and 1-3). The components listed below are for a variety of analyzer configuration possibilities. The sample system consists of:
| Component | Function |
| RTD Flow Sensor | The RTD flow sensor monitors the sample flow through the fast loop as well as the temperature of the gas flowing past it. An alarm is generated when the temperature reaches 100 °C lower than the temperature set during normal operation. This alarm indicates that flow has slowed or stopped. |
| Temperature Zones and Heaters | The temperature zones in the analyzer are tightly controlled by the oxygen Cell temperature heater. The Cell heater is a 300 W coil heater surrounding the Cell Housing and providing precision heat to the oxygen Cell. The box temperature is controlled with an RTD mounted on the aspirator block. The box heater consists of two (2) 150 W cartridge heaters located in the aluminum heater block at the bottom of the aspirator. This heater provides the heat for the enclosure to maintain all plumbing components above 225 °C. Cell Temperature: |
| The oxygen Cell is controlled to 680 °C. The Cell temperature is measured by dual Type “K” thermocouples. Dual thermocouples are used for self-check of the Cell temperature. The thermocouples are side-by-side in a single assembly. There is no distinction between the two thermocouples. | |
| Flame Arrestors | The WDG-V UOP analyzer contains two flame arrestors to prevent the analyzer from becoming an ignition source for the process when there are short periods of high combustible levels (25 % of LEL – Lower Explosive Limit) in the process. The flame arrestors are not, however, intended to protect the process when the combustibles’ levels are constantly high. |

About the Analyzer Electronics
| Component | Function |
| General | •Connections to the analyzer are made through the Wiring board. The Wiring board is located on the right side in a separate section of the analyzer. •Analyzer wiring and customer wiring (power, I/O) are directly connected to the main electronics. •All connections can be plugged and headers are laser-printed for easy matching. •The configuration monitoring interface is RS-485 MODBUS RTU. |
| I/O | All required I/O comes with the analyzer: •Three (3) configurable 4-20 mA outputs •Two (2) system alarm relays (Service and Data Valid) •Three (3) configurable process alarm relays •One (1) RS-485, 2-wire, MODBUS RTU interface (57.6K baud) |
| Current Outputs | There are three (3) current outputs on the WDG-V UOP Analyzer. Refer to “Current Output Connections” in Chapter 2 for details. |
| Optional Remote Calibra- tion Unit (RCU) | The RCU provides maximum confidence in the accuracy and stability of all WDG combustion analyzers, by simplifying the calibration/verification process. Unattended automatic or manual gas sequence calibration is provided with hard-piped bottle-toanalyzer connections to minimize time and labor costs. Refer to “Remote Calibration Unit (RCU) Connections” in Chapter 2 for details on these connection options. |
Communicating With the Analyzer
The analyzer is configured, calibrated, and monitored using the MODBUS RTU interface. AMETEK provides two options for communicating with the analyzer:
| Component | Function |
| WDG-V UOP PC Configurator Software | This PC-based software option (standard with each unit) can be used to communicate with the analyzer via a laptop computer. The PC to analyzer connection is via a USB-to-RS-485 converter cable. Refer to the WDG-V/-VC/-VCM PC Configurator Software Manual for a complete description of how to navigate through the software while configuring or calibrating the analyzer, or simply viewing analyzer data. |
| AMEVision Display User Interface | This user interface option consists of a separate, remotely mounted graphical user interface Display Unit with keypad that can be used to communicate with the analyzer. Communication options include MODBUS (RTU), Web Interface (TCP/IP), or a USB Flash Drive. Refer to the AMEVision Display User Interface Installation and User Manual for a complete description of how to navigate through the software while configuring or calibrating the analyzer, or simply viewing analyzer data. |
The interface is industry-standard MODBUS which allows customized user software. Contact the factory for the MODBUS register definitions.
Working in This Manual
While working in this manual, icons in the page margins represent variously kinds of information that serve as reminders or extra information about the topic, or navigation information when working from the systems that use the PC Configurator Software or AMEVision Display User Interface. See the appropriate manual for more
information.
| Example: See “Leak Check” in Chapter 3. | Reminder icon: These reminders indicate related information about the topic, certain actions that are necessary before continuing with the current procedure, or information that is recommended by AMETEK. See example at left. |
| Example: CalibrationCal Gas Values | User Interface Navigation icon: While working from the PC Configurator Software (or AMEVision Display User Interface, use these navigational aids to quickly access software screens. See example at left. |
Supplemental Information – Where Can I Find It?
Some analyzers are configured with optional equipment or functionality that may require supplementary information. The analyzer User Manual and this extra information (which is not part of the main manual) is shipped with all analyzers with optional equipment or functions. This Supplemental Information is contained in a Documentation Package folder shipped with the manual.
This Supplemental Information can consist of self-contained documents called Manual Supplements that describe and illustrate installation, operation, and maintenance procedures for optional equipment that make up your sample system. Examples of Manual Supplements include a non-standard Measuring Cell, non-standard or optional equipment, analyte-specific applications, or information that is intended to replace similar information in the manual.
Safety Considerations
Before beginning the installation of the analyzer and before powering it up, review and follow all safety information following the Table of Contents near the beginning of this manual. This information describes procedures to follow to avoid personal injury and/or damage to the equipment. All regulatory agency and personnel safety procedures for your jurisdiction must be followed.
The installation of the analyzer must be in accordance with all of the customer and local regulatory standards and procedures. There are no operator-serviceable components inside the analyzer. Refer all servicing to qualified personnel.
Reference pressure must be applied before the CCR (Continuous Catalyst Regeneration) is pressurized.
During process start-up and whenever power is removed from the analyzer, the aspirator should be turned off and nitrogen applied to the calibration gas port at 3 SCFH flow to ensure the process gas is purged from the analyzer. The 3 SCFH nitrogen purge through the calibration port should be maintained until the analyzer is turned on and is hot – preferably 24 hours.
Do not turn on the aspirator until the analyzer has been turned on and is hot – preferably 24 hours. If you turn off the analyzer or the process is shut down, turn off the aspirator to avoid plugging problems.
Pre-Installation Requirements
Personnel Technical Level Required for Installation
The operations in this section should be performed only by qualified service personnel experienced in electrical safety techniques. Never service the analyzer unless power has been removed from the analyzer, and the analyzer has been allowed to cool for at least 90 minutes. Also, always use gloves when working on the analyzer.
Storage Prior to Installation
If the analyzer is stored for any period of time prior to installation, store the equipment in an environment where it is not subject to dripping or splashing liquids, corrosive gases, high humidity, or excessive heat or cold. Recommended storage conditions
include: 0 °C to 50 °C (32 °F to 122 °F)
Temperature: Relative Humidity: <70 %
Failure to comply with these storage conditions will void your warranty.
Analyzer Site Preparation
Observe the following guidelines when selecting an analyzer installation location:
- Select a readily accessible position for the analyzer to allow for routine maintenance. Comfort levels for maintenance personnel should be consid- ered in placement of the analyzer and AMEVision Display User Interface.
- The installation location should be free from excessive vibration and the ambient temperature is required to be within the limits listed in the specifications. If the ambient temperature is outside the specified limits or the vibration is excessive, contact your AMETEK representative to discuss solutions and special options to address ambient temperatures.
Unpacking and Inspecting the Equipment
Remove any packing material from the WDG-V UOP Analyzer. Check for damage. If equipment is damaged, notify the carrier and contact AMETEK Service (https://www.ametekpi.com/customersupport/requestsupport) immediately if parts are missing or damage is found, and to verify if damaged parts will require replacement prior to safely installing and operating the analyzer/ equipment.
Tools, Equipment, and Supplies Required for Installation
To install the analyzer you need the following tools, equipment, and supplies:
- Set of open-end wrenches for fittings.
- Set of metric hexagonal wrenches.
- Set of ball drivers.
- Wire cutters, strippers, and crimpers.
- Flat blade instrument screwdriver.
- Soft, nonabrasive cloth.
- Wrist strap (for grounding).
- Detergent-based leak detector (Snoop® or another suitable leak detection agent is permissible).
Installing the Mechanical Components
“Part No.” refers to AMETEK Part Number.
Installing the Sample Inlet Probe
For some applications, you must first connect the sample inlet probe to the analyzer before mounting the analyzer. The same applies if you are installing the probe heater or exhaust tube. Therefore, these subjects are discussed before the sections on how to mount the analyzer to the process.
Orient the probe so that the longer side faces the gas flow.
The sample inlet probe is how the sample gas gets to the analyzer. Aspirator air within the analyzer is used to pull process gas from the sample probe into the analyzer. The sample inlet probe is identified by the threads on both ends.
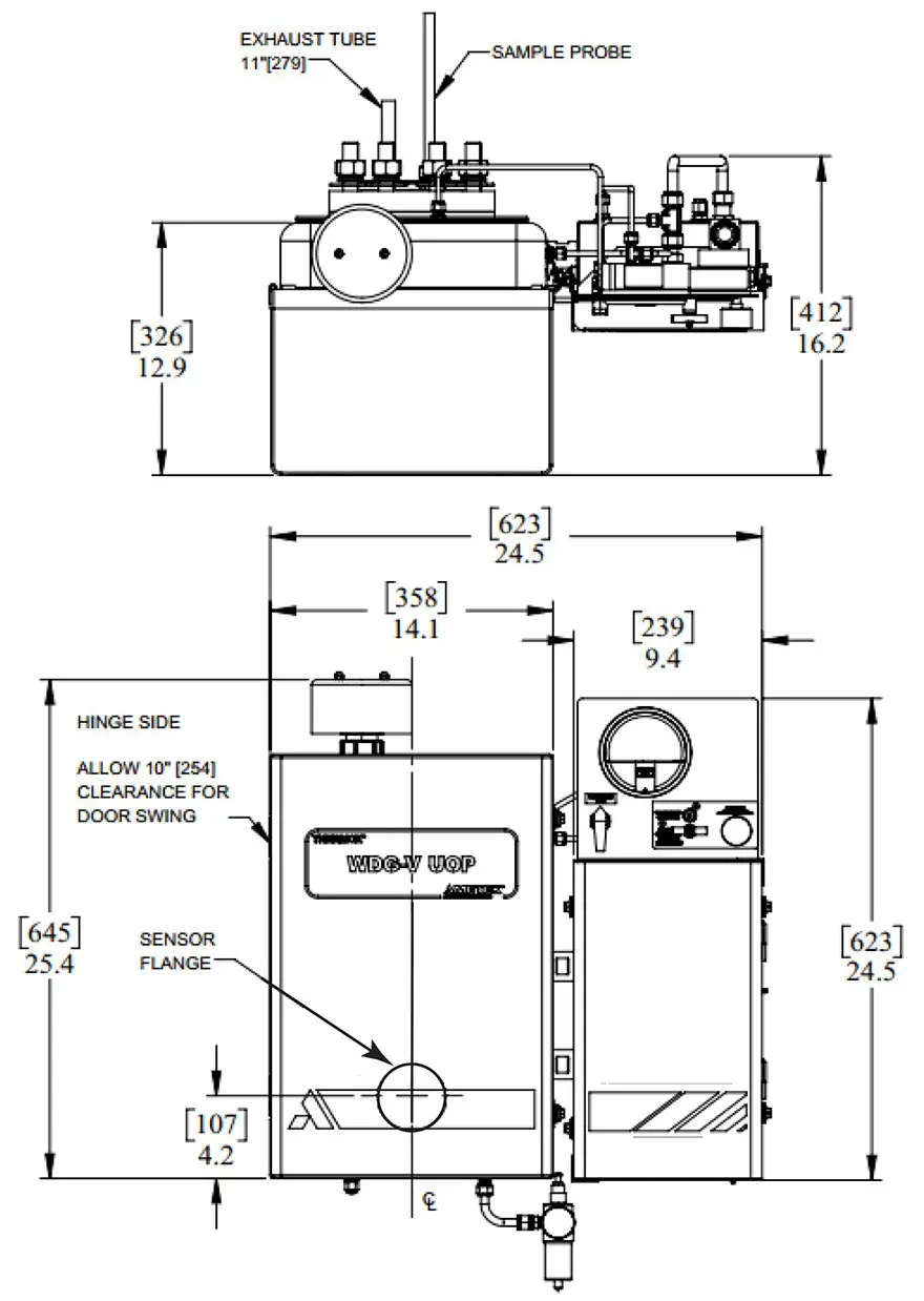
- Figure 2-1.1 shows how to install the standard 1/4″ NPT probe and optional exhaust tube.
- Figure 2-1.2 shows port locations on the rear of the analyzer.
You must connect the probe to the analyzer before mounting the analyzer.
Installing the Standard 1/4″ NPT Probe - Screw the probe into the back of the sample probe port on the rear of the analyzer, then mount the analyzer – Figures 2-1.1 and 2-1.2.

Figure 2-1.1.
WDG-V UOP Probe and optional
Exhaust Tube installation..

Installing the Exhaust Tube (Optional)
When installing the exhaust tube, connect it to the analyzer before mounting the analyzer to the process.
The Hastelloy exhaust tube allows you to extend the aspirator exhaust. The exhaust tube has a thread on only one end of the tube.
To install the exhaust tube, thread the it into the exhaust port on the rear of the analyzer as shown in Figures 2-1.1 and 2-2.
Installing the Analyzer
- The analyzer ambient temperature range is -20 °C to 60 °C.
- When installing the exhaust tube, attach it to the back of the analyzer before mounting the analyzer to the process.
- Mounting dimensions are provided in Figure 2-2.
Do not open a Z-purge, hinged-analyzer enclosure door until you first verify that the area has been classified as non-hazardous.
The factory-supplied mounting flange comes attached to the UOP analyzer. Mount the analyzer flange to the process flange as described below.
- Thread the 1/4 -18 NPT sample inlet probe into the mounting flange.
Orient the probe so the longer side faces towards the flow of gases; this prevents large particles from entering the analyzer. This inlet pipe does not need to be leak-tight.
When mounting the analyzer to your process flange (see Step 2), the mounting flange must also be sealed to your process flange using the factory-supplied Inconel compressible gasket. Center this gasket on the raised flange faces to ensure a leak-tight seal. You can use a thin piece of sheet metal to help you install this gasket. - Mount the factory-provided 3″ 300# mounting flange to your process flange. Tighten the nuts onto the mounting studs in a cross pattern to cre- ate an even seal (orient the flange so the analyzer is in an upright position). This flange has eight 3/4″ – 10 studs, 3-1/2″ long that conform to ASTM A193 B8M. Heavy hex nuts (ASTM A194 8M), 3/4″ – 10 threads, and associated washers are also included.
Mounting dimensions for the hinged style enclosure, including the Z-purge option, are provided in Figures 2-2 and 2-4.


Figure 2-3.
Analyzer Mounting.
7/16″ wrench is required to open both enclosure doors.
Calibration/Aspirator Air
Required Calibration Gases and Tubing
See Specifications for information on calibration gases. The span gas is the high gas; the zero gas is the low gas.
The span gas must be 10 times greater than the zero gas. For example, if the zero gas is 1 % O2, the span gas must be 10 % O2 or higher.
- O2 Span Gas Instrument air (20.9%) or from 1.0–100 % O2.
- O2 Zero Gas From 0.1–10 % O2, balance N2
For example, if using an operating range of 0 to 2000 ppm combustibles, use 1200 ppm CO, 1–2 % O2, balance N2.
Flow Calibration
A flow calibration must be performed upon analyzer startup. The WDG-V UOP analyzer should be mounted on the process, fully up to normal operating temperature, and
have typical process gas flowing prior to performing the calibration.
- Once the normal operation has been achieved, from the Calibration menu, select Flow Alarm Setup.
- Press Enter to continue, then Accept to save the Flow Temperature measurement.
The Flow Alarm setpoint is automatically set to 100 °C below the Flow Temp shown.
For process temperatures below 350 °C or for custom temperature thresholds, contact the AMETEK Service Department.
Rapid Exchange Purge System
Connections
Connect instrument air to the analyzer purge inlet. Maintain the pressure and flow as directed on the purge warning label.
The purge apparatus provided by AMETEK meets requirements for hazardous locations under certain conditions.
- Do not exceed the maximum temperature rating listed in the Specifications chapter of this manual.
- The WDG-V UOP analyzer contains a flame arrestor to prevent it from being an ignition source to the process for short periods of high combustible lev- els (25 % of LEL – lower explosive limit) in the process. The flame arrestor is not, however, intended to protect the process where the combustibles levels are always high.
Purging Operation – “Safe” Pressure
“Safe” pressure, for purposes of this manual, is defined as between 0.15 and 0.35 inches of the water column. Do not exceed “Safe” pressure with the Enclosure Pressure Control Valve.
The regulator may be in a locked position upon arrival. To adjust the regulator, pull the handle to the outward position.
Carefully insert the T-bar valve key to align the valve stem tip of both valves. Practice locking and unlocking key in the RECV valve stem. Become familiar with this process to ease the operation of the system.
Operators must follow-step-by-step sequence in the Start-Up instructions found on the electronics box lid.
Figure 2-4.1.
UOP Rapid Exchange Purge
System (Front).

Figure 2-4.2.
UOP Rapid Exchange Purge
System (Rear).

Purging Instructions
Ensure that the protective gas supply is connected, the enclosure power is de-energized and the alarm system is energized (if being used).
- Carefully read the Start-Up Instruction on the unit.
- Check the operation of the Enclosure Protection Vent by gently prodding the vent flapper open with a soft pointed object, like the eraser end of a pencil, to ensure that the vent valve works freely. On vertically configured vents, this can be done from within the analyzer enclosure.
- Seal the protected enclosure(s).
- Unlock the T-Bar Valve Key from the Rapid Exchange Control Valve (RECV) stem and place in the Enclosure Pressure Control Valve (EPCV) stem. Turn the key counter-clockwise to open the EPCV stem and set the Enclosure Pressure Gauge at “Safe” pressure. The Pressure Loss Alarm Switch (if being used) should then activate to silence the alarm system.
- Carefully remove the T-Bar Valve Key from the EPCV stem. Ensure Enclosure Pressure Gauge “Safe” pressure setting is stable.
- Use the T-Bar Valve Key to open the RECV turning a full 90° counter-clockwise to ensure that the Enclosure Protection Vent opens.
The Enclosure Pressure Gauge should move quickly off scale to the right. This is normal for all Rapid Exchange purging systems. - Open the Furnace Purge Valve by turning the valve counter-clockwise. The exchange time is ten (10) minutes minimum.
- Close both the RECV and Furnace Purge Valve fully and ensure T-bar Valve Key is firmly locked in the RECV stem.
- Wait for the Enclosure Pressure Gauge to return to a “Safe” pressure and energize the protected enclosure(s) power using the local disconnect
switch. - Ensure the Enclosure Pressure Indicator maintains a “Safe” pressure before leaving the system unattended.
Aspirator and Manual Calibration Connections
The WDG-V UOP processes run at either atmospheric pressure, 35 PSI, or 110 PSI.
Aspirator, calibration, and reference gas pressures must be set relative to the process pressure.
Reference gas pressure is required for High Pressure (110 PSI) only.
Aspirator N Connections
During process start-up and whenever power is removed from the analyzer, the aspirator should be turned off and nitrogen applied to the calibration gas port at 3 SCFH flow to ensure the process gas is purged from the analyzer. The 3 SCFH nitrogen purge through the calibration port should be maintained until the analyzer is turned on and is hot – preferably 24 hours.
Do not turn on the aspirator until the analyzer has been turned on and is hot – preferably 24 hours. If you turn off the analyzer or the process is shut down, turn off the aspirator to avoid plugging problems.
Connect N2 aspirator supply to the aspirator inlet on the analyzer (see Figure 2-5.1). Adjust the aspirator regulator to the minimum pressure required to get a response from the analyzer (typically 3–5 PSI above the process pressure).
If you have a remote calibration unit (RCU), skip the “Manual Calibration” section and proceed to the “Remote Calibration Unit Installation (Optional)” section.
Manual Calibration
A calibration gas inlet port (see Figure 2-5.1) is provided to allow you to calibrate the system. During calibration, turn off the aspirator supply and inject calibration gases into the calibration gas inlet port on the analyzer. During normal operations, plug this calibration gas inlet port. The zero and span calibration gases should be set to 3 SCFH and will require about 10 PSIG relative to the process pressure. If the process is running 110 PSI, the gas pressure needs to be 120 PSI.
Remote Calibration Unit Installation (Optional)
Do not turn on the aspirator until the analyzer has been turned on and is hot – preferably 24 hours. If you turn off the analyzer or the process is shut down, turn off the aspirator air to avoid plugging problems.
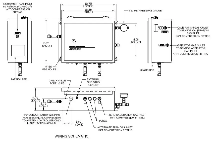
Figure 2-5.1 shows mounting dimensions for a standard RCU. Use two #10 screws to mount the RCU. Note that only the top left and lower right holes are used; the other holes hold the RCU to its mounting plate. The ambient temperature range for the RCU is -20 °C to 70 °C. Mount the RCU as close to the analyzer as possible. Shorter calibration plumbing improves response times, reduces calibration gas expense, and reduces the chance of contaminants in the calibration gas plumbing.
To install the RCU:
- Connect the O2 span gas, if other than instrument air, to the alternate O2 span gas inlet.
- Connect the O2 zero calibration gas to the O2 zero gas inlet connection on the RCU.
- Connect the combustibles span calibration gas to the combustibles span gas inlet on the RCU. For a WDG-V UOP analyzer with RTD-type combustibles detector, the
combustibles span calibration gas would also include the methane span calibration concentration. - Using appropriate tubing, connect the calibration gas outlet on the right side of the RCU to the calibration gas inlet on the analyzer. See Figure 2-5.1 for analyzer calibration gas inlet connection.
- Using appropriate tubing, connect the aspirator air outlet on the right side of the RCU to the aspirator air inlet connection on the analyzer. For information about RCU electrical connections, refer to “Remote Calibration Unit Connections” later in this chapter.

Figure 2-5.1.
RCU Mounting Dimensions.

Installing the AMEVision Display User Interface
The AMEVision Control Unit can be mounted to either a panel or a wall. Refer to the AMEVision Display User Interface Installation and User Manual for complete installation and operation details.


Figure 2-6.
AMEVision dimension, installation.
AC Power and Signal Connections
Remove AC mains power from the controller before making any electrical connections.
Connections to the analyzer unit are made through the Wiring board. The Wiring board is located on the front-bottom of the analyzer (Figure 2-7).
Any screw terminals on the Wiring board not described in this section are reserved for future use.
General Wiring and Conduit Requirements
This section discusses mandatory EMC grounding, shielding, and noise protection requirements.
- Analyzer wiring conductors must be rated at a minimum of 80 °C. All other wiring conductor ratings should be for the minimum temperature required for the equipment being connected to the analyzer, but not less than 60 °C.
- Use only the applicable NEMA-approved conduit fittings or cable fittings to maintain the NEMA rating for the analyzer enclosure or WDG-V UOP. If not using a conduit entry, leave the factory NEMA-approved plugs intact. Never leave any holes unplugged.
- Follow all applicable electrical codes for your location.
- Follow proper grounding, shielding and noise protection practices as described in this section.
- For all analyzer and signal wiring use twisted-pair cable, 18 to 22 AWG (0.82 mm2 to 0.33 mm2), with an overall braided shield, or twisted-pair cable in rigid metal conduit.
- For AC mains supply wiring, use between 12 and 14 American Wire Gauge (AWG) or equivalent metric between 3.3 mm2 and 2.1 mm2.
- Use the conduit entry point closest to the connections you are making. Do not add any additional conduit entry holes.



Figure 2-8.
Terminal Block Detail (customer connections located in the center section.
WDG-V UOP AC Mains Supply Connections
Do not run control unit AC mains supply wiring in the same conduit with other AC line power wires. By keeping this wiring separated, you prevent transient signals from reaching the control unit.
The WDG-V can operate using either 115 VAC, ±10 % or 230 VAC, ±10 %. There is no power switch or circuit breaker on the analyzer, and it must be protected by installing it on a circuit-protected line, maximum 15 amperes, with a switch or circuit breaker in close proximity to the control unit and within easy reach of an operator. Mark the switch or circuit breaker as the control unit disconnecting device.
Mains supply connections to the control unit are as follows:
• L – Line connection
• N – Neutral connection (USA)
• Chassis Stud – Equipment ground (protective conductor)
Use the 1/2″ conduit entry hole in the WDG-V UOP for AC mains supply wiring.
Use the chassis stud next to the 1/2″ conduit entry hole for equipment ground (protective conductor).
AC (L) and (N) markings are provided by the terminal block for connection of AC power. These markings are for reference purposes only, such as for use on system wiring diagrams, etc. The system/product has or needs no specific LINE or NEUTRAL connection for any function, safety or otherwise. The (N) terminal is not internally grounded, nor needs to be. The system will operate normally regardless of what AC input terminal (L or N) the AC Line or Neutral is connected to, or, if there is a Neutral used at all (i.e., 208 VAC US power connection).
EMC Grounding, Shielding and Noise Protection
For EMC purposes, under no circumstances should you leave cable shields disconnected at one end or both ends of the cable (analyzer or control unit, or other device).
You must use twisted-pair cable in rigid metal conduit or use twisted pair cable with an overall braided shield. All cable shields or conduits connecting to the analyzer unit must be chassis grounded.
EMC Grounding Method
- Shield Ring Method
Connect all shields for that conduit entry (other than power) to a supplied shield terminal ring (Figure 2-9). This shield ring is a stainless steel ring with a metal tab. Place the shield ring under the conduit nut. Crimp the shields from all cables for that conduit entry to a 1/4” female quick disconnect, then push it onto the tab that sticks out of the conduit shield ring. Keep shields as short as possible. - Ground Stud Method
Connect all cable shields for that conduit entry to the grounding stud closest to that conduit entry hole (Figure 2-9).


Figure 2-9.
Direct shield grounding methods.
Transient and RFI Interference
Transient and RFI interference precautions include:
- Although there are transient and noise protectors on all analyzer unit I/O connections (communications, current outputs, sensor, etc.), this protection is intended to
act as a last line of defense against unwanted transient and RFI interference. - Proper installation practices to prevent the introduction of transients and noise into the system must be followed. Inductive loads connected to the analyzer unit must have transient suppressors installed at the inductive loads. Be sure to place the transient suppressor as close to the load as possible. Examples of transient suppressors include MOVs, transforms, and RC snubbers.
- AC mains supply wiring should not be run in the same conduit with mains supply wiring that feeds heavy inductive loads.
- Avoid running signal wiring in the same cable or conduit with wires that power inductive loads unless all the cables within the conduit are shielded, the inductive loads are small, and transient suppressors are used at the loads.
- Do not run signal lines in the same cable or conduit with high voltage lines.
- For optimum noise protection, AMEVision Display User Interface mains supply wiring should be connected to a circuit separate from any circuit that could introduce transients into the system. As an example, do not run motors, blowers, or air conditioners using the same mains supply circuit or conduit as the analyzer unit’s mains supply circuit or conduit.
Current Output Connections
Standard Current Outputs
There are three current outputs on the WDG-V UOP Analyzer. The current output connections are labeled as follows on the Sensor board terminals:
Analog Output #1 => +I1-
Analog Output #2 => +I2-
Analog Output #3 => +I3-
The current outputs are referenced as Analog Outputs 1, 2, and 3 in the AMEVision Display User Interface and PC Configurator Software.
Observe the polarity when connecting current output devices to these terminals.
Each current output is capable of driving up to a 1000 ohm load.
The current outputs can be selected for the following ranges: 0–20 mA 4–20 mA NAMUR
The NAMUR outputs are implemented as follows:
| 4–20 mA signal | Analyzer Condition |
| 0 mA | Analyzer unpowered, or completely failed. |
| 3.5 mA | Critical Alarm – analyzer reading unusable (factory default). |
| 3.8 mA | Reading Under Range (Example: User sets range to 2–10 %.) Current reading is 1.9 %. |
| 4–20 mA | Normal Operation |
| 20.5 mA | Reading Over Range (Example: Range is 0–10 %.) Current reading is 12 %. |
Alarm Contact Connections
This section describes how to make wiring connections for any alarm devices you wish to connect to the control unit.
Standard Alarm Connections
The WDG-V UOP analyzer provides five sets of normally open alarm contacts as follows:
| Terminal Block ID | Description |
| SVC | ServiceAlarm |
| DV | Data ValidAlarm |
| ALM1 | Process Alarm 1 (Configurable) |
| ALM2 | Process Alarm 2 (Configurable) |
| ALM3 | Process Alarm 3 (Configurable) |
The process alarms are referenced as Relay 3, Relay 4, and Relay 5 in the AMEVision.
Relay 3 – ALM 1
Relay 4 – ALM 2
Relay 5 – ALM 3
- Service Alarm
The service alarm indicates that a critical alarm exists and the analyzer needs repair. Readings are not valid when this alarm is active. The relay contacts are normally-open and are OPEN (de-energized) when a critical alarm exists. - Data Valid The Data Valid Alarm indicates if the concentration readings are representative of the process. When this alarm is active, concentration readings may not be representative of the process and should not be used for control/ safety. Examples of this alarm include: Warm-Up mode, Calibration mode, and Diagnostic mode. This alarm differs from the Service Alarm in that there is not necessarily a problem with the analyzer when this alarm is active. The relay contacts are normally open and are OPEN (de-energized) when the concentration readings are not valid.
- Flow Alarm
For WDG-V UOP analyzers, Relay 5 (ALM 3) is reserved for the Flow Alarm. It can be configured as Energize on Alarm or De-energize on Alarm from the Alarm Configuration menu. It triggers when the flow temperature reading falls 100 °C below the normal process temperature..
Remote Calibration Unit (RCU) Connections
This section discusses the electrical connections for the optional Remote Calibration Unit (RCU):
Oxygen-Only Remote Calibration Unit Connections
Oxygen-Only Remote Calibration Unit (RCU) connections on the WDG-V UOP
Wiring board, and their RCU connections, include:
ZERO GAS WDG-V UOP Terminal Z to Pin 13 on RCU ASPIRATOR
WDG-V UOP Terminal A to Pin 14 on RCU O2 SPAN
WDG-V UOP Terminal S1 to Pin 15 on RCU
VALVE COMMON WDG-V UOP Terminal V to Pin 16 on RCU
Digital Input to Initiate Remote Calibration Unit
The digital input connections on the Wiring board allow you to initiate a calibration from a remote location. For this option to work, you must have a remote calibration unit. The system monitors the digital input, and when the switch closes, it sends the system into an automatic calibration. The switch you connect to this digital input must be a normally open switch.
Notes About Ducting
Ducting Between Pressurized Enclosure and Inlet
The intake ducting to a compressor should not normally pass through a hazardous area. If the compressor intake line passes through a hazardous area, it should be constructed of non-combustible material and protected against mechanical damage and corrosion. Adequate precautions should be taken to ensure that the ducting is free from leaks in case the internal pressure is below that of the external atmosphere (see Annex C). Additional protective measures, for example, combustible gas detectors, should be considered to ensure that the ducting is free of flammable concentrations of gas vapor.
Additional Purge Time to Account for Ducting
The purge duration should be increased by the time necessary to purge the free volume of those associated ducts which are not part of the equipment by at least five times their volume at the minimum flow rate specified by the manufacturer.
Power for Protective Gas Supply
The electrical power for the protective gas supply (blower, compressor, etc.) should be either taken from a separate power source or taken from the supply side of the electrical isolator for the pressurized enclosure.
Enclosure Maximum Overpressure
The user should limit the pressure as specified by the manufacturer.
Installing the User Interface/Communications Options
The WDG-V UOP Analyzer has two available interface options that can be used to communicate with the analyzer: The AMEVision Display User Interface and the PC Configurator Software. These interface options cannot be connected to the analyzer at the same time.
Installing the PC Configurator Software (Typical Communication Option)
| Before continuing, install the PC Configurator Software on a PC, as instructed in the “WDG-V PC Configurator Software Manual” (AMETEK PN 9000-231-VE). | The WDG-V PC Configurator Software comes standard with the analyzer and isused to configure, calibrate, and monitor a single analyzer. The WDG-V UOP is connected to the PC using a two-wire MODBUS RTU interface. |
If you are using the same vision Display User Interface to communicate with the WDG-V UOP Analyzer, skip this section and continue with “Installing the AMEVision Display User Interface (Secondary Communication Option)” later in this chapter. |
Install the PC Configurator Software on a PC, as instructed in the “WDG-V PC Configurator Software Manual” (AMETEK PN 9000-231 VE), and then continue with setting the analyzer address, below.
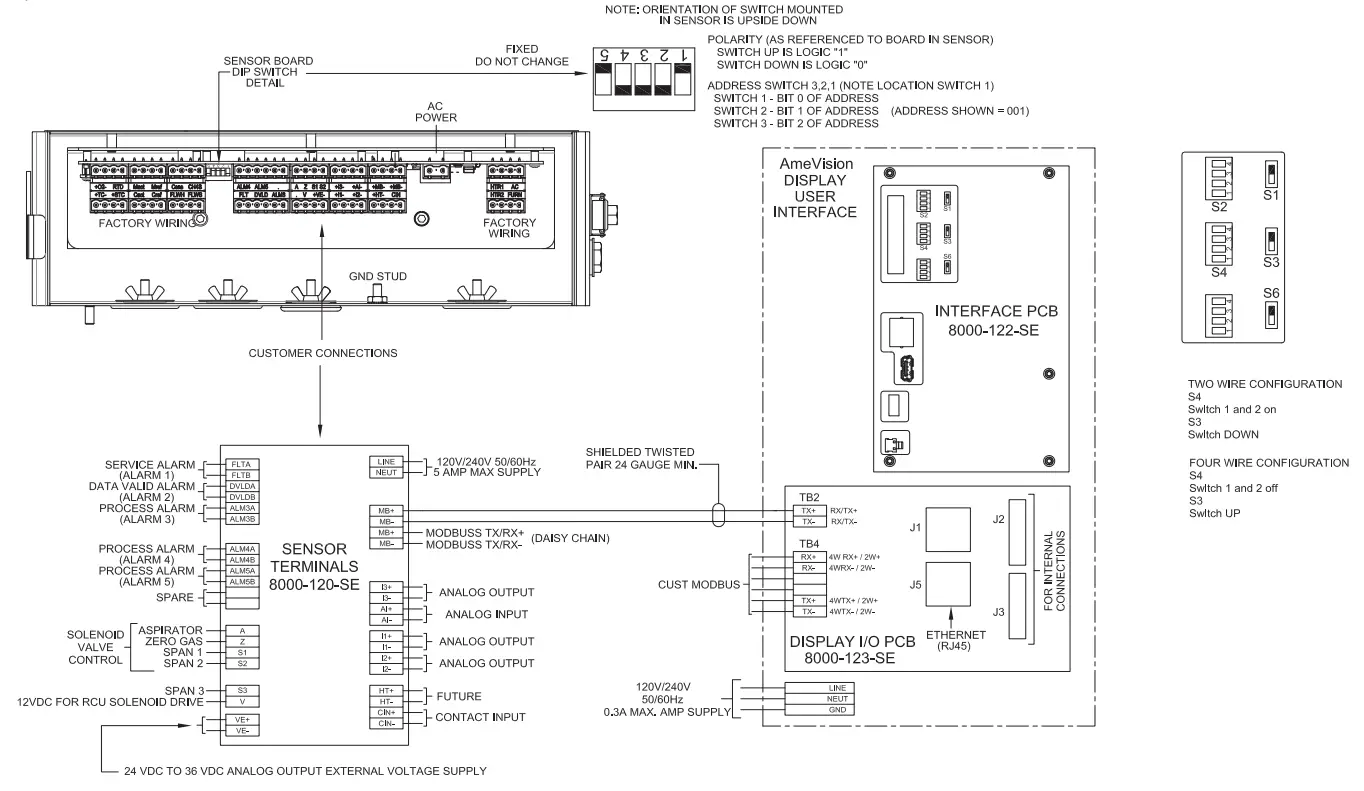
Setting the Analyzer Address Using the Dip Switch (to Enable Communications Between the Analyzer and the PC Configurator Software)
| The orientation of the dip switch is upside down. | The address on the WDG-V UOP analyzer is set using the dip switch on the front of the Sensor board. When connecting a single analyzer, the address is “1”. |
Figure 2-11.
Close-up of Dip Switch, Sensor board.
| 321 Switch | Address |
| 001 | 1 |
| 1 = ON (UP) 0 = OFF (DOWN) | |
Connecting the PC to the Analyzer
Use the optional USB-to-RS-485 converter (PN 1000-724-VE) to connect between the analyzer and the PC.
Once the analyzer has been connected to the PC, use the PC Configurator Software to set up parameters and calibrate the unit.
For instructions on how to work in the PC Configurator Software to configure and calibrate the analyzer, and to view analyzer status readings, refer to the
“WDG-V PC Configurator Software Manual.”
Figure 2-12.
Connecting analyzer using USB converter and PC Software.

Installing the AMEVision Display User Interface (Secondary Communication Option)
The AMEVision Display User Interface is an intuitive remote, graphical user interface and communications link that provides easy configuration, calibration, and monitoring of data for up to eight (8) WDG-V UOP Analyzers using a single display unit. Communication options include:
- MODBUS RTU
- Web Interface (TCP/IP)
- USB (Flash Drive).
If you are using the PC Configurator Software to communicate with the WDG-V UOP Analyzer, skip this section and continue with “Installing the PC Configurator Software (Typical Communication Option)” earlier in this chapter.
Install the AMEVision Display User Interface Unit as instructed in the “AMEVision Display User Interface Installation and User Manual” (AMETEK PN 9000-165-VE), and then continue with setting the analyzer address, below.
Figure 2-13.
Standard AMEVision Display User Interface.
Setting the Analyzer Address Using the Dip Switch (to Enable Communications Between the Analyzer and the AMEVision Display User Interface Unit)
The connection between the AMEVision Display User Interface and the WDG-V UOP analyzer is a two-wire MODBUS RTU. A maximum of eight (8) analyzers can be connected to a single-user Display User Interface unit. Each connected analyzer must have a unique address. The address on the WDG-V UOP Analyzer is set using the dip switch on the front of the Sensor board. See Figure 2-11 (and 2-14 for a close-up view of the dip switch).
| 321 Switch | Address |
| 1 | 1 |
| 10 | 2 |
| 11 | 3 |
| 100 | 4 |
| 1 = ON (UP) 0 = OFF (DOWN) | |
Connecting Analyzers to the AMEVision Display Unit
Connecting a Single Analyzer

Figure 2-15.
Single Analyzer-to-AMEVision Display Unit connection.
When only one analyzer is connected, set the address to “1”.
Connecting Multiple Analyzers
Up to eight (8) analyzers can be connected to a single AMEVision Display User Interface. The WDG-V UOP analyzer has extra terminal connections for daisychain connections.

Figure 2-16.
Multiple Analyzers-television Display Unit connections.
Each analyzer must have a unique address.
Final Daisy Chain Connection Configuration Setting
When connecting multiple analyzers in a daisy chain configuration, enable the communication termination resistor (Dip Switch SW-5) on the last analyzer in the chain (farthest from the user interface). SW-5 is located on the front of the User Interface board.
• SW-5 ON: Termination Enabled
• SW-5 OFF: Termination Disabled
The maximum distance between the AMEVision Display User Interface and the analyzer is 1219.2 meters (4000 feet).
For instructions on how to work from the AMEVision Display User Interface to configure and calibrate the analyzer, and to view analyzer status readings, refer to the “AMEVision Display User Interface Installation and User Manual” (AMETEK PN 9000-165-VE).
Customer I/O Connections

Replacing a WDG-IV UOP Analyzer With a WDG-V UOP Analyzer
These instructions require that each WDG-V UOP Analyzer is paired with its own AMEVision as described in the Single Analyzer-to- AMEVision Display Unit connection diagram (Figure 2-18). Follow these instruction when replacing a WDG-IV UOP that uses the Series 2000 Controller with a WDG-V UOP using AMEVision and the AMEVision Display Unit.
- Disconnect customer wiring and conduit entries from the existing WDG-IV UOP electronics enclosure. Series 2000 Controller: Mark all wires with their corresponding Series 2000 circuit board terminal designation (see Figure 2-18).
- Disconnect wiring and conduit entries from the existing Series 2000 control unit.
- Remove the existing WDG-IV UOP Analyzer from the process flange and remove the Series 2000 Controller from its current location.
- Install the new WDG-V UOP Analyzer and AMEVision Controller as described in the standard installation instructions included in the manual.
- Using the existing wiring and conduit entries remaining from the WDG-IV UOP Analyzer and Series 2000 Controller, reconnect as shown in Figure 2-18.
- Match up the numbered terminals on the terminal strip to the previous Series 2000 circuit board terminal designations (Step 2) that should be marked on the wires in the MEVision.


AMEVision Communication Troubleshooting Checks
No Communications
| Possible Cause | Corrective Action |
| Polarity reversed | Check the wiring for proper polarity. Review associated wiring diagrams. Correct the wiring. |
| Address not set correctly | From the AMEVision Display, check the Address setting. On the User Interface board, check the dip switch settings. Refer to “Setting the Analyzer Address Using the Dip Switch (to Enable Communications Between the Analyzer and the AMEVision Display User Interface Unit)” in this section for more information. |
| Maximum distance be- tween devices exceeded | If the distance between the AMEVision Display Unit and the analyzer (furthest analyzer in a daisy-chain configuration) exceeds 1219.2 meters (4000 ft), the devices must be moved closer together. |
| Broken connection | Check cables and wiring for damaged or broken connections. Replace or fix the connections as needed. |
Intermittent Communications
| Possible Cause | Corrective Action |
| Poor wiring (i.e., lack of shielded twisted pair) | Check the wiring to ensure it meets proper specifications for this installation. Replace the wiring if necessary. |
| Termination enabled on more than one unit (on multi-unit systems) | Check the communication termination resistors (dip switch SW-5) on each analyzer in the daisy-chain. This switch is located on the front of the Sensor board. Only the dip switch on the last analyzer (farthest from the AMEVision Display Unit should be Enabled. Ensure all others are Disabled. |
| Termination not enabled (on multi-unit systems) | |
| Maximum distance be- tween devices exceeded | If the distance between the AMEVision Display Unit and the analyzer (furthest analyzer in a daisy-chain configuration) is close to exceeding, or does exceed, the maximum required distance (1219.2 meters/4000 ft), the devices may need to be moved closer together. |
Remove AC power from the analyzer and allow it to cool for at least 90 minutes before performing any maintenance or troubleshooting activities.
Always use gloves when working on the analyzer.
This chapter describes analyzer System Status and Error (Alarm / Warning) messages. It also provides troubleshooting assistance. System Status and Error messages scroll on the bottom line of the AMEVision Display Unit at three-second intervals until the condition is corrected or has ended. These System and Error messages are listed in this chapter alphabetically to make them easier to locate.
The operations in this chapter should be performed only by qualified service personnel experienced in electrical safety techniques.
Aftermarket Excellence and Long-Term Commitment to Safety and Quality
Safety is a core value at AMETEK Process Instruments and is our primary consideration in every decision. We believe all accidents, injuries, and occupational illnesses are preventable. We adhere to the highest design and safety standards with a full understanding of the process and site installation so that our customers, channel partners, employees, and communities are safe from potential hazards. AMETEK Process Instruments designs, tests, and selects components that are meant to work safely and properly together. Sourcing substitute parts from unauthorized dealers carry significant risk, especially in safety-sensitive environments.
We understand the importance of maintaining your budget and keeping costs low. At AMETEK Process Instruments, we pride ourselves in the value we add to your organization by providing you with Best in Class analyzers, genuine parts, engineered solutions, and World-Class global support that provide valuable OPEX cost savings by maximizing uptime. Safety incidents, unplanned releases, unplanned down situations, and running analyzers to failure come at a much higher cost.
Our customer commitment continues well beyond the start-up and commissioning of analyzers. Together with our channel partners, WE ARE ONE Aftermarket team of factory-trained personnel here to support our customers’ needs globally, on site, or remotely with virtual tools – for the entire product life cycle. Moreover, we offer a wide variety of customized services and service plans to meet their needs.
From pre-commissioning to end-user handoff, service training, pre-RATA checks, turnaround support, in-house repair, expedited support, web-to-case support, and extended remote support sessions we are here to support. Please contact us if you need help identifying your local channel partner for support.
Our Aftermarket team also offers consultative service plans which are fully customized for the process needs of the individual site. Service plans establish a preventative maintenance routine and/or training program that is designed to deliver optimal results by maximizing analyzer uptime and controlling maintenance costs. We are fully committed to being our customers’ preferred partner in helping them achieve their goals.
Requesting Technical Support
To request service support, a call back, or product information we encourage you to use our Web-to-Case online tool, sowe are instantly aware of your request no matter the ime zone or day of the week. To do this, follow the link below. https://www.ametekpi.com/customersupport/requestsupport To request training, visit our main Customer Support page and choose Analyzer Training.
Requesting Authorization to Return Equipment
Before returning equipment for repair, please obtain a Return Material authorization. To do this, follow the link below or click the Return Authorization link on our main Customer Support page. Complete the form and click Submit. https://www.ametekpi.com/customersupport/return-authorization
Spare Parts Lists
WDG-V UOP Analyzer Spare Parts
| Description | AMETEK Part No. | Figure |
| Assy, Furnace, WDG-V UOP, 120 VAC | 7001-986-SE | 3-4 |
| Assy, Furnace, WDG-V UOP, 240 VAC | 7002-005-SE | 3-4 |
| Kit, WDG-V Replacement Thermocouple for 02 Cell Furnace | 7000-839-TE | 3-2 |
| RTD Flow Switch, WDG-V UOP | 72684SE | 3-3 |
| Cell 0-Ring Metal | 420051E | 3-1 |
| UOP Zirconia Cell | 7002-004-KE | 3-1 |
| Flashback Assy, 1″ Element | 704875E | — |
| Kit, Flame Arrester Convection Loop w/Nut and Ferrules (short tube for use with flame arresters) | 7001-225-TE | — |
| Cell Clip Assembly – Inside | 72329SE | 3-1 |
| Cell Clip Assembly – Outside | 72328SE | 3-1 |
| Kit, WDG-V Replacement 240 VAC Heater Coil and Push Nut | 7000-841-TE | — |
| RTD – Box Temp Control – 100 Ohm (02 Only) | 253841E | 3-5.1 |
| Threaded Exhaust Tube | 70619KE | 2-1.1 |
| Sample Probe | by serial number | 2-1.1 |
| Cell Housing (Inconel) | 70597SE | 3-1 |
| Cell Housing (Hastelloy C) | 70678SE | 3-1 |
| Aspirator Block (Stainless Steel) | 75494SE | 2-4.1 |
| Aspirator Block (Hastelloy C) | 75495SE | 2-4.1 |
| Sensor Board and Mounting Plate | 7002-166-SE | 3-6 |
| Box Cartridge Heater | 110801E | 3-5.1 |
| Kit, WDG-V Replacement 120 VAC Heater Coil and Push Nut | 7000-840-TE | 3-5.2 |
Remote Calibration Unit (RCU) Parts
| Description | AMETEK Part No. | Figure |
| 0-60 PSI External Air Regulator | 390041E | 2-5.2 |
| 0-60 Regulator Gauge | 370181E | 2-5.1 |
| Aspirator Air Solenoid Valve (normally open) | 36090JE | 2-5.2 |
| Calibration Gas Solenoid Valve (normally closed) | 360881E | 2-5.2 |
| Flow Meter | 37020JE | 2-5.2 |
| 0-15 PSI Internal Regulator | 370701E | 2-5.2 |
Diagnostics Flowcharts
This section shows you how to check different analyzer areas for possible problems. See the “Alarm and Warning Messages” section for assistance on corrective action to perform based on the Alarm or Warning message displayed. If you don’t see an Alarm or Warning message, but your readings appear to be inaccurate, check for sample system plugs (see “Plugged Plumbing Check” later in this chapter, and check the Diagnostic Flowcharts below.
AMETEK recommends monitoring the Thermocouple millivolts and Cell millivolts be displayed during troubleshooting as a troubleshooting aid. This information will be helpful should you need to contact the factory for assistance. Be sure to always include your analyzer model and serial number when contacting AMETEK for technical support. Diagnostic checks are discussed in the following pages:
Use care when working on the analyzer. Turn off power, allow the unit to cool, and wear gloves.
Thermocouple Checks
| Possible Cause | Corrective Action |
| Open Thermocouple | Remove power to the analyzer. Measure across terminals +TCon the Sensor board with an ohm meter. If an open is measured, replace the thermocouple. |
| Shorted/Failed Thermo- couple | Check that the thermocouple leads are not shorted to chassis ground by using an Ohm meter to measure between terminal TC+ on the Sensor board and chassis ground, and between terminal TC- on the Sensor board and chassis ground. If shorted, replace the thermocouple. To verify the operation of the thermocouple itself, remove the thermocouple from the analyzer and heat its ceramic tip to a known temperature. Measure the millivolt output with a proper temperature indicating meter (Type K Thermocouple). If the thermocouple reads inaccurately, replace it. |
| Reversed Thermocouple Wires | First, view the Cell temperature via the Home screen or Diagnostic screen. If the thermocouple leads are reversed, the displayed temperature will be decreasing as the analyzer warms up (this will usually happen at start-up or after you replace a thermocouple). This indicates that the thermocouple wiring is reversed. If you just replaced a thermocouple, check the leads from the thermocouple to the Sensor board: yellow wire connects to terminal TC (+), red wire connects to terminal TC (-). |
Calibration/Aspirator Air Setup Checks
If performing a manual calibration, wait for the reading to stabilize on the display before switching to the next calibration gas.
CalibrationCal Gas Values
| Possible Cause | Corrective Action |
| Calibration Gas Check | To check calibration gas values: From the Calibration Gas Values screen (AMEVision User Interface), check the Calibration gas values entered to ensure they match the analyzed concentration of the cylinders. •Check that the correct calibration gas values have been entered into the analyzer. •Check that the calibration gas cylinders are turned on and are not empty. •Check for the proper flow rate and proper delivery pressure of calibration gases when the remote calibration unit has been activated (see the Inject Gas Diagnostic option in the AMEVision Display User Interface Installation and User Manual for more information.). |
| Calibration Line Check | The best calibration gas to use for this check is an 02 zero calibration gas. Ensure that your calibration line is not contaminated with such things as pipe dope, cutting fluid, oil, or solvents. All these contaminants produce hydrocarbon vapors that interfere with the proper calibration of your analyzer, resulting in lower-than-expected oxygen readings. To test for contaminated lines, you must temporarily bypass your current calibration line with a clean calibration line (directly from cylinder to the analyzer calibration inlet port, using a flow meter to set the proper flow) and compare the response with that from the possibly contaminated line. |
| Remote Calibration Unit (RCU) Problem | The RCU contains one normally open solenoid-the aspirator air solenoid. All other solenoids are normally closed. Problems with the RCU are usually as follows: Plumbing Leak: To check for plumbing leaks, disconnect power from the RCU and pressurize the inlets. Apply a leak detecting liquid along the base of the solenoids and any plumbing fittings. Repair any leaks found. Solenoid Not Energizing: The solenoid drive signal is a 12 VDC signal. This is used to close the aspirator solenoid and open the appropriate calibration gas solenoid. To test a solenoid valve, select Inject Cal Gas from the Calibrate menu to energize that solenoid. Verify that the solenoid drive signal is present. The aspirator air solenoid is closed when the drive signal is applied. Other solenoids are open when the drive signal is applied (Cal Gas flowing). With the drive signal present, verify the proper flow. If no signal is present, check the interconnecting wiring between the control unit and the RCU. If wiring is correct, replace the Sensor board. If the solenoid drive signal is present, it indicates a problem with one of the solenoid valves. Replace the solenoid valve, being sure that the solenoid o-ring seals are properly positioned. |
| Possible Cause | Corrective Action |
| Calibration gas solenoid stuck open: | |
| To check if a calibration gas solenoid is stuck open, verify that no drive signal is present and check for flow on the RCU flow meter. | |
| If flow is indicated when no solenoids are energized, a solenoid is stuck open. Shut off your calibration gases (one at a time) until the flow drops to zero. This identifies the defective solenoid valve (replace the solenoid valve, being sure that the solenoid o-ring seals are properly positioned). | |
| Calibration Gas Time Inadequate: | |
| If you are having problems running an auto calibration, you may not have allowed the calibration gases enough time to flow through the analyzer and stabilize. To correct this problem, select | |
| Inject Cal Gas from the Diagnostic menu. | |
| Turn on each calibration gas and determine how long it takes for each gas to stabilize on the control unit display.Then add a one minute buffer to each of these times. Also make sure the cylinder regulators are set to the correct pressure. See the Flow Section of the System Interconnect Drawing for the system flow and pressure requirements. This drawing is included with your installation package. | |
| Select Cal Gas Duration from the Calibration menu to set calibration gas times. |
AC Power Checks
| Possible Cause | Corrective Action |
| Loss/Inadequate AC Volt- age to the Analyzer | Measure the AC voltage to the Sensor board at terminals L and N. Ensure that this voltage is sufficient. Check the measurement technique used by the Volt meter (for example, RMS, aver- |
| age, peak, etc.). Specifications are based on RMS measurements. |
Furnace Checks
| Possible Cause | Corrective Action |
| opu’l KIM IC. | Disconnect power to the control unit and the analyzer. With Ohm meter, measure across Terminals FURN on the connector. At room temperature, the resistance should be: |
| 115 VAC furnace coil: 49 ohms | |
| 230 VAC furnace coil: 177 ohms | |
| If the furnace resistance is open, replace the furnace. | |
| Loss of AC Power to the Furnace | Verify the correct line voltage at L and N of the Sensor board. |
| With line voltage present, check the voltage at terminals FURN on the Sensor board. If voltage is present and the system is not heating, remove power and check the furnace resistance. If no voltage is present at terminals FURN on the Sensor board replace the Sensor board. |
Process Pressure Checks (only if above 2 PSIG)
| Possible Cause | Corrective Action |
| Process Pressure set incorrectly | To check that you entered the process pressure correctly, select Process Pressure from the Configuration menu. Also ensure that the calibration process pressure equals normal operating process pressure. Calibration should only be performed under these conditions for highest accuracy. |
Cell Checks
| Possible Cause | Corrective Action |
| If the Cell fails when you first begin to use the analyzer: | It is likely that there is a leak in the analyzer plumbing or an improper calibration gas setup, and there is not a problem with the Cell itself (see the”Leak Check” section later in this chapter for help on how to check for leaks; see the”Calibration/Aspirator Air Setup Checks” section earlier in this chapter for help on checking your calibration gas setup). |
| If the analyzer has been operating for some time and you feel the oxygen reading is inaccurate: | First check by running a known calibration gas to verify the analyzer’s response. If the analyzer responds to the calibration gas correctly, it indicates either leaking or plugged plumbing. |
| If your analyzer doesn’t respond properly to the calibration gas: | This may indicate a problem with the Cell. Before replacing the Cell, check for leaks or plugged plumbing. |
Maintenance
Cleaning and Replacing Parts
The following sections discuss main analyzer components that can be cleaned or have their parts replaced.
Cleaning and Replacing Parts in the Measuring Cell
Disconnect power from the analyzer and control unit and allow it to cool before replacing its parts.
To clean and replace parts in the Measuring Cell (Figure 3-1):
- Open the analyzer cover to expose analyzer components.
- Close the isolation valves on the inlet and outlet of the process. Shutoff levers should be in the vertical position.
- Remove the Cell clips while holding the top of the Cell housing with a backup wrench, loosen the lower hex nut (not the top hex nut), then remove the entire Cell assembly. (See the *note in Figure 3-1).
Loosening the Cell may require an exceptional amount of torque. - If cleaning the Cell, wash with water or alcohol. Dry the Cell thoroughly before reinstalling. Always use a new Cell o-ring. If
replacing the Cell, discard the old Cell and Cell o-ring and retrieve the new Cell with supplied Cell o-ring. Avoid touching the bare Cell. Instead, hold the Cell by one of its hex nuts. - Place the Cell o-ring on the base of the Cell as shown in Figure 3-1.
- Insert the new Cell into the Cell housing. Do not touch the bare Cell when reinserting. Tighten the Cell into the Cell housing using the lower hex nut (the upper hex nut is pre-tightened at the factory). The Cell o-ring provides a seal for the system. Ensure the o-ring is properly aligned in its o-ring groove and apply even pressure when ightening the Cell.

Figure 3-1.
Cell disassembly.
Replacing the Thermocouple
The tip of the thermocouple is positioned in the furnace so that it is near, but not touching, the Cell Housing or the furnace heater coil.
To replace the Thermocouple:
- Open the analyzer door to expose analyzer components (Figure 3-2).
- Close the isolation valves on the inlet and the outlet of the process. The shutoff levers should be in the vertical position.
- Disconnect thermocouple wires from terminals +TC- on the Sensor board.
- Remove the two (2) speed clips from the thermocouple mounting tabs. Use needle-nose pliers to remove the clips.
- Pull the thermocouple straight down and remove it from the furnace.
- Insert the new thermocouple aligning the tab with the two posts on the bottom plate.
Take care to avoid damaging the ceramic tip while inserting the assembly. - Attach one new speed nut to each post.
- Attach the thermocouple wires to the +TC- terminals on the Sensor board (yellow wire is positive (+)).
- Perform an oxygen calibration.


Figure 3-2.
Thermocouple replacement.
Replacing the Flow Sensor
To replace the Flow Sensor (Figure 3-3):
- Open the analyzer and electronics enclosure door and expose the analyzer components and electronics.
- Close the isolations valves on the inlet and outlet of the process. Shutoff levers should be in the vertical position.
- Disconnect the RTD flow sensor wires from the Sensor board at Terminal Cact.

- Disconnect the RTD flow sensor from the J-hook by unscrewing the Swagelok nut indicated in the image below.
- Install the new RTD flow sensor into the J-hook. Make sure to properly swage the nut to avoid any leaks.
- Route the wires through the top conduit back to the electronics enclosure.
- Connect the new wires to the Cact terminals.
- Reopen the process valves and close the enclosure doors.
Replacing the Furnace
To replace the Furnace (Figure 3-4):
- Open the analyzer and expose the analyzer components.
- Close the isolation valves on the inlet and outlet of the process. Shutoff levers should be in the vertical position.
- Disconnect Cell furnace wires.
- Remove the Thermocouple assembly from the furnace.
- Remove the Cell.
- Remove the Flow Sensor.
- Loosen the Swagelok nut at the bottom of the furnace. Loosen the Swagelok nut below the flow sensor.
- Remove the Furnace assembly.
- Install the new Furnace assembly in place.
- Reinstall the Thermocouple, Flow Sensor, and Cell.
- Reconnect the wires on the Sensor board.

Replacing the Box Heater
The wiring of the box heaters depends on Line Voltage.
For 115 VAC units, the heaters should be wired in parallel.
For 230 VAC the heaters should be wired in series.
To replace the Box Heater (Figures 3-5.1, 3-5.2, and 3-5.3):
- Open the analyzer and expose the analyzer components.
- Close the isolation valves on the inlet and outlet of the process. Shutoff levers should be in the vertical position.
- Disconnect heater wires.
- Remove the Heater block from the Aspirator block.
- Remove the snap rings. Use needle-nose pliers or snap ring tool to remove the clip.

- Remove the box heater by sliding it out.
- Replace the box heater.
AMETEK recommends that you coat the heater with “WATLUBE” before installing. - Reinstall the snap rings.
- Reconnect the wires on the Sensor board.



Figure 3-5.2.
Box Heater Replacement
![]() | 115 VAC Wiring (Parallel) – Connect one wire from each of the two box heaters together into one of the HTR2 terminals. Connect the remaining two wires together into the other HTR2 terminal. |
![]() | 230 VAC Wiring (Series) – Connect one wire from box heater #1 into one of the HTR2 terminals. Then connect one of the wires from box heater #2 into the other terminal on HTR2. Connect the remaining two wires together into the terminal marked T. |
Figure 3-5.3.
Sensor board wiring.
Replacing the Sensor Board
To replace the Sensor board (Figure 3-6):
- Disconnect all wires.
- Loosen but DO NOT REMOVE the eight (8) kep nuts located on the electronics plate.
- Slide the board down to release.
- Replace the Sensor board.
- Replace and properly tighten the nuts.

Recommended Maintenance
Calibration
Check calibration and/or recalibrate the analyzer every 90 days.
Safety Considerations
Before working on the analyzer, read the entire procedure you will be performing to learn how to safely perform maintenance on and troubleshoot the WDG-V UOP Analyzer.
Before performing any maintenance, service, or troubleshooting on the analyzer, review and follow all safety information under “Personnel and Equipment Safety Information” following the Table of Contents near the beginning of this manual. This information describes procedures to follow to avoid personal injury and/or damage to the equipment. All regulatory agency and personnel safety procedures for your jurisdiction must be followed.
Personnel should be thoroughly familiar with the operation of the WDG-V UOP Analyzer before performing the maintenance and troubleshooting procedures described in this section.
Preventing leaks in the sample system is critical to proper analyzer operation. Most leaks are preventable with regular cleaning and replacement of wetted parts.
Leak check the analyzer’s sample system whenever it has been dismantled for maintenance.
Troubleshooting
Never service the analyzer unless power has been removed from the analyzer, and it has been allowed to cool for at least 90 minutes. Also, always use gloves when working on the analyzer.
General Troubleshooting
Your system may pass calibrations, yet still seem to be reading incorrect oxygen levels. If this is the case, check the following: Leak Check Leaks can lead to inaccurate readings, especially if operating under a significant pressure or vacuum.
- Check that all compression fitting and pipe thread connections are leak tight.
- Be sure that the mounting plate or mounting flange gasket on the rear of the analyzer is in place (see “Installing the Analyzer” in Chapter 2 for details on the placement of the gasket).
Sniffing for Leaks
For processes under vacuum you can check for leaks by sniffing the fittings with another gas (for example, nitrogen or pure oxygen), being sure to avoid the area over the top of the Cell.
- Use a piece of Tygon or plastic tubing with a 1/8″ stainless steel nozzle to apply the gas from a cylinder (using stainless steel prevents any problems that might occur with plastic melting the nozzle on hot analyzer compo- nents).
- Monitor the response from the Cell. When the Cell millivolt reading changes, it indicates a leak in that area of the plumbing (the vacuum of the process pulls in the gas).
- If not convenient to view the AMEVision Display Unit, you can also apply a voltmeter to the Cell terminals on the Sensor board labeled (+O2-) to see if the Cell millivolts change, indicating a leak.
Pressurizing for Leaks
- Remove the analyzer from the process (after allowing analyzer to cool) and pressurize it with 5 lb of air, plugging any exiting ports, the inlet probe, and exhaust tube holes. Then go over the analyzer fittings with a leak detector fluid.
- If you see bubbles, it indicates a leak. If using this method be sure to prevent the liquid from reaching the furnace. If the furnace does get wet, allow it sufficient time to thoroughly dry.
Plugged Plumbing Check
Exercise care when working on the analyzer. Allow the unit to cool and wear gloves.
- Examine the inlet and exhaust for plugging problems. When possible, rod out the probe and exhaust.
- If this doesn’t solve the problem, disassemble the analyzer to locate the plug. Clean the plumbing using hot water and a bottle brush.
- When assembly is complete, check for leaks using a leak detecting liquid.
Alarm and Warning Messages
This section lists the Error (Alarm / Warning) messages that can be triggered by the system, to alert you to potential or impending problems with the analyzer. Descriptions of the Alarms and Warnings, along with possible trigger conditions, and corrective action to take to correct the Error, are also included.
Alarms
Alarm Condition / Description / Corrective Action
Cell T/C Failure
The Thermocouple is not connected or is open.
Trigger Conditions:
- Faulty Thermocouple connection.
- Faulty Thermocouple.
Corrective Action:
Take appropriate safety precautions, open the Analyzer door, and: - Check the Thermocouple wiring for proper connections and inspect it for damage (cuts, nicks, burn marks, etc.).
- Check the Thermocouple for a short or open circuit. Replace the Thermocouple if necessary. Contact AMETEK to verify operation before removing the Thermocouple.
Cold Junction Compensator Failure
The PCB temperature sensor has failed.
Trigger Conditions:
- This can be caused by faulty electronics.
Corrective Action:
Take appropriate safety precautions, open the Analyzer door, and: - Check the associated cables for proper connections and inspect them for damage (cuts, nicks, burn marks, etc.).
- Test the PCB temperature sensor for proper operation. Use a multimeter to measure the resistance of the Temperature Sensor and to test for an open circuit.
After this check has been made, cycle the analyzer AC power Off-On; this will reset the analyzer and may clear any problems with the PCB.
Alarm Condition / Description / Corrective Action
Cell Temperature Control
A critical over-temperature condition has occurred.
Trigger Conditions:
- Shorted, open, or faulty Thermocouple.
- Failed Temperature Control Circuit.
Corrective Action:
Take appropriate safety precautions, open the Analyzer door, and: - Check the associated cables for proper connections and inspect them for damage (cuts, nicks, burn marks, etc.).
- Check the Thermocouple for a short or open circuit. Replace the Thermocouple if necessary. Contact AMETEK
to verify operation before removing the Thermocouple.
After this check has been made, cycle the analyzer AC power Off-On; this will reset the analyzer and clear this alarm.
Cell Over Temp
Cell temperature is 4 degrees or higher above the setpoint.
Trigger Conditions:
- Faulty Thermocouple.
- Failed Temperature Control Circuit.
Corrective Action:
Take appropriate safety precautions, open the Analyzer door, and: - Check the associated cables for proper connections and inspect them for damage (cuts, nicks, burn marks, etc.).
- Check the Cell Thermocouple for a short or open circuit. Replace the Thermocouple if necessary. Contact AMETEK to verify operation before removing the Thermocouple.
Cell Under Temp
Cell temperature is 4 degrees or lower below the setpoint.
Trigger Conditions:
- This condition may be triggered upon analyzer power-up while the Cell is warming up to its normal operating
temperature, but will clear after the Cell has properly warmed up to its normal operating temperature. - Faulty Heater connection.
- Faulty Thermocouple connection.
- Faulty Heater.
- Faulty Thermocouple.
- Failed Temperature Control Circuit.
Corrective Action:
Take appropriate safety precautions, open the Analyzer door, and: - Check the Heater and Thermocouple cables for proper connections and inspect them for damage (cuts, nicks, burn marks, etc.).
- Check the Cell Thermocouple for a short or open circuit. Replace the Thermocouple if necessary.
Contact AMETEK to verify operation before removing the Thermocouple. - Check the Heater for a short or open circuit. Replace the Heater if necessary. Contact AMETEK to verify operation before removing the Heater.
Alarm Condition / Description / Corrective Action
Cell Temp Rise Failure
Cell heater failed to heat the Cell.
Trigger Conditions:
- Faulty Cell Furnace Heater connection.
- Faulty Thermocouple connection.
- Faulty Cell Furnace Heater.
- Shorted Thermocouple.
Corrective Action:
Take appropriate safety precautions, open the Analyzer door, and:
- Check the associated cables for proper connections and inspect them for damage (cuts, nicks, burn marks,
etc.). - Check the Thermocouple for a short or open circuit. Replace the Thermocouple if necessary. Contact AMETEK to verify operation before removing the Thermocouple.
After this check has been made, cycle the analyzer AC power Off-On; this will reset the analyzer and clear this alarm.
Over-Temp Relay Tripped
The Cell over-temperature relay has tripped.
Trigger Conditions:
- Over-temperature condition.
- Open Thermocouple.
- Failed Temperature Control Circuit.
Corrective Action:
From the AMEVision User Interface or PC Configurator Software: - Check the Cell Temp reading to verify if the Cell temperature is above its setpoint. Take appropriate safety precautions, open the Analyzer door, and:
- Check the Thermocouple for an open circuit. Replace the Thermocouple if necessary. Contact AMETEK to verify operation before removing the Thermocouple.
After this check has been made, cycle the analyzer AC power Off-On; this will reset the analyzer and clear this alarm.
RTD Failure
The Box Temp RTD Failed.
Trigger Conditions:
- Faulty RTD.
Corrective Action:
Take appropriate safety precautions, open the Analyzer door, and: - Check the Box Temperature RTD wiring for proper connection and inspect it for damage (cuts, nicks, burn marks, etc.).
- Check the Box Temperature RTD for a short or open circuit. Replace the RTD if necessary. Contact AMETEK to verify operation before removing the RTD.
Alarm Condition / Description / Corrective Action
Box Temp High
Box temperature is 4 degrees or higher above the setpoint.
Trigger Conditions:
- Failed Temperature Control Circuit.
Corrective Action:
Take appropriate safety precautions, open the Analyzer door, and: - Check the associated cables/wiring for proper connections and inspect them for damage (cuts, nicks, burn marks, etc.).
- Check the associated components for proper operation and replace faulty parts if necessary. Contact AMETEK to verify operation before removing and replacing parts.
Box Temp Low
Box temperature is 4 degrees or lower below the setpoint.
Trigger Conditions:
- This condition may be triggered upon analyzer power-up while the analyzer is warming up to its normal operating temperature, but will clear after the analyzer has properly
warmed up to its normal operating temperature. - Faulty Heater connection.
- Faulty RTD connection.
- Faulty Heater.
- Faulty RTD.
- Low power. Corrective Action: Take appropriate safety precautions, open the Analyzer door, and:
- Check the Box Heater and Box Temperature RTD wiring for proper connections and inspect them for damage (cuts, nicks, burn marks, etc.).
- Check the Box Temperature RTD for a short or open circuit. Replace the RTD if necessary. Contact AMETEK to verify the operation before removing the RTD.
- Check the Box Heater for proper operation. Replace the Heater if necessary. Contact AMETEK to verify the operation before removing the RTD.
- Check the AC mains power to ensure adequate power is being supplied.
Alarm Condition / Description / Corrective Action
Box Temp Rise Failure
Box temperature failed to heat.
Trigger Conditions:
- This condition may be triggered upon analyzer power-up while the Box temperature is warming up to its normal operating temperature, but will clear after the Cell has properly warmed up to its normal operating temperature.
- Faulty Box Heater connection.
- Faulty RTD connection.
- Faulty Box Heater.
- Faulty RTD.
Corrective Action:
Take appropriate safety precautions, open the Analyzer door, and: - Check the Box Heater and Box Temperature RTD wiring for proper connections and inspect them for damage (cuts, nicks, burn marks, etc.).
- Check the Box Temperature RTD for a faulty circuit. Replace the RTD if necessary. Contact AMETEK to verify operation before removing the RTD.
- Check the Box Heater for proper operation. Replace the Heater if necessary. Contact AMETEK to verify operation before removing the RTD. Low Sample Flow
Low sample flow detected.
Trigger Conditions:
- This condition may be triggered upon analyzer power-up while the analyzer is warming up, but will clear after the analyzer has properly warmed up to its normal operating temperature.
- Loss of Aspirator Air.
- Plugged Inlet Probe.
- Plugged Sample System.
Corrective Action: - Check the Aspirator Air line for damage.
- Check the Aspirator Air supply to ensure it is adequate. Take appropriate safety precautions, power down the Analyzer, and:
- Check the Sample System and Inlet Probe for plugging problems. Refer to the section “Plugged Plumbing Check” for information on how to check for plugging problems.
Alarm Condition / Description / Corrective Action
Cell Failure (Open)
Cell resistance exceeds the normal limit.
Trigger Conditions:
- Open Cell connection.
- Faulty Cell.
Corrective Action:
Take appropriate safety precautions, open the Analyzer door, and: - Check the Cell for an open cell.
- Check the Cell for proper operation. Replace the Cell if necessary. Contact AMETEK to verify operation before removing the Cell. Cell Mv Mismatch The Cell mv measurement does not match the real-timeCell measurement. Trigger Conditions:
- Faulty A/D circuit.
Corrective Action:
Take appropriate safety precautions, open the Analyzer door, and: - Check the A/D circuit for proper operation. This could indicate faulty electronics. Analog Output 1 Error
The analog output measurement does not match the setting. Trigger Conditions: - Open 4–20 mA loop.
- Failed or faulty read-back circuit.
Corrective Action:
Take appropriate safety precautions, open the Analyzer door, and: - Check the 4–20 mA loop for an open circuit.
- Check for a failed analog output.
- Check for a failed or faulty read-back circuit. Flow Sensor Failure The Flow Sensor failed (open).
Trigger Conditions: - Faulty Flow Sensor.
- Faulty Flow Sensor circuit.
Corrective Action: Take appropriate safety precautions, open the Analyzer door, and: - Check the Flow Sensor for proper operation.
- Check the Flow Sensor for a faulty circuit.
Alarm Condition / Description / Corrective Action
Cell T/C Measurement Mismatch
The redundant temperature measurement does not match the real-time Thermocouple measurement.
Trigger Conditions:
- Faulty Thermocouple.
- Faulty Thermocouple circuit.
Corrective Action:
Take appropriate safety precautions, open the Analyzer door, and: - Check the Thermocouple wiring for proper connections and inspect it for damage (cuts, nicks, burn marks, etc.).
- Check the Thermocouple for proper operation.
- Check the Thermocouple circuit. Replace the Thermocouple if necessary. Contact AMETEK to verify operation before removing the Thermocouple.
Warnings
Alarm Condition / Description / Corrective Action Cell Life Nearing Its End
The ZrO2 Cell is nearing its end of life. This is based on calibration history.
Trigger Conditions:
- Low Cell output.
Corrective Action:
Take appropriate safety precautions, open the Analyzer door, and: - Replace the ZrO2
Cell. Contact AMETEK to verify operation and to order a new Cell.
High Cell Mv
The combustible measurement is no longer valid (set to full-scale)
due to lack of O2
. Trigger Conditions: - Hydrocarbon upset.
Corrective Action: - Check to determine if there has been a Hydrocarbon upset in the plant.
Analog Output 1 Out Of Range
The analog output value is saturated (high or low).
Trigger Conditions: - Incorrect range setting.
Corrective Action:
From the AMEVision User Interface or PC Configurator Software: - Check the range configured for Analog Output 1. Change it to the required range if necessary.
Analog Output 2 Out Of Range
The analog output value is saturated (high or low).
Trigger Conditions: - Incorrect range setting.
Corrective Action:
From the AMEVision User Interface or PC Configurator Software: - Check the range configured for Analog Output 2. Change it to the required range if necessary.
Alarm Condition / Description / Corrective Action
Analog Output 3 Out Of Range
The analog output value is saturated (high or low).
Trigger Conditions:
- Incorrect range setting.
Corrective Action:
From the AMEVision User Interface or PC Configurator Software: - Check the range configured for Analog Output 3. Change it to the required range if necessary.
Last O2 Span Calibration Failed The last oxygen Span calibration failed.
Trigger Conditions: - Span Calibration gas tank is empty.
- Elapsed Span calibration time too short.
- Faulty Calibration gas solenoid.
- Faulty O2 Cell. Corrective Action:
- Check the Span Calibration gas tank. Replace if necessary.
- Allow sufficient time to allow the Span Calibration gas to flow through the O2 Sensor and to stabilize. Refer to “Calibration/Aspirator Air Setup Checks” in this chapter for additional information.
- Check the Calibration gas solenoid for proper operation.
- Check the O2 Cell for proper operation.
Last O2 Zero Calibration Failed The last oxygen Zero calibration failed.
Trigger Conditions: - Zero Calibration gas tank is empty.
- Elapsed Zero calibration time too short.
- Faulty Calibration gas solenoid.
- Faulty O2 Cell. Corrective Action:
- Check the Zero Calibration gas tank. Replace if necessary.
- Allow sufficient time to allow the Zero Calibration gas to flow through the O2
Sensor and to stabilize. Refer to
“Calibration/Aspirator Air Setup Checks” in this chapter for additional information. - Check the Calibration gas solenoid for proper operation.
- Check the O2 Cell for proper operation.
Alarm Condition / Description / Corrective Action
Last Flow Calibration Failed
The last Flow Sensor calibration failed.
Trigger Conditions:
- Plugged Sample System.
- Faulty O2 Cell.
Corrective Action: - heck the Sample System (and Inlet Probe) for plugging problems. Refer to the section “Plugged Plumbing
Check” for information on how to check for plugging problems. - Check the O2 Cell for proper operation.
Oxygen Calibration Required O2 Calibration is required.
Trigger Conditions: - Last Calibration failed.
- The unit has never been calibrated.
Corrective Action: - Restart the Calibration and allow sufficient time for it to complete its cycle.
Specifications
Specifications included in this chapter are typical for the ranges listed.
For custom ranges/applications refer to accompanying Manual Supplements shipped with the analyzer, or consult with your AMETEK representative.
WDG-V UOP Analyzer Specifications
| Specification | Description |
| Principle of Operation | Close-coupled nitrogen-aspirated oxygen (0,) analyzer using zirconium oxide for net 0, measurement |
| Output Range | From 0-1 % to 0-100 % |
| Accuracy | ±0.75% of measured value or ±-0.05 %oxygen, whichever is greater |
| Response | 90 %of a process step change <30 seconds |
| Drift | <0.1 % of Cell output per month (<0.005 %0, per month with 2 %0, applied) |
| Aspirator Air Requirements | 4.72-9.4 Umin (10-20 scfh) @ at 0.35 kg/cm’ above process pressure (or within 1.05-7.04 kg/cm’ / 15-100 psig) |
| Analog Output | 3 isolated linear current outputs for oxygen. Each output can be 4-20 mA, 0-20 mA, 20-4 mA, or 20-0 mA and is fully scalable. NAMUR configurable. Hold or track during calibration. Max. load 1200 ohms. |
| Alarms | 5 independent, NO (normally open) alarms. Set relays to energize or de-energize on alarm. |
| Contact Rating | 0.5 A, 30 V, 10 VA max. non-inductive load, AC or DC |
| Digital Communication | 2-wire Modbus RTU, 57.6 KBaud |
| Configuration | Modbus RTU, AMETEK configuration software, or AMEVision User Interface. HART° option available. |
| Diagnostics | Low sample flow, Cell and Detector age tracking, Cell resistance, calibration required, analog current verification. |
| Calibration | Calibrate or verify calibration. Stored calibration and verification data. Selectable calibration gas run time and process recovery time. Timed automatic calibration with optional Remote Calibration Unit. |
| Sample Pressure | 101.28 kPa up to 413.7 kPa (14.69 psig up to 60 psig) |
| Maximum Sample Dewpoint | 200 °C (392 °F) |
| Probe Type / Length | Hastelloy C 46 cm (18″) or 69 cm (27″) |
| Environment | Ambient Temperature: -20 °C to 60 °C (-5 °F to 140 °F) Maximum Altitude: 2000 meters Relative Humidity: 10-90 %, non-condensing |
| Enclosure | Hinged IP65, NEMA 4X |
| Power Requirement | 115 VAC, -±10 %, 47-63 Hz, 740 VA max 230 VAC, ±10 %, 47-63 Hz, 740 VA max |
| Calibration Gas Requirement | Use calibration gases @ 1.4 Umin. (3.0 SCFH) 02 span gas: Air or from 1.0-100 % 02, balance N2 02 zero gases: 2 % or from 0.1-10 % 02, balance N2 |
NOTES
- All static performance characteristics are with operating variables constant.
- System accuracy referenced to 0.1–10 % calibrated range.
- Response is to calibration gas.
Remote Calibration Unit (RCU) Specifications
| Specification | Description |
| Display | 42″ color 1/4W VGA with graphical user interface, password-protected. |
| Keypad | 18-key membrane |
| Input | Two-wire Modbus RTU (19200 Baud Rate, Even Parity, 1 Stop Bit) from analyzer. Host capable of up to eight analyzers. |
| Digital Outputs | Two- or four-wire Modbus RTU, TCP/IP Ethernet with embedded web server (RJ-45 connection), USB port for data collection or software update. |
| Environment | Ambient Temperature: -18 °C to 60 °C (0 °F to 140 °F) Maximum Altitude: 2000 meters Relative Humidity: 0 to 90 %, non-condensing |
| Enclosure | UL Type 4X (NEMA 4X (IP66), Division 2 |
| Power Requirements | Nominal 115 to 230 VAC ± I 0 %, 47-63 Hz, 75 VA maximum |
Approvals and Certifications
WDG-V UOP Analyzer Directives and Standards
| IECEx | Certificate Number. IECEx ETL 19.0039X Using the following standards: IEC 60079-02017 Edition 7.0 IEC 60079-22014-07 Edition 6.0 |
| ATEX | Certificate Number. ITS19ATEX14526X Directive 2014/34/EU using the following standards: EN 60079-0: 2018 EN 60079-2: 2014 |
| General Safety US/CAN | Directive 2014/35/EU using the following standard: EN 61010-1: 2010 Edition 3.0 UL/CSA 61010-1: 2010 Edition 3.0 (cETLus) |
| EMC | Directive 2014/30/EU using the following standard: EN 61326-1: 2013 Edition 2.0 |
WDG-V UOP Analyzer Marking
WARNING–PRESSURIZED ENCLOSURE
AVERTISSEMENT–ENCEINTE PRESSURISE
THIS ENCLOSURE SHALL NOT BE OPENED UNLESS THE AREA IS KNOWN TO BE FREE OF FLAMMABLE MATERIAL OR
UNLESS DEVICES WITHIN HAVE BEEN DE-ENERGIZED.
CETTE ENCEINTE NE DOIT PAS ÊTRE OUVERTE SAUF SI VOUS SAVEZ QUE LA ZONE NE CONTIENT PAS DE MATÉRIEL
INFLAMMABLE OU SI TOUS LES APPAREILS ONT ÉTÉ ÉTIENTES.
AREA CLASSIFICATION: CLASS 1 DIVISION 2, GROUPS A, B, C AND D
PRESSURIZATION TYPE: NFPA 496 TYPE Z, Ex TYPE Z, Ex pxc IICTS Gc
TEMPERATURE CODE: T3 (180C)
INT. FREE VOLUME: 40.3L
PROTECTIVE GAS: CLEAN, DRY INSTRUMENT AIR ONLY (-20 TO 60C) 80-120 PSI (5.5-8.3 bar)
OVER PRESSURE: 0.15” H2O MIN., 0.35” H2O MAX, 3.64” H20 MAX (PURGE) MAX LEAKAGE RATES: 15 LPM
PURGE AIR STARTUP PROCEDURE: WARNING-POWER SHALL NOT BE RESTORED AFTER THE ENCLOSURE HAS BEEN OPENED UNTIL THE ENCLOSURE HAS BEEN PURGED FOR 10 MINUTES WITH THE RAPID EXCHANGE VALVE OPEN. SHUT DOWN PROCEDURE: HOT INTERNAL PARTS ARE ABOVE IGNITION TEMPERATURE OF COMBUSTIBLE GASES. POWER MUST BE REMOVED FROM BOTH THE SENSOR AND CONTROL UNIT FOR 90 MINUTES WHILE MAINTAINING ENCLOSURE PRESSURIZATION BEFORE DOOR IS OPENED, UNLESS THE AREA IS DEMONSTRATED TO BE
NON-HAZARDOUS.
CAUTION
THE OUTSIDE SURFACES OF THIS CABINET AND ALL INSIDE SURFACES MAY BE HOT ENOUGH TO CAUSE BURNS. USE PROPER PROTECTIVE EQUIPMENT WHEN SERVICING.
Remote Calibration Unit (RCU) Directives and Standards
| EMC | Directive 2004/108/EC |
| Low Voltage Directive | Directive 73/23/EEC. |
| IEC Installation | Category II |
| IEC Pollution Degree 2 | |
WDG-V UOP Series Analyzer Rating Labels


AMETEK Process Instruments delivers worldwide sales and service support through a network of direct and factory-trained global distribution channels.
AMETEK Service Assistance Program plans offer coverage up to 24 hours a day, 365 days of the year.
As worldwide experts in the manufacture of process analyzers and instrumentation, we have supplied solutions to industry since 1962, providing the widest range of analysis technology available.
Through process application consulting, we create custom-designed solutions that meet the needs of your specific application or process.

SALES, SERVICE & MANUFACTURING
USA – Pennsylvania
150 Freeport Road
Pittsburgh PA 15238
Tel: +1 412 828 9040
Fax: +1 412 826 0399
Canada – Alberta
2876 Sunridge Way NE
Calgary AB T1Y 7H9
Tel: +1 403 235 8400
Fax: +1 403 248 3550
USA – Delaware
455 Corporate Blvd.
Newark DE 19702
Tel: +1 302 456 4400
Fax: +1 302 456 4444
WORLDWIDE SALES AND SERVICE LOCATIONS
USA
Tel: +1 713 466 4900
Fax: +1 713 849 1924
Germany
Tel: +49 2159 9136 0
Fax: +49 2159 9136 39
Brazil
Tel: +55 19 2107 4100
France
Tel: +33 1 30 68 89 20
Fax: +33 1 30 68 89 99
India
Tel: +91 80 6782 3200
Fax: +91 80 6780 3232
Singapore
Tel: +65 6484 2388
Fax: +65 6481 6588
China
Beijing
Tel: +86 10 8526 2111
Fax: +86 10 8526 2141
Chengdu
Tel: +86 28 8675 8111
Fax: +86 28 8675 8141
Shanghai
Tel: +86 21 5868 5111
Fax: +86 21 5866 0969

© 2020, by AMETEK, Inc. All rights reserved. Printed in the U.S.A.
One of a family of innovative process analyzer solutions from AMETEK Process Instruments.
Specifications subject to change without notice.
ametekpi.com
When the equipment is ready to be disposed of, take it to your local or regional waste collection administration for recycling.





















