Norman 65101-11914 SmartFit and SmartFit Dual Shade

Honeycomb Shades SmartFit/SmartFit Dual Shade
The Honeycomb Shades SmartFit/SmartFit Dual Shade is a window treatment solution for your home or office. It comes in two versions – SmartFit with Rail Cover and SmartFit Dual Shade without Rail Cover. The shades are easy to install and come with all the necessary hardware.
Product Information
- Two versions available: SmartFit with Rail Cover and SmartFit Dual Shade without Rail Cover
- Easy to install
- All necessary hardware included
- Available in various sizes – order width (X) can be 50 or greater than 50
- Compatible with different mounting surfaces – wood, drywall/plaster, and metal
Product Usage Instructions
Before starting the installation process, make sure you have all the necessary tools and hardware.
- Tools needed: power drill and drill bit, measuring tape, screwdriver, level, and pencil
- Hardware needed: handle, cord equalizer housing base, L bracket (for various sizes), screws, sheet metal screws, spacer block (optional)
Installation Process
- Remove the shade from the package. Save the packaging until the shade is installed and working to your satisfaction.
- Determine the mounting surface and use the appropriate fasteners for your particular mounting surface (provided for wood, not provided for drywall/plaster and metal).
- For the outside mount, use two M3.8x38mm screws to fasten the L bracket. Once the L bracket is installed, use one M3 x 3.6mm bolt
to attach the base. Finally, align the cover with the notch of the base and push the cover in. - For the inside mount, attach the shade to the top of the window frame using the provided screws and brackets.
- Attach the handle to the cord equalizer housing base.
- For SmartFit Dual Shade without Rail Cover, attach the cord equalizer housing base to the bottom of the shade. For SmartFit with Rail Cover, just align the cord equalizer housing base with the cover and snap it in place.
- The product is now installed and ready to use.
Please refer to the user manual for more detailed instructions and illustrations.
Installation Instructions
SmartFit:

SmartFit Dual Shade:

Getting Started
Remove the shade from the package. Save the packaging until the shade is installed and working to your satisfaction.
Tools Needed:

- Power drill and drill bit
- Measuring tape
- Screwdriver
- Level
- Pencil
You will need to use the following fasteners for your particular mounting surface.
Check Components/Hardware

Hardware Standard Quantity
| Order Width (X) | X≦50″ | X>50″ |
| Handle | 2 (SmartFit) 4 (SmartFit Dual Shade) | 4 (SmartFit) 8 (SmartFit Dual Shade) |
| Cord Equalizer Housing Base(with Rail Cover) | 2 | |
| Cord Equalizer Housing Base(without Rail Cover) | 4 | |
| L Bracket (for 3/8”Single, Outside Mount) (with Rail Cover) | 2 | N/A |
| L Bracket (for 3/8”Single, Outside Mount) (without Rail Cover) | 4 | N/A |
| L Bracket for windows with marble sill (Optional) | 2 | |
| L bracket (for 3/4”Single, 1/2”Double&9/16”Single Outside Mount) (with Rail Cover) | 2 | |
| L bracket (for 3/4”Single, 1/2”Double&9/16”Single, | 8.5”<X≦40”, 4 40”<X≦52”, 5 | |
| Outside Mount) (without Rail | 52”<X≦65”, 6 | |
| Cover) | 65”<X≦72”, 7 | |
| M3.5×25mm Screw (for Base, 3/8” Single, Inside Mount) (with Rail Cover) | 8.5”<X≦ 40”, 4 40”<X≦ 50”, 5 | N/A |
| M3.5×25mm Screw (for Base, 3/8” Single, 3/4”Single, 1/2”Double&9/16”Single Inside Mount) (without Rail Cover) | 4 | |
| M3.5×25mm Screw (for | 8.5”<X≦40”, 4 40”<X≦52”, 5 52”<X≦72”, 6 | |
| Base, 3/4”Single, | ||
| 1/2”Double&9/16”Single | ||
| Inside Mount) (with Rail Cover) | ||
| 1 1/4” Screw (for Base, | 8.5”<X≦40”, 6 | |
| 1 1/4”Single & 3/4”Double, | 40”<X≦52”, 8 | |
| Inside Mount) (with Rail Cover) | 52”<X72”, 10 | |
| 1 1/4” Screw (for Base, 1 1/4”Single & 3/4”Double, Inside Mount) (without Rail Cover) | 4 | |
| Order Width (X) | X≦50″ | X>50″ |
| M3.8x38mm screw (for Outside Mount) | L bracket qty*2 | |
| Spacer Block (Optional, Outside Mount) | 1pc to extend distance 10mm 2pcs to extend distance 18mm | |
| M3x3.6mm Screw (for 3/8”Single, Outside Mount) (Without Rail Cover) | L bracket qty | |
| M3x3.6mm Screw (for 3/4”Single, 1/2”Double & 9/16”Single Outside Mount) (Without Rail Cover) | 4 | |
| M3x3.6mm Screw (for 3/8”Single, 3/4”Single, 1/2”Double & 9/16”Single Outside Mount) (With Rail Cover) |
2 | |
Bracket Installation
Notes: when installing the Cord Equalizer Hosing Cover, it is suggested to secure the bottom covers first and then unfasten the top cord to secure the top covers.
- Without Rail Cover (Only available for 3/8”Single, 1/2”Double, 9/16”Single, and 3/4” Single, not available for 1 1/4”Single & 3/4”Double)
Inside Mount
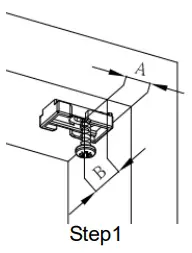
For flush mount, the minimum distance from the top/bottom wall to the Cord Equalizer Housing base side is B and A from the side wall to the edge of Base. Use M3.5×25mm Screw to secure the base. Align the cover with the notch of the base and push the cover in toward the wall.
TOP:
- For 3/8”Single, A=7/16”& B=3/8”
- For 9/16”Single, A=7/16”& B=1/2”
- For 3/4”Single & 1/2”Double, A=7/16” & B=5/8”

BOTTOM
- For 3/8”Single, A=7/16” & B=3/8”
- For 9/16”Single, A=7/16”& B=1/2”
- For 3/4”Single &1/2”Double, A=7/16”& B=5/8”

Outside Mount
TOP: Use two M3.8x38mm screws to fasten the L bracket. Once the L bracket is installed, use one M3 x 3.6mm bolt to attach base. Finally, align the cover with the notch of the base and push the cover in, as shown in “Inside Mount” illustration.
(The shade width and length is 4” larger than the window opening)
BOTTOM: Follow the directions provided for the Top L brackets, but reverse the direction.
(The shade width and length is 4” larger than the window opening) Use M3.8x38mm screws to fasten the L bracket and one M3x 3.6mm bolt to attach base on L bracket. 
For 3/4”Single, 1/2”Double &9/16”Single, when L bracket qty is more than 4pcs, please install the extra L brackets on top to attach with the magnets in the Head rail.
- Step1: place the L brackets on four corners
- Step2: if there’s one extra L bracket, measure from left Head rail end cap to middle of first magnet to locate the extra L bracket and mark on the wall
- Step3: if there’re more L brackets, measure from left Head rail end cap to middle of second / third magnet to locate the L brackets and mark on the wall

TIP: Once the hardware is in place, make sure to keep the cords pulled tight. The shade should not sag or feel loose, if it does please pull the cords taut.
With Rail Cover
Inside Mount
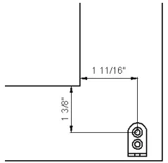
Inside Mount – for 3/8”Single Cell, 1/2” Double Cell, 9/16”Single Cell, 3/4”Single Cell, 1 1/4” Single Cell & 3/4” Double Cell. For flush mount, use M3.5×25mm Screw to secure the rail cover and the base. For3/8”Single, 9/16”Single, 3/4”Single & 1/2”Double, A=5/8” For 3/4”Double & 1 1/4”Single, A=1 1/4”
Align the cover with the notch of the base and push the cover in toward the wall as above picture.
Outside Mount
Outside Mount –for 3/8”Single Cell, 1/2”Double Cell , 9/16”Single Cell & 3/4”Single Cell (Not available for lager cell size) Use two M3.8x38mm screws to fasten the L bracket. Then, align the cover with the notch of the base and push the cover in, as shown in “Inside Mount” illustration.
TOP

BOTTOM
Use M3.8x38mm screws to fasten the L bracket and one M3x 3.6mm bolt to attach base on L bracket.
TIP: Once the hardware is in place, make sure to keep the cords pulled tight. The shade should not sag or feel loose, if it does please pull the cords taut.
Side mount L bracket for windows with marble sill (optional) Allocate a distance of B (B=5/8” for 3/8”Single &9/16”Single, B=7/8” for 3/4”Single & 1/2”Double) from bottom corner window frame and use two M3.8×38mm screws to secure the L bracket. Use one M3 x 3.6mm bolt to attach base to the L bracket (through inner screw hole)
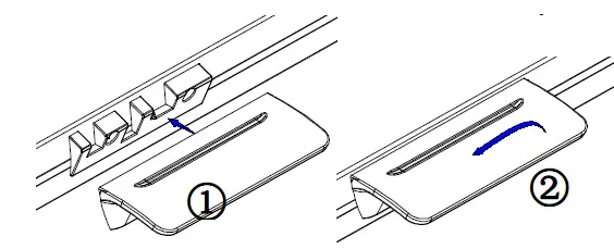
Handle Installation
For 3/8”Single
- Push the handle to snap into the pre-drilled hole.
- Slide the handle to the left to until it is fixed.

For 9/16”Single, 1/2”Double, 3/4”Single, 3/4”Double, 1 1/4”Single
- Position the handle on the handle base.
- Push the handle into the rail, and then slide the handle to the left so that it cannot move anymore.

Operate you shade

Notes
For child safety, please check and ensure that there are no loose cords after the shade is completely installed. If the shade is too loose, please retie a new knot for it. Remove bottom Cord Equalizer Housing Covers, untie the knot and make a new knot for adjustment. Please do not tie the cord too tight as it will cause too much friction.
- Please also make sure that cords are nice and tight and not tangled.

- For 3/8”Single, 9/16”Single, 3/4”Single, 1/2”Double SmartFit Dual Shade:

- For 1 1/4”Single, 3/4”Double SmartFit Dual Shade:

Cleaning
Routine cleaning will help maintain the beauty of your shade. The shade can be cleaned by using a soft brush, vacuumed with a low-suction hand-held vacuum, cleaned ultrasonically (specify that a mild solution must be used and that the headrail should never be immersed in liquid). Spot cleaning is not recommended, but if necessary, dampen a clean cloth with a solution of warm water and mild detergent to dab the spot until it’s gone (do not rub!).


























