Danfoss M-MFB15-15 Fixed Inline Piston Motor
Product Information
The M-MFB15-15 Fixed Inline Piston Motor is a high-performance hydraulic motor designed for industrial applications. It has a flow rating of 15 USgpm at 1800 RPM and can rotate in either direction.
The motor comes with a mounting kit, foot mounting bracket, valve plate assembly, cylinder block, and other necessary components for installation. It is recommended to use full flow filtration to ensure optimum performance of the motor.
Product Components
- Fixed Inline Piston Motor – M-MFB15-15
- Foot Mounting Bracket Model – M-MFB*-f**-31
- Mounting Kit – FB-B-10 (Includes Screws)
- Valve Plate S/A (Includes 12016 Bearing) – 922995
- 167237 Pin (2 req’d)
- 12016 Bearing
- 279706 Gasket
- 241954 Spring Washer
- 326181 Cylinder Block
- 1276 Screw (4 req’d) Torque to 25-35 lb. ft.
- 93509 Retaining Ring
- 245223 Lift Limiter
- 247294 Spring
- 24881 Pin (3 req’d)
- 423324 Spherical Washer
- 275961 Shoe Plate
- 227401 Screw (4 req’d)
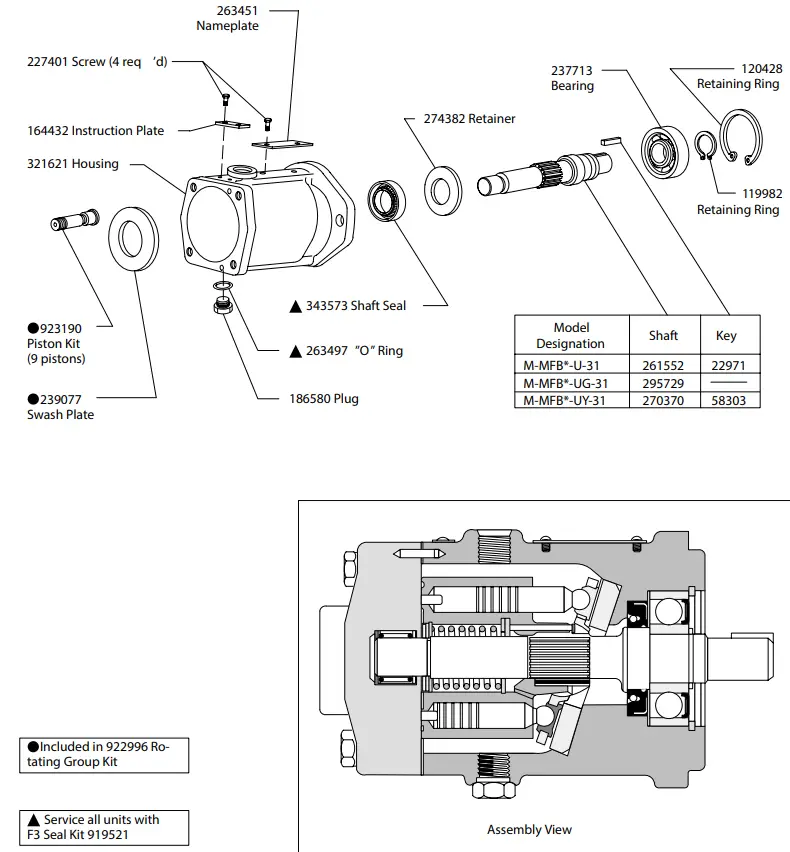
- 263451 Nameplate
- 164432 Instruction Plate
- 321621 Housing
- 274382 Retainer
- 237713 Bearing
- 120428 Retaining Ring
- 119982 Retaining Ring
- 923190 Piston Kit (9 pistons)
- 239077 Swash Plate
- 343573 Shaft Seal
- 263497 O Ring
- 186580 Plug
Recommended Filtration
For optimum performance, it is recommended to use full-flow filtration to provide fluid that meets ISO cleanliness code 20/18/15 or cleaner. Selections from Danfoss OF P, OFR, and OFRS series are recommended.
Product Usage
The M-MFB15-15 Fixed Inline Piston Motor is designed for use in industrial applications where high-performance hydraulic motors are required. Before installation, ensure that all components are included and free from damage. It is recommended to use full-flow filtration to provide fluid that meets ISO cleanliness code 20/18/15 or is cleaner for optimum performance.
Installation Instructions
- Attach the foot mounting bracket (M-MFB*-f**-31) to the motor using the mounting kit (FB-B-10), including screws.
- Install the valve plate assembly (922995), ensuring that the 12016 bearings is included.
- Install the cylinder block (326181).
- Attach the shoe plate (275961) to the cylinder block using screws (227401).
- Install the swash plate (239077) and the nine pistons included in the piston kit (923190).
- Install the lift limiter (245223), spring (247294), pin (24881), and spherical washer (423324) in the shoe plate.
- Install the retaining ring (120428) and bearing (237713) in the cylinder block.
- Install the retaining ring (119982) and O ring (263497) in the housing (321621).
- Install the plug (186580) in the housing.
- Attach the nameplate (263451) and instruction plate (164432) to the motor.
Once the motor is installed, ensure that it is properly lubricated and that all connections are tight. The motor can rotate in either direction and is suitable for a variety of industrial applications. If at any point the motor requires maintenance or repair, refer to the user manual for instructions or contact a product expert for assistance.
Parts depreciation

Model Code
- Mobile Application
- Model Series
- MFB – Motor, fxed displacement, inline piston type, B series
- Flow Rating
- @1800 RPM
- 15 – 15 USgpm
- Shaft Rotation
- U – Either direction
- Shaft Type
- Y – Standard (Keyed)
- G – Splined
- Design
- For satisfactory service life of these components in industrial applications, use full low filtration to provide which meets
- ISO cleanliness code 20/18/15 or cleaner. Selections from Danfoss OF P, OFR, and OFRS series are recommended.
Products we offer
- Cartridge valves
- DCV directional control valves
- Electric converters
- Electric machines
- Electric motors
- Gear motors
- Gear pumps
- Hydraulic integrated circuits (HICs)
- Hydrostatic motors
- Hydrostatic pumps
- Orbital motors
- PLUS+1® controllers
- PLUS+1® displays
- PLUS+1® joysticks and pedals
- PLUS+1® operator interfaces
- PLUS+1® sensors
- PLUS+1® software
- PLUS+1® software services, support, and training
- Position controls and sensors
- PVG proportional valves
- Steering components and systems
- Telematics
- Danfoss Power Solutions is a global manufacturer and supplier of high-quality hydraulic and electric components.
- We specialize in providing state-of-the-art technology and solutions that excel in the harsh operating conditions of the mobile on-highway market as well as the marine sector. Building on our extensive application expertise, we work closely with you to ensure exceptional performance for a broad range of applications. We help you and other customers around the world speed up system development, reduce costs, and bring vehicles and vessels to market faster.
- Danfoss Power Solutions – your strongest partner in mobile hydraulics and mobile electrification.
Go to www.danfoss.com for further product information.
- We offer you expert worldwide support for ensuring the best possible solutions for outstanding performance. And with an extensive network of Global Service Partners, we also provide you with comprehensive global service for all of our components.
- Hydro-Gear
- www.hydro-gear.com
- Daikin-Sauer-Danfoss
- www.daikin-sauer-danfoss.com
Local address:
- Danfoss
- Power Solutions (US) Company
- 2800 East 13th Street
- Ames, IA 50010, USA
- Phone: +1 515 239 6000
- Danfoss Power Solutions Trading
- (Shanghai) Co., Ltd.
- Building #22, No. 1000 Jin Hai Rd
- Jin Qiao, Pudong New District
- Shanghai, China 201206
- Phone: +86 21 2080 6201
- Danfoss can accept no responsibility for possible errors in catalogs, brochures, and other printed material. Danfoss reserves the right to alter its products without notice. This also applies to products already on order provided that such alterations can be made without subsequent changes being necessary for specifications already agreed upon.
- All trademarks in this material are the property of the respective companies. Danfoss and the Danfos logotype are trademarks of Danfoss A/S. All rights reserved.
- Danfoss March 2023
























