Roland Block Diagram V-160HD Instructions

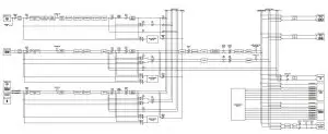
V-160HD Block Diagram
VIDEO

Audio

Read More About This Manual & Download PDF:

VIDEO

Audio

Read More About This Manual & Download PDF:
Download manual
Here you can download full pdf version of manual, it may contain additional safety instructions, warranty information, FCC rules, etc.