
KENT MULTIPLE PURIFICATION BY RO + UV + UF + TDS CONTROL & UV DISINFECTION IN STORAGE TANK Instructions




Marketed by:
KENT RO SYSTEMS LTD.
E-6, 7 & 8, Sector-59, Noida, U.P.-201 309, India.
E-mail: [email protected] | Website: www.kent.co.in
Manufactured by:
KENT RO SYSTEMS LTD.
1) Khasra No. 93, Village-Bantakhedi, Tehsil-Roorkee,
District-Haridwar, Uttarakhand-247 668, India.
2) A-6, Sector-87, Noida-201 305, U.P., India.
For customer complaints, contact our Customer Care Officer at:
E-6, 7 & 8, Sector-59, Noida, U.P.-201 309, India. Call: 92-789-12345
E-mail: [email protected] or visit us at www.kent.co.in

Welcome to KENT
Dear Customer,
At the outset, allow us to thank you for your trust in KENT water purifier. We take pride in our reputation for product quality and industry proven performance. We are certain that your decision to own KENT Ace Star Mineral ROTM Water Purifier will go a long way towards keeping you and your family in good health. We are confident that you will be satisfied with its performance and that it will serve your need for safer and cleaner drinking water without any compromise.
This guide will help you in getting the best out of your water purifier. Please go through this booklet to familiarise yourself with its operation and maintenance.
You can look forward to years of trouble-free service. To ensure that the warranty of your water purifier is effective, it is important that you fill up the enclosed warranty card and mail us the installation report within 15 days of purchase. In case you need any further information, contact your nearest KENT dealer or branch.
Best Wishes,
KENT RO SYSTEMS LTD.
KENT TECHNOLOGY – A Breakthrough in Water Purification*
Presenting the KENT Ace Star Mineral RO™ Smart RO Water Purifier. It uses futuristic and
state-of-the-art technology to provide purer and healthier drinking water.
At the heart of the KENT Ace Star Mineral RO™ Water Purifier is a Reverse Osmosis membrane having capillaries as small as 0.0001 microns, which reduce dissolved impurities (salts and heavy metals) and convert hard water to sweet and pure drinking water. With a patented mineral retention system, the KENT ACE STAR Mineral RO™ Water Purifier allows the user to control the Total Dissolved Solids (TDS) level in the purified water.

Salient Features of KENT Ace Star Mineral RO™ Water Purifier
- Water purifier with UV Disinfection in tank to keep purified water pure
- Purification by RO+UV+UF+TDS Control+UV in Tank makes water 100% pure
- Real time monitoring and display of purity on a digital screen
- Suitable for purification of brackish, tap water & Municipal Corporation Water Supply
- Wall mounted design; best suited for Indian homes and offices
- Fully automatic operation, with auto-on and auto-off function
- Computer controlled operation for enhanced purity and long life
- RO membrane fused inside membrane housing to prevent tampering
- Vertically mounted SMPS for protection from water
- Use of push-fit fittings for leakage and maintenance free performance
- An aesthetically appealing design
- ABS construction for corrosion free use
- Inbuilt Auto-flushing system
- 7 L storage tank with water level indicator
- High purification capacity of 20 L/hr.
Items in the Box
- KENT Ace Star Mineral ROTM Water Purifier : 1 No.
- 3-Way Connector : 1 No.
- S.S. Ball Valve : 1 No.
- Food Grade Pipe – 1/4 inch (Blue) : 2.5 m
- Food Grade Pipe – 3/8 inch (White) : 2.5 m
- Screws & Plastic Inserts : 2 Nos. each
- Sticker Center Drill : 1 No.
- User Manual : 1 No
* Tested & certified by TUV-SUD South Asia (P) Ltd.
Important Instructions



Reverse Osmosis Process
The Reverse Osmosis process, also known as hyper filtration, is the finest filtration process known till date. The process ensures the reduction of particles as small as ions from a solution. Reverse Osmosis uses a semi-permeable membrane to reduce salts from potable / brackish water. In Reverse Osmosis, water pressure applied to the concentrated side forces the process of osmosis into reverse. Under enough pressure, treated water is “squeezed” through the membrane from the concentrated side to the diluted side. Salts dissolved in water as charged ions are repelled by the RO membrane. The rejected impurities on the concentrated side of the membrane are washed away in a stream of waste water, and thus do not get accumulated as in a traditional filter

UV Process
The UV light has shorter wavelength (higher energy) than the visible light. It is called ultra-violet because it is just beyond the violet light in the light spectrum. Technically, the ultra-violet light is defined to be any wavelength of light, which is shorter than 400 nanometer.
UV rays, which penetrate into the micro-organisms, are absorbed by the DNA of the pathogen in the water. The DNA is altered in such a way that the pathogen cannot reproduce. Thus, they are essentially killed and cannot cause infection. This process of DNA modification is called inactivation.

Note: The purified water stored in the tank is disinfected using UV LED, which automatically switches on for 30 minutes in a two hour cycle.
Auto-flushing System
The purpose of the Auto-flushing system is to help prevent scaling or fouling of the RO membrane by providing a rapid rinse which washes away impurities from the membrane’s surface and keeps the membrane clean. It offers following benefits.
- Lowers rejected water outflow
- Improves “TDS” rejection rate i.e increases RO membrane efficiency
- Extends life of RO membrane
Warranty Card
Product: KENT ACE
Product Code: 11081
It is certified that KENT RO Water Purifier purchased as under w.e.f. 1st Jan. 2018 carries 1 Year Warranty + 3 Years of Free Service*. (Visit/Service charges will not be charged, however parts if replaced shall be charged)

To avail this scheme of 3 Years of Free Service, customer must download the KENT Service App at the time of installation. Also future service request must be raised via KENT Service App to avail free service. Terms & Conditions applicable are mentioned overleaf.

Marketed by: KENT RO SYSTEMS LTD.
E-6, 7 & 8, Sector-59, Noida, U.P.-201 309, India. E-mail: [email protected] | Website: www.kent.co.in | Customer Care: 92-789-12345
Terms & Conditions of Warranty
KENT warrants all new products manufactured by it to be free from defects in material and workmanship under normal usage and service from the date of purchase as under:
- It is essential for the customer to download the KENT Service App either on Android or iOS and the customer should lodge a service request via App only.
- In case of emergency during the warranty period, the customer may lodge a service request at our Call Centre Ph. 92-789-12345.
- The warranty period commences from the date of installation by the first end-user. During this warranty period of one year, KENT Purifiers or its Authorised Service Provider (ASP) will replACE STARor repair any part of KENT Purifiers, that in the opinion of KENT Purifiers or its ASP, would be defective in operation due to faulty material or workmanship (i.e. manufacturing defects) with the exception of consumables such as Sediment Filter, Carbon Filter and RO/UF Membrane. However, if the RO/UF Membrane gets clogged within first one year and/or if the filters get clogged within first six months, they shall be cleaned / repaired / replaced at no extra charge.
- In addition to this, KENT will also provide free service for a period of next 3 years, wherein Visit/Service charges will not be charged, however parts if replaced shall be charged.
- Visit/Service charges will not be charged only for customers residing within 25kms of municipal limits, for other areas additional charges shall be applicable.
- The product’s plastic body is not covered under warranty and hence, it must be handled with care to guard against breakage.
- The original purchaser of the unit can avail services under warranty at the point of sale, by producing the damaged part(s) along with the original invoice.
- This warranty is void if the unit is not operated under normal municipal water or well water conditions or is subjected to the temperature above 40°C.
- Product returned to KENT Purifiers or its ASP for warranty examination must be shipped freight prepaid.
- KENT Purifiers or its ASP shall not be held liable for claims exceeding the cost of repair of the defects in workmanship.
- This warranty agreement shall not be interpreted to render KENT Purifiers or its ASP liable for injuries or damages of any kind-direct, consequential or contingent to persons or property.
- KENT Purifiers or its ASP shall not be held
responsible by representative or buyer for failure to
abide by any of the obligations of this warranty
agreement if such failures are the result of
circumstances of Forces Majeures: such as, but not
limited to, floods, earthquakes, transportation
strikes, labour disputes with outside suppliers or
any other conditions beyond the control of KENT
Purifiers or its ASP. - KENT Purifiers or its ASP shall not be held liable for repair or alterations made without prior written approval; for products clogged by suspended matter, precipitates or biological growth; or for failures resulting from the lack of proper maintenance.
- KENT Purifiers or its ASP cannot and shall not be held liable for any sickness or illness due to the consumption of drinking water from any water purifier supplied by KENT Purifiers, since KENT Purifiers or its ASP does not have any control over the maintenance and usage of water purifier.
- This warranty agreement excludes all products/ component parts or damage to any part of this water purifier which, in the opinion of KENT Purifiers or its ASP, have been subjected to misuse; misapplication; negligence; alteration; accident or operation contrary to our instructions, incompatibility with accessories not installed by KENT Purifiers or its ASP, or that have been repaired with component parts other than those manufactured by or obtained from KENT Purifiers or its ASP. Damage caused by freezing, flood, fire or Act of God is not covered by this warranty. In all such cases regular charges will apply. This limited warranty does not include service to diagnose a claimed malfunction in this unit.
- KENT Purifiers reserves the right to alter or improve design and specifications at any time, without any contingent obligations to prospective buyers or owners of the products previously sold.
- Any disagreements and obligations based upon the purchase of KENT Purifiers products and thereby imposed on KENT Purifiers or its ASP shall be governed by and construed according to the laws of INDIA and subject to the jurisdiction of Delhi Courts only.
- KENT Purifiers or its ASP assumes no warranty liability in connection with this water purifier other than that specified herein. This warranty is in lieu of all other warranties, expressed or implied, including warranties of fitness for a particular purpose. KENT or its ASP does not authorise any person or representative to assume for them any other obligations on the sale of this water purifier.
- Under no circumstances, the liability of KENT Purifiers or its ASP shall exceed the value of the product.
- Under no circumstances are the terms mentioned above negotiable and no employee of KENT Purifiers or its ASP has the authority to supersede them.
Why is it essential to download the KENT Service Application?
- Customer can lodge a service request/complaint anytime (24×7).
- The customer can track/monitor the progress of service request/complaint.
- Complete case history of the services done can be viewed.
- Regular feedback & offer details on the App.

To download the App scan the QR code
To,
KENT RO SYSTEMS LTD.
E-6, 7 & 8, Sector-59, Noida, U.P. -201 309, India.
Ph.: 92-789-12345
E-mail: [email protected]
Website: www.kent.co.in
Installation Report

By signing on this installation report, the customer hereby agrees to the terms & conditions of warranty mentioned on the back side of the warranty card.
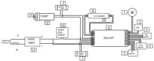
Water Flow Diagram


Electrical Circuit Diagram


ACE Star Operations
Screen Explained

- RO Flow Indicator
- Filter Life Indicator
- Power On/Off
- RO Pump On
- Tank Full
- Auto Flushing On
- Mineral Content in Purified Water
- Warning Signs
Normal Running Conditions

Under normal running conditions and without any fault, the users would be greeted with a screen as shown in figure, with Power, Tank Full, Filter Life and Water Quality Indicator On.
Since the tank is full, the RO flow rate would not be displayed.
Emptying of Tank

When water is drawn from the tank, thus emptying it, the water tank sign would turn Off, and instead RO Flow, Purification and Mineral Quality would turn On.
Depending upon the mineral contents in the water, the indicator would display Low, Good or High.
Mineral Content – Low

If the TDS level in the purified water is less than the permissible range, the indicator would be in Yellow zone i.e Low
The warning sign would be displayed as shown in the figure
Mineral Content – Good

If the TDS level in the purified water is within the permissible range, the indicator would be in Green zone i.e Good
Mineral Content – High

If the TDS level in the purified water is more the permissible range, the indicator would be in Red zone i.e High
The warning sign would be displayed as shown in the figure
No Water Input

In case of No Water Input, the warning would be displayed, as shown in the figure.
The water purifier would automatically shut off and will remain of till regular water supply is not restored.
Auto-flushing

Auto Flush sign as shown in the figure indicates that RO Membrane is getting flushed automatically
Once Auto-flushing is complete, the light would turn Off.
What to do if Mineral Content is Low or High? Call Customer Care or Login to App
*Mineral Content is displayed based on TDS levels in the purified water
UV Lamp Failure/LED Failure

If UV Lamp fails, machine will display a blinking warning signal of UV failure and an alarm with a single beep. will be audible The purifier would stop purifying water till the UV lamp is replaced.
If UV LED fails, machine will display a blinking warning signal of UV failure and an alarm with two beeps will be audible.
If the interface shows a UV failure message, switch off the purifier and call a service technician for help.
Filter Replacement

On exhaustion of filter life, ‘Replacement Filter message’ will be displayed on screen with a continuous buzzer and the purifier will stop purifying water till filters are not replaced.
If the interface shows ‘Replace Filter Message’, switch off the purifier and call a service technician for help.
Low RO Flow

Low RO flow warning sign indicates reduced capacity of RO Membrane.
All though the water purifier will continue working till the membrane failure happens, it is recommended to call the KENT Customer Care and ask for Membrane Replacement.
Computer Controlled Operation
To ensure delivery of purer and healthier water, a micro-processor is installed in the purifier that performs the following functions:-
UV Stabilization Delay: To ensure that the UV lamp is pre-heated and is working at its optimum level before it starts disinfecting water, the controller provides a two second delay to the UV lamp when the purifier is switched on. During this period, only the UV lamp is switched on and other electrical devices of the purifier are switched off.
Purification Delay: To ensure that the idle water lying in the internal pipes and in the UV chamber is disinfected before being passed into the storage tank, the system provides a 5 second delay when the purifier is switched on. During this time, the UV lamp kills all micro-organisms that may be in the water inside the UV chamber. After this delay, all other electrical devices such as the booster pump and solenoid valve are switched on to start normal purification process.
Alarm: To ensure delivery of purer water, KENT ACE Star in-built micro controller controls and senses various vital components and displays their status on the digital interface.
Automatic Operation
- The purifier automatically shuts off when the storage tank is full
- The purifier does not start if the inlet water supply pressure falls below 0.3 kg/cm²
- The purifier automatically restarts when the water level drops below the maximum
- The purifier does not allow any water rejection in absence of electricity/when tank is full
Installation Instructions
The KENT ACE Star Mineral RO™ Water Purifier is a product of advanced technology, which ensures safe and clean drinking water. The purifier is easy and convenient to install.
Recommended Site Preparations:
- Single Phase 100-250 V AC, 50-60 Hz. connection not more than 3m away from the point of installation of the purifier
- Raw water supply with ½ inch nipple not more than 3m away
- Drain for rejected water not more than 3m away
- Space as perthe dimensions of the purifier
- Wall/plane surface for mounting two screws and holding the machine
- The system and installation must comply with state and local laws & regulations
Specific Instructions:
- KENT ACE Star Mineral RO™ Water Purifier is a wall mountable purifier. Make sure that it is only mounted on a wall. Avoid installation on wooden and metallic stands
- For optimum performance and minimum inlet pressure required, ensure that the raw water supply tank is at least 10 ft. above the purifier
- It is preferable to install the purifier near a sink so that the inlet and reject water lines are easily available
Installation Procedure:

Note:
- If the wall is not straight or the screws are not properly drilled in an even position, it will damage your purifier.
- Keep the device away from heat or direct sunlight

- First fix the SS ball valve (marked as no. 4) to the 1/4 inch port of the 3-way connecter (marked as no. 2) as shown in figure 2.
- Connect the 3-way connector to the raw water supply (marked as no. 1) as shown in the figure 3. The 3-way connector is fit in line with the raw water supply.
- The other end of the 3-way connector can be connected to a tap (marked as no.3) as shown in figure or can be plugged off if not required.
Step-3
- Now connect one end of the white pipe to SS ball valve and another end to the upper push-fit elbow fitting to the left hand side of the purifier labelled as WATER IN, as shown in fig 1.
- Similarly, connect one end of the white pipe to the lower elbow fitting connector in tank labelled as REJECT WATER and leave the other end in the drain, as shown in fig 2.

Step-4
Before connecting the power supply, it is important that you perform the following functions:

- Open the SS ball valve (Handle parallel to the ball valve) to start the flow of water into the purifier, as shown in the figure.
- Wait for 2-3 minutes to ensure that the filters are soaked in water.
Step-5
- Connect the power supply.
- Installation is complete
Recommended Usage of Rejected Water
Although the rejected water has high concentration of salts, it is absolutely clean and free from impurities like chlorine, dirt, sand, etc. So do not flush down the rejected water as it can be used for gardening purpose.
TDS Adjustment*
The unique TDS Controller enables customers to retain the contents of natural minerals in purified water, as per their requirement.
- Turning the screw of the valve anti-clockwise results in an increased mineral content
- Turning the screw of the valve clockwise results in a decreased mineral content
We recommend keeping the TDS at the lowest possible level but not below 50mg/l.
Starting-up the Purifier
- Switch on the power supply
- Allow the storage tank to fill till the maximum level**
- Switch off the power supply
- Open the upper cover, lift and drain the storage tank to remove residual dust particles present inside the pipe and storage tank
- Place back the storage tank and close the upper cover
- Switch on the power supply
- Purifier is ready to use
The glowing Red LED indicates that the power is ON. The glowing Green LED indicates that
the purification process is ON.
Maintenance
To ensure that the purifier operates at its best, a routine maintenance must be performed. The frequency of the maintenance will greatly depend upon the raw water quality and consumption of purified water.
- Storage tank must be cleaned once in a week (Refer Cleaning the Water Tank)
- Replace sediment filter and activated carbon filter once in 12 months or earlier if they get
clogged. It is recommended to change the FRT along with the filters - Replace RO membrane once in a year or earlier if it gets clogged
- Replace UF membrane once in a year or earlier if it gets clogged
- In the event of not using purifier for a long time (while going for a holiday, tour, etc.), ensure that you disconnect the power supply, turn off the raw water supply and drain out the storage tank
The Reverse Osmosis System contains a replaceable treatment component critical for the effective reduction of total dissolved solids and that product water shall be tested periodically to verify that the system is performing properly.
Replacement of spare parts are as under:-

Note: Filters and membrane are consumables. Their replacement time depends upon the quality of raw water and water consumption. They are not covered under the warranty. However, if a filter chokes within six months and a membrane within a year, it will be cleaned/repaired/replaced free of cost. Changing the filters and system inspection is available on call. The purification capacity of RO membranes will reduce with time due to clogging of pores of membranes.
Important Safety Instructions
- If the supply cord is damaged, it must be replaced by the original part in order to avoid hazard.
- Children should be supervised to ensure that they do not play with the appliance
- This appliance is not intended for use by persons (including children) with reduced physical,sensory or mental capabilities, or lack of experience and knowledge, unless they have been given supervision or instruction concerning use of the appliance by a person responsible for their safety
Warning
- Do not operate the UV-C emitter when it is removed from the appliance enclosure.
- Read the maintenance instructions before opening the appliance.
- The appliance must be disconnected from the supply before replacing the UV-C emitter.
* Tested & Certified by TUV-SUD South Asia (P) Ltd.
** Tested or certified flushing time – 24hrs.
Technical Specifications


* Purification capacity tested for raw water having TDS level of 750 ppm at room temperature.
Testing Information
The System has been tested according to IS 10500:2012 (Standards for drinking water as per Bureau of Indian Standards) for reduction of the hazardous substances as listed below.
Read More About This Manual & Download PDF:


















![Uvc Bacterial Disinfection Kit For Mini Split Systems[ikt-uvl32ul-ag] Specifications Manual Uvc Bacterial Disinfection Kit For Mini Split Systems[ikt-uvl32ul-ag] Specifications Manual](https://static-data1.manualsee.com/1/img/172/57388/2021/02/UVC-Bacterial-Disinfection-Kit-for-Mini-Split-SystemsIKT-UVL32UL-AG-Specifications-Manual.jpg)
