AQUA FLO AQUV-20 Ultraviolet Disinfection System

Product Information
Aqua Flo AQUV UV Water Disinfection System
The Aqua Flo AQUV UV system is a water disinfection system that utilizes ultraviolet light (UV) with a wavelength of 254 nm to destroy pathogenic bacteria and viruses such as coliforms and E. coli. The system consists of a low-pressure UV lamp enclosed in a transparent quartz dome, housed in a stainless steel disinfection chamber. Treated water flows out of the chamber and is ready for consumption. The system is environmentally safe and does not form any harmful disinfection by-products.
Models
- AQUV-8
- AQUV-12
- AQUV-20
Manufacturer
- Canature WaterGroup Canada Inc.
- 855 Park St. Regina, SK, S4N 6M1 CANADA Toll-Free: (877) 288-9888
- Canature WaterGroup U.S.A. Inc.
- 6353 Commerce Drive Whitestown, IN, 46075 USA Toll-Free: (877) 288-9888
Product Usage Instructions
Safety Guidelines:
It is important to read and follow all safety guidelines when using the Aqua Flo AQUV UV Water Disinfection System to avoid property damage, injury, and/or death. The following safety signal words are used:
- DANGER: Indicates a hazardous situation which, if not avoided, will result in death or serious injury and/or property loss or damage.
- WARNING: Indicates a hazardous situation which, if not avoided, could result in death or serious injury and/or property loss or damage.
- CAUTION: Indicates a hazardous situation which, if not avoided, could result in minor or moderate injury and/or property loss or damage.
- NOTICE: Indicates important information that, if not followed, may result in damage to the equipment.
- Water Quality Requirements
- Ensure that the water quality meets the requirements for the safe and efficient operation of the Aqua Flo AQUV UV Water Disinfection System. The system is tested and certified by IAPMO R&T to NSF/ANSI 61 (for material and structural requirements only), NSF/ANSI 372 for low lead, and CSA Standard B483.1. Additional testing and verification for UV dose performed by an independent laboratory.
- Installation:
- The installation of the Aqua Flo AQUV UV Water Disinfection System should be completed by a competent installer or plumbing professional to ensure that the product is installed in accordance with local plumbing codes. Refer to the installation section in the user manual for detailed instructions.
- Disinfection Procedure:
- The disinfection procedure is automatic and starts as soon as the water enters the chamber. The low-pressure UV lamp enclosed in a transparent quartz dome emits UV light at 254 nm wavelength, destroying pathogenic microorganisms instantly. Treated water flows out of the chamber and is ready for consumption. Refer to the disinfection procedure section in the user manual for more information.
- Ballast for AQUV UV Systems:
- The Aqua Flo AQUV UV Water Disinfection System requires a ballast with 110 V AC. Refer to the ballast for AQUV UV systems section in the user manual for more information.
- Operation and Maintenance:
- The Aqua Flo AQUV UV Water Disinfection System requires minimal maintenance. Refer to the operation and maintenance section in the user manual for information on routine maintenance, replacement of parts, and troubleshooting.
- Technical Specifications:
- Refer to the technical specifications section in the user manual for detailed information on the Aqua Flo AQUV UV Water Disinfection System.
- Parts List:
- Refer to the parts list section in the user manual for a list of parts and their corresponding part numbers for the Aqua Flo AQUV UV Water Disinfection System.
- Warranty:
- Refer to the warranty section in the user manual for information on the warranty for the Aqua Flo AQUV UV Water Disinfection System.
- Note:
- The lamp in the Aqua Flo AQUV UV Water Disinfection System contains mercury (Hg). Dispose of or recycle in accordance with applicable laws.
- This manual contains important safety and operating instructions. Read all instructions and follow them when using this product. Failure to consider this information and follow these instructions, ncluding those concerning maintenance, may result in property damage, injury and or death.
- We recommend installation only be completed by a competent installer or plumbing professional to insure this product is installed in accordance with local plumbing codes.
- Test the water periodically to verify that the system is performing satisfactorily.
- Discard small parts remaining after the installation.
- Failure to install the system correctly voids the warranty.
- Handle all components of the system with care. Do not drop, drag or turn components upside down.
- Save these instructions and keep track of your product’s serial number.
NOTICE: THIS MANUAL CONTAINS A LIMITED WARRANTY. BY INSTALLING AND OR USING THIS PRODUCT, YOU WAIVE CERTAIN LEGAL RIGHTS INCLUDING THE RIGHT TO SUE OR CLAIM COMPENSATION IN THE EVENT OF PROPERTY DAMAGE, INJURY, AND OR DEATH.
BRAND: AQUA FLO.
MODELS: AQUV-8, AQUV-12, AQUV-20
Congratulations on purchasing this ultraviolet disinfection system. By purchasing an AQUA FLO UV Disinfection system you are receiving not only a high quality product but also peace of mind. Protecting your water supply with a UV system gives you reassurance that your family will have access to safe drinking water throughout your entire home. This is a chemical free process which is simple in its concept and effective in its abilities to inactivate microorganisms present in the water supply. Simple maintenance, continuous disinfection and ultimately safe water, AQUA FLO makes it that easy.
- Tested and Certified by IAPMO R&T to NSF/ANSI 61 (for material and structural requirements only), NSF/ANSI 372 for low lead and CSA Standard B483.1.
- Additional testing and verification for UV dose performed by independent laboratory.
INTRODUCTION
- Aqua Flo AQUV UV systems make water safe to drink by instantly destroying pathogenic bacteria (such as coliforms, E. coli, viruses etc.). These systems utilize the proven disinfection properties of ultraviolet light (UV) emitted at 254 nm wavelength. UV systems are used by many municipalities in North America and around the world as a primary disinfectant as it is a natural, non-chemical, environmentally safe technique that does not form any harmful disinfection by-products.
- HOW THE AQUA FLO AQUV UV WATER DISINFECTION SYSTEM WORKS
- Your Aqua Flo AQUV UV system consists of a low-pressure UV lamp enclosed in a transparent quartz dome, housed in a stainless steel disinfection chamber. As untreated water enters the chamber from one end, pathogenic microorganisms in the water are exposed to and instantly destroyed by ultraviolet light emitted by a specially engineered UV lamp. Treated water flows out of the chamber and is ready for consumption. See Fig. 1.

SAFETY GUIDELINES
This is the safety alert symbol. When you see this symbol, look for one of the following signal words:
- Indicates a hazardous situation that, if not avoided, will result in death or serious injury and/or property loss or damage.
- Indicates a hazardous situation that, if not avoided, could result in death or serious injury and/or property loss or damage.
- Indicates a hazardous situation that, if not avoided, could result in minor or moderate injury and/or property loss or damage.
- Indicates important information, that if not followed, may result in damage to the equipment.
Contains mercury
- Lamp contains mercury (Hg).
- Dispose or recycle in accordance with applicable laws.
- For information on safe handling procedures and safe disposal and recycling, consult :

- To avoid possible electric shock, extra care should be taken since water may be present near electrical equipment. Unless specifically referred to in these instructions, do not attempt repairs yourself. Do not plug the unit in if any electrical surfaces or electrical parts are wet.
- DO NOT LOOK DIRECTLY AT UV LAMP WHEN LAMP IS ON. UV light can cause serious burns to eyes and skin.
- Do not operate the UV lamp outside the UV disinfection chamber.
- Do not use this unit for any purpose other than its intended use for potable water disinfection. The use of attachments not recommended, approved or sold by the manufacturer may result in improper performance of the unit or an unsafe condition and void the product warranty.
- Do not operate the system if it has a damaged electrical cord or plug, is malfunctioning, or has been damaged in any way.
- Do not touch the lamp or quartz dome with dirty or moist hands. Hold the lamp and dome by the ends with soft dry gloves or cloth.
- Before any cleaning or maintenance on the system, always unplug the unit from the power source.
- Disconnect power cable from the power outlet by holding the plug. Never pull the cord.
- To comply with the National Electrical Code and to provide additional protection from the risk of electric shock, this system should only be connected to a properly grounded, grounding-type controller receptacle that is protected by a Ground Fault Circuit Interrupter (GFCI).
- Ensure that the lamp connector ground wire is connected to the grounding stud on the chamber.
- Installation of the UV disinfection system and water filter will interrupt electrical grounding continuity of your plumbing system. For directions on restoring the electrical grounding continuity, consu
WARNING
- To ensure continuous protection, UV LAMP MUST BE REPLACED ANNUALLY. After 1 year of use, it will no longer provide effective disinfection even though it stays lit.
- USE ONLY GENUINE AQUA FLO AQUV LAMPS. Use of non-Aqua Flo AQUV UV lamps can result in unsafe drinking water, which may lead to illness and/or death, ballast failure or fire, and will void your product warranty. (see page 12 for details)
- Canature WaterGroup U.S.A. Inc. / Canature WaterGroup Canada Inc. (Canature) has disclosed all known risks associated with the product within this manual but cannot disclose risks that are beyond its knowledge.
WATER QUALITY REQUIREMENTS
- The unit should only be operated with water that meets the following minimum criteria:
- Turbidity/Suspended Solids: Ideally less than 1 NTU (Nephelometric Turbidity Unit). A 5 micron sediment filter or better must be installed
before the UV system at all times. If the feed water has fine sediment, a finer pre-filter (1 micron or smaller) may be used. If the water has very high turbidity, a back-washable multi-media filter is recommended along with a cartridge type filter. - Hardness: Less than 7 GPG (120 mg/L). Hard water causes scale build-up on the quartz sleeves thereby reducing the UV transmittance in the water and in turn reduced performance. The UV system will work with hard water for a short time after which the scale build-up on the quartz dome will cause reduced disinfection performance (unsafe condition). It is therefore recommended that, for hard water, a water softener should be installed prior to the UV system.
- Iron & Manganese: Iron less than 0.3 PPM (mg/L) and Manganese less than 0.05 mg/L is desirable. At higher concentrations, a suitable water
conditioner (e.g. an Iron Filter or Greensand filter) should be installed prior to the UV system to prevent iron build-up on the quartz dome that can cause insufficient disinfection. - Tannins and Colour: Water with tannins or colour has low UV transmissivity that reduces UV system performance. The UV system will not work if the water has tannins or colour. A tannin-removal system should be installed for proper disinfection.
INSTALLATION
INSTALLATION NOTES AND CAUTIONS:
- The Aqua Flo AQUV Water Disinfection System is designed for installation on the cold water line only at the point of entry (POE). For installation
in the Province of Quebec, install the AQUV-8 to serve a max of 1-2 outlets and the AQUV-12 to serve a max of 2-3 outlets only, but not serving majority of the premises. Canature is not liable for any non-compliance with local requirements. - The system requires a constant power supply of 110V AC.
- It is strongly recommended to have a dedicated electrical circuit for the UV system. A CSA or equivalent certified surge protector must be installed
to protect the ballast from electrical surges. We recommend surge protector rated for a clamping voltage of less than 400 Volts, response time of less than one nanosecond, and energy absorption of at least 600 Joules. - The AQUV-20, AQUV-12 & AQUV-8 systems have been designed for maximum water flow rates of 20 US GPM (75 liters per minute), 12 US GPM
(45 liters per minute) and 8 US GPM (30 liters per minute) respectively. If higher flow rates exist occasionally, it is recommended that a flow restricter be installed at the inlet port (8 US GPM for AQUV-8, 12 US GPM for AQUV-12 and 20 US GPM for AQUV-20). - The system should be installed indoors in a protected area where the temperature does not fall below 4°C (40°F).
- For optimum performance, the system should be wall-mounted in a vertical position with the lamp connector at the top. The water inlet is at the
bottom and the outlet at the top, as shown in Fig. 1. The system can be installed horizontally but cannot be drained fully in that position and there is a higher probability of breaking the quartz dome during service. When installing one of these systems horizontally, the outlet should point upward to allow air to escape the UV chamber. - It is highly recommended to install bypass piping with a shut-off valve around the unit. This way you can still have water in case you need to remove the UV unit for service.
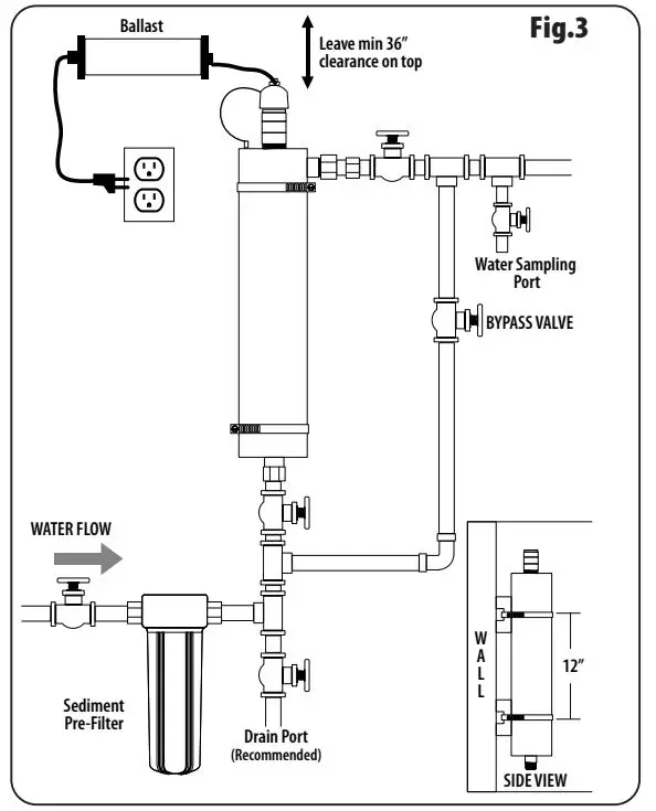
- Provide a minimum clearance of 3 feet above the unit for lamp replacement.
- Use only Teflon tape for all connections. Do not use any other sealant on the threads
DIMENSIONS
CAUTION!
- Install a pressure regulator and water hammer arrestor if pressure exceeds maximum rating of 100 psi at any time.
- Note: If daytime pressure is over 80 psi, night time pressure may exceed maximum pressure rating.
NOTICE
- Check with your local public works department for applicable local plumbing and sanitation codes. Follow local codes if they differ from the standards used in this manual. Otherwise, carefully follow the instructions in this manual. Canature is not liable for any non-compliance with local requirements
Unpacking the UV System
Your UV system includes the following items:
Install Location
- If your water comes from a well or a lake/river etc., the UV should be installed after your pump and pressure tank. To prevent damage to the UV system, do not install it between the well pump and pressure tank. If you have other water filters/conditioners installed, such as softener/iron filter etc., the UV system should always be installed as the last step of treatment before the water pipes divide into hot and cold (Fig 2).

Fittings Required for Installation (Not Included)
- Fittings required for a typical install on 3/4” copper pipe are 3/4” FNPT female adapters, 3/4” Tee, 3/4” Elbows, 3/4” copper pipe, 3/4” union couplings and 3/4” ball valves. You may need different fittings if your pipe size or material is different. If you are unsure of what fittings to use, please call Aqua Flo.
CAUTION
- UV light can degrade plastics over time. If your water pipe is plastic (such as PEX), it is recommended that you use at least 6 to 12 inches of UV-resistant material (e.g. copper) on the inlet and outlet of the UV unit to prevent damage, and potential flooding
Installing the UV unit
- Screw a mounting clamp to the wall (wall stud) with base screws as shown in Fig 3 & Fig 3 side view. Use appropriate wall anchors if not installing on wall stud.
- Using a level, vertically align the other mounting clamp at a distance of about 11-12 inches below the first clamp Mount using base screws (clamp screws should be in opposite directions).
- Mount the UV disinfection chamber on the two bases and holding it with one hand, tighten the mounting clamps using a screwdriver or appropriate socket wrench.
- Mount the ballast on the wall slightly above the chamber with ballast mounting screws (see Fig 3).
- Install new plumbing using Fig 3 as reference of how the final installation should look. The inlet/outlet connections on the UV are MNPT.
- If you intend to drain the UV during winter to prevent freezing, install a copper tee at the inlet of the UV and plumb in a ball valve and a piece of copper pipe (See Fig 3)

- Carefully unpack UV lamp and quartz dome. Note: Hold lamp and dome by the ends with soft, dry gloves or cloth. Two (2) o-rings come with the dome. The gland nut O-ring (thinner) fits in the groove of the gland nut.
- Gently slide the dome O-ring (thicker) over the top (open end) of the quartz dome to about 1” from the open end, Fig 4.
- Gently insert the quartz dome into the gland nut and gently rotate the dome while pushing in until it goes past the nut O-ring and touches the inside top end of the gland nut. See Fig 4 and 5.




- Carefully slide the quartz dome with gland nut attached into the opening at the top of the UV chamber and hand-tighten the gland nut into place.
- CAUTION! Do not overtighten the gland nut as it can break the quartz dome.
- NOTE Broken quartz domes are not covered under warranty
- Do not use pipe dope or tape on these top threads before attaching gland nut.
- Slowly open supply valve and valves before and after UV system. Check for leaks. Do not proceed to next step until leaks are fixed.
- From the top of the gland nut, drop the lamp spring into the quartz dome.
- Holding the top 4-pin end of the lamp carefully slide the lamp into the quartz dome and attach the lamp pins to the lamp connector. The lamp connector fits over the pins in only one orientation.
- Slide the lamp connector cover over the gland nut and tighten the screw on it.
- Remove the nut from the ground stud at the top of the unit. Next place the ground wire (green wire with yellow stripes) over the stud and tighten the nut.
- Connect the ballast power cable to the AC supply (with surge protector). The green lamp-on LED will light up and the display will show “365”. This number indicates the number of days left until lamp life expires and must be replaced. Follow Step (E) before consuming water.BUTTON RED LED GREEN LED DISPLAY YOUR AQUA FLO AQUV UV DISINFECTION SYSTEM IS NOW READY FOR SERVICE.


WARNING
Failure to follow disinfection procedure could result in micro-biologically unsafe water leading to potential illness or death.
DISINFECTION PROCEDURE
Before service begins, all household plumbing lines should be disinfected to prevent the possibility of re-contamination after UV disinfection. You should also disinfect your plumbing system if the power goes out for several hours or more or if the unit has been accidentally shut-off for several hours or more. It is advisable to disinfect the plumbing lines at least once a year. Disinfect after using bypass as well.
The following is a general method for disinfection of plumbing lines. If you are uncertain about the efficacy of this procedure you are advised to contact your local health authority responsible for water safety.
- Shut off the supply valve and de-pressurize the lines by opening a tap until it runs dry.
- Remove the filter in the filter housing and add about 1-2 cups (250-500ml) of unscented household bleach (5 to 6% sodium hypochlorite) to the empty filter housing and put it back on the filter head.
- Open the supply valve and slowly open a faucet and let the water run until you can smell the chlorine and then shut the faucet off. Repeat the procedure for all hot and cold outlets in the house. Add more bleach as required. Run hot faucets longer to allow the chlorine to come through the hot water tank.
- Leave the bleach solution in the plumbing system for about 6 to 8 hours preferably overnight.
- Shut-off the supply valve again and open a faucet to depressurize the system. Open the filter housing and re-install the filter cartridge and then re-attach the filter housing. Make sure that the UV system is ON.
- Take off aerators (if any) on the faucets, open the supply valve slowly, and thoroughly flush all outlets until the chlorine smell is minimal.
- You are ready to use the water now.
BALLAST FOR AQUV UV SYSTEMS
![]()
- The Aqua Flo AQUV advanced micro-processor controlled electronic UV ballast is for use all Aqua-Flo AQUV systems. It features both audio and visual alarms to indicate the lamp operation and an integral annual lamp change reminder timer. NORMAL
- DISPLAY: Number of days left before lamp expires and must be replaced. Starts at 365 and ends at 0. Press button to display the total running days of the unit since installation (maximum 9999 days). Display goes back to default after 10 seconds. “LF” –
- LAMP FAULT: If the lamp is disconnected or defective (burned out), the display will show “LF” with the red LED on, and the ballast will beep every 2 seconds. If you press the button once, display will show “lamp life remaining” and go back to “LF” after 10 seconds. If you press the button again before 10 seconds, display will show “total running time” and then after 10 seconds go back to “LF”. In the “LF” alarm do not consume water until you replace UV lamp and cleared the alarm.

![]()
- “A3” – LAMP EXPIRY: If the display shows “A3” alarm with red LED on and ballast beeps every 5 seconds, it indicates that the lamp has expired. Do not consume water until lamp is replaced.
- You can silence the alarm for 7 days by pressing and holding the button until “dELy” is displayed. You can silence the alarm 3 times after which the alarm will not silence until you replace the UV lamp.
- RESETTING THE LAMP EXPIRY TIMER: After replacing the UV lamp annually, you must re-set the ballast timer to clear the “A3” alarm. To do this press and hold the button for approx 10 seconds until “rSET” is displayed. Release button and the ballast will emit a long beep to confirm reset. Green LED will come on and red LED will turn OFF. Display will show “365” again.
OPERATION AND MAINTENANCE
- Your UV system is ON continuously during normal use and will continuously supply safe water. (Note: Do not try to shut it off during short periods of non-use as repeated ON/OFF cycles can shorten the UV lamp and ballast life). Failure to follow disinfection procedure if the system is shut off could result in micro-biologically unsafe water leading to potential illness or death.
- To maintain the optimum disinfection performance of the UV system:
- UV lamp should be replaced when the display reaches “0”. At this point, the UV lamp continues to light but its ability to disinfect the water drops below safe limits. Therefore the UV lamp MUST BE REPLACED WHEN THE LAMP REPLACEMENT ALARM “A3” COMES ON.
- The quartz dome should be cleaned at the time of lamp replacement. If the water quality parameters listed in section ‘C’ are exceeded, you should clean and inspect the quartz dome more frequently and clean as necessary.
- Replace pre-filters every 4-6 months.
| ITEM | REPLACEMENT FREQUENCY | CLEANING |
| UV Lamp | Every 1 year of use | N/A |
| Quartz Dome | Every 3 years | At least during every annual lamp change. More frequently if water is hard or has iron, manganese etc. |
| O-Rings | Annually | N/A |
WARNING
USE ONLY GENUINE AQUA FLO AQUV LAMPS
- Use only GENUINE AQUA FLO AQUV UV Lamps with your UV system. Aqua Flo UV lamps are designed with extensive product research and engineering to provide reliable and consistent UV output and performance that ensures the safety of your drinking water. Using non-Aqua Flo AQUV UV lamps can not only compromise the system performance but also voids your product warranty, electrical and CSA certification, and may result in any one or more of the following issues:
- Unsafe drinking water which may lead to illness and/or death Ballast failure Electrical fire
- Use of non-Aqua Flo AQUV lamps will void all warranty & product certification Genuine Aqua Flo AQUV lamps can be identified as follows:

How to replace the UV Lamp and clean Quartz Dome
- Unplug UV unit from electrical outlet and turn off supply valve before the unit. Open a faucet to depressurize the UV system and turn off the valve at the UV outlet to isolate UV unit. CAUTION: The lamp end can be very hot. Wait several minutes for the lamp to cool down.
- Unscrew the ground nut and remove the ground wire (green wire with yellow stripes).
- Loosen the screw on the lamp connector cover and remove cover from the gland nut.
- Carefully slide UV lamp slightly out of chamber and hold the lamp end with one hand. Gently pull off the connector with your other hand to disconnect the lamp completely. Slowly remove lamp from the disinfection chamber completely.
- Remove the quartz dome by loosening the gland nut and carefully extracting from the unit. Remove dome absolutely vertically from its position until the other end comes out. CAUTION: If you bend the dome mid-way, it can break easily and pieces of quartz can fall into the UV chamber. Do not lose the spring.
- Remove & discard used dome O-ring. Clean dome gently with a vinegar solution or a household scale-removal product. Do not use abrasive pads. A soft cloth or paper towel is recommended.
- Using a small pointed tool carefully take the gland-nut O-ring out of the gland nut. Take care not to scratch the gland nut.
- A dome O-ring (thicker) and gland nut O-ring (thinner) are included with the replacement lamp. Slide gland nut O-ring into the internal groove of the gland nut.
- Follow instructions 7 to 15 in previous section “Installing the UV Unit”. Do not plug in ballast yet.
- Depress timer button while reconnecting ballast to electrical outlet and keep the button depressed until the ballast emits a solid three-second beep. This will re-set the lamp-change-timer to zero and the 3-second beep will confirm that the re-set was successful.

Winterizing Your System:
To winterize the system, unplug the unit first. Drain the pre-filter by removing the sump and dump the water, then drain the UV chamber of all water.
TROUBLESHOOTING
| PROBLEM | PROBABLE CAUSE | SOLUTION |
| Leak at gland nut | Gland nut is loose or O-ring defective | Hand-tighten gland nut & replace O-ring(s) |
| Condensation outside the UV chamber | High humidity in the environment | This is normal if humid conditions exist. Install dehumidifier to protect ballast. Protect flooring below UV |
| Hot water coming out of taps/faucets | Water inside UV unit becomes hot after long periods of non-use. You may have oversized the unit for the home | To prevent scalding, before using water after periods of non-use such as overnight, flush water for about 2 minutes. Install a temperature controlled purge valve on the UV outlet |
| UV lamp ends seem burnt after some time | This is normal | As long as the UV lamp lights, a little burn mark at the ends is normal and there is no need to replace the UV lamp |
TECHNICAL SPECIFICATIONS
| Category | AQUV-8 | AQUV-12 | AQUV-20 |
| Maximum flow rate @ 30 mJ/cm2* | 8 gpm / 30 pm | 12 gpm / 45 pm | 20 gpm / 75 pm |
| Maximum flow rate @ 40 mJ/cm2* | 5 gpm / 19 pm | 8 gpm / 30 pm | 12 gpm / 45 pm |
| Lamp service life | 9000 Hours | ||
| Lamp Power | 35 watt | 45 watt | 65 watt |
| Power Consumption | 35 watt | 45 watt | 65 watt |
| Annual lamp change timer | Yes | ||
| Lamp-ON Indicator | Yes | ||
| Audio/Visual alarms | Yes | ||
| Chamber material | 304 Stainless Steel | ||
| Chamber dimensions (D x L) | 3.5” x 16.0” | 3.5” x 20.0” | 3.5” x ” 31.125″ |
| Controller dimensions (L x W x D) | 8” x 3” x 2.25” | ||
| Inlet/Outlet port size | 3/4″NPT | 1″ NPT | |
| AC supply voltage | 120V, 50/60Hz, 0.8A | ||
| Maximum operating pressure | 100psi | ||
| Water temperature range | 2 – 40°C (36-104°F) | ||
| Shipping Weight | 9lb / 4kg | 10lb / 4.5kg | 13lb / 5.9kg |
Dosage based on a UVT value of 96%
PARTS LIST
AQUV-8, AQUV-12, AQUV-20
| ITEM AS LABELLED | PART NUMBER | DESCRIPTION | QTY |
| 1 | 40020068 | Ballast, power cord & lamp connector assembly | 1 |
| 2 | 430335 | SS UV Chamber for AQUV-8 | 1 |
| 3 | 430336 | SS Chamber for AQUV-12, | 1 |
| 4 | 430337 | SS Chamber for AQUV-20 | 1 |
| 5 | With Chamber | Mounting Clamps | 2 |
| Gland Nut | 1 (2 for AQUV-20) | ||
| 6 | 32701076 | #10 SS Screws | 6 |
| 7 | 36003037 | Quartz Dome for AQUV-8 | 1 |
| 8 | 36003038 | Quartz Dome for AQUV-12 | 1 |
| 9 | 36003039 | Quartz Dome for AQUV-20 | 1 |
| 10 | 80127301 | Gland Nut O-Ring (Thinner) | 1 (2 for AQUV-20) |
| 11 | 80127302 | Dome O-Ring (Thicker) | 1 (2 for AQUV-20) |
| 12 | 89112 | UV Lamp for AQUV-8 | 1 |
| 13 | 89113 | UV Lamp for AQUV-12 | 1 |
| 14 | 89114 | UV Lamp for AQUV-20 | 1 |
| 15 | 80127402 | Lamp Spring | 1 |
Replacement Parts
| Item # | 40030101 | 40030102 | 40030103 |
| Lamp | 89112 | 89113 | 89114 |
| QuartzDome | 36003037 | 36003038 | 36003039 |
| Controller | 40020068 | 40020068 | 40020068 |
LIMITED WARRANTY
- The Ultraviolet Water Disinfection Systems stainless steel housing is warranted to the original purchaser for a period of seven (7) years, from the date of purchase, against defects in materials and workmanship. The Ultraviolet Water Disinfection Systems miscellaneous hardware, seals, and electrical system are warranted to the original purchaser for a period of one (1) year, from the date of purchase, against defects in materials and workmanship. The Ultraviolet lamp is warranted for a period of thirty (30) days from the date of purchase against defects in materials and workmanship.
- Subject to the conditions and limitations described below, this product, if returned to us with proof of purchase within the stated warranty period and if covered under this warranty, will be repaired or replaced (with the same model, or one of equal value or
- specification) – at our option. We will bear only the cost of any repair or replacement.
- The purchaser is responsible for the communication of all necessary information regarding the application and use of the product.
- Under no circumstances will Canature be responsible for any other direct or consequential damages, including but not limited to travel expenses, rented equipment, outside contractor fees, unauthorized repair shop expenses, lost profits, lost income, labor
- charges, delays in production, and idle production, which damages are caused by any defect in material and/or workmanship and/or damage or delays in shipment.
- This warranty is expressly in lieu of any other express or implied warranty, including any warranty of
- merchantability or fitness for a particular purpose and excludes all other express or implied warranties to the extent permitted by law.
- For clarity, where exclusion is not permitted by law, those express or implied warranties are not excluded by this warranty.
This warranty is subject to the following conditions and limitations:
- This warranty will not apply if water passing through the Ultraviolet Disinfection System has:
- a) Turbidity / Suspended Solids: More than 1.0 NTU.
b) Hydrogen Sulphide concentrations greater than 0.05 PPM (0.05 mg/l). c) Iron concentration greater than 0.3 ppm (0.3 mg/l) or Manganese greater than 0.05 ppm (0.05 mg/l). d) Hardness concentrations greater than 7 GPG (119 PPM). e) Tannins or color.
- a) Turbidity / Suspended Solids: More than 1.0 NTU.
- A bill of sale verifying the purchase and purchase date must be provided.
- This warranty will NOT apply to any product or part thereof which is worn or broken or which has become inoperative due to abuse, misuse, accidental damage, neglect, or lack of proper installation, operation or maintenance (as outlined in the applicable owner’s manual or operating instructions) or which is being used for industrial, professional, commercial, or rental purposes
- This warranty will not apply to normal wear and tear or to expendable parts or accessories that may be supplied with the product which are expected to become inoperative or unusable after a reasonable period of use.
- This warranty will NOT apply to any product that was sold to the original purchaser as a reconditioned or refurbished product unless otherwise specified in writing.
- This warranty will NOT apply to any product or part thereof if any part from another manufacturer is installed therein or any repairs or alterations have been made by an unauthorized person(s).
- This warranty will NOT apply to normal deterioration of the exterior finish, such as, but not limited to scratches, dents, paint chips, or to any corrosion or discoloring by heat, abrasive, and chemical cleaners.
- Canature WaterGroup Canada Inc.
- 855 Park St.
- Regina, SK, S4N 6M1
- CANADA
- Toll-Free: (877) 288-9888
- Canature WaterGroup U.S.A. Inc.
- 6353 Commerce Drive
- Whitestown, IN, 46075
- USA
- Toll-Free: (877) 288-9888


































