AQUA FLO AQUV-8 Ultraviolet Disinfection System

Product Information: Ultraviolet Disinfection System
The Aqua Flo Ultraviolet Disinfection System is designed to make water safe for consumption by destroying pathogenic bacteria, viruses, and other microorganisms. The system uses ultraviolet light emitted at 254 nm wavelength to disinfect water. The low-pressure UV lamp is enclosed in a transparent quartz dome and housed in a stainless steel disinfection chamber. The system is available in three models: AQUV-8, AQUV-12, and AQUV-20. The system is certified by IAPMO R&T against NSF/ANSI/CAN 61, 372 and CSA B483.1 for material safety, structural integrity, and lead-free requirement.
Product Usage Instructions
Before using the Aqua Flo Ultraviolet Disinfection System, it is important to read and follow all safety and operating instructions provided in the owner’s manual. Failure to follow instructions may result in property damage, injury, or death.
Safety Guidelines
It is recommended that installation of the system be completed by a competent installer or plumbing professional to ensure that it is installed in accordance with local plumbing codes. The system contains a lamp that contains mercury (Hg) and should be disposed of or recycled in accordance with applicable laws. For information on safe handling procedures and safe disposal and recycling, consult the owner’s manual.
Water Quality Requirements
The Aqua Flo Ultraviolet Disinfection System can be used with potable water sources that meet the following requirements:
- pH range: 6.5 – 8.5
- Hardness: less than 7 grains per gallon (120 mg/L)
- Turbidity: less than 1 NTU
- Iron: less than 0.3 ppm
- Manganese: less than 0.05 ppm
- UV transmittance: greater than 75%
Installation
The Aqua Flo Ultraviolet Disinfection System should be installed in accordance with local plumbing codes. It is recommended that installation be completed by a competent installer or plumbing professional. The system should be installed on the main cold water line after the pressure tank, water meter, and any other treatment systems. The system should be installed vertically with the inlet and outlet facing downward to ensure proper drainage and to prevent air pockets from forming. The system should not be installed in direct sunlight or near a heat source. See the owner’s manual for detailed installation instructions.
Disinfection Procedure
The Aqua Flo Ultraviolet Disinfection System is designed to disinfect water as it flows through the system. The system should be turned on and left on continuously to ensure that water is properly disinfected. The lamp should be replaced every 12 months to ensure that the system is operating at maximum efficiency.
Operation and Maintenance
The Aqua Flo Ultraviolet Disinfection System requires minimal maintenance. The system should be checked periodically to ensure that it is operating properly. The lamp should be replaced every 12 months, and the quartz sleeve should be cleaned periodically to ensure that it is free of debris. See the owner’s manual for detailed maintenance instructions.
Troubleshooting
If the Aqua Flo Ultraviolet Disinfection System is not operating properly, refer to the troubleshooting section of the owner’s manual for possible solutions.
Technical Specifications
See the owner’s manual for detailed technical specifications for the Aqua Flo Ultraviolet Disinfection System.
Parts List
See the owner’s manual for a list of parts included with the Aqua Flo Ultraviolet Disinfection System.
Warranty
See the owner’s manual for warranty information for the Aqua Flo Ultraviolet Disinfection System.
Ultraviolet Disinfection System
Models: AQUV-8, AQUV-12, AQUV-20
- This manual contains important safety and operating instructions. Read all instructions and follow them when using this product. Failure to consider this information and follow these instructions, ncluding those concerning maintenance, may result in property damage, injury and or death.
- We recommend installation only be completed by a competent installer or plumbing professional to insure this product is installed in accordance with local plumbing codes.
- Test the water periodically to verify that the system is performing satisfactorily.
- Discard small parts remaining after the installation.
- Failure to install the system correctly voids the warranty.
- Handle all components of the system with care. Do not drop, drag or turn components upside down.
- Save these instructions and keep track of your product’s serial number.
NOTICE: THIS MANUAL CONTAINS A LIMITED WARRANTY. BY INSTALLING AND OR USING THIS PRODUCT, YOU WAIVE CERTAIN LEGAL RIGHTS INCLUDING THE RIGHT TO SUE OR CLAIM COMPENSATION IN THE EVENT OF PROPERTY DAMAGE, INJURY, AND OR DEATH.
BRAND: AQUA FLO.
MODELS: AQUV-8, AQUV-12, AQUV-20
Congratulations on purchasing this ultraviolet disinfection system. By purchasing an AQUA FLO UV Disinfection system you are receiving not only a high quality product but also peace of mind. Protecting your water supply with a UV system gives you reassurance that your family will have access to safe drinking water throughout your entire home. This is a chemical free process which is simple in its concept and effective in its abilities to inactivate microorganisms present in the water supply. Simple maintenance, continuous disinfection and ultimately safe water, AQUA FLO makes it that easy.
Certified by IAPMO R&T against NSF/ANSI/CAN 61, 372 and CSA B483.1 for material safety, structural integrity and lead free requirement.
Additional testing and verification for UV dose performed by independent laboratory.
INTRODUCTION
Aqua Flo AQUV UV systems make water safe to drink by instantly destroying pathogenic bacteria (such as coliforms, E. coli, viruses etc.). These systems utilize the proven disinfection properties of ultraviolet light (UV) emitted at 254 nm wavelength. UV systems are used by many municipalities in North America and around the world as a primary disinfectant as it is a natural, non-chemical, environmentally safe technique that does not form any harmful disinfection by-products.
HOW THE AQUA FLO AQUV UV WATER DISINFECTION SYSTEM WORKS
Your Aqua Flo AQUV UV system consists of a low-pressure UV lamp enclosed in a transparent quartz dome, housed in a stainless steel disinfection chamber. As untreated water enters the chamber from one end, pathogenic microorganisms in the water are exposed to and instantly destroyed by ultraviolet light emitted by a specially engineered UV lamp. Treated water flows out of the chamber and is ready for consumption.
See Fig. 1.

SAFETY GUIDELINES
This is the safety alert symbol. When you see this symbol, look for one of the following signal words:
- DANGER Indicates a hazardous situation which, if not avoided, will result in death or serious injury and/or property loss or damage.
- WARNING Indicates a hazardous situation which, if not avoided, could result in death or serious injury and/or property loss or damage.
- CAUTION Indicates a hazardous situation which, if not avoided, could result in minor or moderate injury and/or property loss or damage.
- NOTICE Indicates important information, that if not followed, may result in damage to the equipment.
Contains mercury
- Lamp contains mercury (Hg).
- Dispose or recycle in accordance with applicable laws.
- For information on safe handling procedures and safe disposal and recycling, consult :

Diverting Mercury

Management of Lamps Containing Mercury
- To avoid possible electric shock, extra care should be taken since water may be present near electrical equipment. Unless specifically referred to in these instructions, do not attempt repairs yourself. Do not plug the unit in if any electrical surfaces or electrical parts are wet.
- DO NOT LOOK DIRECTLY AT UV LAMP WHEN LAMP IS ON. UV light can cause serious burns to eyes and skin.
- Do not operate the UV lamp outside the UV disinfection chamber.
- Do not use this unit for any purpose other than its intended use for potable water disinfection. The use of attachments not recommended,
approved or sold by the manufacturer may result in improper performance of the unit or an unsafe condition and void the product warranty. - Do not operate the system if it has a damaged electrical cord or plug, is malfunctioning, or has been damaged in any way.
- Do not touch the lamp or quartz dome with dirty or moist hands. Hold the lamp and dome by the ends with soft dry gloves or cloth.
- Before any cleaning or maintenance on the system, always unplug the unit from the power source.
- Disconnect power cable from the power outlet by holding the plug. Never pull the cord.
- To comply with the National Electrical Code and to provide additional protection from the risk of electric shock, this system should only be
connected to a properly grounded, grounding-type controller receptacle that is protected by a Ground Fault Circuit Interrupter (GFCI). - Ensure that the lamp connector ground wire is connected to the grounding stud on the chamber.
- Installation of the UV disinfection system and water filter will interrupt electrical grounding continuity of your plumbing system. For directions on restoring the electrical grounding continuity, consult a certified electrician
- Protect your unit from freezing and weather elements.
WARNING
To ensure continuous protection, UV LAMP MUST BE REPLACED ANNUALLY. After 1 year of use, it will no longer provide effective disinfection even though it stays lit.
WARNING
USE ONLY GENUINE AQUA FLO AQUV LAMPS. Use of non-Aqua Flo AQUV UV lamps can result in unsafe drinking water, which may lead to illness and/or death, ballast failure or fire, and will void your product warranty. (see page 12 for details)
Canature WaterGroup U.S.A. Inc. / Canature WaterGroup Canada Inc. (Canature) has disclosed all known risks associated with the product within this manual but cannot disclose risks that are beyond its knowledge.
WATER QUALITY REQUIREMENTS
The unit should only be operated with water that meets the following minimum criteria:
- Turbidity/Suspended Solids: Ideally less than 1 NTU (Nephelometric Turbidity Unit). A 5 micron sediment filter or better must be installed before the UV system at all times. If the feed water has fine sediment, a finer pre-filter (1 micron or smaller) may be used. If the water has very high turbidity, a back-washable multi-media filter is recommended along with a cartridge type filter.
- Hardness: Less than 7 GPG (120 mg/L). Hard water causes scale build-up on the quartz sleeves thereby reducing the UV transmittance in the water and in turn reduced performance. The UV system will work with hard water for a short time after which the scale build-up on the quartz dome will cause reduced disinfection performance (unsafe condition). It is therefore recommended that, for hard water, a water softener should be installed prior to the UV system.
- Iron & Manganese: Iron less than 0.3 PPM (mg/L) and Manganese less than 0.05 mg/L is desirable. At higher concentrations, a suitable water conditioner (e.g. an Iron Filter or Greensand filter) should be installed prior to the UV system to prevent iron build-up on the quartz dome that can cause insufficient disinfection.
- Tannins and Colour: Water with tannins or colour has low UV transmissivity that reduces UV system performance. The UV system will not work if the water has tannins or colour. A tannin-removal system should be installed for proper disinfection.
INSTALLATION
INSTALLATION NOTES AND CAUTIONS:
- The Aqua Flo AQUV Water Disinfection System is designed for installation on the cold water line only at the point of entry (POE). For installation in the Province of Quebec, install the AQUV-8 to serve a max of 1-2 outlets and the AQUV-12 to serve a max of 2-3 outlets only, but not serving majority of the premises. Canature is not liable for any non-compliance with local requirements.
- The system requires a constant power supply of 110V AC.
- It is strongly recommended to have a dedicated electrical circuit for the UV system. A CSA or equivalent certified surge protector must be installed to protect the ballast from electrical surges. We recommend surge protector rated for a clamping voltage of less than 400 Volts, response time of less than one nanosecond, and energy absorption of at least 600 Joules.
- The AQUV-20, AQUV-12 & AQUV-8 systems have been designed for maximum water flow rates of 20 US GPM (75 liters per minute), 12 US GPM (45 liters per minute) and 8 US GPM (30 liters per minute) respectively. If higher flow rates exist occasionally, it is recommended that a flow restricter be installed at the inlet port (8 US GPM for AQUV-8, 12 US GPM for AQUV-12 and 20 US GPM for AQUV-20).
- The system should be installed indoors in a protected area where the temperature does not fall below 4°C (40°F).
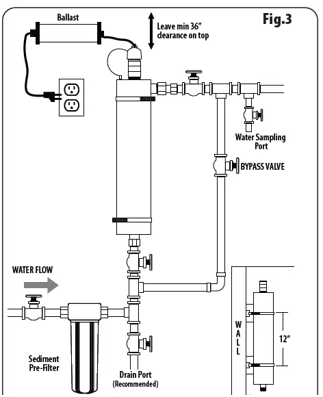
- For optimum performance, the system should be wall-mounted in a vertical position with the lamp connector at the top. The water inlet is at the bottom and the outlet at the top, as shown in Fig. 1. The system can be installed horizontally but cannot be drained fully in that position and there is a higher probability of breaking the quartz dome during service. When installing one of these systems horizontally, the outlet should point upward to allow air to escape the UV chamber.
- It is highly recommended to install bypass piping with a shut-off valve around the unit. This way you can still have water in case you need to remove the UV unit for service.
- Provide a minimum clearance of 3 feet above the unit for lamp replacement.
- Use only Teflon tape for all connections. Do not use any other sealant on the threads.
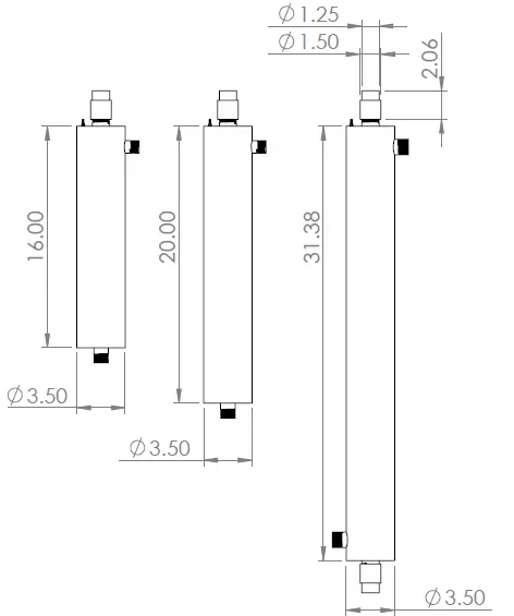
DIMENSIONS

CAUTION!
** Install a pressure regulator and water hammer arrestor if pressure exceeds maximum rating of 100 psi at any time. Note: If daytime pressure is over 80 psi, night time pressure may exceed maximum pressure rating.
NOTICE
Check with your local public works department for applicable local plumbing and sanitation codes. Follow local codes if they differ from the standards used in this manual. Otherwise, carefully follow the instructions in this manual. Canature is not liable for any non-compliance with local requirements
Unpacking the UV System
Your UV system includes the following items:

Install Location
If your water comes from a well or a lake/river etc., the UV should be installed after your pump and pressure tank. To prevent damage to the UV system, do not install it between well pump and pressure tank. If you have other water filters/conditioner installed, such as softener/iron filter etc., the UV system should always be installed as the last step of treatment before the water pipes divide into hot and cold (Fig 2).

Fittings Required for Installation (Not Included)
Fittings required for a typical install on 3/4” copper pipe are 3/4” FNPT female adapters, 3/4” Tee, 3/4” Elbows, 3/4” copper pipe, 3/4” union couplings and 3/4” ball valves. You may need different fittings if your pipe size or material is different. If you are unsure of what fittings to use, please call Aqua Flo.
CAUTION
UV light can degrade plastics over time. If your water pipe is plastic (such as PEX), it is recommended that you use at least 6 to 12 inches of UV-resistant material (e.g. copper) on the inlet and outlet of the UV unit to prevent damage, and potential flooding.
Installing the pre-filter
A 5 micron or finer filter must be installed before the UV system. A pre-filter is not included with this system.
Installing the UV unit
- Screw a mounting clamp to the wall (wall stud) with base screws as shown in Fig 3 & Fig 3 side view. Use appropriate wall anchors if not installing on wall stud.
- Using a level, vertically align the other mounting clamp at a distance of about 11-12 inches below the first clamp Mount using base screws (clamp screws should be in opposite directions).
- Mount the UV disinfection chamber on the two bases and holding it with one hand, tighten the mounting clamps using a screwdriver or appropriate socket wrench.
- Mount the ballast on the wall slightly above the chamber with ballast mounting screws (see Fig 3).
- Install new plumbing using Fig 3 as reference of how the final installation should look. The inlet/outlet connections on the UV are MNPT.
- If you intend to drain the UV during winter to prevent freezing, install a copper tee at the inlet of the UV and plumb in a ball valve and a piece of copper pipe (See Fig 3)
- Carefully unpack UV lamp and quartz dome. Note: Hold lamp and dome by the ends with soft, dry gloves or cloth. Two (2) o-rings come with the dome. The gland nut O-ring (thinner) fits in the groove of the gland nut.
- Gently slide the dome O-ring (thicker) over the top (open end) of the quartz dome to about 1” from the open end, Fig 4.
- Gently insert the quartz dome into the gland nut and gently rotate the dome while pushing in until it goes past the nut O-ring and touches the inside top end of the gland nut. See Fig 4 and 5.


WARNING
Do not look directly at UV lamp when lanp is on. UV light can cause serious burns to eyes and skin.

CORRECT
Quartz dome is past gland nut O-ring and is touching the inside top end of the gland nut. Caution: Do not push hard as it can break the quartz dome.
WRONG
Quartz dome is NOT past gland nut O-ring and is NOT TOUCHING the inside top end of the gland nut.


- Carefully slide the quartz dome with gland nut attached into the opening at the top of the UV chamber and hand-tighten the gland nut into place.
CAUTION!
Do not overtighten the gland nut as it can break the quartz dome.
NOTE
Broken quartz domes are not covered under warranty.
Do not use pipe dope or tape on these top threads before attaching gland nut.
- Slowly open supply-valve and valves before and after UV system. Check for leaks. Do not proceed to next step until leaks are fixed.
- From the top of the gland nut, drop the lamp spring into the quartz dome.
- Holding the top 4-pin end of the lamp carefully slide the lamp into the quartz dome and attach the lamp pins to the lamp connector. The lamp connector fits over the pins in only one orientation.
- Slide the lamp connector cover over the gland nut and tighten the screw on it.
- Remove the nut from the ground stud at the top of the unit. Next place the ground wire (green wire with yellow stripes) over the stud and tighten the nut.
- Connect the ballast power cable to the AC supply (with surge protector). The green lamp-on LED will light up and the display will show “365”. This number indicates the number of days left until lamp life expires and must be replaced. Follow Step (E) before consuming water.

Due to the size of the AQUV-20 units, they have a second gland nut at the bottom of the chamber to stabilize the quartz dome. When the quartz dome is installed, it protrudes out of the bottom of the chamber. Install the thin O-ring into the gland nut, push the thicker O-ring over the protruding quartz dome and screw on the bottom gland nut to hold the quartz dome in place and make the seal. There is a small black cap that clips into the end of the gland nut to protect the dome


YOUR AQUA FLO AQUV UV DISINFECTION SYSTEM IS NOW READY FOR SERVICE.
DISINFECTION PROCEDURE
WARNING
Failure to follow disinfection procedure could result in micro-biologically unsafe water leading to potential illness or death.
Before service begins, all household plumbing lines should be disinfected to prevent the possibility of re-contamination after UV disinfection. You should also disinfect your plumbing system if the power goes out for several hours or more or if the unit has been accidentally shut-off for several hours or more. It is advisable to disinfect the plumbing lines at least once a year. Disinfect after using bypass as well.
The following is a general method for disinfection of plumbing lines. If you are uncertain about the efficacy of this procedure you are advised to contact your local health authority responsible for water safety.
- Shut off the supply valve and de-pressurize the lines by opening a tap until it runs dry.
- Remove the filter in the filter housing and add about 1-2 cups (250-500ml) of unscented household bleach (5 to 6% sodium hypochlorite) to the empty filter housing and put it back on the filter head.
- Open the supply valve and slowly open a faucet and let the water run until you can smell the chlorine and then shut the faucet off. Repeat the procedure for all hot and cold outlets in the house. Add more bleach as required. Run hot faucets longer to allow the chlorine to come through the hot water tank.
- Leave the bleach solution in the plumbing system for about 6 to 8 hours preferably overnight.
- Shut-off the supply valve again and open a faucet to depressurize the system. Open the filter housing and re-install the filter cartridge and then re-attach the filter housing. Make sure that the UV system is ON.
- Take off aerators (if any) on the faucets, open the supply valve slowly, and thoroughly flush all outlets until the chlorine smell is minimal.
- You are ready to use the water now.
BALLAST FOR AQUV UV SYSTEMS
The Aqua Flo AQUV advanced micro-processor controlled electronic UV ballast is for use all Aqua-Flo AQUV systems. It features both audio and visual alarms to indicate the lamp operation and an integral annual lamp change reminder timer.
NORMAL DISPLAY: Number of days left before lamp expires and must be replaced. Starts at 365 and ends at 0.
Press button to display the total running days of the unit since installation (maximum 9999 days). Display goes back to default after 10 seconds.
“LF” – LAMP FAULT: If the lamp is disconnected or defective (burned out), the display will show “LF” with the red LED on, and the ballast will beep every 2 GREEN LED seconds. If you press the button once, display will show “lamp life remaining” and go back to
“LF” after 10 seconds. If you press the button again before 10 seconds, display will show “total running time” and then after 10 seconds go back to “LF”. In the “LF” alarm do not consume water until you replace UV lamp and cleared the alarm.

“A3” – LAMP EXPIRY: If the display shows “A3” alarm with red LED on and ballast beeps every 5 seconds, it indicates that the lamp has expired. Do not consume water until lamp is replaced.
You can silence the alarm for 7 days by pressing and holding the button until “dELy” is displayed. You can silence the alarm 3 times after which the alarm will not silence until you replace the UV lamp.
RESETTING THE LAMP EXPIRY TIMER: After replacing the UV lamp annually, you must re-set the ballast timer to clear the “A3” alarm. To do this press and hold the button for approx 10 seconds until “rSET” is displayed. Release button and the ballast will emit a long beep to confirm reset. Green LED will come on and red LED will turn OFF. Display will show “365” again.
MAINTENANCE
Your UV system is ON continuously during normal use and will continuously supply safe water. (Note: Do not try to shut it off during short periods of non-use as repeated ON/OFF cycles can shorten the UV lamp and ballast life). Failure to follow disinfection procedure if the system is shut off could result in micro-biologically unsafe water leading to potential illness or death.
To maintain the optimum disinfection performance of the UV system:
- UV lamp should be replaced when the display reaches “0”. At this point, the UV lamp continues to light but its ability to disinfect the water drops below safe limits. Therefore the UV lamp MUST BE REPLACED WHEN THE LAMP REPLACEMENT ALARM “A3” COMES ON.
- The quartz dome should be cleaned at the time of lamp replacement. If the water quality parameters listed in section ‘C’ are exceeded, you should clean and inspect the quartz dome more frequently and clean as necessary.
- Replace pre-filters every 4-6 months.
| ITEM | REPLACEMENT FREQUENCY | CLEANING |
| UV Lamp | Every 1 year of use | N/A |
| Quartz Dome | Every 3 years | At least during every annual lamp change. More frequently if water is hard or has iron, manganese etc. |
| O-Rings | Annually | N/A |
WARNING
USE ONLY GENUINE AQUA FLO AQUV LAMPS
Use only GENUINE AQUA FLO AQUV UV Lamps with your UV system. Aqua Flo UV lamps are designed with extensive product research and engineering to provide reliable and consistent UV output and performance that ensures the safety of your drinking water. Using non-Aqua Flo AQUV UV lamps can not only compromise the system performance but also voids your product warranty, electrical and CSA certification, and may result in any one or more of the following issues:
- Unsafe drinking water which may lead to illness and/or death
- Ballast failure
- Electrical fire Use of non-Aqua Flo AQUV lamps will void all warranty & product certification Genuine Aqua Flo AQUV lamps can be identified as follows:

How to replace the UV Lamp and clean Quartz Dome:
- Unplug UV unit from electrical outlet and turn off supply valve before the unit. Open a faucet to depressurize the UV system and turn off the valve at the UV outlet to isolate UV unit. CAUTION: The lamp end can be very hot. Wait several minutes for the lamp to cool down.
- Unscrew the ground nut and remove the ground wire (green wire with yellow stripes).
- Loosen the screw on the lamp connector cover and remove cover from the gland nut.
- Carefully slide UV lamp slightly out of chamber and hold the lamp end with one hand. Gently pull off the connector with your other hand to disconnect the lamp completely. Slowly remove lamp from the disinfection chamber completely.
- Remove the quartz dome by loosening the gland nut and carefully extracting from the unit. Remove dome absolutely vertically from its position until the other end comes out. CAUTION: If you bend the dome mid-way, it can break easily and pieces of quartz can fall into the UV chamber. Do not lose the spring.
- Remove & discard used dome O-ring. Clean dome gently with a vinegar solution or a household scale-removal product. Do not use abrasive pads. A soft cloth or paper towel is recommended.
- Using a small pointed tool carefully take the gland-nut O-ring out of the gland nut. Take care not to scratch the gland nut.
- A dome O-ring (thicker) and gland nut O-ring (thinner) are included with the replacement lamp. Slide gland nut O-ring into the internal groove of the gland nut.
- Follow instructions 7 to 15 in previous section “Installing the UV Unit”. Do not plug in ballast yet.
- Depress timer button while reconnecting ballast to electrical outlet and keep the button depressed until the ballast emits a solid three-second beep. This will re-set the lamp-change-timer to zero and the 3-second beep will confirm that the re-set was successful.

Winterizing Your System:
To winterize the system, unplug the unit first. Drain the pre-filter by removing the sump and dump the water, then drain the UV chamber of all water.
RODUCT TROUBLESHOOTING
| PROBLEM | PROBABLE CAUSE | SOLUTION |
| Leak at gland nut | Gland nut is loose or O-ring defective | Hand-tighten gland nut & replace O-ring(s) |
| Condensation outside the UV chamber | High humidity in the environment | This is normal if humid conditions exist. Install dehumidifier to protect ballast. Protect flooring below UV |
| Hot water coming out of taps/faucets | Water inside UV unit becomes hot after long periods of non-use. You may have oversized the unit for the home | To prevent scalding, before using water after periods of non-use such as overnight, flush water for about 2 minutes. Install a temperature controlled purge valve on the UV outlet |
| UV lamp ends seem burnt after some time | This is normal | As long as the UV lamp lights, a little burn mark at the ends is normal and there is no need to replace the UV lamp |
TECHNICAL SPECIFICATIONS
| Category | AQUV-8 | AQUV-12 | AQUV-20 |
| Maximum flow rate @ 30 mJ/cm2* | 8 gpm / 30 lpm | 12 gpm / 45 lpm | 20 gpm / 75 lpm |
| Maximum flow rate @ 40 mJ/cm2* | 5 gpm / 19 lpm | 8 gpm / 30 lpm | 12 gpm / 45 lpm |
| Lamp service life | 9000 Hours | ||
| Lamp Power | 35 watt | 45 watt | 65 watt |
| Power Consumption | 35 watt | 45 watt | 65 watt |
| Annual lamp change timer | Yes | ||
| Lamp-ON Indicator | Yes | ||
| Audio/Visual alarms | Yes | ||
| Chamber material | 304 Stainless Steel | ||
| Chamber dimensions (D x L) | 3.5” x 16.0” | 3.5” x 20.0” | 3.5” x ” 31.125″ |
| Controller dimensions (L x W x D) | 8” x 3” x 2.25” | ||
| Inlet/Outlet port size | 3/4″NPT | 1″ NPT | |
| AC supply voltage | 120V, 50/60Hz, 0.8A | ||
| Maximum operating pressure | 100psi | ||
| Water temperature range | 2 – 40°C (36-104°F) | ||
| Shipping Weight | 9lb / 4kg | 10lb / 4.5kg | 13lb / 5.9kg |
*Dosage based on a UVT value of 96%
PARTS LIST
AQUV-8, AQUV-12, AQUV-20

| ITEM AS LABELLED | PART NUMBER | DESCRIPTION | QTY |
| 1 | 40020068 | Ballast, power cord & lamp connector assembly | 1 |
| 2 | 430335 | SS UV Chamber for AQUV-8 | 1 |
| 3 | 430336 | SS Chamber for AQUV-12, | 1 |
| 4 | 430337 | SS Chamber for AQUV-20 | 1 |
| 5 | With Chamber | Mounting Clamps | 2 |
| Gland Nut | 1 (2 for AQUV-20) | ||
| 6 | 32701076 | #10 SS Screws | 6 |
| 7 | 36003037 | Quartz Dome for AQUV-8 | 1 |
| 8 | 36003038 | Quartz Dome for AQUV-12 | 1 |
| 9 | 36003039 | Quartz Dome for AQUV-20 | 1 |
| 10 | 80127301 | Gland Nut O-Ring (Thinner) | 1 (2 for AQUV-20) |
| 11 | 80127302 | Dome O-Ring (Thicker) | 1 (2 for AQUV-20) |
| 12 | 89112 | UV Lamp for AQUV-8 | 1 |
| 13 | 89113 | UV Lamp for AQUV-12 | 1 |
| 14 | 89114 | UV Lamp for AQUV-20 | 1 |
| 15 | 80127402 | Lamp Spring | 1 |
Replacement Parts
| System | AQUV-8 | AQUV-12 | AQUV-20 |
| Item # | 40030101 | 40030102 | 40030103 |
| Lamp | 89112 | 89113 | 89114 |
| QuartzDome | 36003037 | 36003038 | 36003039 |
| Controller | 40020068 | 40020068 | 40020068 |
LIMITED WARRANTY
The Ultraviolet Water Disinfection Systems stainless steel housing is warranted to the original purchaser for a period of seven (7) years, from the date of purchase, against defects in materials and workmanship. The Ultraviolet Water Disinfection Systems miscellaneous hardware, seals and electrical system are warranted to the original purchaser for a period of one (1) year, from the date of purchase, against defects in materials and workmanship. The Ultraviolet lamp and quartz sleeve are warranted for a period of thirty (30) days from the date of purchase against defects in materials and workmanship.
Subject to the conditions and limitations described below, this product, if returned to us with proof of purchase within the stated warranty period and if covered under this warranty, will be repaired or replaced (with the same model, or one of equal value or specification) – at our option. We will bear only the cost of any repair or replacement.
The purchaser is responsible for communication of all necessary information regarding the application and use of product.
Under no circumstances will Canature be responsible for any other direct or consequential damages, including but not limited to travel expenses, rented equipment, outside contractor fees, unauthorized repair shop expenses, lost profits, lost income, labour charges, delays in production, idle production, which damages are caused by any defect in material and/or workmanship and/or damage or delays in shipment.
This warranty is expressly in lieu of any other express or implied warranty, including any warranty of merchantability or fitness for a particular purpose and excludes all other express or implied warranties to the extent permitted by law.
For clarity, where exclusion is not permitted by law, those express or implied warranties are not excluded by this warranty.
This warranty is subject to the following conditions and limitations:
- This warranty will not apply if water passing through the Ultraviolet Disinfection System has:
- Turbidity / Suspended Solids: More than 1.0 NTU.
- Hydrogen Sulphide concentrations greater than 0.05 PPM (0.05 mg/l).
- Iron concentration greater than 0.3 ppm (0.3 mg/l) or Manganese greater than 0.05 ppm (0.05 mg/l).
- Hardness concentrations greater than 7 GPG (119 PPM). e) Tannins or colour.
- A bill of sale verifying the purchase and purchase date must be provided.
- This warranty will NOT apply to any product or part thereof which is worn or broken or which has become inoperative due to abuse, misuse, accidental damage, neglect, or lack of proper installation, operation or maintenance (as outlined in the applicable owner’s manual or operating instructions) or which is being used for industrial, professional, commercial, or rental purposes
- This warranty will not apply to normal wear and tear or to expendable parts or accessories that may be supplied with the product which are expected to become inoperative or unusable after a reasonable period of use.
- This warranty will NOT apply to any product that was sold to the original purchaser as a reconditioned or refurbished product unless otherwise specified in writing.
- This warranty will NOT apply to any product or part thereof if any part from another manufacturer is installed therein or any repairs or alterations have been made by unauthorized person(s).
- This warranty will NOT apply to normal deterioration of the exterior finish, such as, but not limited to scratches, dents, paint chips, or to any corrosion or discoloring by heat, abrasive, and chemical cleaners.
Canature WaterGroup Canada Inc.
855 Park St.
Regina, SK, S4N 6M1
CANADA
Toll Free: (877) 288-9888
Canature WaterGroup U.S.A. Inc.
6353 Commerce Drive
Whitestown, IN, 46075
USA
Toll Free: (877) 288-9888


NORMAL DISPLAY: Number of days left before lamp expires and must be replaced. Starts at 365 and ends at 0.
Press button to display the total running days of the unit since installation (maximum 9999 days). Display goes back to default after 10 seconds.
“LF” – LAMP FAULT: If the lamp is disconnected or defective (burned out), the display will show “LF” with the red LED on, and the ballast will beep every 2 GREEN LED seconds. If you press the button once, display will show “lamp life remaining” and go back to
“A3” – LAMP EXPIRY: If the display shows “A3” alarm with red LED on and ballast beeps every 5 seconds, it indicates that the lamp has expired. Do not consume water until lamp is replaced.
You can silence the alarm for 7 days by pressing and holding the button until “dELy” is displayed. You can silence the alarm 3 times after which the alarm will not silence until you replace the UV lamp.
RESETTING THE LAMP EXPIRY TIMER: After replacing the UV lamp annually, you must re-set the ballast timer to clear the “A3” alarm. To do this press and hold the button for approx 10 seconds until “rSET” is displayed. Release button and the ballast will emit a long beep to confirm reset. Green LED will come on and red LED will turn OFF. Display will show “365” again.

















