
KENT Pristine UV Water Purifiers Instructions



Marketed by:
KENT RO SYSTEMS LTD.
E-6, 7 & 8, Sector-59, Noida, U.P.-201 309, India.
E-mail: [email protected] | Website: www.kent.co.in
KENT RO SYSTEMS LTD.
1) Khasra No. 93, Village-Bantakhedi, Tehsil-Roorkee,
District-Haridwar, Uttarakhand-247 668, India.
2) A-6, Sector-87, Noida-201 305, U.P., India.
For customer complaints, contact our Customer Care Officer at:
E-6, 7 & 8, Sector-59, Noida, U.P.-201 309, India. Call: 92-789-12345
E-mail: [email protected] or visit us at www.kent.co.in
Welcome to KENT
Dear Customer
Welcome to the world of KENT leaders of the water purification industry in India. With a KENT product, you have all the reasons to smile, since at KENT we take pride in the quality and laboratory-tested performance of our products.
We are confident that your decision to own the KENT Pristine UV will go a long way in serving you with purer and healthier drinking water – thus keeping you and your family in good health.We assure you that you will be satisfied with its trouble free performance, and quality which comes without any compromise.
This manual is an effort towards familiarizing you with the operation and maintenance of the KENT Pristine UV Before operating the unit, please read the manual thoroughly and retain it for future reference.
Should you need further assistance, do not hesitate to contact your nearest KENTdealer or branch.
Best Wishes
KENT RO SYSTEMS LTD.
Introduction
KENT proudly presents the KENT Pristine UV – the new advanced fully automatic UV purifier
with a storage tank.
The innovative KENT Pristine UV developed at KENT laboratories, provides the double
purification of UV+UF. While the initial purification by UV deactivates bacteria and viruses, the
double purification by the fine pores of the Hollow Fibre UF Membrane reduces them from the
purified water. The Activated Carbon Pre-filter reduces bad taste and odour, so that the water
you drink is healthy, safe and tasty.
Salient Features of the KENT Pristine UV
- Wall-mounted design, best suited for domestic purposes.
- Double purification, first by UV followed by Hollow Fiber UF Membrane-filters out bacteria, viruses and even cysts.
- Fully automatic operation with auto-on and auto-off facility
- Computer Controlled Operation with Filter Change Alarm and UV Fail Alarm.
- Transparent, detachable tank for easy onsite cleaning
- Purified water storage tank with 8L capacity
- LED indicators for power on and purification process on display
- Tamper-proof UF Membrane fused inside membrane housing
- Push-fit components give leak-proof & maintenance-free performance
- Mounted SMPS for over voltage protection
- ABS material construction for corrosion free life span
- Ideal for tap/municipal water supply
Items in the Box
- KENT Pristine UV : 1 N
- 3-Way Connector : 1 N
- S.S. Ball Valve : 1 N
- Food Grade Pipe 0.635 cm (White) : 2.5 Meters
- Screws & Plastic Inserts : 2 N each
- Center Drill Sticker : 1 N
- Warranty Card : 1 N
Important Instructions



UV Process
Ultra Violet (UV) rays are high energy rays a wavelength shorter than that of visible light. They
are called ultraviolet because they are just beyond violet light in the spectrum. Technically, ultraviolet light is defined as any wavelength of light which is shorter than 400 nanometer.
When transmitted into water, UV radiation is absorbed by the DNA of pathogens. These UV rays alter the DNA of these pathogens in such a way that they lose the ability to reproduce, multiply and infect. Thus, they are essentially killed and cannot cause infection. This process of DNA modification is known as inactivation.

UF Process
Ultra Filtration is a separation process that uses membranes with a pore size of 0.1 microns.
The UF membrane has the capacity to reduce colloidal material including bacteria and cysts
from drinking water. Low applied pressure is therefore sufficient to achieve high flux rates from
an Ultra Filtration Membrane.
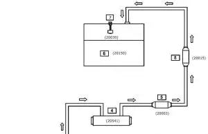
Water Flow Diagram



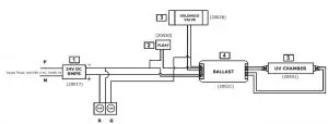
Electrical Circuit Diagram


Computer Controlled Operation
To ensure the delivery of purer and healthier water, a micro processor is installed in the purifier
to performs the following functions:-
UV Stabilisation Delay: To ensure that the UV lamp is pre-heated and is working at its optimum before it starts disinfecting water, the controller provides a two second delay to the UV lamp when a purifier is switched on. During this period, only the UV lamp is on and all other electrical devices of the purifier are switched off and no water flows through.
Purification Delay: To ensure that the water lying idle in the internal pipes and theUVchamber
is thoroughly disinfected before being passed onto the storage tank, the system provides
approximately 5 seconds of Purification Delay when the purifier is switched on. During this period, all electrical devices except theUVlamp are switched off and theUVlamp kills the micro
organisms present in the water inside the UV chamber. After this delay, all other electrical devices such as solenoid valve etc., get activated and the normal purification process starts.
Audible Alarm: The microprocessor also controls the activation of the UV Fail Alarm and
Filter Change Alarm.
UV Fail Alarm
To ensure purer water throughout the service cycle, KENT Pristine UV is equipped with an inbuilt UV Fail Alarm which gets activated in the event of UV lamp failure. In case the UV lamp
malfunctions, the purification process automatically stops and the purifier starts emitting a short beep at an interval of every 2 seconds.

Installation Instructions
KENT Pristine UVis a convenient and easy-to-install wall mounting model.
Recommended Site Preparations:
- Single Phase 140-250 VAC, 50-60 Hz. supply not more than 3 m away from the point of installation
- Raw water supply with ½ inch nipple not more than 3m away
- Installation space as per the dimensions of the purifier
- Wall/plane surface for mounting screws and holding the machine. Avoid installation on wooden and metallic stands
- For optimum inlet pressure, the source water tank should be at least 10ft above the purifier installed
- Install the purifier near a sink for easy availability of inlet water lines
- The system and installation must comply with applicable state and local laws & regulations
Installation Procedure:



Starting-up the Purifier
- Switch on the power supply
- Allow the storage tank to fill up to the maximum level
- Switch off the power supply
- Open the upper cover. Lift and drain the storage tank so as to remove the residual dust particles initially present in the pipes and storage tank
- Place the storage tank back and close the upper cover
- Switch on the power supply
- Purifier is ready to use
Note: The glowing red LED indicates the power is on. The glowing green LED indicates the purification process is on.
Maintenance
To ensure that the purifier operates at its BEST, routine maintenance must be performed. The
frequency of maintenance will greatly depend upon the raw water quality and consumption of
purified water.
- Storage tank must be cleaned once in a week. (Refer Cleaning the Water tank Pg. 8)
- In the event of not using purifier for more than two days (while going on a holiday, tour etc.), turn off the raw water supply and drain the storage tank
- Replace the sediment filter and carbon filter once in an year
- Replace the UF membrane once in a year
Important Safety Instructions
- If the supply cord is damaged, it must be replaced by the original part in order to avoid hazard.
- Children should be supervised to ensure that they do not play with the appliance
- This appliance is not intended for use by persons (including children) with reduced physical, sensory or mental capabilities, or lack of experience and knowledge, unless they have been given supervision or instruction concerning use of the appliance by a person responsible for their safety
Warning
- Do not operate the UV-C emitter when it is removed from the appliance enclosure
- Read the maintenance instructions before opening the appliance
- The appliance must be disconnected from the supply before replacing theUV-C emitter
The replacement time of consumables such as filters and membrane is dependent on the
quality of raw water and water consumed.
Cleaning the Water Tank

Recommended → Frequency for Filter/Membrane change
Sediment/Carbon → Once every year or earlier if it gets clogged
Technical Specifications


Read More About This Manual & Download PDF:


















