BARNES ZSGV Series Razor Grinder Pump

SAFETY FIRST
Please Read This Before Installing Or Operating Pump. This information is provided for SAFETY and to PREVENT EQUIPMENT PROBLEMS. To help recognize this information, observe the following symbols:
IMPORTANT! Warns about hazards that can result in personal injury orIndicates factors concerned with assembly, installation, operation, or maintenance which could result in damage to the machine or equipment if ignored.
CAUTION ! Warns about hazards that can or will cause minor personal injury or property damage if ignored. Used with symbols below.
WARNING ! Warns about hazards that can or will cause serious personal injury, death, or major property damage if ignored. Used with symbols below.
Only qualified personnel should install, operate and repair pump. Any wiring of pumps should be performed by a qualified electrician.
WARNING ! – To reduce risk of electrical shock, pumps and control panels must be properly grounded in accordance with the National Electric Code (NEC) or the Canadian Electrical Code (CEC) and all applicable state, province, local codes and ordinances.
WARNING! – To reduce risk of electrical shock, always disconnect the pump from the power source before handling or servicing. Lock out power and tag.
Prevent large articles of clothing, large amounts of chemicals, other materials or substances such as are uncommon in domestic sewage from entering the system. During power black-outs, minimize water consumption at the home(s) to prevent sewage from backing up into the house.
Always keep the shut-off valve completely open when system is in operation (unless advised otherwise by the proper authorities). Before removing the pump from the basin, be sure to close the shut-off valve. (This prevents backflow from the pressure sewer.)
Keep the control panel locked or confined to prevent unauthorized access to it.
If the pump is idle for long periods of time, it is advisable to start the pump occasionally by adding water to the basin.
CAUTION! Pumps build up heat and pressure during operation-allow time for pumps to cool before handling or servicing.
WARNING! – DO NOT pump hazardous materials (flammable, caustic, etc.) unless the pump is specifically designed and designated to handle them.
Do not block or restrict discharge hose, as discharge hose may whip under pressure.
WARNING! – DO NOT wear loose clothing that may become entangled in the impeller or other moving parts.
WARNING! – Keep clear of suction and discharge openings. DO NOT insert fingers in pump with power connected.
Make sure lifting handles are securely fastened each time before lifting. Do not operate pump without safety devices in place. Always replace safety devices that have been removed during service or repair.
Do not exceed manufacturers recommendation for maximum performance, as this could cause the motor to overheat.
Secure the pump in its operating position so it can not tip over, fall or slide.
Cable should be protected at all times to avoid punctures, cut, bruises and abrasions – inspect frequently.
Never handle connected power cords with wet hands.
To reduce risk of electrical shock, all wiring and junction connections should be made per the NEC or CEC and applicable state or province and local codes. Requirements may vary depending on usage and location.
Submersible Pumps are not approved for use in swimming pools, recreational water installations, decorative fountains or any installation where human contact with the pumped fluid is common.
Do not remove cord and strain relief. Do not connect conduit to pump.
Returned Must Be Cleaned, Sanitized, Or Decontaminated As Necessary Prior To Shipment, To Insure That Employees Will Not Be Exposed To Health Hazards In Handling Said Material. All Applicable Laws And Regulations Shall Apply.
Bronze/brass and bronze/brass fitted pumps may contain
lead levels higher than considered safe for potable water systems. Lead is known to cause cancer and birth defects or other reproductive harm. Various government agencies have determined that leaded copper alloys should not be used in potable water applications. For non-leaded copper alloy materials of construction, please contact factory.
IMPORTANT! – Crane Pumps & Systems, Inc. is not responsible for losses, injury, or death resulting from a failure to observe these safety precautions, misuse or abuse of pumps or equipment.
PUMP SPECIFICATIONS
- DISCHARGE ………………….. 1¼”
- LIQUID TEMPERATURE …. 104°F (40°C) Continuous
- MOTOR HOUSING …………. Cast Iron ASTM A-48, Class 30
- VOLUTE ………………………… Cast Iron ASTM A-48, Class 30
- SEAL PLATE …………………. Cast Iron ASTM A-48, Class 30
- DOUBLE SEAL PLATE …… Cast Iron ASTM A-48, Class 30
IMPELLER
- Design ………… 12 vane, Splitter-Type, vortex, with pump out vanes on back side. Dynamically balanced, ISO G6.3
- Material ……….. Cast Iron ASTM A-48, Class 30
- CUTTER PLATE …………….. Hardened 440C Stainless Steel Rockwell® C-55
- CUTTER ………………………… Hardened 440C Stainless Steel Rockwell® C-55
- SHAFT …………………………… 416 Stainless Steel
- O-RING ………………………….. Buna-N
- HARDWARE ………………….. 300 Series Stainless Steel
- PAINT ……………………………. Powder Coat
- SEAL Design …………. Single or Double Mechanical, oil filled reservoir
- Material ……….. Rotating Faces – Silicon-Carbide
- Stationary Faces – Silicon-Carbide
- Elastomer – Buna-N
- Hardware – 300 series stainless steel
- CORD ENTRY ………………… Custom Molded, Quick Connected for sealing and strain relief
- CORD ……………………………. CSA/UL Approved 12/5
- Type SOW
- SPEED ………………………….. 3450 RPM, 60Hz
- 2875 RPM, 50Hz
UPPER BEARING:
- Design …………. Single Row, Ball
- Lubrication …… Oil
- Load ……………. Radial & Thrust
LOWER BEARING
- Design …………. Single Row, Ball
- Lubrication …… Oil
- Load ……………. Radial & Thrust
- MOTOR Design …………. NEMA L, Oil Filled,
Squirrel Cage Induction
- Insulation …….. Class F
- SINGLE PHASE ……………… Capacitor start/capacitor run
- LEVEL CONTROLS: ………. SOLD SEPARATELY, Model
- ESPS-150™, Environmentally sealed pressure switch with CPVC housing, HNBR diaphragm, Custom Molded Quick Connect for Sealing and Strain Relief
- OPTIONAL EQUIPMENT …. Additional Cord, Automatic to Manual Adapter Plug Kit, BSP Check Valve
- Kit, C-Channel Rail Check Valve Kit,
- NPT Check Valve Kit, Base Kit




| MODEL NO | HP | VOLT | PH | NEMA START CODE | FULL LOAD AMPS | LOCKED ROTOR AMPS | CORD SIZE | CORD O.D. ± .02 (.5) in (mm) | WINDING RESISTANCE MAIN — START | RECOMMENDED BREAKER SIZE |
| ZSGV2072_ _ ZOGV2072_ _ | 2 | 208- 240 | 1 | H | 17.5- 15.0 | 53.8 | “12/3 12/5” | .61 (15.5) .71 (18) | 1.2–3.2 | 25 AMP |
| ZSGV2082_ _ | 2 | 208- 240 | 3 | J | 8.5-8.2 | 43.9 | 12/4 | .67 (17.0) | 1.6 | 15 AMP |
| ZSGV2042_ _ | 2 | 480 | 3 | J | 4.6 | 22.0 | 12/4 | .67 (17.0) | 6.4 | 10 AMP |
| ZSGV2052_ _ | 2 | 600 | 3 | J | 3.6 | 14.5 | 12/4 | .67 (17.0) | 11.5 | |
| ZSGV20Z2_ _ | 2 | 380 | 3 | J | 5.2 | 26.3 | 12/4 | .67 (17.0) | 10.2 | 10 AMP |
Winding Resistance ± 5%, measured from terminal block.
Pump rated for operation at ± 10% voltage at motor.
For 3 Phase Models: Temperature Sensor Cord is 14/3 SOW. .55 (14mm) ± .02 (.51mm) OD
ZSGV2072L: Start Cap– 300V, 250MF Run Cap– 370V, 30MF Switch– Samusco ECS 224L
| Recommended Breaker Sizes | |||||
| Pump Model | HP | Phase | Volts | Frequency | Breaker Size |
| ZSGV2072_ _ ZOGV2072_ _ | 2 | 1 | 208-240 | 60 | 25 |
| ZSGV2042_ _ | 2 | 3 | 208-240 | 60 | 15 |
| ZSGV2042_ _ | 2 | 3 | 480 | 60 | 10 |
| ZSGV20Z2_ _ | 2 | 3 | 380 | 50 | 10 |
Tie the bowline knot where shown per the directions provided (Steps 1 through 5).
On the CC series, tie one bowline knot on the moveable fitting and one bowline knot in the handle on the pump (See Fig 1).

On the CT (Not Shown) series tie bowline knot on the handle.
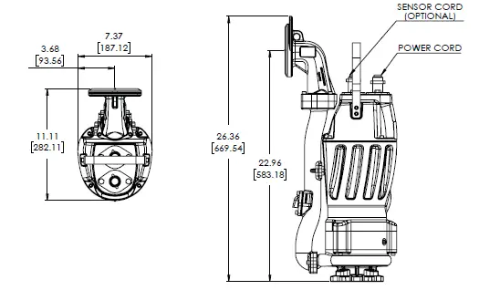
The nameplate is located on the side of the pump. This contains the pumps part number, horsepower voltage, phase, and serial number, as well as other information. The start-up form located in the back of this manual contains a place to record this data. The information should be recorded now so the pump does not have to be pulled again later. The start-up form can be left in the control panel until station start-up is completed later.
RECEIVING/UNPACKING:
Upon receiving the pump, it should be inspected for damage or shortages. If damage has occurred, file a claim immediately with the company that delivered the pump. Unpack pump and record pump serial and model number before installing. If the manual is removed from the pack-aging, do not lose or misplace.
STORAGE:
Short Term- For best results, pumps can be retained in storage, as factory assembled, in a dry atmosphere with constant temperatures for up to six (6) months. Long Term- Any length of time exceeding six (6) months, but not more than twenty-four (24) months. The units should be stored in a temperature controlled area, a roofed over walled enclosure that provides protection from the elements (rain, snow, wind-blown dust, etc.), and whose temperature can be maintained between +40 deg. F and +120 deg. F. If extended high humidity is expected to be a problem, all exposed parts should be inspected before storage and all surfaces that have the paint scratched, damaged, or worn should be recoated with a air dry enamel paint. All surfaces should then be sprayed with a rust-inhibiting oil.
Pump should be stored in its original shipping container. On initial start up, rotate impeller by hand to assure seal and impeller rotate freely. If it is required that the pump be installed and tested before the long term storage begins, such installation will be allowed provided:
- The pump is not installed under water for more than one (1) month.
Immediately upon satisfactory completion of the test, the pump is removed, thoroughly dried, repacked in the original shipping container, and - placed in a temperature controlled storage area. Before placing pump into service, pump should be brought to operational temperature range.
- Excessive or direct heating or cooling should NOT be used.
OPERATION TEMPERATURE RANGE: +35ºF (2ºC) to 104ºF (40ºC).
SERVICE CENTERS:
For the location of the nearest Barnes Service Center, check your Barnes representative or Crane Pumps & Systems, Inc. Service Department in Piqua, Ohio, telephone
(937) 778-8947 or in Brampton, Ontario, Canada
(905) 457-6223.
INSTALLATION:
Location – The pump is designed to fit into your basin ei-
ther by sliding down the rail assembly, or by being mount-ed on a pump base. THIS PUMP MUST BE INSTALLED WITH A MINIMUM OF 3 INCHES AND A MAXIMUM OF 4.5 INCHES OF CLEARANCE UNDER THE PUMP FOR THE ENTRANCE OF SEWAGE SOLIDS
Discharge – Assemble discharge piping or hose assembly (whichever is required by your application), to the pump. Discharge piping should be as short as possible. Both a check valve and a shut-off valve are required for each pump being used. The check valve is used to prevent backflow into the sump. Excessive backflow can cause flooding and/ or damage to the pump. The shut-off valve is used to stop system flow during pump or check valve servicing.
An anti-siphon valve is also required.
Package Systems- Refer to manual supplied with basin package system.
ELECTRICAL CONNECTIONS
Pump Cables – The cord assembly mounted to the pump must NOT be modified in any way except for shortening to a specific application. Any splice between the pump and the control panel must be made in accordance with the National Electric Code or the Canadian Electric Code and all applicable state, province and local electric codes. It is recommended that a junction box, be mounted outside the sump or be of at least Nema 4 (EEMAC-4) construction if located within the wet well. DO NOT USE THE POWER OR CONTROL CABLES TO LIFT PUMP!
Overload Protection – For single phase, the type of in-winding overload protector used is referred to as an inherent overheating protector and operates on the combined effect of temperature and current. This means that the overload protector will trip out and shut the pump off if the windings become too hot, or the load current becomes too high. It will then automatically reset and start the pump after the motor cools to a safe temperature.
In the event of an overload, the source of this condition should be determined and rectified immediately. DO NOT
LET THE PUMP CYCLE OR RUN IF AN OVERLOAD CONDITION OCCURS !
Wire Size – If additional cable is required consult a
qualified electrician for proper wire size.
CABLE CONNECTIONS:
Power/Control Cable- Insert female end of cable plug into housing bore aligning alignment mark with hole in terminal block see Figures 4 & 5. Tighten bolts on compression flange until flush with motor housing. Pump Power – Large Pin (furthest from discharge) Level Control – Small Pin (closest from discharge) Level control cord has molded fitting at both ends of the cord. Install one end to the Pump and the other end to the Level Control.



TROUBLE SHOOTING
| TROUBLE SHOOTING | ||
| CAUTION ! Always disconnect the pump from the electrical power source before handling. If the system fails to operate properly, carefully read instructions and perform maintenance recommendations. If operating problems persist, the following chart may be of assistance in identifying and correcting them: MATCH “CAUSE” NUMBER WITH CORRELATING “CORRECTION” NUMBER. NOTE: Not all problems and corrections will apply to each pump model. | ||
| PROBLEM | CAUSE | CORRECTION |
| Pump will not run | 1. Poor electrical connection, blown fuse, tripped breaker or other interruption of power, improper power supply. 2. Motor or switch inoperative (to isolate cause, go to manual operation of pump). 2a. Float movement restricted. 2b. Switch will not activate pump or is defec- tive. 3a. Insufficient liquid level. 3b. Switch is unable to activate | 1. Check all electrical connections for security. Have electrician measure current in motor leads, if current is within ±20% of locked rotor Amps, impeller is probably locked. If current is 0, overload may be tripped. Remove power, allow pump to cool, then recheck current. 2a. Reposition pump or clean basin as required to provide adequate clearance for float. 2b. Disconnect level control. Set ohmmeter for a low range, such as 100 ohms full scale and connect to level control leads. Actuate level control manually and check to see that ohmmeter shows zero ohms for closed switch and full scale for open switch. (Float Switch). 3a. Make sure liquid level is at least equal to suggested turn-on point. 3b. Rotate ESPS level control in horizontal position. 4. Recheck all sizing calculations to determine proper pump size. 5. Check discharge line for restrictions, including ice if line passes through or into cold areas. 6. Remove and examine check valve for proper installation and freedom of operation. 7. Open valve. 8. Check cutter for freedom of operation, security and condition. Clean cutter and inlet of any obstruction. 9. Loosen union slightly to allow trapped air to escape.Verify that turn-off level of switch is set so that the suction is always flooded. Clean vent hole. 10. Remove & examine for damage. Replace pump stator if required. 11. Repair fixtures as required to eliminate leakage. 12. Check pump temperature limits & fluid temperature. 13. Replace portion of discharge pipe with flexible connector. 14. Turn to automatic position. 15. Check for leaks around basin inlet and outlets. |
| Pump will not turn off | 2a. Float movement restricted. 2b. Switch will not activate pump or is defec- tive. 4. Excessive inflow or pump not properly sized for application. 9. Pump may be airlocked. 14. H-O-A switch on panel is in “HAND” posi- tion | |
| Pump hums but does not run | 1. Incorrect voltage 8. Cutter jammed or loose on shaft, worn or damaged, inlet plugged. | |
| Pump delivers insufficient capacity | 1. Incorrect voltage. 4. Excessive inflow or pump not properly sized for application. 5. Discharge restricted. 6. Check valve stuck closed or installed backwards. 7. Shut-off valve closed. 8. Cutter jammed or loose on shaft, worn or damaged, inlet plugged. 9. Pump may be airlocked. 10. Pump stator damaged/torn. | |
| Pump cycles too frequently or runs periodically when fixtures are not in use | 6. Check valve stuck closed or installed backwards. 11. Fixtures are leaking. 15. Ground water entering basin. | |
| Pump shuts off and turns on indepen- dent of switch, (trips thermal overload protector). CAUTION! Pump may start unexpectedly. Disconnect power supply. | 1. Incorrect voltage. 4. Excessive inflow or pump not properly sized for application. 8. Cutter jammed, loose on shaft, worn or damaged, inlet plugged. 12. Excessive water temperature. | |
| Pump operates noisily or vibrates excessively | 4. Operating at too high a pressure. 5. Discharge restricted. 8. Cutter broken. 13. Piping attachments to buiding structure too rigid or too loose. | |

ZSGV PARTS LIST
| ITEM | QTY | PART NO. | DESCRITION | MATERIAL |
|
1 |
1 | 143448 | ASSY, DRIVER, RAZOR (MANUAL) 2HP, 60HZ, 208-240V, 1PH | |
| 145241 | ASSY, DRIVER, RAZOR, MS&TS (AUTO) 2HP, 60HZ, 208-240V, 1PH | |||
| 145242 | ASSY, DRIVER, RAZOR, MS&TS (AUTO) 2HP, 60HZ, 208-240V, 3PH | |||
| 145243 | ASSY, DRIVER, RAZOR, MS&TS (AUTO) 2HP, 60HZ, 460V, 3PH | |||
| 145244 | ASSY, DRIVER, RAZOR, MS&TS (AUTO) 2HP, 60HZ, 575V, 3PH | |||
| 145247 | ASSY, DRIVER, RAZOR, TS (AUTO) 2HP, 60HZ, 208-240V, 3PH | |||
| 145248 | ASSY, DRIVER, RAZOR, TS (AUTO) 2HP, 60HZ, 460V, 3PH | |||
| 145249 | ASSY, DRIVER, RAZOR, TS (AUTO) 2HP, 60HZ, 575V, 3PH | |||
| 2 | 1 | 141655BTA1 | IMPELLER,VORTEX,OGV,SGV | CLASS 30 CI |
| 3 | 2 | 111131SD | SEAL,MECH,.875″,SC/SC/B | SC/SC/B |
| 4 | 1 | 145611 | ASSY,VOLUTE,SGV/OGV | |
| 5 | 1 | 141653 | CUTTER,NGG | 440 SS |
| 6 | 2 | 2-31003-162 | O-RING,-162,BUNA,5.737ID | BUNA-N |
| 7 | 1 | 141704 | KEY,3/16SQ,2.00LG,18-8SS | 18-8 |
| 8 | A/R | 143567-005 143567-010 143567-030 143567-060 | SHIM,XXX,.69ID,1.03OD | 316 SS |
| 9 | 1 | 11-34-1 | SCREW,SKHD,1/4-20,1.50″ | 300 SS |
| 10 | A/R | 30237 | LOCTITE #609 THREAD LOCK | |
| 11 | 12 | 11/30/01 | SCREW,SKHD,1/4-20,.75″ | 18-8 SS |
| 12 | 1 | 2-31003-222 | O-RING,-222,BUNA,1.484ID | BUNA-N |
| 13 | 1 | 141650 | ADAPTER,VERT,1.25NPT | CLASS 30 CI |
| 14 | 1 | 145549 | ASSY,BASE,SS,FEET | |
| 15 | 1 | 141644 | PLATE,SEAL,DOUBLE | Gray Cast Iron |
| 16 | 1 | 142924 | COLLAR,SHAFT,.875” | Plain Carbon Steel |
| 17 | 1 | SEE BOM | POWER CORD | |
| 18 | 1 | SEE BOM | SENSOR CORD (OPTIONAL) | |
| NOT SHOWN | 1 | 139741 | SWITCH,START,MOTOR | |
| NOT SHOWN | 1 | 145401 | CAP,RUN,370V,30MF | |
| NOT SHOWN | 1 | 145400 | CAP,START,300V,250MF |
Contact your local Distributor or the Factory for other cord lengths and other optional equipment.
(*) Automatic – ESPS Level Control

ZOGV PARTS LIST
| ITEM | QTY | PART NO. | DESCRITION |
| 1 | 1 | 143449 | ASSY, DRIVER, RAZOR (AUTO) 2HP, 60 HZ, 208-240V, 1PH |
| 143453 | ASSY, DRIVER, RAZOR (MANUAL) 2HP, 60 HZ, 208-240V, 1PH | ||
| 2 | 1 | 141655BTA1 | IMPELLER,VORTEX,OGV,SGV |
| 3 | 1 | 111131SD | SEAL,MECH,.875″,SC/SC/B |
| 4 | 1 | 145611 | ASSY,VOLUTE,SGV/OGV |
| 5 | 1 | 014270-SS | PLUG,PIPE,.375-18NPT,C’SUNK |
| 6 | 1 | 141653 | CUTTER,NGG |
| 7 | 1 | 2-31003-162 | O-RING,-162,BUNA,5.737ID |
| 8 | 1 | 141704 | KEY,3/16SQ,2.00LG,18-8SS |
| 9 | A/R | “143567-005 143567-015 143567-030 143567-060” | Shims |
| 10 | A/R | 30237 | LOCTITE #609 THREAD LOCK |
| 11 | 1 | 11-34-1 | SCREW,SKHD,1/4-20,1.50″ |
| 12 | 9 | 36803 | SCREW,SKHD,1/4-20,.75″ |
| 13 | 1 | 2-31003-222 | O-RING,-222,BUNA,1.484ID |
| 14 | 1 | 141650 | ADAPTER,VERT,1.25NPT |
| 15 | 1 | 145549 | ASSY,BASE,SS,FEET |
| 16 | 1 | SEE BOM | POWER CORD… |
| 17 | 1 | SEE BOM | SENSOR CORD… (Optional) |
| NOT SHOWN | 1 | 147000 | CAP,START,300V, 150MF |
| NOT SHOWN | 1 | 145401 | CAP,RUN,370V, 30MF |
| NOT SHOWN | 1 | 139741 | SWITCH,START,MOTOR |
Contact your local Distributor or the Factory for other cord lengths and other optional equipment.
(*) Automatic – ESPS Level Control
PARTS KITS
- C-Channel Kit ………….P/N: 141707C-KIT Item #’s: 2, 3, 4, 5, 6, 7
- NPT Check Valve Kit . P/N: 141707N-KIT Item #’s: 2, 3A, 4, 5, 6
- BSP Check Valve Kit ..P/N: 141707B-KIT Item #’s: 2, 3B, 4, 5, 6
C-Channel Discharge

BSP/NPT Discharge

Typical Wiring Diagram (Generic)

Limited 3 Year Warranty
Crane Pumps & Systems warrants that products of our manufacture will be free of defects in material and workmanship under normal use and service for thirty-six (36) months after manufacture date, when installed and maintained in accordance with our instructions. This warranty gives you specific legal rights, and there may also be other rights which vary from state to state. In the event the product is covered by the Federal Consumer Product Warranties Law (1) the duration of any implied warranties associated with the product by virtue of said law is limited to the same duration as stated herein, (2) this warranty is a LIMITED WARRANTY, and (3) no claims of any nature whatsoever shall be made against us, until the ultimate consumer, his successor, or assigns, notifies us in writing of the defect, and delivers the product and/or defective part(s) freight prepaid to our factory or nearest authorized service station. Some states do not allow limitations on how long an implied warranty lasts, so the above limitation may not apply. THE SOLE AND EXCLUSIVE REMEDY FOR BREACH OF ANY AND ALL WARRANTIES WITH RESPECT TO ANY PRODUCT SHALL BE TO REPLACE OR REPAIR AT OUR ELECTION, F.O.B. POINT OF MANUFACTURE OR AUTHORIZED REPAIR STATION, SUCH PRODUCTS AND/OR PARTS AS PROVEN DEFECTIVE. THERE SHALL BE NO FURTHER LIABILITY, WHETHER BASED ON WARRANTY, NEGLIGENCE OR OTHERWISE. Unless expressly stated otherwise, guarantees in the nature of performance specifications furnished in addition to the foregoing material and workmanship warranties on a product manufactured by us, if any, are subject to laboratory tests corrected for field performance. Any additional guarantees, in the nature of performance specifications must be in writing and such writing must be signed by our authorized representative. Due to inaccuracies in field testing if a conflict arises between the results of field testing conducted by or for user, and laboratory tests corrected for field performance, the latter shall control. RECOMMENDATIONS FOR SPECIAL APPLICATIONS OR THOSE RESULTING FROM SYSTEMS ANALYSES AND EVALUATIONS WE CONDUCT WILL BE BASED ON OUR BEST AVAILABLE EXPERIENCE AND PUBLISHED INDUSTRY INFORMATION. SUCH RECOMMENDATIONS DO NOT CONSTITUTE A WARRANTY OF SATISFACTORY PERFORMANCE AND NO SUCH WARRANTY IS GIVEN.
This warranty shall not apply when damage is caused by (a) improper installation, (b) improper voltage (c) lightning (d) excessive sand or other abrasive material (e) scale or corrosion build-up due to excessive chemical content. Any modification of the original equipment will also void the warranty. We will not be responsible for loss, damage or labor cost due to interruption of service caused by defective parts. Neither will we accept charges incurred by others without our prior written approval.
This warranty is void if our inspection reveals the product was used in a manner inconsistent with normal industry practice
and\or our specific recommendations. The purchaser is responsible for communication of all necessary information regarding the application and use of the product. UNDER NO CIRCUMSTANCES WILL WE BE RESPONSIBLE FOR ANY OTHER DIRECT OR CONSEQUENTIAL DAMAGES, INCLUDING BUT NOT LIMITED TO TRAVEL EXPENSES, RENTED EQUIPMENT, OUTSIDE CONTRACTOR FEES, UNAUTHORIZED REPAIR SHOP EXPENSES, LOST PROFITS, LOST INCOME, LABOR CHARGES, DELAYS IN PRODUCTION, IDLE PRODUCTION, WHICH DAMAGES ARE CAUSED BY ANY DEFECTS IN MATERIAL AND\OR WORKMANSHIP AND\OR DAMAGE OR DELAYS IN SHIPMENT. THIS WARRANTY IS EXPRESSLY IN LIEU OF ANY OTHER EXPRESS OR IMPLIED WARRANTY, INCLUDING ANY WARRANTY OF MERCHANTABILITY OR FITNESS FOR A PARTICULAR PURPOSE.
No rights extended under this warranty shall be assigned to any other person, whether by operation of law or otherwise, without our prior written approval.




















