DNAKE S615 Door Station
REMARK
Please follow the user manual for correct installation and testing. If there is any doubt please call our tech-supporting and customer center.Our company applies ourselves to reformation and innovation of our products. No extra notice for any change. The illustration shown here is only for reference. If there is any difference, please take the actual product as the standard.The product and batteries must be handled separately from household waste. When the product reaches the end of service life and needs to be discarded, please contact the local administrative department and put it in the designated collection points in order to avoid the damage to the environment and human health caused by any disposal. We encourage recycling and reusing material resources.
PACKAGE CONTENTS
Please make sure the package contains the following items:
PICTURES
BASIC OPERATION
calling indoor monitor
In a standby mode, input room number on door station, for example, when inputting “123” on the door station, then press “#” to enter the call state.
Note: During communication, pressing “*” on the door station, the call gets disconnected.
Phonebook
In a standby mode, press ” G · or ” G · button on the keypad to open phonebook page. Select and press”#” or “0” on the keypad to call.
Unlock the door
In standby mode, press “#” key and enter the PIN Code(default is 0000). Then press “#” key again to confirm. If the PIN Code is correct, the door will be unlocked; if not, it will make a sound like “clatter clatter·.
Unlocking by IC/ID card
Put the registered IC/ID card on card reader area of the door station. If successful, the door will be unlocked.
Calling concierge
In a standby mode, press ··e· to call concierge directly. During ringing, press “-x” key to cancel the call.
Face Recognition
When someone looks at the LCD screen, door station will automatically start the face recognition or the user can press the “*” key twice to enable the face recognition. If the face ID has been registered, the door will be unlocked.
SYSTEM CONFIGURATION 
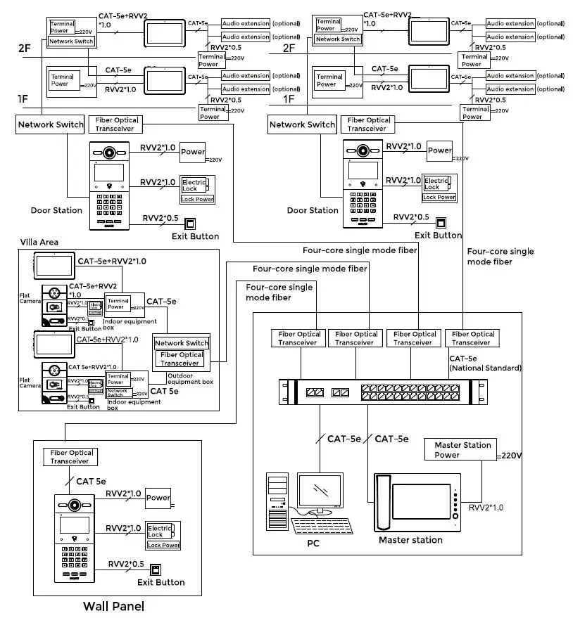
SYSTEM DIAGRAM
Network(PoE)
Standard RJ45 interface connects with master station, indoor monitor or other network equipment by network switch. PSE of power supply equipment shall comply with IEEE 802.3at (POE plus), with output power not less than 30W and output voltage not less than S0V.
Power
Power interface of door station connects with 12V DC power.
Switching Value Output
Connect to the lock module(independent power supply is necessary for the lock).
warning
- When connecting to an inductive l oad device such as a rel ay or electrom agnetic lock, you are recommended to use a diode lA/ 400V(included in the accessories) in anti- par all el with the load device to coM absorb inductive l oad voltage pe aks. NC/NO Intercom will be better protected in this way.
- The load current of the rel ay c annot be g reater th an 2A. See att ached pictu re for more det ails.

RS485
En able to connect equipment with RS485 inter face.
Exit/Door-detector/Fire Fighting Linkage
Card Reader Interface
The interface can be connected to one IC/ID card reader or be used for reading the information of built-in card reader
Note: Door station can only be connected to one card reader or management device at a time.
INSTALLATION 
Product dimension, 133x295x4lmm Flush mounting product dimension, 133x295x63.Smm Hole-cutting dimension: 124x289x56mm
Product dimension, 133x295x4lmm Surface mounting product dimension, 133x295x43mm
Installation method
- According to the installation dimension of door station, dig a square groove at the appropriate position in the wall or door, and dig a hole (drainage hole) at the bottom;
- Drill the threading holes at the bottom of the built-in box to facilitate drainage. Upward arrow is on the front of the built-in box. Embed the built-in box into the wall, then put the built-in box into the groove of the wall, and tighten four screws from top to bottom of the built-in box, or fix the built-in box in the wall with concrete;
- Assemble the door station into the built-in box, align the groove and the built-in box, tighten the screws, and finally inject the glass glue into the top, left and right sides of the door station(note: the glass glue cannot be injected into bottom part that is reserved for the drainage hole at the bottom of door station).
Installation Instructions:
[Suggestion]: The camera should be 1450~ 1550mm above the ground. The camera at this height can capture human face perfectly.
SAFETY INSTRUCTIONS
In order to protect you and others from harm or your device from damage, please read the following information before using the device. Do not install the device in the following places:
- Do not install the device in a high-temperature and moist environment or an area close to magnetic field, such as the electric generator, transformer or magnet.
- Do not place the device near the heating products such as electric heater or the fluid container.
- Do not place the device in the sun or near the heat source, which might cause discoloration or deformation of the device.
- Do not install the device in an unstable position to avoid the property losses or personal injury caused by the falling of device.
Guard against electric shock, fire and explosion:
- Do not use damaged power cord, plug or loose outlet.
- Do not touch the power cord with wet hand or unplug the power cord by pulling.
- Do not bend or damage the power cord.
- Do not touch the device with wet hand.
- Do not make the power supply slip or cause the impact.
- Do not use the power supply without the manufacturer’s approval.
- Do not have the liquids such as water go into the device.
Clean Device Surface
- Clean the device surfaces with soft cloth dipped in some water, and then rub the surface with dry cloth.
- Do not knock on the device with hard objects.
- Do not press the screen surface. Overexertion might cause flopover or damage to the device.
- PleAase be careful when standing up from the area under the device.
- Do not disassemble, repair or modify the device at your own discretion.
- The arbitrary modification is not covered under warranty. When any repair required, please contact the customer service center.
- If there is abnormal sound, smell or fume in the device, please unplug the power cord immediately and contact the customer service center.
- When the device isn’t used for a long time, the adaptor and memory card can be removed and placed in dry environment.
- When moving, please hand over the manual to new tenant for proper usage of the device.























