CALEX IR-CA-EX-21-LT-C-5 ExTemp Mini Series Infrared Temperature Sensor
INTRODUCTION
- ExTempMini intrinsically safe non-contact infrared temperature sensors measure the temperature of an area of the surface of a solid or liquid, and transmit this as a linear 4-20 mA output.
- Temperature ranges from -20°C to 1000°C are available. All models have an adjustable emissivity setting, and may be used to measure a wide variety of target materials, including food, paper, textiles, plastics, leather, tobacco, pharmaceuticals, chemicals, rubber, coal, asphalt and paint.
- A choice of optics is available to measure small or large targets at short or long distances.
- The optional LCT Loop Configuration Tools (USB and RS-485 adapters) and free software allow the ExTempMini to be connected to a PC, PLC or SCADA system for temperature indication, sensor configuration and data acquisition.
- These sensors are designed primarily for use in hazardous areas in conjunction with a suitable Intrinsically Safe isolator. All models have been certified Intrinsically Safe for use in gas hazardous areas by Certification Management Ltd. They comply with the European ATEX Directive 2014/34/EU and are covered by certificates for IECEx (international) and UKCA (United Kingdom). The ExTempMini Series is also approved for use in Japan (JNIOSH-TR-46-1:2020 (General requirements); JNIOSH-TR-46-6:2015 (Intrinsic Safety “i”)).
IMPORTANT INFORMATION FOR USE:
Voltage MUST be supplied by a suitably rated safety isolator.
- For re-configuration of the sensor, the LCT MUST be connected in the safe area, behind the protection of a safety isolator.
- The sensing head MUST NOT be opened. Care should be taken to avoid inadvertently loosening the cable gland when tightening locknuts.
- Do not attempt to repair a faulty unit. Contact the vendor to arrange a return.
CONFORMANCE TO REQUIREMENTS
The sensing head has passed a high voltage withstand test up to 700 VDC.
SPECIFIC CONDITIONS OF USE
The main enclosure of this equipment is not capable of withstanding the 500 VAC / 700 VDC insulation test required by IEC 60079-11:2011 Clause 6.3.13. This shall be taken into account when installing the equipment. Power to the equipment must be supplied by an intrinsically safe isolator. The equipment is not compatible with intrinsically safe Zener barriers.
CONDITIONS FOR SAFE USE (JAPAN)
- The main enclosure does not meet a 500 Vrms dielectric strength test. This shall be taken into account when installing the equipment.
- The supply cable used shall have a temperature rating > +70 °C.
SAFETY PARAMETERS:
The device must not be used outside of the ambient temperature range (Ta), or subjected to voltages, current or power greater than those listed below, in order to ensure safe operation of the device:
| Ui | = | 28 V | Ta | = | -20°C to +70°C (Main Enclosure) -20°C to +180°C (Sensing Head) (see Hazardous Area Classification) |
| Ii | = | 93 mA | Ci | = | 5.17 nF |
| Pi | = | 0.651 W | Li | = | 1.99 µH |
INTRINSIC SAFETY CERTIFICATION
All models of the ExTempMini have been issued an ATEX (CML 22ATEX2007X) Certificate for use in gas explosive atmospheres in above ground installations.The sensing head can be used in all gas Zones including Zone 0. The main enclosure can be installed in Zone 1. The sensing head temperature classification is T3 for ambient temperatures above 115°C.Tables 1-3 describe the ATEX Gas Groups, Gas Zones, and gas ignition temperature classifications in which the ExTempMini is suitable:
| Zone | Description | Supported? | |
| Gas | 0 | Explosive gas air mixture continuously present. | ✓ |
| 1 | Explosive gas air mixture likely to occur in normal operation. | ✓ | |
| 2 | Explosive gas air mixture not likely to occur, and if it does it will only exist for a short time. | ✓ | |
| Dust | 20 | Explosive atmosphere in the form of a cloud of combustible dust in air is continuously present, or for long periods or frequently. | NO |
| 21 | Explosive atmosphere in the form of a cloud of combustible dust in air is likely to occur occasionally in normal operation. | NO | |
| 22 | Explosive atmosphere in the form of a cloud of combustible dust in air is not likely to occur in normal operation, but if it does occur, will only persist for a short period. | NO | |
Table 1: Gas and Dust Zones in which the ExTempMini may or may not be used
| Group Definition Supported? | |||
| Gas | IIA | e.g. Propane | ✓ |
| IIB | e.g. Ethylene | ✓ | |
| IIC | e.g. Hydrogen | ✓ | |
| Dust | IIIA | Combustible flyings | NO |
| IIIB | Non-conductive dusts | NO | |
| IIIC | Conductive dusts | NO | |
Table 2: Gas and Dust Groups in which the ExTempMini is suitable/unsuitable for use
| Gas Ignition Classifi- Temperature cation | Supported? | |||
| Main Enclosure Sensing Head Sensing Head -20°C ≤ Ta ≤ 115°C -20°C ≤ Ta ≤ 180°C | ||||
| 450 °C | T1 | ✓ | ✓ | ✓ |
| 300 °C | T2 | ✓ | ✓ | ✓ |
| 200 °C | T3 | ✓ | ✓ | ✓ |
| 135 °C | T4 | ✓ | ✓ | NO |
| 100 °C | T5 | NO | NO | NO |
| 85 °C | T6 | NO | NO | NO |
Table 3: Gas ignition temperature classifications to which the ExTempMini conforms / does not conform
MODEL NUMBERS
SPECIFICATIONS
| General | |
| Temperature Range | -20°C to 1000°C (see table of Model Numbers) |
| Output | 4 to 20 mA |
| Minimum Temperature Span | 100°C |
| Maximum Temperature Span | 1000°C |
| Field of View | See table of Model Numbers |
| Accuracy | ± 1°C or 1% of reading, whichever is greater |
| Repeatability | ± 0.5°C or 0.5%, whichever is greater |
| Emissivity Setting Range | 0.20 to 1.00 (pre-set to 0.95) |
| Emissivity Setting Method | User configurable via optional USB / RS-485 adapters |
| Response Time, t90 | 240 ms (90% response) |
| Spectral Range | 8 to 14 μm |
| Supply Voltage | 12 to 24 V DC ± 5% |
| Minimum Sensor Voltage | 11.4 V DC |
| Maximum Current Draw | 25 mA |
| Mechanical | Main Enclosure | Sensing Head |
| Construction | Painted aluminium | Stainless Steel 316 |
| Major Dimensions | 99 x 65 x 35 mm | Ø 20 x length 68.5 mm including cable gland (see Dimensions) |
| Mounting | 2 x mounting holes, use M4 socket head screws | M20 x 1.5 mm thread, length 20 mm, supplied with two mounting nuts |
| Cable Length (Sensing Head) | – | Choice of 5 m, 10 m or 25 m factory- fitted. Contact Calex for information about extending cable. |
| Weight with 5 m Cable | TBD | TBD |
| Cable Connections | Removable screw terminal blocks (see Connections). Conductor size 22 AWG to 14 AWG (0.326 mm² to 2.08 mm²) | – |
| Output Cable Gland | Suitable for cable diameters 3.5 to 7.0 mm | – |
| Environmental | Main Enclosure | Sensing Head |
| Environmental Rating | IP65 (NEMA 4) | IP65 (NEMA 4) |
| Ambient (Operating) Temperature Range | 0°C to 70°C | 0°C to 180°C |
| Ambient Pressure Range | 80 kPa (0.8 bar) to 110 kPa (1.1 bar) | 80 kPa (0.8 bar) to 110 kPa (1.1 bar) |
| Relative Humidity | Max. 95% non- condensing | Max. 95% non-condensing |
| CE Marked | Yes | Yes |
| RoHS Compliant | Yes | Yes |
| Hazardous Area Classification | Main Enclosure | Sensing Head | |
| Ambient Temperature Rating | -20°C ≤ Ta ≤ 70°C | -20°C ≤ Ta ≤ 115°C | -20°C ≤ Ta ≤ 180°C |
| ATEX Classification | Ex II 2 G | Ex II 1 G | Ex II 1 G |
| IECEx Classification (Gas) | Ex ia [ia Ga] IIC T4 Gb | Ex ia IIC T4 Ga | Ex ia IIC T3 Ga |
| Maximum DC Input Voltage | Ui = 28 V | ||
| Maximum Input Current | Ii = 93 mA | ||
| Maximum Input Power | Pi = 0.651 W | ||
| Maximum Internal Capacitance | Ci = 5.17 nF | ||
| Maximum Internal Inductance | Li = 1.99 µH | ||
| ATEX Certificate Number | CML 22ATEX2007X | ||
| IECEx Certificate Number | IECEx CML 22.0001X | ||
| JapanEx Certificate Number | CML 22JPN2009X | ||
| UKCA Certificate Number | CML 22UKEX2008X | ||
ELECTROMAGNETIC COMPATIBILITY
Conforms to EN 61326-1, EN 61326-2-3 (Industrial).
DIMENSIONS (all dimensions in mm)
ACCESSORIES
A range of accessories to suit different applications and industrial environments is available as follows. These may be ordered at any time and added on-site:
- LCT Loop Configuration Tool (USB adapter)
- LCT-485 (RS-485 Modbus RTU network interface)
- Fixed and adjustable mounting brackets
- Air purge collar
OPTIONS
The following options are available. Options are factory installed and must be ordered with the sensor.
- Certificate of calibration
- Extended sensing head cable (25 m max. factory-fitted; contact Calex for information about extending the cable)
- Output cable (25 m max. factory-fitted cable; alternatively customer may supply and fit output cable. Contact Calex for information)
OPTICS
The below chart shows the measured spot diameter at the given distances from the sensing head and assumes 90% energy. The sensor may be used at longer distances than shown below, with a larger measured spot size.
INSTALLATION AND MAINTENANCE
The installation process consists of the following stages:
- Preparation
- Mechanical installation
- Electrical installation
Please read the following sections thoroughly before proceeding with the installation.
PREPARATION
Distance and Spot Size
- Ensure the sensor is positioned so that it can only detect infrared radiation from the target.
- The size of the area (spot size) to be measured determines the distance between the sensor and the target.
- The spot size must not be larger than the target.
- The sensor should be mounted so that the measured spot size is smaller than the target.
- We normally recommend the target is at least twice the size of the given measured spot for maximum accuracy.

- Ambient Temperature
- The sensing head is designed to operate in ambient temperatures from 0°C to 180°C.
- The main enclosure is designed to operate in ambient temperatures from 0°C to 70°C.
- Avoid thermal shock. Allow 20 minutes for the unit to adjust to large changes in ambient temperature.
- Atmospheric Quality
Smoke, fumes or dust can contaminate the lens and cause errors in temperature measurement. In these types of environment the air purge collar should be used to help keep the lens clean. - Electrical Interference
To minimise electromagnetic interference or ‘noise’, the sensor should be mounted away from motors, generators and such like. - Wiring
Check the distance between the sensor and the indicating/controlling device. If necessary, the sensor can be ordered with a longer cable attached. Contact Calex for information about extending the cable. - Power Supply
A suitable intrinsically safe isolator must be used. See Specifications for the supply voltage, current and safety requirements.
MECHANICAL INSTALLATION
Mounting
The sensing head is supplied with 2 mounting nuts. The sensor can be mounted on brackets or cut outs of your own design, or you can use the fixed and adjustable mounting bracket accessories, which are shown in the following diagram.
MOUNTING BRACKETS
AIR PURGE COLLAR
- The lens must be kept clean and dry for an accurate reading.
- The optional air purge collar is used to keep dust, fumes, moisture, and other contaminants away from the lens. It must be screwed on fully.
- There are two models of air purge collar to suit the different optics (see below).
- Air flows into the hose barb fitting and out of the front aperture. Air flow should be no more than 5 to 15 litres/min. Clean or ‘instrument’ air is recommended.

ELECTRICAL INSTALLATION

OUTPUT CABLE INSTALLATION
The recommended output cable type is LAPP ÖLFLEX EB CY 2×0.75mm². An alternative cable may be used. See the ExTempMini Guide to Certification and Installation for full details.

GROUNDING
The main enclosure must be connected to earth using the provided earth terminal. The output cable shield must be terminated to the enclosure as per the above instructions, and the cable shield must not be connected to earth at the other end.
DIGITAL COMMUNICATION AND CONFIGURATION
- A choice of two digital communication interfaces is available.
- For temporary connection, configuration of the sensor, and diagnostics, we suggest the USB adapter, model LCT.
- For continuous digital communications, configuration and data acquisition, we suggest the RS-485 Modbus network interface, model LCT-485.
- The LCT and LCT-485 are not certified for use in hazardous areas. They must only be connected on the safe side of the safety isolator.
USB
- All models are configurable via the optional USB adapter (Loop Configuration Tool, model LCT) and free CalexConfig configuration software.
- The LCT has hook-type connectors and may be connected to the 4-20 mA loop as shown above.
- For information about installing and using the LCT, see the Loop Configuration Tool (LCT) section of this manual.
RS-485 MODBUS
- The optional LCT-485 Network Interface (not shown) allows an ExTemp sensor to be connected to an RS-485 Modbus RTU network for temperature measurement, configuration and data acquisition.
- Each LCT-485 unit provides connectivity for one sensor, and multiple LCT-485 units can be connected to a single Modbus network.
See the ExTemp data sheet and LCT-485 Operator’s Guide for more information.
CONFIGURABLE PARAMETERS
The following settings can be configured via CalexConfig.
- Configuration settings are password protected. To access the Settings menu, go to the Unlock screen and enter the password. The default password is 1234.
- Temperature Units
On the temperature display screen, click °C or °F to switch between temperature units. - Output Range
Go to the Settings screen, then Output Range.- 4 to 20 mA Output Scale
Set the temperature range limits for the 4 to 20 mA output, between the limits of -20°C and 1000°C.
The difference between the temperatures at 4 mA and at 20 mA must be at least 100°C. The temperature at 20 mA must be greater than the temperature at 4 mA. Default setting: Depends on model, e.g. LT = -20°C to 100°C (see Model Numbers)
- 4 to 20 mA Output Scale
- Output Processing
Go to the Settings screen, then Output Processing.- Averaging Period
Set the time, in seconds, over which the measured temperature is averaged.
Note: averaging prevents the sensor from following rapid temperature changes. Default setting: 0 - Peak/Valley Hold Processing
If required, hold processing can be applied by setting Hold Mode to “Peak” or “Valley” and setting the hold period. This is useful if the temperature reading is interrupted by gaps between moving objects, or by an obstruction.
Default setting : OFF
- Averaging Period
- Emissivity and Compensation
Go to the Settings screen, then Emissivity and Compensation.- Emissivity Setting
Enter the emissivity of the target. Target emissivity can be determined experimentally, or estimated using an emissivity table. For more information, contact Calex. Default setting: 0.95 - Reflected Energy Compensation On/Off
If enabled, compensates for errors caused by reflected energy from hotter or colder objects. This should generally be kept OFF in most applications.Default setting: OFF - Reflected Temperature
Enter the temperature of the surroundings of the target for Reflected Energy Compensation. Changing this has no effect if Reflected Energy Compensation is OFF.
- Emissivity Setting
OPERATION
Once the sensor is in position, a suitable safety isolator is connected and configured, and the appropriate power and cable connections are secure, the system is ready for continuous operation by completing the following simple steps:
- Turn on the power supply
- Turn on the meter, chart recorder or controller
- Read or monitor the temperature
IMPORTANT
Be aware of the following when using the sensor:
- If the sensor is exposed to significant changes in ambient temperature (hot to cold, or cold to hot), allow 20 minutes for the temperature to stabilise before taking or recording measurements.
- Do not operate the sensor or configuration tool near large electromagnetic fields (e.g. around arc welders, generators or induction heaters). Electromagnetic interference can cause measurement errors.
- Wires must be connected only to the appropriate terminals.
- Do not damage the cable, as this could provide a path for moisture and vapour to enter the sensor.
- Do not open the sensor housing. This will damage the sensor and invalidate the warranty.
MAINTENANCE
Our customer service representatives are available for application assistance, calibration, repair, and solutions to specific problems. Contact our Service Department before returning any equipment. In many cases, problems can be solved over the telephone. If the sensor is not performing as it should, try to match the symptom below to the problem. If the table does not help, contact us for further advice.
LENS CLEANING
Keep the lens clean and dry at all times. Any foreign matter on the lens would affect measurement accuracy. Blow off loose particles (if not using the air purge accessory) with an air ‘puffer’.
If dust or condensation continuously forms on the lens, consider fitting an air purge collar.
TROUBLESHOOTING
| Symptom | Probable Cause | Solution |
| No output | No power to sensor | Check power supply and wiring |
| Inaccurate measured temperature | Target too small for sensor’s field of view | Ensure the sensor’s view is completely filled by the target. Position the sensor closer to the target to measure a smaller area. Ensure the target is at least twice the size of the given measured spot. |
| Target is a reflective metal surface | Measure a non-reflective area, or paint or coat a measurable area of the target to make it non-reflective | |
| Field of view obstruction | Remove obstruction; ensure sensor has a clear view of target | |
| Dust or condensation on lens | Ensure lens is clean and dry. Clean gently with a soft lens cloth and water. If problem recurs, consider using an air purge collar. | |
| Incorrect wire connections | Check wiring against markings on PCB at terminal blocks | |
| Output temperature scale mismatch | Re-scale input temperature range on measurement instrument to match sensor |
LOOP CONFIGURATION TOOL (LCT)
- The Loop Configuration Tool model LCT is a configuration adapter for ExTemp infrared temperature sensors.
- It is designed to be connected to the 4 to 20 mA current loop on the safe side of an Intrinsically Safe isolator, and to a Windows PC via USB.
- This manual describes how to connect the LCT and use it to configure the sensor. For information on connecting and using the sensor itself, please refer to the previous sections of this manual.

WARNING
This device MUST NOT be used in hazardous areas. It is not certified for use in explosive atmospheres and may only be connected on the safe side of a suitable, certified Intrinsically Safe isolator. Do not attempt to repair a faulty unit. Contact the vendor to arrange a return.
ELECTRICAL CONNECTION
Connect the device to the 4 to 20 mA measurement loop via the hook-type connectors. For reliable communications, the total resistance RL on the 4 to 20 mA loop should be within the range specified on the connection diagrams. You may need to connect a resistor in series with the existing measurement instrumentation on the 4 to 20 mA loop to ensure this.

WIRE IDENTIFICATION – LCT
The LCT connectors are colour coded as follows:
| Colour of Wire and Hook Connector Polarity | |
| Red | + |
| Black | – |
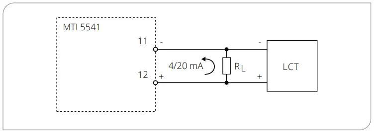
EXAMPLE ISOLATOR: MODEL MTL5541
This isolator has an internal resistance of 220Ω. Two wiring configurations are possible, depending on whether or not this internal resistance is used.
Configuration A: 400 Ω ≤ RL ≤ 800 Ω (not using the internal resistance)

Configuration B: 180 Ω ≤ RL ≤ 580 Ω (using the internal resistance)

SOFTWARE
The latest version of the software is available for download from the Calex website at the following URL: www.calex.co.uk/software
Install the software before connecting the LCT to a Windows PC. This will ensure the driver is properly installed.
USING THE SOFTWARE
See Configurable Parameters and the Configuration Software diagram opposite.
If the Settings icon is greyed out, the software is locked. Unlock the software to allow access to the Settings menu. The default password is 1234.
MAINTENANCE AND TROUBLESHOOTING
Our technical support engineers are available for application assistance, calibration, repair, and solutions to specific problems. Contact our Service Department before returning any equipment. In many cases, problems can be solved over the telephone. Contact us for further advice.
GUARANTEE
Calex guarantees each instrument it manufactures to be free from defect in material and workmanship under normal use and service for the period of two years from the date of purchase. This guarantee extends only to the original buyer according to the Calex Terms and Conditions of Sale.
CONFIGURATION SOFTWARE

Calex Electronics Limited
PO Box 2, Leighton Buzzard, Bedfordshire, England LU7 4AZ
Tel: +44 (0)1525 373178 [email protected] www.calex.co.uk





























