Clarke CSG1C Air Stapler Gun

INTRODUCTION
Thank you for purchasing this CLARKE product. The Clarke CSG1-C is ideal for packaging, carpet laying, upholstery etc.
Before attempting to use this product, please read this manual thoroughly and follow the instructions carefully. In doing so you will ensure the safety of yourself and that of others around you, and you can look forward to your purchase giving you long and satisfactory service.
Save this document for future reference.
SPECIFICATION
| Model Numbers | CSG1-C |
| Staple Sizes | 22 gauge/ 4-16mm (9mm crown) |
| Magazine Capacity | 180 |
| Drive Speed | 120 shots/min |
| Min. Hose Size (ID) | 6 mm (1/4”) |
| Operating Pressure | 4.1 – 6.9 bar (60-100psi) |
| Air Consumption | 0.27 cfm |
| Air Inlet Size | 10mm Quick Fit |
| Dimensions (L x W x H) | 219 x 46 x 146 mm |
| Sound Power Level (LwA dB) | 91 dB(A)-1pW (K factor 2.5dB(A) |
| Vibration Levels | Less than 2.5 m/s2 |
| Weight | 0.85 kg |
Please note that the details and specifications contained herein are correct at the time of going to print. However CLARKE International reserve the right to change specifications at any time without prior notice.
GUARANTEE
This product is guaranteed against faulty manufacture for a period of 12 months from the date of purchase. Please keep your receipt which will be required as proof of purchase.
This guarantee is invalid if the product is found to have been abused or tampered with in any way, or not used for the purpose for which it was intended.
Faulty goods should be returned to their place of purchase, no product can be returned to us without prior permission.
This guarantee does not effect your statutory rights.
SAFETY WARNINGS
WARNING: READ ALL SAFETY WARNINGS AND ALL INSTRUCTIONS. FAILURE TO FOLLOW THE WARNINGS AND INSTRUCTIONS MAY RESULT IN SERIOUS INJURY.
WORK AREA SAFETY
- Keep work area clean and well lit. Cluttered or dark areas invite accidents.
- Do not operate power tools in explosive atmospheres, such as in the presence of flammable liquids, gases or dust. Power tools create sparks which may ignite the dust or fumes.
- Keep children and bystanders away while operating a power tool. Distractions can cause you to lose control.
PERSONAL SAFETY
- Stay alert, watch what you are doing and use common sense when operating a power tool. Do not use a power tool while you are tired or under the influence of drugs, alcohol or medication. A moment of inattention while operating power tools may result in serious personal injury.
- Use personal protective equipment. Always wear eye protection. Protective equipment such as dust mask, non-skid safety shoes, hard hat, or hearing protection used for appropriate conditions will reduce personal injuries.
- Do not overreach. Keep proper footing and balance at all times. This enables better control of the power tool in unexpected situations.
- Dress properly. Do not wear loose clothing or jewellery. Keep your hair, clothing and gloves away from moving parts. Loose clothes, jewellery or long hair can be caught in moving parts.
POWER TOOL USE AND CARE
- Do not force the power tool. Use the correct power tool for your application. The correct power tool will do the job better and safer at the rate for which it was designed.
- Do not use the power tool if the switch does not turn it on and off. Any power tool that cannot be controlled with the switch is dangerous and must be repaired.
- Store idle power tools out of the reach of children and do not allow persons unfamiliar with the power tool or these instructions to operate the power tool. Power tools are dangerous in the hands of untrained users.
- Maintain power tools. Check for misalignment or binding of moving parts, breakage of parts and any other condition that may affect the power tool’s operation. If damaged, have the power tool repaired before use. Many accidents are caused by poorly maintained power tools.
- Use the power tool, accessories and tool bits etc. in accordance with these instructions, taking into account the working conditions and the work to be performed. Use of the power tool for operations different from those intended could result in a hazardous situation.
- Have your power tool serviced by a qualified repair person using only identical replacement parts. This will ensure that the safety of the power tool is maintained
STAPLER SPECIFIC SAFETY WARNINGS
- Always assume that the machine contains staples. Careless handling of the stapler can result in unexpected firing of nails and personal injury.
- Do not point the stapler towards yourself or anyone nearby. Unexpected triggering will discharge the staples causing an injury.
- Do not actuate the stapler unless it is placed firmly against the workpiece. If the tool is not in contact with the workpiece, the fastener may be deflected away from your target.
- Disconnect the tool from the airline when the staples jam in the tool. While removing a jammed staple, the stapler may be accidentally activated if it is connected.
- Do not use this stapler for fastening electrical cables. It is not designed for electric cable installation and may damage the insulation of electric cables thereby causing electric shock or fire hazards.
- Never drive in staples at the edge of a work surface, as the edge could fail and fly off, endangering yourself or others in the vicinity.
- Never fire tool at an angle. it must be perpendicular to the work surface
TRANSPORTATION
- Never carry the tool by the air supply hose.
- Never carry the tool with your finger on the trigger.
STORAGE
- When not in use the tool must be disconnected from the air supply and stored in a dry place out of the reach of children.
- Avoid storing the tool in environments where the temperature is below 0o
THE COMPRESSED AIR SUPPLY
AIR SUPPLY REQUIREMENTS
WARNING: COMPRESSED AIR CAN BE DANGEROUS. ENSURE THAT YOU ARE FAMILIAR WITH ALL PRECAUTIONS RELATING TO THE USE OF COMPRESSORS AND COMPRESSED AIR SUPPLIES.
- Use only clean, dry, regulated compressed air as a power source.
- Air compressors used with the impact wrench must comply with the appropriate European Community Safety Directives.
- A build-up of moisture or oil in the air compressor will accelerate wear and corrosion in the impact wrench. ensure any moisture is drained from the compressor daily and the inlet filter is kept clean.
- Line pressure, or hose ID., should be increased to compensate for unusually long air hoses (over 10M). Minimum hose dia. should be 6mm (1/4”) ID., and fittings should have the same inside dimensions.
- The air hose must be rated at least 150% of the maximum operating pressure of the tool.

- A typical air line layout is shown above. If an automatic in-line filter/regulator is used, it will keep the tool in good condition, but should be regularly checked and topped up with oil. SAE 10 oil should be used, and the lubricator adjusted to approx 2 drops per minute.
- The minimum hose diameter should be 5/16”(8mm) ID and fittings should have the same internal dimensions.
- Never exceed the maximum operating pressure for the tool. It is recommended that air pressure to this tool does not exceed 90 psi at the tool when running. Higher pressures and unclean air will shorten the life of the tool due to faster wear and is a possible safety hazard.
- Tools of this type operate on a wide range of air pressures. It is recommended that air pressure be set to between 60 and 100psi. at the tool when running.
- The air inlet used for connecting air supply is a 10mm quick-fit type.
- If required, connect an in-line mini oiler to the tool. A mini oiler helps to prolong the life of the air tool.
- If a mini-oiler is not being used, run a few drops of oil through the tool before use. It can be entered through the air inlet.
- Connect a suitable hose to the female air inlet.
- Connect the other end of the hose to the air supply.
- Turn on the air supply and check for air leaks. Rectify any found before proceeding.
Your air tool is now ready for use.
You can fit a whip hose with a quick fit coupling if required (available from your Clarke dealer).
ASSEMBLY
Ensure the stapler is not loaded, then, with the air supply turned off, connect the air line to the stapler at the quick fit coupling.
Turn the safety catch to the position shown, to prevent the trigger from being pulled.
Then with the tool pointed away from you and anyone in the vicinity, depress the magazine catch, pull out the magazine and load with appropriate staples,
Push the magazine back until it locks in position,
Your stapler is now ready for use.
OPERATION
Turn on the air supply, and check for air leaks. If any are apparent, rectify before proceeding. Ensure the operating pressure is set to between 4.1-6.9bar (55-95 psi), depending upon the size of nail used and type of material being worked. The harder the material, and bigger the nail, the higher the pressure.
CLEARING A JAM
Should the stapler jam, turn OFF the air supply and set the safety catch to prevent the trigger from being pulled before opening the magazine to free the jammed staple.
DISCONNECTING THE AIR SUPPLY
Do not disconnect the air supply hose until the air supply has been shut down and the compressed air released.
- Refer to the compressor instruction manual for the procedure to shut down and release the compressed air.
- Once the pressure has been released, disconnect the air supply hose from the air tool.
MAINTENANCE
WARNING: MAKE SURE THAT THE STAPLER IS DISCONNECTED FROM THE AIR SUPPLY BEFORE STARTING ANY CLEANING OR MAINTENANCE PROCEDURES.
DAILY
- Before use, drain water from the compressed air supply.
- Check and clean, if fitted, the air inlet gauze filter.
- A bottle of CLARKE Airline Oil** is supplied with the stapler. Squirt a few drops of oil approx. 3cc), into the air inlet.
- This should be carried out regardless of whether or not an air line lubricator is used.
- Use a clean dry cloth or brush to keep the stapler/nailer clean and free of dirt. Do not use solvent or alcohol based cleaners as they could damage the casing.
- The use of parts other than CLARKE replacement parts may result in safely hazards, decreased tool performance and will invalidate your warranty.
DURING USE
For lubricating the internal components when in operation, an air line lubricator should be used, with Clarke Airline Oil**, adjusted to 2 drops per minute.
If an air line lubricator is NOT used, this procedure should be repeated after every two to three hours of use.
STORAGE
If the stapler is to be stored, or is idle for longer than 24 hours, run a few drops of Clarke Airline Oil** into the air inlet before storing.
Pour a few drops of CLARKE airline oil into the air inlet. This should be carried out regardless of whether or not an in-line mini oiler is used. If an in-line mini oiler is not used, this procedure should be repeated after every two to three hours of constant use.
PERFORMANCE
Please note that factors other than the tool may effect its operation and efficiency such as reduced compressor output, excessive drain on the airline moisture or restrictions in the air-line, or the use of connectors of improper size or poor condition which will reduce air supply.
Grit or gum deposits inside the tool may also reduce its efficiency. This condition can be corrected by cleaning out the air strainer and flushing out the tool with gum solvent or oil, or failing this the motor may require dismantling.
**Clarke Airline Oil (part no. 3050825) is available from your CLARKE dealer.
SERVICE AND REPAIRS
If the tool runs erratically or becomes inefficient although the air supply is in good order, it may be necessary to dismantle the tool. Such servicing and repair work should be carried out by qualified service technicians.
STORAGE
If the tool is to be stored or is idle for longer than 24 hours, run a few drops of Clarke airline oil into the air inlet and run the tool for 5 seconds in order to lubricate the internal parts.
When not in use, disconnect from the air supply, clean the tool and store it in a safe, dry place.
ACCESSORIES
A wide range of accessories is available including filter/regulators, lubricators, high-pressure hoses (5 to 50 metres) etc. Contact your CLARKE dealer for further information or CLARKE International Service Department on 01992 565333.
CONSUMABLES
| Staples – 9mm Crown – Type 71 | ||
| Length | Part No: | ![]() |
| 8mm | 1800400 | |
| 10mm | 1800402 | |
| 12mm | 1800403 | |
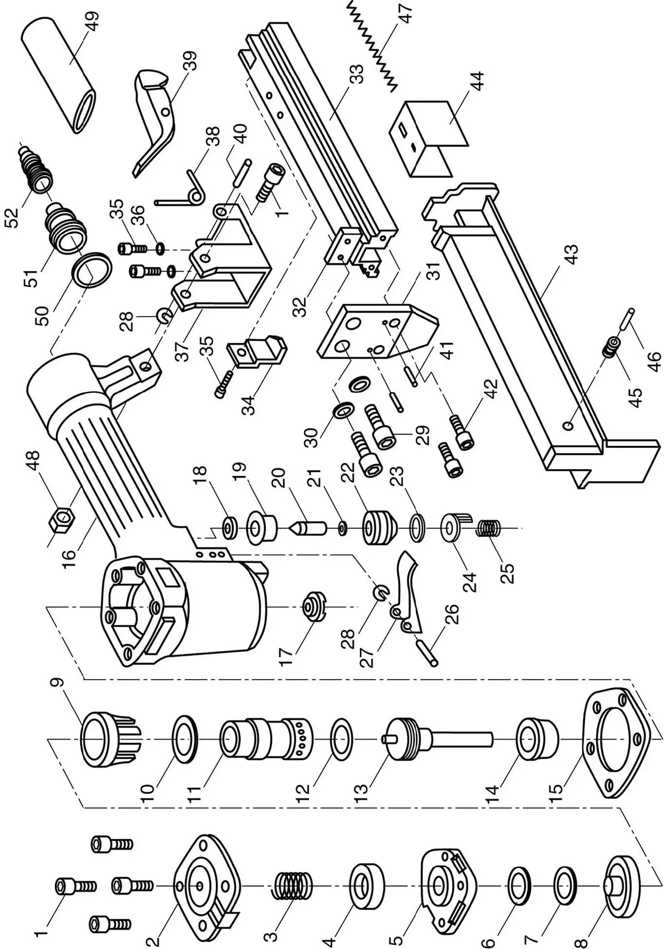
PARTS DIAGRAM

PARTS LIST
| No | Description |
| 1 | Bolt M5 x 50 |
| 2 | Exhaust deflector |
| 3 | Compression spring |
| 4 | Rectangular washer |
| 5 | Cylinder cover |
| 6 | O-Ring 11.7 x 2.1 |
| 7 | O-Ring 16.2 x 2.1 |
| 8 | Piston |
| 9 | Collar |
| 10 | O-Ring 2.65 x 30.2 |
| 11 | Cylinder |
| 12 | O-Ring 2.65 x 18 |
| 13 | Main piston |
| 14 | Shock absorber |
| 15 | Sealing washer |
| 16 | Gun body |
| 17 | Washer |
| 18 | Rectangular washer |
| 19 | Trigger valve seat |
| 20 | Trigger valve stem |
| 21 | O-Ring 1.7 x 2 |
| 22 | Trigger valve guide |
| 23 | O-Ring 11.2 x 2 |
| 24 | Safety latch |
| 25 | Compression spring |
| 26 | Stepped pin |
| No | Description |
| 27 | Trigger |
| 28 | Circlip 2.5 dia |
| 29 | Bolt M5 x 20 |
| 30 | Spring washer 5 |
| 31 | Nose guide |
| 32 | Spacer |
| 33 | Fixed magazine |
| 34 | Stop plate |
| 35 | Bolt M4 x 6 |
| 36 | Spring washer 4 |
| 37 | Pusher |
| 38 | Pusher spring |
| 39 | Magazine catch |
| 40 | Stepped pin |
| 41 | Pin M2 x 10 |
| 42 | Bolt M4 x 12 |
| 43 | Movable magazine |
| 44 | Pusher |
| 45 | Pulley |
| 46 | Hinge pin |
| 47 | Spring |
| 48 | Nut M5 |
| 49 | Rubber handle grip |
| 50 | O-Ring 35.5 x 2.3 |
| 51 | End cap |
| 52 | Quick release coupling |
DECLARATION OF CONFORMITY
Parts & Service: 020 8988 7400 /
E-mail: [email protected]
[email protected]






















