Contents hide
HTC GL 550 V.2 Grinding Machine

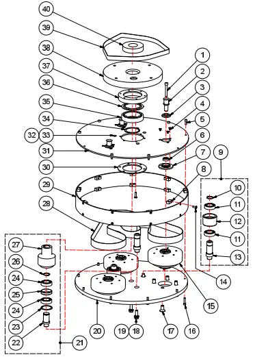
Greyline 550 V.2 Chassis

| Item | Description | Part no | Qty |
| 1 | PIPE PLUG | 593628901 | 2 |
| 2 | SCREW M6X40 | 593630301 | 4 |
| 3 | WASHER M6 | 593496001 | 4 |
| 4 | PIPE CLAMP | 593456701 | 4 |
| 5 | CHASSIS HANDLE | 593519401 | 1 |
| 6 | SCREW M8X60 | 593500301 | 1 |
| 7 | LOCK NUT M8 | 593499801 | 1 |
| 8 | CHASSIS POSITIONER INNER TUBE | 593519301 | 1 |
| 9 | CAMLOCK MALE 2″ | 593460401 | 1 |
| 10 | P6SS M12X25 | 593511201 | 1 |
| 11 | CHASSIS POSITIONER GUIDE BUSH. | 593524201 | 1 |
| 12 | UPPER CHASSI | 593532101 | 1 |
| 13 | ADJUSTMENT BOLT | 593456801 | 1 |
| 14 | CHASSIS POSITIONER | 593524101 | 1 |
| 15 | HOSE 2″ | 113521 | 1 |
| 16 | LOCK NUT M6 | 593500001 | 4 |
| 17 | LOWER CHASSIS | 593519201 | 1 |
| 18 | LOCKING CLIP | 593510801 | 4 |
| 19 | PIN 12X55 | 593510701 | 4 |
| 20 | CIRCLIP SGA 20 | 593496301 | 2 |
| 21 | WHEEL | 593408701 | 2 |
| 22 | PIPE CLAMP | 595633801 | 4 |
| 23 | SCREW M6X70 | 593510201 | 4 |
| 24 | SCREW M6X12 | 593500701 | 4 |
| 25 | WASHER M6 | 593511001 | 4 |
| 26 | POWER UNIT GL 1x230V 4KW | 593548501 | 1 |
Greyline 550 V.2 Grinding head

| Item | Description | Part no | Qty |
| 1 | DUST COVER | 593519701 | 1 |
| 2 | BRUSH STRIP | 593446101 | 1.74M |
| 3 | SCREW M6X10 | 593495401 | 2 |
| 4 | SPACER M6X50 | 593582601 | 2 |
| 5 | SCREW M6X16 | 593507801 | 2 |
| 6 | COVER GUIDE | 593519901 | 1 |
| 7 | MOTOR 4KW | 593555501 | 1 |
| 8 | LIFT HANDLE | 593532701 | 2 |
| 9 | SCREW M8X25 | 593499601 | 4 |
| 10 | WASHER M8 | 593500401 | 4 |
| 11 | NUT M8 | 593504701 | 4 |
| 12 | HINGE BRACKET | 593519601 | 2 |
| 13 | RUBBER BUSHING | 593520901 | 4 |
| 14 | SLEEVE BUSHING | 593519101 | 2 |
| 15 | SCREW 3,5X13 | 593508301 | 8 |
| 16 | BRUSH STRIP | 593443301 | 2×0.66M |
| 17 | SCREW M6X16 | 593507801 | 6 |
| 18 | SAFETY COVER COMPLETE | 593532901 | 2 |
| 19 | WASHER M12 | 593499401 | 4 |
| 20 | SCREW M12X35 | 593512901 | 4 |
Greyline 550 V.2 Grinding head

| Item | Description | Part no | Qty |
| 1 | SCREW M8X55 | 593506001 | 3 |
| 2 | SHAFT TAP | 593407201 | 3 |
| 3 | GAMMA RING | 593419901 | 3 |
| 4 | SCREW M5X10 | 593506601 | 9 |
| 5 | SCREW M6X16 | 593500701 | 9 |
| 6 | RADIAL SEAL | 593379601 | 3 |
| 7 | SEAL COVER | 593419801 | 3 |
| 8 | FIXING BOSS | 593381901 | 18 |
| 9 | TENSIONING WHEEL COMPLETE | 593420401 | 2 |
| 10 | CIRCLIP SGA 25 | 593496801 | 2 |
| 11 | BALL BEARING 6005 | 593381501 | 4 |
| 12 | TENSIONING WHEEL | 593408201 | 2 |
| 13 | SHAFT PRESSWHEEL | 593407001 | 2 |
| 14 | SCREW M6X16 | 593507801 | 18 |
| 15 | HUB PACKAGE | 593420201 | 3 |
| 16 | SCREW M6X25 | 593497801 | 9 |
| 17 | SCREW M12X20 | 593501801 | 12 |
| 18 | SCREW M10X25 | 593501101 | 4 |
| 19 | WASHER M10 | 593499101 | 4 |
| 20 | LOWER LID | 593407101 | 1 |
| 21 | CENTER PULLEY COMPLETE | 593420501 | 1 |
| 22 | SHAFT CENTERPULLEY | 593418301 | 1 |
| 23 | CIRCLIP SGH 47 | 593502201 | 1 |
| 24 | BALL BEARING 6005 | 593381501 | 2 |
| 25 | DISTANCE CENTERPULLEY | 593418401 | 1 |
| 26 | CIRCLIP SGA 25 | 593496801 | 1 |
| 27 | CENTER PULLEY | 593408101 | 1 |
| 28 | BELT INNER FLAT | 593381701 | 1 |
| 29 | BORDER | 593407701 | 1 |
| 30 | COVER CENTER | 593401901 | 1 |
| 31 | UPPER LID | 593407801 | 1 |
| 32 | SCREW M8X20 | 593503701 | 3 |
| 33 | WASHER M8 | 593496201 | 3 |
| 34 | CIRCLIP SGA 60 | 593496501 | 1 |
| 35 | BALL BEARING 6012 | 593382101 | 1 |
| 36 | NILOS RING 6012 JV | 593377701 | 1 |
| 37 | HOUSING CENTRE | 593403401 | 1 |
| 38 | MOTOR PLATE | 593407901 | 1 |
| 39 | BELT UPPER FLAT | 593426101 | 1 |
| 40 | FOAM RING | 593408401 | 1 |

Greyline 550 V.2 Grinding holder

| Item | Description | Part no | Qty |
| 1 | SCREW M6X20 | 593505101 | 8 |
| 2 | UPPER GRIND HOLDER PLATE | 593438201 | 1 |
| 3 | WASHER | 593438601 | 1 |
| 4 | WASHER FBB M10 FZB | 593509901 | 1 |
| 5 | SCREW M10X30 | 593504101 | 1 |
| 6 | CARDAN CONNECTION | 593438401 | 1 |
| 7 | EAR WIDE COMPLETE | 593718101 | 4 |
| 8 | SCREW M10X60 | 593496601 | 4 |
| 9 | WASHER M10 | 593499101 | 4 |
| 10 | GRIND HOLDER PLATE | 593438301 | 1 |
| 11 | CROSS COMPLETE | 593615901 | 1 |
| 12 | SCREW M6X12 | 593508501 | 8 |
| 13 | SHOCK ABSORBER | 593438801 | 4 |
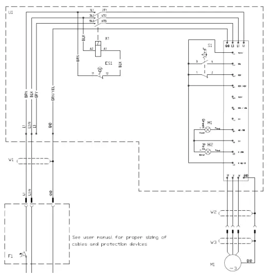
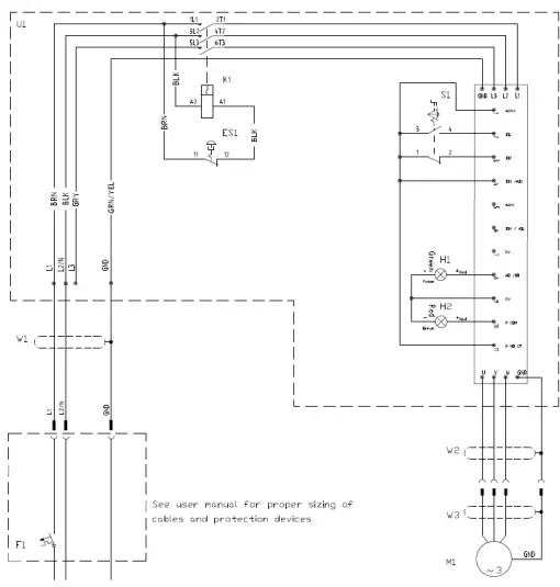
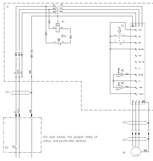
Greyline V.2 Electrical – 1x230V 4kW – 550226

| Item | Description | Part no | Qty |
| 1 | INVERTER GL V.2 1x230V 4kW | 595738801 | 1 |
| 2 | CONTACTOR | 595739001 | 1 |
| 3 | CONTACTOR PLATE | 595704701 | 1 |
| 4 | EMERGENCY STOP | 594953301 | 1 |
| 5 | LED RED | 595739201 | 1 |
| 6 | LED GREEN | 595739101 | 1 |
| 7 | SWITCH 3-POS RETURN | 594953401 | 1 |
| 8 | COVER PLATE | 595704601 | 1 |
| 9 | PRESS NUT M6 | 595679001 | 4 |
| 10 | LOCK NUT M4 | 595672601 | 2 |
| 11 | SCREW M4X8 | 593505601 | 2 |
| 12 | OVERLAY | 595647701 | 1 |
Greyline v.2 Electrical – 1x230V 4kW

| Item | Description | Part no | Qty |
| 1 | MOTOR CABLE GL MALE | 593548601 | 1 |
| 2 | MOTOR CABLE GL FEMALE | 593548701 | 1 |
| 3 | POWER CABLE GL WITHOUT PLUG | 595728501 | 1 |
| 4 | PLUG | 593476801 | 1 |



Head office
HTC Sweden AB
Box 69
SE-614 22 Söderköping Sweden
Street (delivery) address: Klevvägen 7
SE-614 92 Söderköping Sweden
Tel.: +46 (0)121-29400
Fax: +46 (0)121-15212
E-mail: [email protected] www.htc-floorsystems.com
HTC Floor Systems Ltd. Unit 4 Kingston Business Park Dunfermline Court Maidstone Road
Kingston Milton Keynes MK10 0BY
United Kingdom
Tel.: +44 (0 ) 845 460 2500
Fax: +44 (0) 845 460 1500
E-mail: [email protected] www.htc-floorsystems.com




















