G 10SF5 Disc Grinder
Instruction Manual 
Keep for Feature reference
Handling Instructions
GENERAL POWER TOOL SAFETY WARNINGS
WARNING
Read all safety warnings and all instructions.
Failure to follow the warnings and instructions may result in electric shock, fire, and/or serious injury.
Save all warnings and instructions for future reference.
The term “power tool” in the warnings refers to your mains-operated (corded) power tool or battery-operated (cordless) power tool.
1) Work area safety
a) Keep the work area clean and well-lit. Cluttered or dark areas invite accidents.
b) Do not operate power tools in explosive atmospheres, such as in the presence of flammable liquids, gases, or dust. Power tools create sparks that may ignite dust or fumes.
c) Keep children and bystanders away while operating a power tool. Distractions can cause you to lose control.
2) Electrical safety
a) Power tool plugs must match the outlet.
Never modify the plug in any way. Do not use any adapter plugs with earthed (grounded) power tools. Unmodified plugs and matching outlets will reduce risk of electric shock. b) Avoid body contact with earthed or grounded surfaces, such as pipes, radiators, ranges, and refrigerators. There is an increased risk of electric shock if your body is earthed or grounded.
c) Do not expose power tools to rain or wet conditions. Water entering a power tool will increase the risk of electric shock.
d) Do not abuse the cord. Never use the cord for carrying, pulling, or unplugging the power tool. Keep the cord away from heat, oil, sharp edges, or moving parts. Damaged or entangled cords increase the risk of electric shock. e) When operating a power tool outdoors, use an extension cord suitable for outdoor use. The use of a cord suitable for outdoor use reduces the risk of electric shock.
f) If operating a power tool in a damp location is unavoidable, use a residual current device (RCD) protected supply. The use of an RCD reduces the risk of electric shock.
3) Personal safety
a) Stay alert, watch what you are doing, and use common sense when operating a power tool. Do not use a power tool while you are tired or under the influence of drugs, alcohol or medication. A moment of inattention while operating power tools may result in serious personal injury.
b) Use personal protective equipment. Always wear eye protection. Protective equipment such as dust masks, non-skid safety shoes, hard hat, or hearing protection used for appropriate conditions will reduce personal injuries.
c) Prevent unintentional starting. Ensure the switch is in the off position before connecting to a power source and/or battery pack, picking up or carrying the tool. Carrying power tools with your finger on the switch or energizing power tools that have the switch on invites accidents.
d) Remove any adjusting key or wrench before turning the power tool on. A wrench or a key left attached to a rotating part of the power tool may result in personal injury.
e) Do not overreach. Keep proper footing and balance at all times. This enables better control of the power tool in unexpected situations.
f) Dress properly. Do not wear loose clothing or jewelry. Keep your hair, clothing, and gloves away from moving parts. Loose clothes, jewelry or long hair can be caught in moving parts.
g) If devices are provided for the connection of dust extraction and collection facilities, ensure these are connected and properly used. Use of dust collection can reduce dust-related hazards.
4) Power tool use and care
a) Do not force the power tool. Use the correct power tool for your application. The correct power tool will do the job better and safer at the rate for which it was designed.
b) Do not use the power tool if the switch does not turn it on and off. Any power tool that cannot be controlled with the switch is dangerous and must be repaired.
c) Disconnect the plug from the power source and/or the battery pack from the power tool before making any adjustments, changing accessories, or storing power tools. Such preventive safety measures reduce the risk of starting the power tool accidentally.
d) Store idle power tools out of the reach of children and do not allow persons unfamiliar with the power tool or these instructions to operate the power tool. Power tools are dangerous in the hands of untrained users.
e) Maintain power tools. Check for misalignment or binding of moving parts, breakage of parts, and any other condition that may affect the power tools’ operation. If damaged, have the power tool repaired before use. Many accidents are caused by poorly maintained power tools.
f) Keep cutting tools sharp and clean. Properly maintained cutting tools with sharp cutting edges are less likely to bind and are easier to control.
g) Use the power tool, accessories and tool bits, etc. in accordance with these instructions, taking into account the working conditions and the work to be performed. Use of the power tool for operations different from those intended could result in a hazardous situation.
5) Service
a) Have your power tool serviced by a qualified repair person using only identical replacement parts. This will ensure that the safety of the power tool is maintained.
CAUTION
Keep children and infirm persons away. When not in use, tools should be stored out of reach of children and infirm persons.
SAFETY WARNINGS COMMON FOR GRINDING AND SANDING OPERATIONS
a) This power tool is intended to function as a grinder and sander. Read all safety warnings, instructions, illustrations, and specifications provided with this power tool. Failure to follow all instructions listed below may result in electric shock, fire, and/or serious injury.
b) Operations such as polishing, wire brushing, or abrasive cutting-off are not recommended to be performed with this power tool. Operations for which the power tool was not designed may create a hazard and cause personal injury.
c) Do not use accessories that are not specifically designed and recommended by the tool manufacturer. Just because the accessory can be attached to your power tool, it does not assure safe operation.
d) The rated speed of the accessory must be at least equal to the maximum speed marked on the power tool. Accessories running faster than their rated speed can break and fly apart.
e) The outside diameter and the thickness of your accessory must be within the capacity rating of your power tool. Incorrectly sized accessories cannot be adequately guarded or controlled.
f) The arbor size of wheels, flanges, backing pads, or any other accessory must properly fit the spindle of the power tool. Accessories with arbor holes that do not match the mounting hardware of the power tool will run out of balance, vibrate excessively, and may cause a loss of control.
g) Do not use a damaged accessory. Before each use inspects the accessory such as abrasive wheels for chips and cracks, a backing pad for cracks, tears, or excess wear, and a wire brush for loose or cracked wires. If a power tool or accessory is dropped, inspect for damage or install an undamaged accessory. After inspecting and installing an accessory, position yourself and bystanders away from the plane of the rotating accessory and run the power tool at maximum no-load speed for one minute. Damaged accessories will normally break apart during this test time.
h) Wear personal protective equipment. Depending on the application, use a face shield, safety goggles or safety glasses. As appropriate, wear a dust mask, hearing protectors, gloves, and a workshop apron capable of stopping small abrasive or workpiece fragments. The eye protection must be capable of stopping flying debris generated by various operations. The dust mask or respirator must be capable of filtrating particles generated by your operation. Prolonged exposure to high-intensity noise may cause hearing loss.
i) Keep bystanders a safe distance away from the work area. Anyone entering the work area must wear personal protective equipment. Fragments of workpieces or of a broken accessory may fly away and cause injury beyond the immediate area of operation.
j) Hold the power tool by insulated gripping surfaces only, when performing an operation where the cutting accessory may contact hidden wiring or its own cord. Cutting accessory contacting a”live” wire may make exposed metal parts of the power tool “live” and shock the operator.
k) Position the cord clear of the spinning accessory. If you lose control, the cord may be cut or snagged and your hand or arm may be pulled into the spinning accessory.
l) Never lay the power tool down until the accessory has come to a complete stop. The spinning accessory may grab the surface and pull the power tool out of your control.
m) Do not run the power tool while carrying it at your side. Accidental contact with the spinning accessory could snag your clothing, pulling the accessory into your body.
n) Regularly clean the power tool’s air vents. The motor’s fan will draw dust inside the housing and excessive accumulation of powdered metal may cause electrical hazards.
o) Do not operate the power tool near flammable materials. Sparks could ignite these materials.
p) Do not use accessories that require liquid coolants. Using water or other liquid coolants may result in electrocution or shock.
Kickback is a sudden reaction to a pinched or snagged rotating wheel, backing pad, brush or any other accessory. Pinching or snagging causes rapid stalling of the rotating accessory which in turn causes the uncontrolled power tool to be forced in the direction opposite of the accessory’s rotation at the point of the binding. For example, if an abrasive wheel is snagged or pinched by the workpiece, the edge of the wheel that is entering into the pinch point can dig into the surface of the material causing the wheel to climb out or kick out. The wheel may either jump toward or away from the operator, depending on the direction of the wheel’s movement at the point of pinching. Abrasive wheels may also break under these conditions. Kickback is the result of power tool misuse and/or incorrect operating procedures or conditions and can be avoided by taking proper precautions as given below.
a) Maintain a firm grip on the power tool and position your body and arm to allow you to resist kickback forces. Always use an auxiliary handle, if provided, for maximum control over kickback or torque reaction during start-up. The operator can control torque reactions or kickback forces if proper precautions are taken.
b) Never place your hand near the rotating accessory. The accessory may kickback over your hand.
c) Do not position your body in the area where the power tool will move if kickback occurs. Kickback will propel the tool in a direction opposite to the wheel’s movement at the point of snagging.
d) Use special care when working corners, sharp edges etc. Avoid bouncing and snagging the accessory. Corners, sharp edges or bouncing have a tendency to snag the rotating accessory and cause loss of control or kickback.
e) Do not attach a saw chain woodcarving blade or toothed saw blade. Such blades create frequent kickbacks and loss of control.
SAFETY WARNINGS SPECIFIC FOR GRINDING OPERATION
a) Use only wheel types that are recommended for your power tool and the specific guard designed for the selected wheel. Wheels for which the power tool was not designed cannot be adequately guarded and are unsafe.
b) The guard must be securely attached to the power tool and positioned for maximum safety, so the least amount of wheel is exposed towards the operator. The guard helps to protect operator from broken wheel fragments and accidental contact with wheel.
c) Wheels must be used only for recommended applications. For example: do not grind with the side of cut-off wheel. Abrasive cut-off wheels are intended for peripheral grinding, side forces applied to these wheels may cause them to shatter.
d) Always use undamaged wheel flanges that are of correct size and shape for your selected wheel. Proper wheel flanges support the wheel thus reducing the possibility of wheel breakage. Flanges for cut-off wheels may be different from grinding wheel flanges.
e) Do not use worn down wheels from larger power tools. Wheel intended for larger power tool is not suitable for the higher speed of a smaller tool and may burst.
SAFETY WARNINGS SPECIFIC FOR SANDING OPERATIONS
a) Do not use excessively oversized sanding disc paper. Follow manufacturers’ recommendations, when selecting sanding paper. Larger sanding paper extending beyond the sanding pad presents laceration hazard and may cause snagging, tearing of the disc or kickback.
PRECAUTIONS ON USING DISC GRINDER
- Never operate these power tools without Wheel Guards.
- Use only a depressed center wheel of a permissible peripheral speed 72 m/s (4300 m/min) or more.
- Correct use for safe operation.
- Mounting the standard depressed center wheel.
- Have a trial run before grinding commence.
- Keep away from a revolving depressed center wheel.
- Pay strict attention to sparks.
- Do not leave the revolving Grinder unattended on the floor.
- Follow the procedures of these Handling Instructions on depressed center wheel replacement.
- Avoid overload operation. Do not push in the lock pin while the spindle is running.
- Be careful around one while operating.
SYMBOLS
WARNING
The following show symbols used for the machine. Be sure that you understand their meaning before use.
| To reduce the risk of injury, users must read the instruction manual. | |
![]() | Always wear eye protection. |
SPECIFICATIONS
| Model | G10SF5 |
| Voltage | 220 V — |
| Power Input | 730 W |
| Rated Speed | 11,000 /min |
| Wheel size external dia. thickness hole dia. | Max. Peripheral Speed: 72 rNs (4300 rNmin) 100 mm 4 mm, 6 mm 16 mm |
| Weight | 1.5 Kg |
* Only main body
STANDARD ACCESSORIES
In addition to the main unit (1 unit), the package contains the accessories listed in below.
| Depressed center wheel (Resinoid Wheel) external dia. 100 mm ![]() thickness 4 mm hole dia. 16 mm | 1 |
Wrench![]() | 1 |
OPTIONAL ACCESSORIES (sold separately)
CAUTION
Always operate the grinder with the wheel guard attached.
1. 100mm Sanding Disc Set 
In case when only a relatively small metal surface area is to be polished and it is desired to give it a particularly fine finish, this is used for preliminary polishing of the metal surface before applying point, for removing rust, and for removing point when a new test is to be applied. There are eleven different kinds of sanding discs, having grains of #16, #20, #24, #30, #36, #40, #50, #60, #80, #100, #120. When placing your order, please specify the grain of the disc desired.
APPLICATIONS
Removal of casting fin and finishing of various types of steel, bronze and aluminum materials and castings.
Grinding of welded sections or sections cut by means of a cutting torch. Grinding of brick, marble, etc.
PRIOR TO OPERATION
- Power source Ensure that the power source to be utilized conforms to the power requirements specified on the product nameplate.
CAUTION
Do not operate from a direct current power source. Doing so may not only cause damage to the grinder but may lead to accidents. - Power switch Ensure that the power switch is in the OFF position. If the plug is connected to a receptacle while the power switch is in the ON position, the power tool will start operating immediately, which could cause a serious accident. The switch position is indicated as the -mark on Tail Cover stands for the ON position and O-mark stands for the OFF position respectively.
- Extension cord When the work area is removed from the power source, use an extension cord of sufficient thickness and rated capacity. The extension cord should be kept as short as practicable.
- Confirming condition of the environment Confirms that the work site is placed under appropriate conditions conforming to prescribed precautions. When grinding a thin steel plate, depending upon the state of the workbench, a loud noise will be created due to resounding noise from the steel plate being ground. To eliminate unwanted noise in this instance, place a rubber mat beneath the material to be ground.
- Mounting the wheel guard Be sure to mount the wheel guard at an angle that will protect the operator’s body from injury by a broken wheel piece.
- Confirm the lock pin Confirm that the lock pin is disengaged by pushing the lock pin two or three times before switching the power tool on.
- Confirming and mounting the depressed center wheel. Thoroughly check that a specified depressed center wheel is free of cracks and splits is mounted. Confirm that the depressed center wheel is mounted under the specified condition and is firmly clamped. For details, refer to the item “Assembling and Disassembling the depressed center wheel.”
- Apply a trial run To start grinding work without checking for possible cracks and splits in the depressed center wheel is very dangerous. Prior to the start of grinding, direct the grinder in a direction where no one is present, and apply a trial run without fail to confirm that the grinder displays no abnormalities. Duration of the trial run is as follows: When depressed center wheels is replaced ….. 3 minutes or more
When starting daily work……………………………….1 minute or more
PRACTICAL GRINDER APPLICATIONS
- Since grinding by utilizing only the grinder’s own weight is feasible, the grinder should never be pressed forcibly against the plane to be ground Hold the grinder lightly so that it only slightly contacts the plane to be ground. Heavy pressure will reduce the revolving speed and such deteriorate the finished surface, and phenomena as an overload will lead to the burning out of the motor.
- Do not utilize the grinder’s entire surface when grinding. Use only its peripheral surface by tilting the wheel at an angle of 15~30°, as shown in Fig. 1.

- When a grinder equipped with a new depressed center 15° — 30° wheel is pushed forward (direction A), the wheel edge may occasionally cut into the material to be ground.
Always pull it backward (direction B) in this instance. However, once the depressed center wheel angle has been adequately abraded, both forward and backward operations are permissible. - The provided depressed center wheel (resinoid wheel) is rated as Class A grain and #36-grain size. Accordingly, its range of applications covers a wide variety, proving to be most suitable for heavy grinding of general steel materials. Since the wheel grain size is rather coarse, creating a fine-surfaced finish is very difficult.
In this instance, hold the grinder lightly as though trying to lift it, and apply to grind slowly at a constant low speed. Whereby a fine finish similar to that accomplished with a fine-grain depressed center wheel is obtainable. - Switching on the grinder
The switch can be turned ON by turning its lever -to mark the side or turned OFF by turning its lever to the O-mark side. - Precaution after use
Do not lay the grinder down immediately after use in a place where there are many shavings and much dirt and dust until it has completely stopped revolving.
CAUTION
- Shock to the main body can be the cause of cracks or splits in the depressed center wheel. Be especially careful to avoid sudden shocks when using the equipment. If the main unit is accidentally bumped or dropped, make a careful check for cracks or splits on the depressed center wheel before further use.
- Do not press the lock pin when the equipment is turning. Also, do not turn on the switch when the lock pin is pressed down.
ASSEMBLING AND DISASSEMBLING THE DEPRESSED CENTER WHEEL (Fig. 2)
CAUTION
Be sure to switch the power OFF and disconnect the attachment plug from the power receptacle to avoid serious trouble.
- Turn the equipment upside down so that the Wheel washer and the spindle will be facing up.
- Mount the wheel washer onto the spindle.
- Mount the protuberance of the depressed center wheel onto the wheel washer.
- Mount the convex side of the wheel nut onto the depressed center wheel, and in Fig. 2 screw the wheel nut onto the spindle.
- As shown in Fig. 2 push in the lock pin to prevent rotation of the spindle. Then, secure the depressed center wheel by tightening the wheel nut with the wrench.
CAUTION
Confirm that the depressed center wheel is mounted firmly. Confirm that the lock pin is disengaged by pushing the lock pin two or three times before switching the power tool on.
Disassembling the depressed center wheel is the reverse of assembling.
HOW TO INSTALL THE OPTIONAL ACCESSORIES
CAUTION
Be sure to switch the power OFF and disconnect the plug from the power receptacle to avoid serious trouble. When utilizing the optional accessories, keep the wheel guard attached and wear protective glasses.
Do not use the optional accessories which exceed the designated external diameter designated in the paragraph. Washer nut
- Mounting the 100mm Sanding Disc. (see Fig. 3)
NOTE
Do not use the wheel washer and wheel nut of the depressed center wheel.
- Mount the washer, rubber pad, and sanding disc onto the spindle.
- Screw from the washer nut onto the spindle.
- As shown in Fig. 3, push in the lock pin to prevent rotation of the spindle. Then, secure the sanding disc by tightening the wheel nut with the wrench.
MAINTENANCE AND INSPECTION
- Inspecting the depressed center wheel
Ensure that the depressed center wheel is free of cracks and surface defects. Replace the depressed center wheel when it has been worn out to about 60mm in external diameter. - Inspecting the mounting screws
Regularly inspect all mounting screws and ensure that they are properly tightened. Should any of the screws be loose, retighten them immediately. Failure to do so could result in serious hazards. - Maintenance of the motor
The motor unit winding is the very “heart” of the power tool. Exercise due care to ensure the winding does not become damaged and/or wet with oil or water. - Inspecting the carbon brushes (Fig. 4)
The motor employs carbon brushes which are Wear limit consumable parts. Since an excessively worn carbon brush can result in motor trouble, replace the carbon brush with a new one having the same carbon brush No. shown in the figure when it becomes worn to or near the “wear limit”. In addition, always keep carbon brushes clean and ensure that they slide freely within the brush holders. - Replacing carbon brushes
Disassemble the brush caps with a slotted-head screwdriver. The carbon brushes can then be easily removed. - If the supply cord of this tool is damaged, it must be replaced by a specially prepared cord available through the service organization.
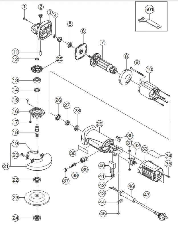
- Service parts list
CAUTION
Repair, modification, and inspection of HiKOKI Power Tools must be carried out by a HiKOKI Authorized Service Center.
This Parts List will be helpful if presented with the tool to the HiKOKI Authorized Service Center when requesting repair or other maintenance.
In the operation and maintenance of power tools, the safety regulations and standards prescribed in each country must be observed.
SERVICE PARTS LIST

| Item No | Code NO | No Used | Remarks |
| 1 | 328643 | 4 | D4x23 |
| 2 | 301944 | 1 | |
| 3 | 333937 | 1 | “2,11” |
| 4 | 309191 | 1 | M6 |
| 5 | 608VVM | 1 | 608VVC2PSL |
| 6 | 335939 | 1 | |
| 7 | 982021 | 1 | 220V |
| 8 | 340843E | 1 | |
| 9 | 340843E | 2 | D4x70 |
| 10 | 316487 | 1 | 220V |
| 11 | 301943 | 1 | |
| 12 | 6001VV | 1 | |
| 13 | 301946 | 1 | 6001VVCMPS2L |
| 14 | 334942 | 1 | |
| 15 | 334938 | 2 | M4 |
| 16 | 307127 | 1 | |
| 17 | 328174 | 4 | M4x12 |
| 18 | 301949 | 1 | |
| 19 | 308386 | 1 | |
| 20 | 331076 | 2 | M5x16 |
| 21 | 320497 | 1 | “19,20” |
| 22 | 316820 | 1 | |
| 23 | 321795 | 1 | 100MMX4T A36Q |
| 24 | 328178 | 1 | |
| 25 | 315877 | 1 | |
| 26 | 698WC | 1 | |
| 27 | 309929 | 1 | 698VVC2 |
| 29 | 334935 | 1 | |
| 30 | 938307 | 1 | |
| 31 | 305499 | 2 | M3.5×6 |
| 32 | 314603 | 1 | |
| 33 | 334936 | 1 | |
| 34 | – | 1 | |
| 35 | 305812 | 2 | D4x16 |
| 36 | – | 1 | |
| 37 | 936551 | 2 | |
| 38 | 999021 | 2 | |
| 39 | 313777 | 2 | |
| 40 | 994273 | 1 | |
| 41 | 938108 | 1 | |
| 42 | 980063 | 1 | |
| 43 | 980063 | 1 | |
| 44 | 937631 | 1 | |
| 45 | 984750 | 2 | D4x16 |
| 46 | 953327 | 1 | D8.8 |
| 47 | 500467Z | 1 | |
| 48 | 313933 | 1 |
KiKo Holdings Co. Ltd.




The motor employs carbon brushes which are Wear limit consumable parts. Since an excessively worn carbon brush can result in motor trouble, replace the carbon brush with a new one having the same carbon brush No. shown in the figure when it becomes worn to or near the “wear limit”. In addition, always keep carbon brushes clean and ensure that they slide freely within the brush holders.


















