GENERATION LIGHTING Codyn Chandelier

GENERAL RODUCT NFORMATION
These fixtures are intended to be installed utilizing NEC compliant junction boxes.
This product is safety listed for damp locations. This instruction shows a typical installation.

CAUTION RISK OF FIRE –
This product must be installed in accordance with the applicable installation code by a person familiar with the construction and operation of the product and the hazards involved. Use minimum 90°c supply conductors.
SAVE THESE INSTRUCTIONS!
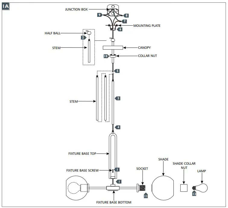
Install the Fixture

- Assemble the fixture base by aligning top and bottom parts together and secure them in place with the fixture base screw.
- Screw the half ball to the stem which will be on top.
- Determine the wanted height or look of the fixture with the provided stems, then assemble them by screwing them together.
- Feed the fixture wires through the stem assembly, then screw the stem assembly on top of the fixture.
- Feed the fixture wires through the collar nut, canopy, and the half ball assembly then screw it onto the stem assembly.
- Align and secure the mounting plate to the junction box, then slide the half ball assembly onto the mounting plate.
- Connect the fixture to a suitable ground in accordance with local electrical codes.
- Connect the white fixture wire (square and/or rigid) to the neutral power line wire with a wire nut.
- Connect the black fixture wire (round and/or smooth) to the hot power line wire with a wire nut.
- Neatly place all the wires into the junction box, place the canopy onto the mounting plate, and secure it in place by screwing the collar nut tightly onto the mounting plate.
- Place the shade on to the socket and secure it in place by screwing the shade collar nut onto the socket. Do not over tighten. Repeat for all the other shades.
- Screw the lamps into the sockets. Refer to the label on the socket for Max Wattage Information.
©2022 Visual Comfort & Co., L.L.C. All rights reserved. The Visual Comfort & Co. logo is a registered trademark of Visual Comfort & Co.
Visual Comfort & Co. reserves the right to change specifications for product improvements without notification.
GENERAT I ON L I GHT I NG
7400 Linder Ave., Skokie, IL 60077
T 847.410.4400 I F 847.410.4500
www.generationlighting.com
V1suAL C OMFORT & Co.














