FBT XLITE 110A Processed Active Speaker Instructions

PRECAUTIONS
NOTE: This equipment has been tested and found to comply with the limits for a Class B digital device, pursuant to part 15 of the FCC Rules. These limits are designed to provide reasonable protection against harmful interference in a residential installation. This equipment generates, uses and can radiate radio frequency energy and, if not installed and used in accordance with the instructions, may cause harmful interference to radio communications. However, there is no guarantee that interference will not occur in a particular installation. If this equipment does cause harmful interference to radio or television reception, which can be determined by taming the equipment off and on, the user is encouraged to try to correct the interference by one or more of the following measures:
- Reorient or relocate the receiving antenna.
- Increase the separation between the equipment and receiver.
- Connect the equipment into an outlet on a circuit different from that to which the receiver is connected.
- Consult the dealer or an experienced radio/ TV technician for help.
Warning: Changes or modifications to this unit not expressly approved by the part responsible for compliance could void the user’s authority to operate the equipment.
FCC Radiation Exposure Statement
The device has been evaluated to meet general RF exposure requirement. The device can be used in fixed/mobile (equal or greater than 20cm) exposure condition.

TO REDUCE THE RISK OF ELECTRIC SHOCK DO NOT REMOVE COVER (OR BACK) NO USER SERVICEABLE PARTS INSIDE REFER SERVICING TO QUALIFIED SERVICE PERSONNEL. TO REDUCE THE RISK OF FIRE OR ELECTRIC SHOCK DO NOT EXPOSE THIS EQUIPMENT TO RAIN OR MOISTURE
WHERE MARKED, THIS SYMBOL INDICATES A DANGEROUS NON ISOLATED VOLTAGE INSIDE THE LOUDSPEAKER: SUCH VOLTAGE COULD BE SUFFICIENT TO RESULT IN THE RISK OF ELECTRIC SHOCK.
WHERE MARKED, THIS SYMBOL INDICATES IMPORTANT USAGE AND MAINTENANCE INSTRUCTIONS IN THE ENCLOSED DOCUMENTS. PLEASE REFER TO THE MANUAL.
THE DEVICE MUST BE CONNECTED TO THE MAINS THROUGH A POWER OUTLET WITH A PROTECTIVE EARTH CONNECTION
This device features a power outlet; install the device so that the outlet for the power cord is easily accessible.
PRECAUTIONS
- For proper air ventilation please make sure to leave sufficient clearance (min 11 Inc.) on all sides of the device.
- Please do not cover the ventilation slots with papers, table cloths, curtains, etc. in order not to prevent ventilation of the device.
- Please do not peace any naked flame source, such as lighted candles, on the device.
- Please keep the device away from water springs and splashes and please do not place any objects containing liquids, such as vases, on the device.
IMPORTANT SAFETY INSTRUCTIONS
- Read these instructions.
- Keep these instructions.
- Heed all warnings.
- Follow all instructions.
- Do not use this apparatus near water.
- Clean only with dry cloth.
- Do not block any ventilation openings. install in accordance with the manufacturer’s instructions.
- Do not install near any heat sources, such as radiators, heat registers, stoves or other apparatus (including amplifiers) that produce heat.
- Do not defeat the safety purpose of the polarized or grounding-type plug. A polarized plug has two blades with one wider than the other. A grounding type plug has two blades and a third grounding prong. The wide bade or the third prong are provided far your safety. lf the provided plug does not fit into your outlet, consult an electrician fry replacement of the obsolete outlet.
- Protect the power card from being walked on or pinched particularly at plugs, convenience receptacles, and the point where they exit from the apparatus.
- Only use attachments accessories specified by the manufacturer
- Use only with the cart, stand, tripod, bracket, or table specified by the manufacturer or sold with the apparatus. When a cart is used, use caution when moving the cart/apparatus combination to avoid injury from tip-over.
- Unplug this apparatus during lightning storms or when unused far long periods of time.
- Refer Alf servicing to qualified service personnel. Servicing is required when the apparatus has been damaged in any way, such as power-supply card or plug is damaged, liquid has been spilled or objects have fallen into the apparatus, the apparatus has been exposed to rain or moisture, does not operate normally, or has been dropped.
GENERAL FEATURES
The X-LITE series has been renewed with the redesign of all the electronics, increasing power and adding important innovations, such as a 3-channel mixer and the use of BLUETOOTH 5.0 for streaming audio from smartphones and tablets, in addition to the use of more efficient speakers capable of generating a higher sound pressure. The “power unit” is also new featuring a switching power supply with automatic voltage switch in the 100-240Vac range; two high-efficiency Class D channels, a three-channel mixer with two micro/line inputs, a stereo input and channel for wireless audio streaming with BLUETOOTH 5.0 protocol (compatible with previous versions) that allows the simultaneous recognition of two speakers with the possibility of remote volume control. The introduction of fan with smart control of the number of revolutions allows amplifier operating temperatures to be kept low, ensuring noise-free operation.
COMMON FEATURES
- Polypropylene cabinet with gas injection moulding designed to eliminate unwanted resonance.
- High-efficiency custom FBT speakers with high linear excursion capacity.
- Compression drivers with 25mm aperture and 35mm coil.
- 1200W LF and 300W HF high dynamic Class D amplifier.
- Universal switching power supply 100-240Vac.
- Bluetooth 5.0
- DSP processor with 4 equalization presents.
- Advanced filtering algorithms, dynamic equalization of low frequencies, energy control that change depending on the preset chosen.
- 3-channel mixer: one dedicated BLUETOOTH 5.0 channel, two independent micro/line channels with separate volume and one with stereo jack input, balanced XLR MIX output or CH1 LINK.
- Built-in handles, M10 anchor points for suspended installation, stand support, 30° and 45° diffuser monitor profile.



POWER SUPPLY

The speaker has been designed and manufactured to work with 100240Vac 50/60Hz universal mains voltage. The power socket also included a fuse box; faulty fuses shall be replaced only with fuses having the same electrical features and value.
CONNECTEURS

The 3-pole XLR connectors are almost always used for conducting mono balanced signals; the three poles correspond respectively to ground (1), the positive signal (2) and the negative signal (3).

SPEAKON is a connector witch is specially adapted for connecting power terminals to loudspeakers; when inserted in an appropriate socket it locks so as to prevent accidental disconnection; moreover, it is equipped with protection against electrical shocks and guarantees the correct polarisation

The JACKS are typical connectors for the transporting of two separate signals through two channels, left and right, using a single connector and therefore they can be either mono or stereo. Mono jacks (TS) also known as unbalanced jacks, are recognisable from stereo or balanced jacks (TRS) by their composition. The point of the mono jacks is divided into two parts, tip and ground Tip and Slave) to which the two poles are connected; the stereo or balanced Jacks are divided in three parts, as they have a central ring (Ring) which is connected to a second wire, the third (negative) pole.
ACCESSOIRES






INSTALLATION MODES
- X-LITE sound speakers must be installed using the flying accessories described in this manual and following the special assembly instructions by qualified staff only, strictly complying with the current regulations and safety standards in force in the country of installation.
- FBT flying accessories are manufactured for their exclusive use with X-LITE systems and have not been designed for being used with any other speaker or device.
- Any possible elements of the ceiling, floor or further supports where X-LITE systems are to be installed shall be able to safety bear the load.
- The flying accessories in use are to be coupled and secured safely to both the sound speaker and the ceiling (or the other support).
- When components are fitted to ceilings, floors or beams, always make sure that ail couplers and fixing elements are properly sized and have an adequate load capacity.
- Besides the main suspension system, all flying speakers in theatres, indoor stadiums or in severe other work and /or leisure facilities shall be provided with an additional independent safety system with the adequate load capacity. Only steel cables and chains with certified load capacity can be used as an additional safety device.
- Hang X-LITE speakers using only original accessories
- When choosing the peace of installation, the suspension cable and the mounting supports make sure they are able to bear speaker and flying accessories’ weight with the proper safety factor
- As for fixed installations, always schedule and carry out special inspections on a regular basis in adder to check all the parts that have to guarantee system safety over time
- Do not hang the system by the handles: handles have been designed for speaker transport, and are not suitable for its suspension
- Never lean on/hang from the flying speaker
- FBT Electronica Spa will not be held liable for damage or injuries caused by supports or structures which are not sufficiently sturdy or by incorrect installation.
WARNING: X-Lite series cabinets are equipped with flying attachments. Never attempt to hang the speakers by the handles; only use the anchor points provided. X-LITE speakers can be installed as follow:
- Suspension by wall bracket
- installation on tripod stand or coupled with the subwoofer
- Simple stack installation with the subwoofer on the ground
SUSPENSION BY WALL BRACKET
- Carefully choose speakers place of installation and make sure that the structure can bear box weight
- Remove speaker’s feet
- Secure the bracket to the wall by using screws in all its fixing holes
- Place the speaker between bracket arms and secure it through two M1O threaded inserts

INSTALLATION ON TRIPOD STAND INSTALLIERUNG AUF DREIBEINIGER STATIVHALTERUNG
AII X-LITE satellites are designed to be installed on floor stand. Such installation will allow medium-high frequency sources to be better aligned to listener’s ear.
- Make sure that the stand can bear speaker’s weight
- Peace the stand on a flat and antilipo surface
- Widen stand base as much as possible to increase its stability

STACK INSTALLATION GESTAPELT POSITIONIEREN

DIMENSIONS






CONTROLS AND FUNCTIONS

DSP
- PRT/LMT: The PRT/LMT LED indicates when the limiter is triggered to prevent thermal overload and the protection status due to an internal malfunction. If this occurs (fixed light and no signal), turn off the speaker and wait at least 5 seconds before turning it back on. If the LED remains on, contact technical support. If the LED flashes accompanied by a music signal, it indicates that the maximum power has been reached. Do not increase the volume beyond this threshold to avoid degrading sound quality and damaging the transducer.
- HP FILTER: The HP FILTER button activates a “high pass” filter with a cut-off frequency of about 100Hz at 18dB oct (to be activated in configuration with the subwoofer). The PRESET function, managed by DSP, allows you to modify the speaker response by adapting the timbre to the specific applications; in addition to equalization, the presents also modify the dynamic processing to guarantee maximum SPL.
- ORIGINAL / LIVE: The ideal preset for most “live” applications
- FLOOR / VOCAL: The speaker is “specialized” for use as a stage monitor and also allows for maximum speech intelligibility.
- CLUB: Preset with accentuated bass and slightly attenuated treble, also suitable for medium/low volume listening.
- DJ: Suitable for disco club installations.
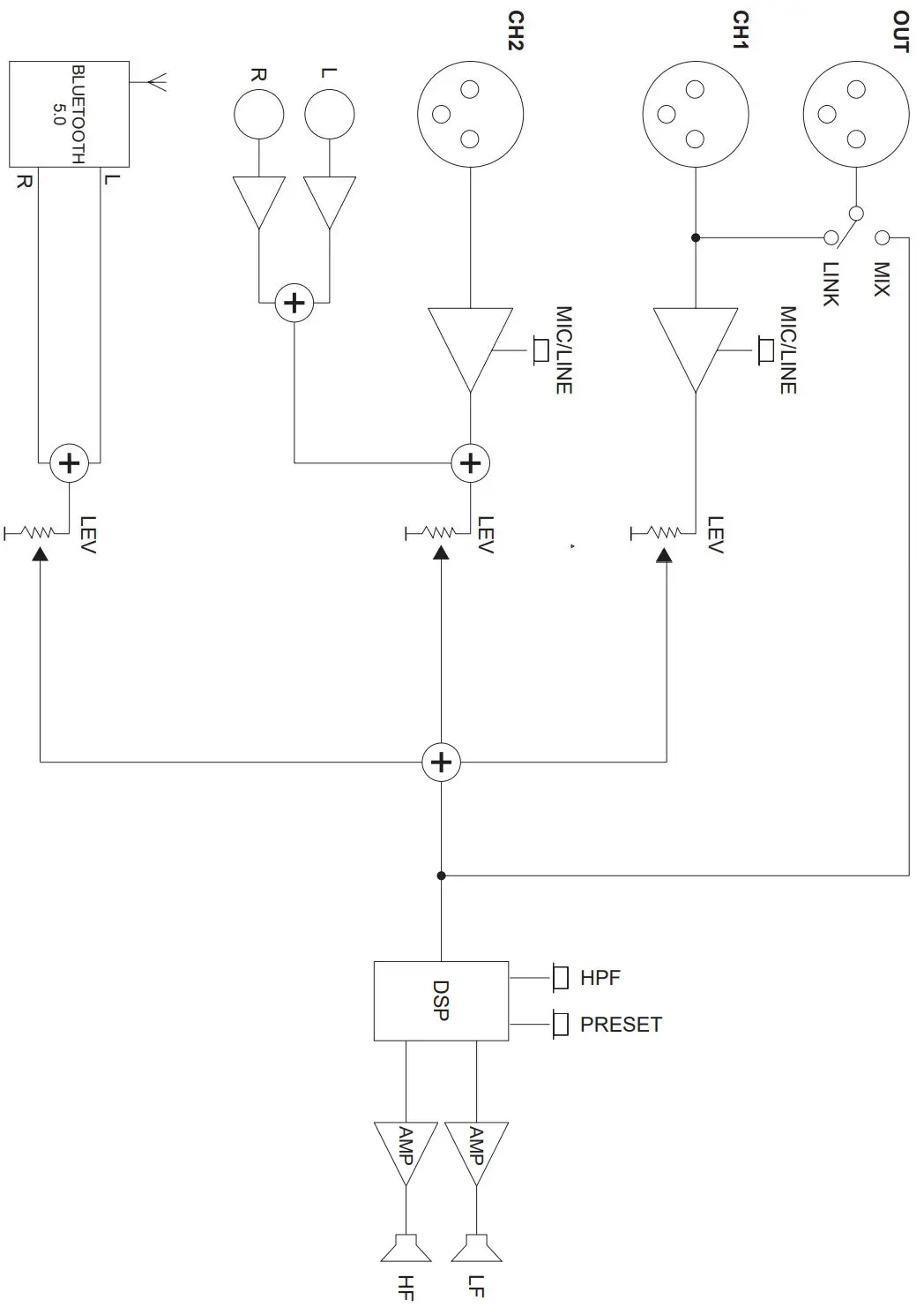
CH1
The XLR IN socket is used to connect a mixing console or microphone; for low-level signals, such as microphones, set the LINE/MIC button to the MIC position; for high-level signals (typically -10dB/+4dB), such as mixers, set the LINE position.
CH2
This channel has 6.3mm jack sockets for keyboard or CD/MP3 player connection; the XLR IN socket is used to connect a mixing console or microphone; for low level signals, such as microphones, set the LINE/MIC button to MIC position, for high level signals (typically -10/+4dBV), such as mixers, set the LINE position.
CH3
BLUETOOTH 5.0: Enable Bluetooth mode on your tablet or smartphone device. Press the PAIR button, the relevant LED flashes, the speaker model will appear in the list of new devices. Confirm the pairing, the LED indicator light remains steady. Repeat the same step to connect a second speaker (Two speakers can only be paired simultaneously with a BLUETOOTH 5.0-compatible device). The pairing procedure must be repeated every time the speaker is switched off
OUT
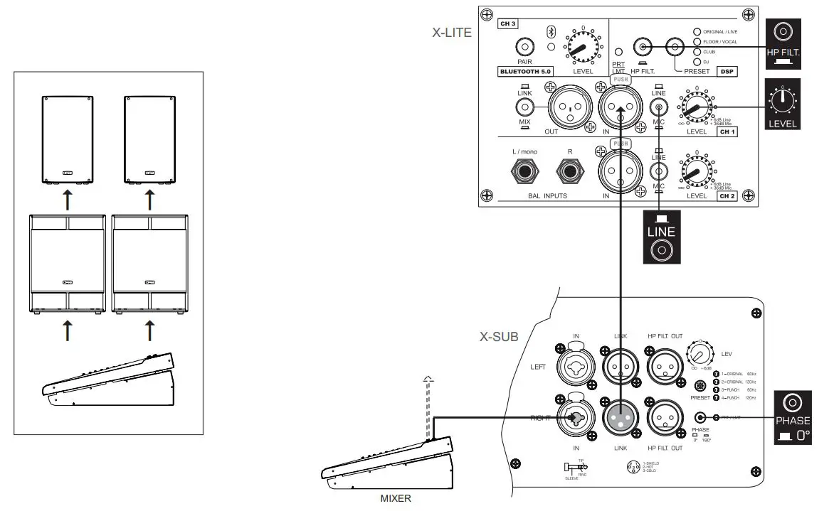
The XLR OUT socket allows connection to another speaker; enabling the dedicated button in the MIX position allows you to mix the sounds by adding the signals present in channels 1, 2, 3. With the button in the LINK position, the output is the physical link of the input in CH1
CONNECTION EXAMPLES
Configuration with 2 speakers connected together with connection of a microphone and a musical instrument.

Configuration with two speakers, subwoofers and mixers respectively. You can also connect the mixer to the X-LITE speaker input and relaunch the output to the subwoofer by setting the button on the LINK.

Configuration of 1 speaker connected to 2 microphones, a keyboard and CD/MP3 player.

Basic configuration with two speakers and mixers

BLOCK DIAGRAM

TECNICAL SPECIFICATIONS

WARNING: where affixed on the equipment or package, the barred waste bin sign indicates that the product must be separated from other waste at the end of its working life for disposal. At the end of use, the user must deliver the product to a suitable recycling centre or return it to the dealer when purchasing a new product. Adequate disposal of the decommissioned equipment for recycling, treatment and environmentally compatible disposal contributes in preventing potentially negative effects on the environment and health and promotes the reuse and/or recycling of equipment materials. Abusive product disposal by the user is punishable by law with administrative sanctions.
All information’s included in this operating manual have been scrupulously controlled; however FBT is not responsible for eventual mistakes. FBT Electronica Spa has the right to amend products and specifications without notice.
B&C AND NEUTRIK ARE THE TRAOEMARKS OF THEIR RESPECTIVE OWNERS

FBT ELETTRONICA SPA
Via Paolo Soprani 1 – 62019 RECANATI – Italy
Tel. 071750591 – Fax. 071 7505920
emai: [email protected] – www.fbt.it


















