visel EasyTurn Multi-Punto

Main display

PROGRAMMATION AND CODING UNIT -MD-M series
After the switch on, the main display will show the following information
- FX :FIRMWARE VERSION
- 8 888 8 :TEST DIGIT DISPLAY
- S1 : SYSTEM NR. 1
- A1 :A+C SERVICE DISPLAY MASTER
- TIMER 0 (vocal module MP-VOICE not available) ACOUSTIC SOUND VOLUME
- L3: STAND-BY
NOTE
if in a system there are 2 or more main displays, only one of them will be coded like MASTER unit.
- EO Vocal module MP-VOICE not available (default)
- E1 Vocal module MP–VOICE available
- L0 Volume level 0 – mute
- L1 Volume level 1 – low
- L2 Volume level 2 – medium
- L3 Volume level 3 – loud default
After visualizing a new setup, press the blue button to confirm.
NOTE 2
Repeat the programming procedure every time you want to make a modification. Once the cycle is completed, the system will be resetted.
NOTE 3
After programming the display on MP VOICE turn off and turn on again the unit to activate the function.
GENERAL RESET
The system will be resetted pressing for some seconds the green and the blue buttons at the same time.
Counter display
After the switch on, the counter display will show the following information
8 888 C01
DISPLAY AND ACOUSTIC SIGNAL TEST COUNTER 1 DISPLAY default STAND BY To enter in the programming of the counter display keep the but-ton on the back of the display pressed. The codes will appear as follows
- CO1 Coding counter 1 (default)
- CO2 Coding counter 2
- CO3 Coding counter 3
- C04 Coding counter 4
- CO5 Coding counter 5
- C06 Coding counter 6
- C07 Coding counter 7
- C08Coding counter 8
- C09 Coding counter 9
- C10 Coding counter 1
- C11 Coding counter 11
- C12 Coding counter 12
- C13 Coding counter 13
- C14 Coding counter 14
- C15 Coding counter 15
Once you visualized the desired code release the button to program unit. The display will visualize the selected code, an acoustic signal and will show some horizontal dashes.
Available holders
Cod TS5006

Cod. TS5007

Cod. TS5001

Transmission unit

PROGRAMMTION AND CODING UNIT MP-TX series
The transmission units are addressed with a code between 1 and 15. This code must be associated to the relative operator work-station. All the units work at the standard frequency of 433,92 MHz. Programming could be done in 2 ways
FAST 2 steps
- Selection of the programming procedure.
- Keep pressed the C button, the red LED flashes for some seconds and than it stops flashing.
- Now release the C button.
- Operator workstation address set up.
- The green LED will flash for 15 times.
- Press the NEXT button to select the address of the unit.
- The assigned code will be visualized with the turn number on the main display.
COMPLETE 4 steps
- Selection of the programming procedure
- Keeping pressed the C button, the red LED flashes for some seconds and when it stops flashing it will become green. Now release the C button.
- Service A or C set-up.
- The red LED flashes alternately for 3 cycles. Press the NEXT button when the flash is green to select A service, or when the flash is red to select C service.
System radio 1, 2 or 3 set-up
The red LED and the green LED switch on at the same time for 3 cycles: 1 flash, 2 flashes and 3 flashes. Press the next button when there are 1, 2 or 3 flashes to select the channel of the main display (),o .
Operator workstation address set up
The green LED flashes for 15 times. Press the NEXT button to select the address of the unit. The assigned code will be visualized with the turn number on the main display.
NOTE 1
During programming, press the C button to go on the next step.
NOTE 2
For resetting press the C and NEXT buttons in close suc-cessions and keep them pressed until reset is completed.
Operator Console

It is possible to make some programming of the MULTI POINT system from the operator console with address 1. Press the button next to enter in the programming procedure. On the display will appear 5. Pressing the next next button will appear next where the first digit next is the typology of programming (programming volume), and the second next its value.
Therefore using the arrows next it is possible to set the required volume as follows
- F0_3= high
- F0_2= medium
- F0_1= low
- F0_0= mute
For programming other functions proceed with the same procedure pressing the next button and modifying the value of the parameter using the arrows forward and backard.
Starting numeration from a given number of the A service
- F0_1: Set up the unit relating to the A service
- F0_2 :Set up the ten relating to the A service
- F0_3 :Set up the hundred relating to the A service
Starting numeration from a given number of the C service
- F4_0 Set up the unit relating to the C service
- F5_0 Set up the ten relating to the C service
- F6_0Set up the hundred relating to the C service
- F7_0permit change function from Console next
- F7_1 A service next C service.
- Disable change function from Console.
- If change function is disabled:
- Pressing arrow next the number is call back.
- Pressing arrow next the previous number is call
- F8_0 Changing value from to takes place a general RESET of the system. To confirm the modifications made press again the next button.
Coding hardware of the console
The consoles are addressed with a code between 1 and 15. This code has to be associated to the relative operator workstation.The code has the following format:XXXX 0000 where XXXX is the address of the console. The dips with digit n.1 have to be placed on ON.

- 1000 0000 = 1
- 0100 0000 = 2
- 1100 0000 = 3
- 0010 0000 = 4
- 1010 0000 = 5
- 0110 0000 = 6
- 1110 0000 = 7
- 0001 0000 = 8
- 1001 0000 = 9
- 0101 0000 = 10
- 1101 0000 = 11
- 0011 0000 = 12
- 1011 0000 = 13
- 0111 0000 = 14
- 1111 0000 = 15
Voice module

PROGRAMMATION AND CODING UNIT – MP-VOICE series

The MP-VOICE module is made up of a central unit and a loudspeaker and it can be linked to all the MULTI-POINT systems for the vocal indication of the progressive number and counter with a female voice. It already contains a range of digital messages variable by the user. For big surfaces the product has a low frequency output to an existing sound system. Remove the green carter to access the dip-switch to select the right. information.
- Now provide a brief description of the different chances of linked supported from the MP-VOICE:
- 12VCC: Exit for the link to the external feeder issued
- COM: Exit for the link to the main display
- VOLUME: + and – buttons to set up the required volume.
- At every pressure of the buttons the system will indicate vocally the adjusted volume (from 0 to 10);
- OUT B.F.: low frequency exit for the link to an amplified external source for example amplified loudspeaker for PC, central sound system etc.
- OUT: exit for the link to the LOUDSPEAKER module issued.
Available messages
Note
Placing the DIP 2 on ON is added to the message A Service and C Service.
Block scheme 20 PAGE
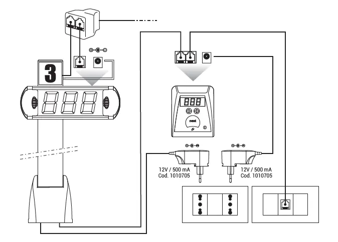
INSTALLATION AND WIRING UNIT – Basic configuration of a MULTI-COUNTER system

Notes about wiring system
INSTALLATION AND WIRING UNIT
UTP cable with 4 couples

DATA LINE

Telephonic flat cable with 6 positions

Note
During the installation check the right connection of plugs into the units (display, console, dispenser etc
230VAC Line INSTALLATION AND WIRING UNIT

Data Line
INSTALLATION AND WIRING UNIT

Operator workstation detail (Counter Display+Console)
INSTALLATION AND WIRING UNIT

First ignition
Before switching on the system make certain that all the link have been done in the right way as indicated. During the ignition of the system the console call (MPCONS) show the address and then a series of horizontal dashes as well as the counter displays (MP-CD). So the peripheral devices are pending to be interrogated from the main display MASTER (MP-MD). When the operation is completed consoles will display
alternately the number of waiting people and the current progressive number.
Note
The duration of the first ignition depending on the number of total existing units.
General notes
The MULTI-POINT system uses a series of controls to avoid potential noises. First protection is a timer so arranged that calls with a time of pushing button less than 0,75 seconds are not accepted. Therefore operator will call pushing the button continuously for a standard time of 1 second. Then every radio control activates a timer inside the MASTER main display that disables the timer itself for 8 seconds, in order to avoid that an operator will call 2 numbers consecutively by mistake. The system is planned to store and to put a lot of successive calls in a queue. The time of display between the calls is set-up for default at 4-6 seconds.
This delay is calculated to consent to the users to visualize their own call on the display before it is replaced from the successive.
Assembly notes
The MASTER main display that receives the call sign of the radio controls) should be assembled in a high position to improve reception. Then it is important to install it away from sources of electromagnetic interferences as televisions, computers and power lines and it is advisable not to place it near columns made of reinforced concrete or other structures containing metal.


















