VIMAR 02912 Smart Clima Wi-Fi Thermostat
Electronic Wi-Fi thermostat for local control and advanced remote temperature management via View App, heating and air conditioning in ON/OFF and PID mode, class I temperature control device (contribution 1%) in ON/OFF mode, class IV (contribution 2%) in PID mode, configuration via View App on standard Bluetooth technology, 1 digital input, 1 relay output 5(2) A 240 V~, power supply 100-240 V~ 50/60 Hz, white LED backlighting, surface mounting, white.
CONFIGURATION IN BLUETOOTH
- Create your Administrator or Installer account on MyVimar (on-line).
- Wire the thermostat.
- Start the View App and log in with the credentials you just created.
- To associate the thermostat:
- In the event of new systems, select “Create smart system” and give it a name. Select the smart system you just created “Customise” “Smart devices” “Add a device” “VIMAR Smart Thermostat” “Start”
- In the case of an existing system, select the smart system “Customise” “Smart devices” “Add a device” “VIMAR Smart Thermostat” “Start”
- Press button B for 5 s; activate the Bluetooth connection on your tablet/smartphone and approach the thermostat
- Select “Proceed” and set the connection to the Wi-Fi network following the instructions provided by the wizard
- Name the thermostat and set the time zone
- Go to the “Smart Devices” section and set the thermostat parameters
For details please refer to the manual entitled “Programming thermostats 02912-02913” available for download from www.vimar.com
OPERATION WITHOUT CONFIGURATION VIA APP.
If the configuration is not done via the View App, the thermostat is designed to accommodate operation in manual mode.
RESETTING THE THERMOSTAT.
The reset restores the factory settings. Within the first 5 minutes within which it is powered, press button B for 30 s.
INSTALLATION RULES.
- Installation and configuration must be carried out by qualified persons in compliance with the current regulations regarding the installation of electrical equipment in the country where the products are installed.
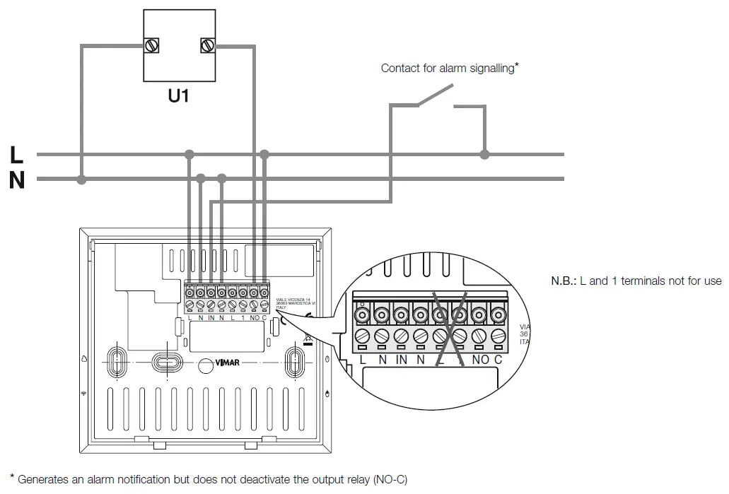
- The NO-CD contact of the relay must be protected against overloads by installing a device, fuse, or automatic 1-way switch, with a rated current not exceeding 10 A.
- Do not connect a SELV circuit to the NO-CD and IN-N terminals as there is no double insulation on the L-N terminals.
- The device must be installed at a height of 1.5 m above floor level, in a suitable position for the correct detection of the room temperature, avoiding installation in recesses, behind doors and curtains, areas affected by heat sources or subject to the flow of forced heating/cooling ventilation sources or affected by atmospheric factors. Avoid in particular installation on perimeter walls or in association with devices that generate heat (e.g. dimmers or lamps).
CHARACTERISTICS.
- Rated supply voltage: 100-240 V~, 50/60 Hz.
- Consumption at 100 V~:
- brightness L1 (low) and relay OFF 0.3 W
- brightness L3 (high) and relay ON 0.85 W
- Consumption at 240 V~:
- brightness L1 (low) and relay OFF 0.5 W
- brightness L3 (high) and relay ON 1 W
- RF transmission power: < 100mW (20dBm).
- Frequency range: 2400-2483.5 MHz.
- Terminals:
- 2 (L and N) for line and neutral
- 2 for digital input 120 – 240 V~ for alarm signaling (for instance boiler shutdown) Maximum length of the 30 m contact connection cable
- 2 (NO-C) for relay output with voltage-free contact: 5(2) A 240 V~
- 2 front buttons with rocking action for control and settings.
- 1 button (positioned at the bottom) for configuration and reset.
- Side LEDs:
- 2 on the left for signaling Cloud and WiFi connection
- 2 on the right for signaling ON/OFF and relay state
- White LED display for displaying temperature, set point, and configuration state signaling.
- Current settable setpoint: 4 °C ÷ 40 °C.
- Temp. measurement precision (integrated probe): 0.5°C between +15°C and 30°C, 0.8°C at the extremes
- For use for Heating/Air Conditioning (winter/summer).
- Operating modes: Automatic, Manual, Reduction, Absence, Protection, Off, Timed Manual.
- Temperature control algorithms: configurable PID or ON/OFF.
- Operating temperature: T40 (0 °C ÷ +40 °C) (indoor use).
- Protection degree: IP20.
- ErP classification (EU Reg. 811/2013): – ON/OFF: class I, contribution 1%. – PID: class IV, contribution 2%.
- The device in class II
- Number of manual cycles: 3,000
- Number of automatic cycles: 100,000
- Type of contact opening: micro-disconnection
- Type of action: 1.C
- Tracking index: PTI175
- Degree of pollution: 2
- Rated pulse voltage: 4000 V
- Software class: A
- Reading resolution: 0.1 °C
- Settings resolution: 0.1 °C from App and ± 0.5 °C from device
- Update of temperature displayed: every 10 s
- Room temperature display: 0 °C +40 °C
- Hysteresis adjustable via App: from 0.1 °C to 1 °C
- Hourly temperature setting (via App)
- Room temperature during transportation: -25 °C +60 °C
- Clock error: ≤ 1 s per day
- Configuration via View App using Bluetooth technology
- Controllable via View App, Amazon Alexa, and Google Assistant voice assistants.
- Dimensions: 106 x 118 x 20.5 mm.
OPERATION.
Using the View App, making use of the WiFi/Internet connection the following can be set:
- Time schedules (times and temperature levels T1, T2, and T3)
- Setpoint for all operating modes (Manual, Reduction, Absence, Protection). The operating mode can be changed from the View App after one ON/OFF cycle
- Manual operation time: between 1 min and 23 hours (with 1-min steps); default = 60 min
- Lighting in standby: high, medium, low, off with default = medium
- Temperature calibration for heating: between -5°C and +5°C with default = 0°C
- Temperature calibration for air conditioning: between -5°C and +5°C with default = 0°C
- Relay output status: normally open, normally closed; default = normally open
- Control type: On/Off, PID; default = On/Off
- Hysteresis for On/Off control: between 0.1°C and 1°C; default = 0.2°C
- Proportional band for PID control: between 0.5°C and 5°C; default = 3°C
- Integrative time for PID control: between 5 min and 120 min; default = 20 min
- Derivative time for PID control: between 0 and 255 s, disabled; default = 0
- Cycle time for PID control: between 10 min and 30 min; default = 10 min
In the event of a power outage, once the power is restored, the thermostat restarts with the operating mode prior to the outage. If the mode set was “Automatic” the thermostat will restart in “Manual” mode and the first time it reconnects to the Cloud, it will synchronize the time/date again and then switch to “Automatic” mode.
USE.
The thermostat display shows the current temperature; when you use “ ” and “ point being set during the action is displayed.
REGULATORY COMPLIANCE.
RED Directive. RoHS directive. ERP directive.
Standards EN 60730-2-7, EN IEC 60730-2-9, EN 300 328, EN 301 489-17, EN 62311, EN IEC 63000.
Temperature control device regulation (EU) no. 811/2013.
Vimar SpA declares that the radio equipment complies with Directive 2014/53/EU. The full text of the EU declaration of conformity is on the product sheet available on the following website: www.vimar.com
REACH (EU) Regulation no. 1907/2006 – Art.33. The product may contain traces of lead.
WEEE – User information
The crossed bin symbol on the appliance or on its packaging indicates that the product at the end of its life must be collected separately from other waste. The user must therefore hand the equipment at the end of its life cycle over to the appropriate municipal centers for the differentiated collection of electrical and electronic waste. As an alternative to independent management, you can deliver the equipment you want to dispose of free of charge to the distributor when purchasing a new appliance of an equivalent type. You can also deliver electronic products to be disposed of that are smaller than 25 cm for free, with no obligation to purchase, to electronics distributors with a sales area of at least 400 m2. Proper sorted waste collection for subsequent recycling, processing and environmentally conscious disposal of the old equipment helps to prevent any possible negative impact on the environment and human health while promoting the practice of reusing and/or recycling materials used in manufacture.
The Apple, iPhone and iPad logos are trademarks of Apple Inc., registered in the United States and in other Countries and Regions. App Store is a service trademark of Apple Inc.
Google is a trademark of Google LLC.
Amazon, Alexa and all related logos are trademarks of Amazon.com, Inc. or its affiliates.
VIEWS

|
| • Short press = adjustment of set point from 4°C to 40°C in steps of 0.5°C • Long press (5 s) = if on standby the thermostat is switched off; if switched OFF the thermostat is switched on |
|
A | Display • bt = thermostat in Bluetooth configuration • off = thermostat off; on = thermostat on • °C = degrees Celsius; °F = degrees Fahrenheit • animation from the bottom up = Heating • animation from the top down = Air conditioning • Rst = thermostat reset • PIN = PIN entry prompt • Alr, Con, Cld, etc. = alarms |
| B | • Short press = degrees Celsius/Fahrenheit selection • Long press (5 s) = the thermostat enters the configuration phase (bt) • Prolonged press (30 s) within the first 5 min of powering = thermostat reset (Rst) |


CONNECTION WITH CIRCULATION PUMPS, BURNERS, SOLENOID VALVES

INSTALLATION
Using a screwdriver, detach the thermostat from the bracket as shown in the figure.

Make the connections and fix the bracket to the wall.

Caution: Tighten the wall bracket screws, applying sufficient torque without exaggerating, in order to avoid warping it.
Fix the thermostat to the bracket using the dedicated attachments shown in the figure.























