RYOBI RYi1802BTVNM 40 Volt Power Station
REPLACEMENT PARTS LIST
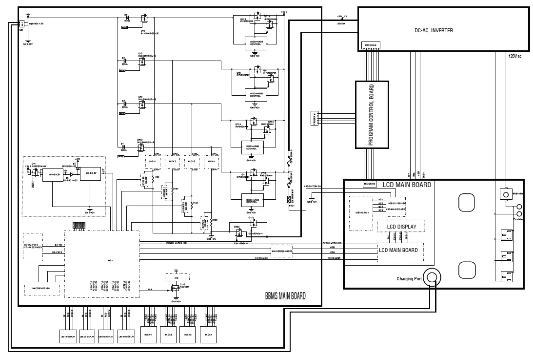
RYi1802BTVNM/RYi1802B6VNM 
RYi1802BTVNM/RYi1802B6VNM
| KEY NO. | PART NO. | DESCRIPTION | QTY. | KEY NO. | PART NO. | DESCRIPTION | QTY. | |
| 1 | 280755001 | Program Circuit Board Assembly | 1 | 32 | 561454012 | Handle (Left) | 2 | |
| 2 | 280850001 | LED Circuit Board Assembly | 4 | 33 | 620599037 | Strap Pin | 2 | |
| 3 | 280851001 | Main Circuit Board Assembly | 1 | 34 | 638700046 | Brush Skirt Clip | 8 | |
| 4 | 290361008 | Output Assembly | 2 | 35 | 638701037 | Handle Tube | 1 | |
| 5 | 290361009 | Harness Circuit Breaker to Receptacle | 1 | 36 | 638991001 | Female Terminal | 4 | |
| 6 | 290361010 | Harness Parallel to Circuit Breaker | 1 | 37 | 638991004 | Battery Contact Plate Terminal | 8 | |
| 7 | 290361017 | Controller Harness | 1 | 38 | 639504003 | T2 Contact Strip (Upper) | 4 | |
| 8 | 290361018 | Firmware Harness | 1 | 39 | 639504004 | T2 Contact Strip (Lower) | 4 | |
| 9 | 290361019 | Inverter Harness | 1 | 40 | 641802003 | Strap Retainer | 2 | |
| 10 | 290361020 | Inverter to Controller Harness | 1 | 41 | 660200002 | Screw (M2.3 x 6 mm) | 2 | |
| 11 | 290361021 | BMS to Controller Harness | 1 | 42 | 660202001 | Screw (M3 x 10 mm) | 10 | |
| 12 | 290361022 | PH-5Y Female Harness | 1 | 43 | 660203001 | Screw (M3 x 8 mm, Pan Hd.) | 16 | |
| 13 | 290361024 | Negative Battery Cable | 4 | 44 | 660481028 | Screw (M4 x 6 mm, Pan Hd.) | 4 | |
| 14 | 290361025 | Positive Battery Cable | 4 | 45 | 661403016 | Screw (ST4.2 x 15 mm, Pan Hd.) | 32 | |
| 15 | 290361026 | Battery Harness | 4 | 46 | 780350011 | 15A Circuit Breaker | 1 | |
| 16 | 290400029 | 120V Power Outlet Receptacle | 3 | 47 | 860948003 | Battery Connector Cover | 4 | |
| 17 | 290991040 | 1600W Inverter Circuit Board Assembly | 1 | 48 | 890025005 | Fan | 1 | |
| 18 | 310714067 | Front Cover Assembly (Inc. Key Nos. 57-58) | 1 | 49 | 980414042 | Foam | 1 | |
| 19 | 524001019 | Housing Cover (Right, Inc. Key Nos. 52, 54 & 59-60) | 1 | 50 | 890052002 | Magnet Ring | 1 | |
| 20 | 524003077 | Housing Cover (Left, Inc. Key Nos. 52 & 54-56) | 1 | 51 | 661610009 | Screw (M3.5 x 12 mm, T15 Torx Pan Hd.) | 12 | |
| 21 | 524012041 | Rear Housing Cover (Inc. Key No. 53) | 1 | 52 | 940779261 | Charging Indicator Label | 2 | |
| 22 | 525361023 | Contact Holder | 4 | 53 | 940310009 | FCC Label | 1 | |
| 23 | 525651003 | Battery Cover Connector | 4 | 54 | 940911015 | Battery Callout Label | 4 | |
| 24 | 525692003 | Battery Contact Holder | 4 | 55 | 940779262 | RYOBI/Power Station Logo Label | 1 | |
| 25 | 529685003 | LED Light Lens | 4 | 56 | 940513037 | Warning Label | 1 | |
| 26 | 529907007 | Top Bumper (Front) | 1 | 57 | 940040056 | Main Power label | 1 | |
| 27 | 529907008 | Top Bumper (Rear) | 1 | 58 | 940705414 | Logo Label | 1 | |
| 28 | 529907009 | Bottom Bumper (Rear) | 1 | 59 | 940654440 | Battery Warning Label | 1 | |
| 29 | 529907010 | Bottom Bumper (Front) | 1 | 60 | 941588897 | Data Label | 1 | |
| 30 | 561384020 | O-Ring | 2 | Not Shown: | ||||
| 31 | 561454011 | Handle (Right) | 2 | 995000819 | Operator’s Manual |























