Sspn Safety System Products North Ab CL-PCB028-1 Transceiver

General
Power supply: The radio module uses one LDO N1 to provide power for transceiver and RF FEM. Transmit: The CC2520 features a Direct Conversion Transceiver operating in the 2.4 GHz band. During the transmit stage, the CPU of main board send data to the CC2520 through the SPI interface. When the CC2520 get emission instruction from CPU, it will go into transmit mode and modulate data up to radio band, after the modulation stage the modulated RF signal is sent to the PA of CC2592, the PA fulfils power amplification, finally the RF signal radiate out through selected antenna. Receive: During the receive stage, the CC2520 get a receipt instruction from CPU, it will go into receive mode. The RF signal is received from selected antenna, it go into LNA of CC2592, the LNA amplifies the received RF signal, after that the RF signal go into the CC2520, the demodulator of CC2520 is responsible for retrieving data from the received signal, after demodulated the data will send to CPU through SPI interface. Frequency range: 2405-2480MHz Modulation: O-QPSK Max EIRP: 22.88dBm Antenna port: Antenna 1 & 2 share the same RF port and are switched by a RF switch.
The compliance of KDB 996369 D02 Module Q&A v01Question 11
The external omni antenna is connected directly to the module by IPEX cable without passing through other peripheral circuits, so this requirement is not applicable to the product.
The requirement for KDB 996369 D03:
- List of applicable FCC rules FCC Part 15. 247
- Summarize the specific operational use conditions None.
- Limited module procedures The module is a single module, so this requirement is not applicable to the product.
- Trace antenna designs The external omni antenna is connected directly to the module by IPEX cable, so this requirement is not applicable to the product.

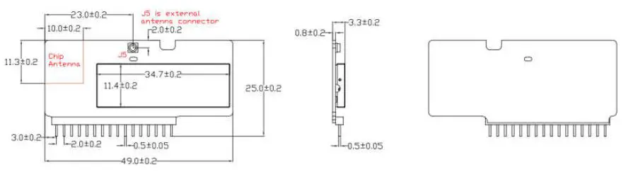
Typical Dimension(W x L x T): 49mm x 25mm x 3.3mm (+/- 0.2mm) PCB Thickness: 0.8mm(+/- 0.1mm)

N4 is general purpose medium-power switches in telecommunication applications and suitable for 2.4GHz design. C35 and C40 are blocking capacitors required by N4. L1 and C3 are 50 ohm impedance tuning components for chip antenna. Between J5 and C35 is 50ohm microstrip refer to layer2. D3 is for ESD protection. J5 is a i-pex connector. The external omni antenna is connected to J5 by MHF-to-SMA cable. The following conditions are required for MHF-to-SMA cable connected to J5.
- Frequency range: DC -3GHz
- Impedance: 50ohm
- VSWR: 1.5(max)
RF exposure considerations
The host device manufacturer should confirm that a separation distance of 20 cm or more should be maintained between the antenna of this host device and persons during the host device operation.
Antennas
For 2.4G Band:
Label and compliance information
If this certified module is installed inside the host device, then the outside of the host must be labeled with “Contains FCC ID: 2AXNQ2101A and IC: 27995-2101A”.
Information on test modes and additional testing requirements
The host manufacturer can use software to make transmit continuously.
Additional testing, Part 15 Subpart B disclaimer
The module only complies with the FCC Part 15.247. If the module is installed in the host device, the host manufacturer is responsible for the compliance to any other FCC rules that apply to the host not covered by the modular transmitter grant of certification. For example, if the host manufacturer markets their product as being Part 15 Subpart B compliant (when it also contains unintentional-radiator digital circuity), then the host manufacturer shall provide a notice stating that the final host product still requires Part 15 Subpart B compliance testing with the modular transmitter installed.
FCC & IC application
This device complies with Part 15 of the FCC Rules / Industry Canada licence-exempt RSS standard(s). Operation is subject to the following two conditions: (1)this device may not cause harmful interference, and (2) this device mustaccept any interference received, including interference that may cause undesired operation. Changes or modifications not expressly approved by the party responsible for compliance could void the user’s authority to operate the equipment.
This equipment has been tested and found to comply with the limits for a Class B digital device, pursuant to part 15 of the FCC Rules. These limits are designed to provide reasonable protection against harmful interference in a residential installation. This equipment generates uses and can radiate radio frequency energy and, if not installed and used in accordance with the instructions, may cause harmful interference to radio communications. However, there is no guarantee that interference will not occur in a particular installation. If this equipment does cause harmful interference to radio or television reception, which can be determined by turning the equipment off and on, the user is encouraged to try to correct the interference by one or more of the following measures:
- Reorient or relocate the receiving antenna.
- Increase the separation between the equipment and receiver.
- Connect the equipment into an outlet on a circuit different from that to which the receiver is connected.
- Consult the dealer or an experienced radio/TV technician for help.
MPE caution
To satisfy FCC&IC RF exposure requirements, a separation distance of 20 cm or more should be maintained between the antenna of this device and persons during device operation. BTo ensure compliance, operations at closer than this distance is not recommended.
Information for the OEM Integrators
This device is intended for OEM integrators only. Please see the full grant of equipment document for restrictions. Label Information to the End User by the OEM or Integrators If the FCC ID of this module is not visible when it is installed inside another device, then the outside of the device into which the module is installed must be label with “Contains FCC ID: 2AXNQ2101A and IC: 27995-2101A”.
Antenna caution
This radio module IC: 27995-2101A has been approved by Innovation, Science and Economic Development Canada to operate with the antenna types listed below, with the maximum permissible gain indicated. Antenna types not included in this list that have a gain greater than the maximum gain indicated for any type listed are strictly prohibited for use with this device.



















