SLIDE-IN DUAL FUEL RANGE OWNER’S MANUAL
IMPORTANT:
Installer: Leave installation instructions with the homeowner.
Homeowner: Keep installation instructions for future reference.
RANGE SAFETY
WARNING: If the information in these instructions is not followed exactly, a fire or explosion may result causing property damage, personal injury or death.
− Do not store gasoline or other flammable vapors and liquids in the vicinity of this or any
other appliance.
− WHAT TO DO IF YOU SMELL GAS
- Do not try to light any appliance.
- Do not touch any electrical switch.
- Do not use any phone in your building.
- Immediately call your gas supplier from a neighbor’s phone. Follow the gas suppliers’ instructions.
- If you cannot reach your gas supplier, call the fire department.
− Installation and service must be performed by a qualified installer, service agency or the gas supplier.
WARNING:
Never Operate the Top Surface Cooking Section of this Appliance Unattended
- Failure to follow this warning statement could result in fire, explosion, or burn hazard that could cause property damage, personal injury, or death.
- If a fire should occur, keep away from the appliance and immediately call your fire department.
DO NOT ATTEMPT TO EXTINGUISH AN OIL/GREASE FIRE WITH WATER.
The range will not tip during normal use. However, the range can tip if you apply too much force or weight to the open door without the anti-tip bracket fastened down properly.
![]() |
|
| Tip-Over Hazard A child or adult can tip the range and be killed. Install anti-tip bracket to floor or wall per installation instructions. Slide range back so rear range foot is engaged in the slot of the anti-tip bracket. Re-engage the anti-tip bracket if the range is moved. Do not operate range without anti-tip bracket installed and engaged. Failure to follow these instructions can result in death or serious burns to children and adults. | |
To verify the anti-tip bracket is properly installed and engaged:
| |
WARNING: Gas leaks cannot always be detected by smell.
Gas suppliers recommend that you use a gas detector approved by UL or CSA.
For more information, contact your gas supplier.
If a gas leak is detected, follow the “What to do if you smell gas” instructions.
Your safety and the safety of others are very important.
We have provided many important safety messages in this manual and on your appliance. Always read and obey all safety messages.
This is the safety alert symbol.
This symbol alerts you to potential hazards that can kill or hurt you and others.
All safety messages will follow the safety alert symbol and either the word “DANGER” or “WARNING.” These
words mean:
DANGER
You can be killed or seriously injured if you don’t immediately follow instructions.
WARNING
You can be killed or seriously injured if you don’t follow instructions.
All safety messages will tell you what the potential hazard is, tell you how to reduce the chance of injury, and tell you what can happen if the instructions are not followed.
IMPORTANT: Do not install a ventilation system that blows air downward toward this gas cooking appliance. This type of ventilation system may cause ignition and combustion problems with this gas cooking appliance resulting in personal injury or unintended operation.
In the State of Massachusetts, the following installation instructions apply:
Installation and repairs must be performed by a qualified or licensed contractor, plumber, or gas fitter qualified or licensed by the State of Massachusetts.
Acceptable Shut-off Devices: Gas Cocks and Ball Valves installed for use shall be listed.
A flexible gas connector, when used, must not exceed 4 feet (121.9 cm).
IMPORTANT SAFETY INSTRUCTIONS
WARNING: To reduce the risk of fire, electric shock, or injury to persons when using the appliance, follow basic precautions, including the following:
WARNING: TO REDUCE THE RISK OF TIPPING OF THE RANGE, THE RANGE MUST BE SECURED BY PROPERLY INSTALLED ANTI-TIP DEVICES. TO CHECK IF THE DEVICES ARE INSTALLED PROPERLY, SLIDE RANGE FORWARD, LOOK FOR AN ANTI-TIP BRACKET SECURELY ATTACHED TO THE FLOOR OR WALL, AND SLIDE RANGE BACK SO THE REAR RANGE FOOT IS UNDER THE ANTI-TIP BRACKET.
WARNING
NEVER use this appliance as a space heater to heat or warm the room. Doing so may result in carbon monoxide poisoning and overheating of the oven.
WARNING
NEVER cover any slots, holes, or passages in the oven bottom or cover an entire rack with materials such as aluminum foil. Doing so blocks air flow through the oven and A may cause carbon monoxide poisoning. Aluminum foil linings may also trap heat, causing a fire hazard.
CAUTION: Do not store items of interest to children in cabinets above an appliance or on the backguard of an appliance – children climbing on the appliance to reach items could be seriously injured.
Do Not Leave Children Alone – Children should not be left alone or unattended in areas where the appliance is in use. They should never be allowed to sit or stand on any part of the appliance.
Wear Proper Apparel – Loose-fitting or hanging garments should never be worn while using the appliance.
User Servicing – Do not repair or replace any part of the appliance unless specifically recommended in the manual. All other servicing should be referred to a qualified technician.
Storage in or on Appliance – Flammable materials should not be stored in an oven or near surface units.
This appliance is not intended for storage.
Do Not Use Water on Grease Fires – Smother fire or flame
or use dry chemical or foam-type extinguisher.
Use Only Dry Potholders – Moist or damp potholders on hot surfaces may result in burns from steam. Do not let potholder touch hot surface units. Do not use a towel or other bulky cloth.
Never Leave Surface Units Unattended at High Heat Settings – Boilover causes smoking and greasy spillovers that may ignite.
Glazed Cooking Utensils – Only certain types of glass, glass/ceramic, ceramic, earthenware, or other glazed utensils are suitable for range-top service without breaking due to the sudden change in temperature.
Utensil Handles Should Be Turned Inward and Not Extend Over Adjacent Surface Units – To reduce the risk of burns, ignition of flammable materials, and spillage due to unintentional contact with the utensil, the handle of a utensil should be positioned so that it is turned inward, and does
not extend over adjacent surface units.
Disconnect power before servicing.
This appliance is equipped with a three-prong grounding plug for your protection against shock hazards and should be plugged directly into a properly grounded receptacle. Do not cut or remove the grounding prong from this plug.
Proper Installation – The appliance, when installed, must be electrically grounded in accordance with local codes, or in the absence of local codes, with the National Electrical Code, ANSI/NFPA 70 or the Canadian Electrical Code, CSA C22.1-02. In Canada, the appliance must be electrically grounded in accordance with the Canadian Electrical Code. Be sure your appliance is properly installed and grounded by a qualified technician.
Injuries may result from the misuse of appliance doors or drawers such as stepping, leaning, or sitting on the doors or drawers.
Maintenance – Keep range area clear and free from combustible materials, gasoline, and other flammable vapors and liquids.
Top burner flame size should be adjusted so it does not extend beyond the edge of the cooking utensil. This instruction is based on safety considerations.
Do not use replacement parts that have not been recommended by the manufacturer (e.g. parts made at home using a 3D printer).
Clean Cooktop With Caution – If a wet sponge or cloth is used to wipe spills on a hot cooking area, be careful to avoid steam burn. Some cleaners can produce noxious fumes if applied to a hot surface.
Use Care When Opening Door – Let hot air or steam escape before removing or replacing food.
Do Not Heat Unopened Food Containers – Build-up of pressure may cause the container to burst and result in injury.
Keep Oven Vent Ducts Unobstructed.
DO NOT TOUCH HEATING ELEMENTS OR INTERIOR SURFACES OF OVEN – Heating elements may be hot even though they are dark in color. Interior surfaces of an oven become hot enough to cause burns. During and after use, do not touch, or let clothing or other flammable materials contact heating elements or interior surfaces of the oven until they have had sufficient time to cool. Other surfaces of the appliance may become hot enough to cause burns – among these surfaces are oven vent openings and surfaces near these openings, oven doors, and windows of oven doors.
SAVE THESE INSTRUCTIONS
IMPORTANT SAFETY INSTRUCTIONS
Care must be taken to prevent aluminum foil and meat probes from contacting heating elements. For self-cleaning ranges –
Do Not Clean Door Gasket – The door gasket is essential for a good seal. Care should be taken not to rub, damage, or move the gasket.
Do Not Use Oven Cleaners – No commercial oven cleaner or oven liner protective coating of any kind should be used in or around any part of the oven.
Clean Only Parts Listed in Manual.
Before Self-Cleaning the Oven – Remove broiler pan and other utensils. Wipe off all excessive spillage before initiating the cleaning cycle.
SAVE THESE INSTRUCTIONS
RANGE MAINTENANCE AND CARE
Clean Cycle

AquaLift® Technology is an innovative cleaning solution that utilizes heat and water to release baked-on spills from the oven in less than 1 hour. This new cleaning technology is a low-heat, odor-free alternative to traditional self-cleaning options.
Allow the oven to cool to room temperature before using the Clean cycle. If your oven cavity is above 200°F (93°C), it will appear in the display, and the Clean cycle will not be activated until the oven cavity cools down.
To Clean:
1. Remove all racks and accessories from the oven cavity, and wipe excess soil. Use a plastic scraper to remove easily removed soils

2. Pour distilled or filtered water onto the bottom of the empty oven, and close the oven door.
IMPORTANT: Do not use chemicals or other additives with the water. Do not open the oven door during the Clean cycle. The water on the oven bottom is hot.
3. Press CLEAN or AQUALIFT SELF CLEAN and then START on the oven control panel.
4. Allow 40 minutes for cleaning and cool down. A beep will sound when the Clean cycle is complete.
5. Press CANCEL, CANCEL UPPER or OFF at the end of the cycle. Cancel, Cancel Upper or Off may be pressed at any time to stop the Clean cycle.
6. Remove the residual water and loosened soils with a sponge or cloth immediately after the Clean cycle is complete. Much of the initial 2 cups (16 oz [500 mL]) of water will remain in the oven after the cycle is completed. If additional soils remain, leave a small amount of water in the oven bottom to assist with the cleaning.

7. If any soils remain, remove them with a non-scratch scrubbing sponge or plastic scraper. Additional Clean cycles may be run to help remove the stubborn soils.
IMPORTANT: Do not use oven cleaners. The use of chemicals, including commercial oven cleaners or metal scouring pads, may cause permanent damage to the porcelain surface of the oven interior.
NOTES:
The range should be level to ensure that the entire surface of the bottom of the oven cavity is covered by water at the beginning of the Clean cycle.
For best results, use distilled or filtered water. Tap water may leave mineral deposits on the oven bottom.
Before removing the residual water and loosened soils at the end of the Clean cycle, insert a cloth or paper towel between the lower edge of the oven door and the front frame to keep water from spilling onto the front of the range and the floor.
Soil baked on through several cooking cycles will be more difficult to remove with the Clean cycle.
Nonabrasive scrub sponges or eraser style cleaning pads (without cleaners) can be effective for cleaning the oven cavity walls, oven door, and oven bottom for difficult soils. For best results, moisten the pads and sponges before use.
Run an additional Clean cycle for stubborn soils.
Affresh ® Kitchen Appliance Cleaner and affresh ® Cooktop Cleaner may be used to clean the oven bottom, walls, and door when the oven has finished the cycle and returned to room temperature. If affresh ® Cooktop Cleaner is used, it is recommended to wipe out the cavity with distilled after as well. Refer to the Quick Start Guide for ordering information.
Additional AquaLift ® Technology Cleaning Kits may be obtained by ordering Part Number W10423113RP. Refer to the Quick Start Guide for ordering information.
† ® Affresh is a registered trademark of Whirlpool, U.S.A.
General Cleaning
IMPORTANT: Before cleaning, make sure all controls are OFF and the oven and cooktop are cool. Always follow label instructions on cleaning products. Soap, water, and a soft cloth or sponge are suggested first, unless otherwise noted.
EXTERIOR PORCELAIN ENAMEL SURFACES (on some models) Food spills containing acids, such as vinegar and tomato, should be cleaned as soon as the entire range is cool. These spills may affect the finish.
Cleaning Method:
Glass cleaner, mild liquid cleaner, or nonabrasive scrubbing pad: Gently clean around the model/serial/rating plate because scrubbing may remove numbers.
Affresh ® Kitchen and Appliance Cleaner Part Number W10355010 (not included):
Please refer to the Quick Start Guide for contact information.
STAINLESS STEEL (on some models)
NOTE: To avoid damage to stainless steel surfaces, do not use soap-filled scouring pads, abrasive cleaners, Cooktop Cleaner, steel-wool pads, gritty washcloths, or abrasive paper towels. Damage may occur to stainless steel surfaces, even with one-time or limited use.
Cleaning Method:
Rub in direction of the grain to avoid damaging.
Affresh ® Stainless Steel Cleaner Part Number W10355016 (not included):
Please refer to the Quick Start Guide for contact information.
METALLIC PAINT (on some models)
Do not use abrasive cleaners, cleaners with bleach, rust removers, ammonia, or sodium hydroxide (lye) because paint surface may stain.
PORCELAIN-COATED GRATES AND CAPS
Food spills containing acids, such as vinegar and tomato, should be cleaned as soon as the cooktop, grates and caps are cool. These spills may affect the finish. To avoid chipping, do not bang grates and caps against each other or hard surfaces such as cast iron cookware. Do not reassemble caps on burners while wet.
Cleaning Method:
Nonabrasive plastic scrubbing pad and mildly abrasive cleanser: Clean as soon as cooktop, grates, and caps are cool.
Dishwasher (grates only, not caps): Use the most aggressive cycle. Cooked-on soils should be soaked or scrubbed before going into a dishwasher. Although the burner grates are durable, they may lose their shine and/or discolor when washed in a dishwasher.
Gas Grate and Drip Pan Cleaner Part Number 31617 (not included):
Please refer to the Quick Start Guide for contact information.
SURFACE BURNERS
Food spills containing acids, such as vinegar and tomato, should be cleaned as soon as the cooktop, grates, and caps are cool.
These spills may affect the finish.
To avoid chipping, do not bang grates and caps against each other or hard surfaces such as cast iron cookware.
Do not reassemble caps on burners while wet.
Do not clean in the Self-Cleaning cycle.
Do not clean in the dishwasher.
Cleaning Method:
Nonabrasive plastic scrubbing pad and mildly abrasive cleanser:
Clean as soon as cooktop, grates, burners and caps are cool.
Gas Grate and Drip Pan Cleaner (not included).
COOKTOP CONTROLS
To avoid damage to the cooktop controls, do not use steel wool, abrasive cleansers or oven cleaner.
To avoid damage, do not soak knobs. When replacing knobs, make sure knobs are in the Off position.
On some models, do not remove seals under knobs.
Cleaning Method:
Soap and water:
Pull knobs straight away from the control panel to remove them..
GRIDDLE
To avoid damaging the nonstick surface, do not use steel wool or abrasive cleaners.
Cleaning Method:
Mild detergent
Dishwasher: Although the griddle is durable, it may lose its shine and/or discolor when washed in a dishwasher.
CONTROL PANEL AND OVEN DOOR EXTERIOR
To avoid damage to the control panel, do not use abrasive cleaners, steel-wool pads, gritty washcloths or abrasive paper towels.
Cleaning Method:
Glass cleaner and soft cloth or sponge: Apply glass cleaner to soft cloth or sponge, not directly on panel.
Affresh ® Kitchen and Appliance Cleaner Part Number W10355010 (not included): Please refer to the Quick Start Guide for contact information.
OVEN RACKS
Cleaning Method:
Steel-wool pad
For racks that have discolored and are harder to slide, a light coating of vegetable oil applied to the rack guides will help them slide
Dishwasher (steam rack water reservoir only, not racks): Although the water reservoir is durable, it may lose its shine and/or discolor when washed in a dishwasher
BAKING DRAWER
Check that the baking drawer is cool and empty before cleaning.
Food spills should be cleaned when the oven cools. At high temperatures, foods react with porcelain. Staining, etching, pitting, or faint white spots can result.
Cleaning Method:
Mild detergent
OVEN CAVITY
Use AquaLift ® Technology regularly to clean oven spills.
Do not use oven cleaners.
Food spills should be cleaned when the oven cools. At high temperatures, foods react with porcelain. Staining, etching, pitting, or faint white spots can result.
Cleaning Method:
Clean cycle:
See the “Clean Cycle” section first.
INSTALLATION INSTRUCTIONS REQUIREMENTS
Tools and Parts
Gather the required tools and parts before starting installation.
Read and follow the instructions provided with any tools listed here.
Parts supplied
Check that all parts are included.
Propane/Natural Gas Conversion Kit
10-32 hex nuts (attached to terminal block) (3)
Direct wire lugs (3)
#10 x 15 ⁄8″ (4.1 cm) screws (for mounting anti-tip bracket) (2)
Anti-tip bracket (inside oven cavity)
The anti-tip bracket must be securely mounted to the back wall or floor. The thickness of flooring may require longer screws to anchor bracket to the subfloor. Longer screws are available from your local hardware store.
Parts Needed
If using a power supply cord kit:
A UL listed power supply cord kit marked for use with ranges.
The cord should be rated at 250 V minimum, 40 A or 50 A that is marked for use with nominal 1 3 ⁄8″ (3.5 cm) diameter connection opening and must end in ring terminals or opened spade terminals with upturned ends.
A UL-listed strain relief.
Check local codes and consult the gas suppliers.
Check existing gas supply and electrical supply. See the appropriate “Electrical Requirements” and “Gas Supply Requirements” sections.
It is recommended that all electrical connections be made by a licensed, qualified electrical installer.
NOTE: Be sure to purchase only Whirlpool factory-certified parts and accessories for your appliance. Your installation may require additional parts. To order, refer to the contact information referenced in your Quick Start Guide.
Optional Parts
To purchase these or any other accessories, refer to the Quick
Start Guide for ordering information.
Side Trim Kits:
5/8″ (1.7 cm) White – Order Part Number W10675027
5/8″ (1.7 cm) Black – Order Part Number W10675026
5/8″ (1.7 cm) Stainless Steel – Order Part Number
W10675028
1 1⁄8″ (2.9 cm) White – Order Part Number W10731885
1 1⁄8″ (2.9 cm) Black – Order Part Number W10731886
1 1⁄8″ (2.9 cm) Stainless Steel -Order Part Number W10731887
Backsplash Kits:
High 6″ (15.2 cm) White – Order Part Number W10655448
High 6″ (15.2 cm) Black – Order Part Number W10655449
High 6″ (15.2 cm) Stainless Steel – Order Part Number
W10655450
NOTE: Be sure to purchase only Whirlpool factory-certified parts and accessories for your appliance. Your installation may require additional parts. To order, refer to the contact information referenced in your Quick Start Guide.
Location Requirements
IMPORTANT: Observe all governing codes and ordinances. Do
not obstruct the flow of combustion and ventilation air.
It is the installer’s responsibility to comply with installation clearances specified on the model/serial/rating plate. The model/serial/rating plate is located behind the oven door on the top right-hand side of the oven frame.
The range should be located for convenient use in the kitchen.
Recessed installations must provide a complete enclosure of the sides and rear of the range.
All openings in the wall or floor where the range is to be installed must be sealed.
Cabinet opening dimensions that are shown must be used. Given dimensions are minimum clearances.
The anti-tip bracket must be installed. To install the anti-tip bracket shipped with the range, see the “Install Anti-Tip Bracket” section.
A grounded electrical supply is required. See the appropriate “Electrical Requirements” section.
A proper gas supply connection must be available. See the “Gas Supply Requirements” section.
Contact a qualified floor covering installer to check that the floor covering can withstand at least 200°F (93°C).
Use an insulated pad or 1/4″ (6.4 mm) plywood under range If installing range over carpeting.
IMPORTANT: To avoid damage to your cabinets, check with your builder or cabinet supplier to make sure that the materials used will not discolor, delaminate or sustain other damage. This oven has been designed in accordance with the requirements of UL and CSA International and complies with the maximum allowable wood cabinet temperatures of 194°F (90°C).
Mobile Home – Additional Installation
Requirements
The installation of this range must conform to the Manufactured Home Construction and Safety Standard, Title 24 CFR, Part 3280 (formerly the Federal Standard for Mobile Home Construction and Safety, Title 24, HUD Part 280). When such standard is not applicable, use the Standard for Manufactured Home Installations, ANSI A225.1/NFPA 501A or with local codes. In Canada, the installation of this range must conform with the current standards CAN/CSA Z240.1 – latest edition, or with local codes.
Mobile Home Installations Require:
When this range is installed in a mobile home, it must be secured to the floor during transit. Any method of securing the range is adequate as long as it conforms to the standards listed above.
A four-wire power supply cord or cable must be used in a mobile home installation. The appliance wiring will need to be revised. See “Electrical Connection – U.S.A. Only” section.
Cabinet Dimensions
Cabinet opening dimensions shown are for 25″ (64.0 cm) countertop depth, 24″ (61.0 cm) base cabinet depth and 36″ (91.4 cm)
countertop height.
IMPORTANT: If installing a range hood or microwave hood combination above the cooking surface, follow the range hood or microwave
hood combination installation instructions for dimensional clearances above the cooktop surface.
NOTE: When installed in a slide-in cutout, the front of the oven door may protrude beyond the base cabinet.

A. 18″ (45.7 cm) upper side cabinet to countertop
B. 13″ (33 cm) maximum upper cabinet depth
C. 30″ (76.2 cm) minimum opening width
D. For minimum clearance to top of cooktop, see NOTE*.
E. 30″ (76.5 cm) minimum opening width
F. 5″ (12.7 cm) minimum clearance from both sides of range to sidewall
or other combustible material
G. The shaded area is recommended for installation of rigid gas pipe and
grounded outlet
H. 13 1 /8″ (33.3 cm)
I. 7 11⁄16″ (19.5 cm)
J. 413⁄16″ (12.2 cm)
K. 311⁄16″ (9.4 cm) plus measurement of M
L. Cabinet door or hinges should not extend into the cutout.
M. Remaining counter depth should not exceed 21/4″ (5.7 cm)

A. 18″ (45.7 cm) upper side cabinet to countertop
B. 13″ (33 cm) maximum upper cabinet depth
C. 30″ (76.2 cm) minimum opening width
D. For minimum clearance to the top of cooktop, see NOTE*.
E. 30″ (76.2 cm) minimum opening width
F. 5″ (12.7 cm) minimum clearance from both sides of range to the sidewall or other combustible material
G. The shaded area is recommended for the installation of rigid gas pipe and grounded outlet.
H. 13 1 /8″ (33.3 cm)
I. 711 /16″ (19.5 cm)
J. 4 13 /16″ (12.2 cm)
K. 3 11 /16″ (9.4 cm)
L. Cabinet door or hinges should not extend into the cutout.
NOTE*: 24″ (61.0 cm) minimum when the bottom of wood or metal cabinet is shielded by not less than 1/4″ (6.4 mm) flame retardant millboard covered with not less than No. 28 MSG sheet steel, 0.015″ (0.4 mm) stainless steel, 0.024″ (0.6 mm) aluminum or 0.020″ (0.5 mm) copper.
30″ (76.2 cm) minimum clearance between the top of the cooking platform and the bottom of an uncovered wood or metal cabinet.
Electrical Requirements – U.S.A. Only
If codes permit and a separate ground wire is used, it is recommended that a qualified electrical installer determine that the ground path and wire gauge are in accordance with local codes.
Do not use an extension cord.
Be sure that the electrical connection and wire size are adequate and in conformance with the National Electrical Code, ANSI/
NFPA 70-latest edition and all local codes and ordinances.
A copy of the above code standards can be obtained from:
National Fire Protection Association
1 Batterymarch Park
Quincy, MA 02169-7471
WARNING: Improper connection of the equipment-grounding conductor can result in a risk of electric shock. Check with a qualified electrician or service technician if you are in doubt as to whether the appliance is properly grounded. Do not modify the power supply cord plug. If it will not fit the outlet, have a proper outlet installed by a qualified electrician.
Electrical Connection.
To properly install your range, you must determine the type of electrical connection you will be using and follow the instructions provided for it here.
Range must be connected to the proper electrical voltage and frequency as specified on the model/serial/rating plate. The model/serial/rating plate is located behind the oven door on the top right-hand side of the oven frame.

A. Model/serial/rating plate (located behind the oven door on the top right-hand side of the oven frame)
This range is manufactured with the neutral terminal connected to the cabinet. Use a 3-wire, UL listed, 40 or 50 A power supply cord (pigtail). See the following Range Rating chart. If local codes do not permit ground through the neutral, use a 4-wire power supply cord rated at 250 V, 40 or 50 A and investigated for use with ranges.
| Range Rating* | Specified Rating of Power Supply Cord Kit and Circuit Protection | ||
| 120/240 V | 120/208 V | Ampere | |
| 8.8-16.5 kW | 7.8-12.5 kW | 40 or 50** | |
| 16.6-22.5 kW | 12.6-18.5 kW | 50 | |
*The NEC calculated load is less than the total connected load listed on the model/serial/rating plate.
**If connecting to a 50 A circuit, use a 50 A-rated cord with the kit. For 50 A-rated cord kits, use kits that specify use with a nominal 1 3 /8″(3.5 cm) diameter connection opening.
A circuit breaker is recommended.
The range can be connected directly to the circuit breaker box
(or fused disconnect) through flexible or nonmetallic sheathed, copper, or aluminum cable. See the “Electrical Connection U.S.A. Only” section.
Allow at least 6 ft (1.8 m) of slack in the line so that the range can be moved if servicing is ever necessary.
A UL-listed conduit connector must be provided at each end of the power supply cable (at the range and at the junction box).
Wire sizes and connections must conform with the rating of the range.
The tech sheet is available online, and the wiring diagram is located on the back of the range in a plastic bag.

If Connecting to a 3-Wire System:
Local codes may permit the use of a UL listed, 3-wire, 250 V, 40 or 50 A range power supply cord (pigtail). This cord contains 3 copper conductors with ring terminals or open-end spade terminals with upturned ends, terminating in a NEMA Type 10-50P plug on the supply end. Connectors on the appliance end must be provided at the point the power supply cord enters the appliance. This uses a 3-wire receptacle of NEMA Type 10-50R.
If Connecting to a 4-Wire System
This range is manufactured with the ground connected to the neutral by a link. The ground must be revised so the green ground wire of the 4-wire power supply cord is connected to the cabinet. See “Electrical Connection – U.S.A. Only” section.
Grounding through the neutral conductor is prohibited for new branch-circuit installations (1996 NEC); mobile homes; and recreational vehicles, or an area where local codes prohibit grounding through the neutral conductor.
When a 4-wire receptacle of NEMA Type 14-50R is used, matching UL listed, 4-wire, 250 V, 40 or 50 A, range power supply cord (pigtail) must be used. This cord contains 4 copper conductors with ring terminals or open-end spade terminals with upturned ends, terminating in a NEMA Type 14- 50P plug on the supply end.
The fourth (grounding) conductor must be identified by a green or green/yellow cover and the neutral conductor by a white cover. Cord should be Type SRD or SRDT with a UL-listed strain relief and be at least 4 ft (1.22 m) long.

The minimum conductor sized for the copper 4-wire power cord are:
40 A circuit
2 No.-8 conductors
1 No.-10 white neutral
1 No.-10 green grounding
Electrical Requirements – Canada Only
|
![]() |
| Electrical Shock Hazard Electrically ground appliance. Failure to do so could result in death, fire, or electrical shock. |
If codes permit and a separate ground wire is used, it is recommended that a qualified electrical installer determine that the ground path is adequate and wire gauge are in accordance with local codes.
Be sure that the electrical connection and wire size are adequate and in conformance with CSA Standard C22.1, Canadian Electrical Code, Part 1 – latest edition, and all local codes and ordinances.
A copy of the above code standards can be obtained from:
Canadian Standards Association
178 Rexdale Blvd.
Toronto, ON M9W 1R3 CANADA
Check with a qualified electrical installer if you are not sure the range is properly grounded.
| Range Rating* | Specified Rating of Power Supply Cord Kit and Circuit Protection | ||
| 120/240 V | 120/208 V | Ampere | |
| 8.8-16.5 kW | 7.8-12.5 kW | 40 or 50** | |
| 16.6-22.5 kW | 12.6-18.5 kW | 50 | |
*The NEC calculated load is less than the total connected load listed on the model/serial/rating plate.
**If connecting to a 50 A circuit, use a 50 A-rated cord with the kit. For 50 A-rated cord kits, use kits that specify use with a nominal 1 3 /8″ (3.5 cm) diameter connection opening.
A circuit breaker is recommended.
This range is equipped with a CSA International Certified Power Cord intended to be plugged into a standard 14-50R wall receptacle. Be sure the wall receptacle is within reach of the range’s final location.

Do not use an extension cord.
The tech sheet is available online and the wiring diagram is located on the back of the range in a plastic bag.
Gas Supply Requirements
WARNING |
![]() |
| Explosion Hazard Use a new CSA International approved gas supply line. Install a shut-off valve. Securely tighten all gas connections. If connected to propane, have a qualified person make sure gas pressure does not exceed 14ʺ (36 cm) water column. Examples of a qualified person include licensed heating personnel, authorized gas company personnel, and authorized service personnel. Failure to do so can result in death, explosion, or fire. |
Observe all governing codes and ordinances.
IMPORTANT: This installation must conform with all local codes and ordinances. In the absence of local codes, installation must conform with the National Fuel Gas Code ANSI Z223.1/NFPA 54 or, in Canada, the National Gas and Propane Installation Code, CSA B149.1 – latest edition.
IMPORTANT: Leak testing of the range must be conducted according to the manufacturer’s instructions. See the “Make Gas Connection” section for leak testing instructions.
Type of Gas
Natural Gas:
This range is factory set for use with Natural gas. If converting to propane gas, see the “Gas Conversions” section. The model/ serial/rating plate located behind the control panel has information on the types of gas that can be used. If the types of gas listed do not include the type of gas available, check with the local gas supplier.
Propane Gas Conversion:
Conversion must be done by a qualified service technician.
No attempt shall be made to convert the appliance from the gas specified on the model/serial/rating plate for use with a different gas without consulting the serving gas supplier. See the “Gas Conversions” section.
Gas Supply Line
Provide a gas supply line of 3/4″ (1.9 cm) rigid pipe to the range location. A smaller size pipe on longer runs may result in insufficient gas supply. With propane gas, piping or tubing size can be 1/2″ (1.3 cm) minimum. Usually, propane gas suppliers determine the size and materials used in the system.
NOTE: Pipe-joint compounds that resist the action used. Do not use TEFLON ® † tape.
Flexible metal appliance connector:
If local codes permit, a new CSA design-certified, 4 to 5 ft (122 to 152.4 cm) long, 1/2″ (1.3 cm) or 3/4″ (1.9 cm) I.D., flexible metal appliance connector may be used for connecting range to the gas supply line.

A 1/2″ (1.3 cm) male pipe thread is needed for connection to the female pipe threads of the inlet to the appliance pressure regulator.
Do not kink or damage the flexible metal tubing when moving the range.
Must include a shutoff valve:
Install a manual gas line shut-off valve in an easily accessible location. Do not block access to shut-off valve. The valve is for turning on or shutting off gas to the range.

Gas Pressure Regulator
The gas pressure regulator supplied with this range must be used.
The inlet pressure to the regulator should be as follows for proper operation:
Natural gas:
Minimum pressure: 5″ (12.7 cm) WCP
Maximum pressure: 14″ (35.6 cm) WCP
Propane gas:
Minimum pressure: 11″ (27.9 cm) WCP
Maximum pressure: 14″ (35.6 cm) WCP
Contact local gas supplier if you are not sure about the inlet pressure.
Burner Input Requirements
Input ratings shown on the model/serial rating plate are for elevations up to 2,000 ft (609.6 m).
For elevations above 2,000 ft (609.6 m), ratings are reduced at a rate of 4% for each 1,000 ft (304.8 m) above sea level (not applicable for Canada).
Gas Supply Pressure Testing
Gas supply pressure for testing regulator must be at least 1″ (2.5 cm) water column pressure above the manifold pressure shown on the model/serial rating plate.
Line pressure testing above 1/2 psi (3.5 kPa) gauge [14″ (35.6 cm) WCP]
The range and its individual shutoff valve must be disconnected from the gas supply piping system during any pressure testing of that system at test pressures in excess of 1/2 psi (3.5 kPa).
Line pressure testing at 1/2 psi (3.5 kPa) gauge [14″ (35.6 cm) WCP] or lower
The range must be isolated from the gas supply piping system by closing its individual manual shutoff valve during any pressure testing of the gas supply piping system at test pressures equal to or less than 1/2 psi (3.5 kPa).
INSTALLATION
Unpack Range
WARNING
Excessive Weight Hazard
Use two or more people to move and install or uninstall the appliance.
Failure to do so can result in back or another injury.
- Remove shipping materials, tape, and film from the range.
Keep cardboard bottom under range. Do not dispose of anything until the installation is complete. - Remove oven racks and parts package from oven and shipping materials.
- To remove the cardboard bottom, first take 4 cardboard corners from the carton. Stack one cardboard corner on top of another. Repeat with the other 2 corners. Place them lengthwise on the floor behind the range to support the range when it is laid on its back.
- Using 2 or more people, firmly grasp the range and gently lay it on its back on the cardboard corners.
- Remove the cardboard bottom.
The leveling legs can be adjusted while the range is on its back. See the “Adjust Leveling Legs” section.
NOTE: To place the range back up into a standing position, put a sheet of cardboard or hardboard on the floor in front of range to protect the flooring. Using 2 or more people, stand range back up onto the cardboard or hardboard.
†®TEFLON is a registered trademark of Chemours.
Install Anti-Tip Bracket
|
![]() |
| Tip-Over Hazard A child or adult can tip the range and be killed. Install anti-tip bracket to floor or wall per installation instructions. Slide range back so rear range foot is engaged in the slot of the anti-tip bracket. Re-engage the anti-tip bracket if the range is moved. Do not operate range without anti-tip bracket installed and engaged. Failure to follow these instructions can result in death or serious burns to children and adults. |
- Remove the anti-tip bracket from the inside of the oven.
- Determine which mounting method to use: floor or wall.
If you have a stone or masonry floor, you can use the wall mounting method. If you are installing the range in a mobile home, you must secure the range to the floor.
This anti-tip bracket and screws can be used with wood or metal studs. - Determine and mark the centerline of the cutout space. The mounting bracket can be installed on either the left-hand or the right-hand side of the cutout. Position the mounting bracket against the wall in the cutout so that the V-notch of the bracket is 12 1 /2″ (31.8 cm) from the centerline, as shown.

4. Drill two 1/8″ (3 mm) holes that correspond to the bracket holes of the determined mounting method. See the following illustrations.

Wall Mounting
5. Using the two #10 x 1 5 /8″ (4.1 cm) Phillips-head screws provided, mount an anti-tip bracket to the wall or floor.
6. Move the range close enough to opening to allow for final electrical connections. Remove shipping base, cardboard, or hardboard from under range.
7. Move range into its final location, making sure rear leveling leg slides into the anti-tip bracket.

8. Move the range forward onto the shipping base, cardboard, or hardboard to continue installing the range, using the following installation instructions.
Adjust Leveling Legs
1. If range height adjustment is necessary, use a wrench or pliers to loosen the 4 leveling legs.
This may be done with the range on its back or with the range supported on 2 legs after the range has been placed back to a standing position.
NOTE: To place range back up into a standing position, put a sheet of cardboard or hardboard in front of the range. Using 2 or more people, stand range back up onto the cardboard or hardboard.
WARNING |
![]() |
| Tip-Over Hazard A child or adult can tip the range and be killed. Install anti-tip bracket to floor or wall per installation instructions. Slide range back so rear range foot is engaged in the slot of the anti-tip bracket. Re-engage the anti-tip bracket if the range is moved. Do not operate range without anti-tip bracket installed and engaged. Failure to follow these instructions can result in death or serious burns to children and adults. |
2. Measure the distance from the top of the counter to the floor.
3. Measure the distance from the top of the cooktop to the bottom of the leveling legs. This distance should be the same. If it is not, adjust the leveling legs to the correct height. The leveling legs can be loosened to add up to a maximum of 1″ (2.5 cm). A minimum of 3/16″ (5 mm) is needed to engage the anti-tip bracket.
NOTE: If height adjustment is made when range is standing, tilt the range back to adjust the front legs, and then tilt forward to adjust the rear legs.
4. When the range is at the correct height, check that there is adequate clearance under the range for the anti-tip bracket. Before sliding range into its final location, check that the antitip bracket will slide under the range and onto the rear leveling leg prior to anti-tip bracket installation.
NOTE: If a Trim Kit will be used, the top of the cooktop should be higher than the counter. See the Installation Instructions included with the Trim Kit for the correct height.
Level Range
1. Place level on the oven bottom, as indicated in one of the two figures below, depending on the size of the level. Check with the level side to side and front to back.

2. If range is not level, use a wrench or pliers to adjust leveling legs up or down until the range is level.
NOTE: Range must be level for satisfactory baking performance and best cleaning results using AquaLift® SelfClean Technology.
Electrical Connection – U.S.A. Only
If your home has a 3- or 4-wire receptacle, continue with “Install Using a Power Supply Cord”. If your home has a 3- or 4-wire direct connection, go to “Install Using Direct Wire”.
Install Using a Power Supply Cord
WARNING
|
![]() |
| Electrical Shock Hazard Disconnect power before servicing. Use a new 40 amp power supply cord. Plug into a grounded outlet. Failure to follow these instructions can result in death, fire, or electrical shock. |
Power Supply Cord Strain Relief
1. Disconnect power.
2. Remove the lower access cover screws located on the back of the range. Pull the bottom of the cover toward you and out to remove cover from range.

3. Remove plastic tag holding three 10-32 hex nuts from the middle post of the terminal block.

4. Assemble a UL listed strain relief in the opening.

5. Complete installation following instructions for your type of electrical connection:
4-wire (recommended)
3-wire (if 4-wire is not available)
Electrical Connection Options
If your home has: | And you will be connecting to: | Go to Section: |
| 3-wire receptacle (NEMA type 1050R) ![]() | A UL listed, 250 V minimum, 40 or 50 A, range power supply cord | 3-Wire Connection: Power Supply Cord |
| 4-wire receptacle (NEMA type 1450R) ![]() | A UL listed, 250 V minimum, 40 or 50 A, range power supply cord | 4-Wire Connection: Power Supply Cord |
3-Wire Connection: Power Supply Cord
Use this method only if local codes permit connecting chassis ground conductor to the neutral wire of power supply cord.
1. Feed the power supply cord through the strain relief on the cord/conduit plate at the bottom of the range. Allow enough slack to easily attach the wiring to the terminal block.

2. Use 3/8″ (1.0 cm) nut driver to connect the neutral (white) wire to the center terminal block post with one of the 10-32 hex nuts.

3. Connect line 2 (red) and line 1 (black) wires to the outer terminal block posts with 10-32 hex nuts.
4. Securely tighten 20 lbs-in (2.3 N-m) recommended torque to tighten hex nuts.
NOTE: For power supply cord replacement, use only a power cord rated at 250 V minimum, 40 A or 50 A that is marked for use with nominal 1 3
/8″ (3.5 cm) diameter connection opening, with ring terminals and marked for use with ranges.
5. Tighten strain relief screws.
IMPORTANT: Verify the tightness of the hex nuts. Ensure all harnesses are tightened to the terminal block and are not loose.
6. Replace lower access cover.
4-Wire Connection: Power Supply Cord
Use this method for:
New branch-circuit installations (1996 NEC).
Mobile homes
Recreational vehicles
In an area where local codes prohibit grounding through the neutral
1. Cut out and remove part of the metal ground strap, as shown.

2. Use a Phillips screwdriver to remove the ground-link screw from the back of the range. Save the ground-link screw and the end of the ground link under the screw.
3. Feed the power supply cord through the strain relief on the cord/conduit plate at the bottom of the range. Allow enough slack to easily attach the wiring to the terminal block.

4. Use a Phillips screwdriver to connect the green ground wire from the power supply cord to the range with the ground-link screw and ground-link section. The ground wire must be attached over the ground-link section.
5. Use 3/8″ (1.0 cm) nut driver to connect the neutral (white) wire to the center terminal block post with one of the 10-32 hex nuts.

6. Connect line 2 (red) and line 1 (black) wires to the outer terminal block posts with 10-32 hex nuts.
7. Securely tighten 20 lbs-in (2.3 N-m) recommended torque to tighten hex nuts.
NOTE: For power supply cord replacement, use only a power cord rated at 250 V minimum, 40 or 50 A that is marked for se with nominal 1 3 /8″ (3.5 cm) diameter connection opening, with ring terminals and marked for use with ranges.
8. Tighten strain relief screws.
IMPORTANT: Verify the tightness of the hex nuts. Ensure all harnesses are tightened to the terminal block and are not loose.
9. Replace lower access over.
Install Using Direct Wire
WARNING |
![]() |
| Electrical Shock Hazard Disconnect power before servicing. Use 8 gauge copper or 6 gauge aluminum wire. Electrically ground range. Failure to follow these instructions can result in death, fire, or electrical shock. |
Direct Wire Strain Relief
1. Disconnect power.
2. Remove the lower access cover screws located on the back of the range. Pull the bottom of the cover toward you and out to remove the cover from range.

A. Mounting tabs (3)
B. Lower access cover
C. Screws (2)
3. Remove plastic tag holding three 10-32 hex nuts from the middle post of the terminal block.

4. Assemble a UL-listed conduit connector in the opening.

5. Tighten strain relief screw against the flexible conduit.

Direct Wire Installation: Copper or Aluminum Wire
This range may be connected directly to the fuse disconnect or circuit breaker box. Depending on your electrical supply, make the required 3-wire or 4- wire connection.
1. Strip outer covering back 3″ (7.6 cm) to expose wires. Strip the insulation back 3/8″ (1.0 cm) from the end of each wire.

.3″
2. Allow enough slack in the wire to easily attach the wiring terminal block.
3. Complete installation following instructions for your type of
electrical connection:
4-wire (recommended)
3-wire (if 4-wire is not available)
Electrical Connection Options
Electrical Connection Options
And you will be connecting to:
Go to Section:

3-Wire Connection: Direct Wire
Use this method only if local codes permit connecting the ground conductor to neutral supply wire.
- Pull the wires through the conduit on the cord/conduit plate at the bottom of the range. Allow enough slack to easily attach the wiring to the terminal block.
A. Terminal lug
B. Setscrew
C. Line 2 (red) wire
D. Bare (green) ground wire
E. Line 1 (black) wire - Attach terminal lugs to line 2 (red), bare (green) ground, and line 1 (black) wires. Loosen (do not remove) the setscrew on the front of the terminal lug and insert exposed wire end through the bottom of terminal lugs. Securely tighten setscrew to torque as shown in the following Bare Wire Torque Specifications chart.
- Use a 3/8″ (1.0 cm) nut driver to connect the bare (green) ground wire to the center terminal block post with one of the 10-32 hex nuts.

A. 10–32 hex nut
B. Line 2 (red) wire
C. Ground-link screw
D. Bare (green) ground wire
E. Line 1 (black) wire
F. Terminal lug - C. Ground-link screw F. Terminal lug Connect line 2 (red) and line 1 (black) wires to the outer terminal block posts with 10-32 hex nuts.
- Firmly tighten hex nuts.
IMPORTANT: Verify the tightness of the hex nuts. Ensure all harnesses are tightened to the terminal block and are not loose. - Replace lower access cover.
4-Wire Connection: Direct Wire
Use this method for:
- New branch-circuit installations (1996 NEC)
- Mobile homes
- Recreational vehicles
- In an area where local codes prohibit grounding through the
neutral
- Cut out and remove part of the metal ground strap, as shown.\

- Use a Phillips screwdriver to remove the ground-link screw from the back of the range. Save the ground-link screw and the end of the ground link under the screw.
- Pull the wires through the strain relief on the bottom of the range. Allow enough slack to easily attach wiring to the terminal block.

- Attach terminal lugs to line 1 (black), neutral (white), and line 2 (red) wires. Loosen (do not remove) the setscrew on the front of the terminal lug and insert exposed wire end through the bottom of terminal lugs. Securely tighten setscrew to torque as shown in the following Bare Wire Torque Specifications chart.

- Use a hex or Phillips screwdriver to connect the bare (green) ground wire to the range with the ground-link screw and ground-link section. The ground wire must be attached over the ground-link section and must not contact any other terminal.
- Use a 3/8″ (1.0 cm) nut driver to connect the neutral (white) wire to the center terminal block post with one of the 10-32 hex nuts.

A. 10–32 hex nut
B. Line 2 (red) wire
C. Bare (green) ground wire
D. Ground-link screw
E. Neutral (white) wire
F. Line 1 (black) wire
G. Terminal lug - Connect line 2 (red) and line 1 (black) wires to the outer terminal block posts with 10-32 hex nuts.
- Firmly tighten hex nuts.
IMPORTANT: Verify the tightness of the hex nuts. Ensure all harnesses are tightened to the terminal block and are not loose. - Replace lower access cover.
Bare Wire Torque Specifications
Attaching terminal lugs to the terminal block – 20 lbs-in (2.3 N-m)
| Wire AWG | Torque |
| 8 gauge copper | 25 lbs-in (2.8 N-m) |
| 6 gauge aluminum | 35 lbs-in (4.0 N-m) |
WARNING |
![]() |
| Explosion Hazard Use a new CSA International approved gas supply line. Install a shut-off valve. Securely tighten all gas connections. If connected to propane, have a qualified person make sure gas pressure does not exceed 14ʺ (36 cm) water column. Examples of a qualified person include: licensed heating personnel, authorized gas company personnel, and authorized service personnel. Failure to do so can result in death, explosion, or fire. |
This range is factory-set for use with Natural gas. To use this range with Propane gas, see the “Gas Conversions” section before connecting this range to the gas supply. Gas conversions from Natural gas to Propane gas or from Propane gas to Natural gas must be done by a qualified installer.
Typical Flexible Connection
- Apply pipe-joint compound made for use with Propane gas to the smaller thread ends of the flexible connector adapters. See B and G in the following illustration.
- Attach one adapter to the gas pressure regulator and the other adapter to the gas shutoff valve. Tighten both adapters, being certain not to move or turn the gas pressure regulator.
- Use a 15/16″ (2.4 cm) combination wrench and an adjustable wrench to attach the flexible connector to the adapters.
IMPORTANT: All connections must be wrench-tightened. Do not make connections to the gas regulator too tight. Making the connections too tight may crack the regulator and cause a gas leak. Do not allow the regulator to turn when tightening fittings.

Complete Connection
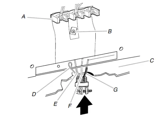
- Open the manual shutoff valve in the gas supply line. The valve is open when the handle is parallel to the gas pipe.

- Test all connections by brushing on an approved noncorrosive leak-detection solution. If bubbles appear, a leak is indicated. Correct any leak found.
- Remove cooktop burner caps and bases from a package containing parts. Place the burner bases as indicated below:

NOTE: Each round burner base is marked with one of the following: AUX, SR, UR, or ST. - Align the gas tube opening in the burner base with the orifice holder on the cooktop and the igniter electrode with the notch in the burner base.

- Place the burner caps on the appropriate burner bases.
NOTE: The bottom of the small and medium caps are different. Do not put the wrong size burner cap on the burner base. Each round burner cap is marked with an AUX, SR, UR, or ST to match with a letter on the burner base.
Burner caps should be level when properly positioned. If burner caps are not properly positioned, surface burners will not light. The burner cap should not rock or wobble when properly aligned.
- Place burner grates over burners and caps.
- Plug into the appropriate outlet. See the appropriate “Electrical Requirements” section.
- Turn on the power.
Verify Anti-Tip Bracket Is Installed and Engaged
On Ranges Equipped with a Premium Storage Drawer:
- Slide range into final location, making sure rear leveling leg slides into anti-tip bracket.
- Remove the premium storage drawer. See the “Remove/ Replace Drawer” section.
- Use a flashlight to look underneath the bottom of the range.
- Visually check that the rear range foot is inserted into the slot of the anti-tip bracket.
On Ranges Equipped with a Warming Drawer or Baking Drawer:
- Slide range into final location, making sure rear leveling leg slides into anti-tip bracket. Leave a 1″ (2.5 cm) gap between the back of the range and the back wall.
- Place the outside of your foot against the bottom front of the warming drawer or baking drawer to keep the range from moving, and then grasp the back of the range, as shown.

- Slowly attempt to tilt the range forward. If you encounter immediate resistance, the range foot is engaged in the anti-tip bracket. Go to Step 8.
- If the rear of the range lifts more than 1/2″ (1.3 cm) off the floor without resistance, stop tilting the range and lower it gently back to the floor. The range foot is not engaged in the anti-tip bracket.
IMPORTANT: If there is a snapping or popping sound when lifting the range, the range may not be fully engaged in the bracket. Check to see if there are obstructions keeping the range from sliding to the wall or keeping the range foot from sliding into the bracket. Verify that the bracket is held securely in place by the mounting screws. - Slide the range forward, and verify that the anti-tip bracket is securely attached to the floor or wall.
- Slide range back so the rear range foot is inserted into the slot of the anti-tip bracket.
- Repeat steps 1 and 2 to ensure that the range foot is engaged in the anti-tip bracket. If the rear of the range lifts more than 1/2″ (1.3 cm) off the floor without resistance, the anti-tip bracket may not be installed correctly. Do not operate the range without anti-tip bracket installed and engaged. Please reference the “Warranty” to contact service.
- Move the range into its final location. Check that the range is level by placing a level on the oven bottom. See the “Level Range” section.
IMPORTANT: f the range is moved to adjust the leveling legs, verify that the anti-tip bracket is engaged by repeating steps 1 to 8.
Electronic Ignition System
Initial Lighting and Gas Flame Adjustments Cooktop and oven burners use electronic igniters in place of standing pilots. When the cooktop control knob is turned to the ignite position, the system creates a spark to light the burner. All cooktop burners will spark, but only the burner with the control knob turned to the ignite position will produce a flame. This sparking continues as long as the control knob is turned to the ignite position.
When the oven control is turned to the desired setting, sparking occurs and ignites the gas.
Check Operation of Cooktop Burners
Standard Surface Burners
Push in and turn each control knob to the ignite position. The flame should light within 4 seconds. The first time a burner is lit, it may take longer than 4 seconds to light because of air in the gas line.
If Burners Do Not Light Properly:
- Turn the cooktop control knob to the off position.
- Check that the range is plugged into a grounded 3 prong outlet. Check that the circuit breaker has not tripped or the household fuse has not blown.
- Check that the gas shutoff valves are set to the open position.
- Check that burner caps are properly positioned on burner bases. Repeat start-up. If a burner does not light at this point, turn the control knobs to the off position and contact your dealer or authorized service company for assistance. Please reference the “Warranty” section of the User Guide to contact service. If the cooktop “low” burner flame needs to be adjusted for any of the burners, see the “Adjust Flame Height” section.
Power Failure
In case of prolonged power failure, the surface burners can be lit manually. Hold a lit match near a burner, and then turn the knob counterclockwise to LITE. After burner lights, turn the knob to the desired setting.
Remove/Replace Drawer (on some models)
Remove all items from inside the baking drawer, and then allow the range to cool completely before attempting to remove the drawer.
To Remove:
- Open the drawer to its fully open position.
- Using a flat-blade screwdriver, gently loosen the drawer from the glide alignment notch, and then lift up the drawer alignment tab from the glide.

A. Flat-blade screwdriver
B. Drawer alignment tab
C. Drawer glide notch - Repeat Step 2 on the other side. The drawer is no longer attached to the drawer glides. Using both hands, pick up the drawer to complete the removal.
To Replace:
- Align the forward drawer notches with the notches in the drawer glides on both sides. Place the rear alignment tabs into the drawer glides on both sides.

A. Drawer alignment tab
B. Drawer glide notch - Push the drawer in all the way.
- Gently open and close the drawer to ensure it is seated properly on the glides on both sides.
Oven Door
For normal range use, it is not suggested to remove the oven door. However, if removal is necessary, make sure the oven is off and cool. Then, follow these instructions. The oven door is heavy.
To Remove:
- Open oven door all the way.
- Pinch the hinge latch between two fingers and pull forward. Repeat on the other side of the oven door.

- Close the oven door as far as it will shut.
- Lift the oven door while holding both sides. Continue to push the oven door closed and pull it away from the oven door frame.

To Replace
- Insert both hanger arms into the door. Be sure that the hinge notches are engaged in the oven door frame.

- Open the oven door. The door should be able to open all the way.
- Move the hinge levers back to the locked position. Check that the door is free to open and close and is level while closed. If it is not, repeat the removal and installation procedures.
Complete Installation
- Check that all parts are now installed. If there is an extra part, go back through the steps to see which step was skipped.
- Check that you have all of your tools.
- Check that you have all of the range accessories, especially oven racks. These accessories may be in the range packaging.
- Dispose of/recycle all packaging materials.
- Check that the range is level. See the “Level Range” section.
- Use a mild solution of liquid household cleaner and warm water to remove waxy residue caused by shipping material. Dry thoroughly with a soft cloth. For more information, see the “Range Maintenance and Care” section.
- Read the Quick Start Guide and online Control Guide.
- Turn on surface burners and oven. See the Quick Start Guide and online Control Guide for specific instructions on range
operation.
NOTE: Odors and smoke are normal when the oven is used the first few times.
If-Range Does Not Operate, Check the following:
- The household fuse is intact and tight, or the circuit breaker has not tripped.
- The gas pressure regulator shutoff valve is in the open position.
- The range is plugged into a grounded outlet.
- The electrical supply is connected.
IMPORTANT: If the range control displays an “F9” or “F9, E0” error code, the electrical outlet in the home may be miswired. Disconnect power and contact a qualified electrician to verify the electrical supply.
When the range has been on for 5 minutes, check for heat. If the range is cold, turn off the range and check that the gas supply line shutoff valve is open.
- If the gas supply line shutoff valve is closed, open it, and then repeat the 5 minute test as outlined above.
- If the gas supply line shutoff valve is open, close it, and contact a qualified technician.
If You Need Assistance or Service:
Please reference the Quick Start Guide for contact information.
GAS CONVERSIONS
Gas conversions from Natural gas to propane gas or from propane gas to Natural gas must be done by a qualified installer.
WARNING |
![]() |
| Explosion Hazard Use a new CSA International approved gas supply line. Install a shut-off valve. Securely tighten all gas connections. If connected to propane, have a qualified person make sure gas pressure does not exceed 14ʺ (36 cm) water column. Examples of a qualified person include: licensed heating personnel, authorized gas company personnel, and authorized service personnel. Failure to do so can result in death, explosion, or fire. |
WARNING
This conversion kit shall be installed by a qualified service agency in accordance with the manufacturer’s instructions and all applicable codes and requirements of the authority having jurisdiction. If the information in these instructions is not followed exactly, a fire, explosion or production of carbon monoxide may result causing property damage, personal injury or loss of life. The qualified service agency is responsible for the proper installation of this kit. The installation is not proper and complete until the operation of the converted appliance is checked as specified in the manufacturer’s instructions supplied with the kit.
Propane Gas Conversion
WARNING |
![]() |
| Tip-Over Hazard A child or adult can tip the range and be killed. Install anti-tip bracket to floor or wall per installation instructions. Slide range back so rear range foot is engaged in the slot of the anti-tip bracket. Re-engage the anti-tip bracket if the range is moved. Do not operate range without anti-tip bracket installed and engaged. Failure to follow these instructions can result in death or serious burns to children and adults. |
- Turn the manual shutoff valve to the closed position.

A. To range
B. Shutoff valve (closed position)
C. gas supply line - Unplug the range or disconnect power.
To Convert Gas Pressure Regulator (Natural Gas to Propane Gas)
- Move the range out about 1 ft (30.5 cm) from the wall.
- Locate the gas pressure regulator at the lower right corner on the back of the range.

IMPORTANT: Do not remove the gas pressure regulator. - Unscrew the metal cover and unscrew the blue regulator cap. Keep the washer in place.

- Flip the blue regulator cap over and screw it back into the metal cover.

- Screw the metal cover securely back into place. Do not overtighten.
To Convert Surface Burners (Natural Gas to Propane Gas)
- If installed, remove the burner grates.
- Remove the burner caps.
- Remove the burner base.

- Apply masking tape to the end of a 9/32″ (7 mm) nut driver to help hold the gas orifice spud in the nut driver while changing it. Press nut driver down onto the gas orifice spud and remove by turning it counterclockwise and lifting out. Set gas orifice spud aside.

- Remove the orifice spuds shipped in the literature package in the oven. Gas orifice spuds are stamped with a number, marked with 1 or 2 color dots, and have a groove in the hex area. Replace the Natural gas orifice spud with the correct Propane gas orifice spud.

Refer to the following chart for correct Propane gas orifice spud ratings and to spud holder card for proper placement. Fully insert choke into the bottom of large burner base. The choke should snap into place.
NOTE: Use only for spreader bases marked “L”Placement Burner
Rating/TypeSize (mm) ID Number LF (ST) 15,000 BTU 1.08 108AM 1,450 BTU 0.35 035AM LR 5,000 BTU 0.64 064AM RF 14,200 BTU 1.08 108AM RR 8,000 BTU 0.84 084AM CTR 8,000 BTU 0.84 084AM NOTE: Refer to the model/serial/rating plate located on the oven frame behind the top right-hand side of the oven door for proper sizing of spuds for each burner location.
- Place Natural gas orifice spuds in the orifice spud bag.
IMPORTANT: Keep the Natural gas orifice spuds in case of reinstallation with Natural gas. - Replace the burner base.
- Replace burner cap.
- Repeat steps 1 to 7 for the remaining burners.
- Replace the baking drawer. See the “Remove/Replace Drawer” section.
Complete Installation (Natural Gas to Propane Gas)
- Refer to the “Make Gas Connection” section for proper connection of the range to the gas supply.
- Refer to the “Electronic Ignition System” section for proper burner ignition and operation.
- Refer to the “Adjust Flame Height” section for burner flame adjustments.
IMPORTANT: You may have to adjust the low setting for each cooktop burner. Checking for proper cooktop burner flame is very important.
Natural gas flames do not have yellow tips. - Refer to “Complete Installation” in the “Installation Instructions” section of this manual to complete this procedure.
IMPORTANT: Make sure to save the orifices that have just been replaced in the conversion.
Natural Gas Conversion
![]() |
| Tip-Over Hazard A child or adult can tip the range and be killed. Install anti-tip bracket to floor or wall per installation instructions. Slide range back so rear range foot is engaged in the slot of the anti-tip bracket. Re-engage anti-tip bracket if range is moved. Do not operate range without anti-tip bracket installed and engaged. Failure to follow these instructions can result in death or serious burns to children and adults. |
- Turn the manual shutoff valve to the closed position.

- Unplug range or disconnect power.
To Convert Gas Pressure Regulator (Propane Gas to Natural Gas)
- Move the range out about 1 ft (30.5 cm) from the wall.
- Locate the gas pressure regulator at the lower right corner on the back of the range.

IMPORTANT: Do not remove the gas pressure regulator. - Unscrew the metal cover and unscrew the blue regulator cap. Keep the washer in place.

- Flip the blue regulator cap over and screw it back into the metal cover.

- Screw the metal cover securely back into place. Do not overtighten.
To Convert Surface Burners (Propane Gas to Natural Gas)
- If they are installed, remove the burner grates.
- Remove the burner caps.
- Remove the burner base.

- Apply masking tape to the end of a 9/32″ (7 mm) nut driver to help hold the gas orifice spud in the nut driver while changing it. Press nut driver down onto the gas orifice spud and remove by turning it counterclockwise and lifting out. Set gas orifice spud aside.

- Remove the orifice spuds shipped in the literature package in the oven. Gas orifice spuds are stamped with a number, marked with 1 or 2 color dots, and have a groove in the hex area. Replace the Natural gas orifice spud with the correct Propane gas orifice spud.

Refer to the following chart for the correct Natural gas orifice spud placement. Remove choke from large burner base.
Natural Gas Orifice Spud Chart
| Burner Rating | Size (mm) | ID Number |
| 19,000 BTU (ST) | 1.96 | 196AM |
| 17,000 BTU (ST) | 1.84 | 184AM |
| 18,000 BTU | 1.98 | 198AM |
| 17,000 BTU | 1.96 | 196AM |
| 15,000 BTU | 1.75 | 175AM |
| 9,200 BTU | 1.35 | 135AM |
| 8,000 BTU | 1.25 | 125AM |
| 5,000 BTU | 1 | 100AM |
| 1,450 BTU | 0.53 | 053AM |
NOTE: Refer to the model/serial/rating plate located on the oven frame behind the top right-hand side of the oven door for proper sizing of spuds for each burner location.
- Place Propane gas orifice spuds in the orifice spud bag.
IMPORTANT: Keep the Propane gas orifice spuds in case of reinstallation with Propane gas. - Replace the burner base.
- Replace burner cap.
- Repeat steps 1 to 7 for the remaining burners.
- Replace the baking drawer. See the “Remove/Replace Drawer” section.
Complete Installation (Propane Gas to Natural Gas)
- Refer to the “Make Gas Connection” section for proper connection of the range to the gas supply.
- Refer to the “Electronic Ignition System” section for proper burner ignition and operation.
- Refer to the “Adjust Flame Height” section for burner flame adjustments.
IMPORTANT: You may have to adjust the low setting for each cooktop burner. Checking for proper cooktop burner flame is very important.
Natural gas flames do not have yellow tips. - Refer to “Complete Installation” in the “Installation Instructions” section of this manual to complete this procedure.
IMPORTANT: Make sure to save the orifices that have just been replaced in the conversion.
Adjust Flame Height
Adjust Surface Burner Flame
Adjust the height of the top burner flames. The cooktop “low” burner flame should be a steady blue flame approximately 1/4″ (6 mm) high. Propane gas flames have a slight yellow tip.
To Adjust Standard Burner:
The flame can be adjusted using the adjustment screw in the center of the valve stem. The valve stem is located directly underneath the control knob.
If the “Low” Flame Needs to be Adjusted:
- Light 1 burner and turn to the lowest setting.
- Remove the control knob. Hold the knob stem with a pair of pliers. Use a small flat-blade screwdriver to turn the screw located in the center of the control knob stem until the flame is the proper size. Turning the screw clockwise will increase the flame size, and turning the screw counterclockwise will decrease the flame size.

- Replace the control knob.
- Test the flame by turning the control from the low position to the high position, checking the flame at each setting.
- Repeat the previous steps for each burner.
To Adjust Double Burner (On Some Models):
- Light burner and turn to lowest setting where both inner and outer burners are lit.
- Remove the control knob.
Hold the knob stem with a pair of pliers. Use a small flat-blade screwdriver to turn the screw located in the center of the control knob stem until the flame is the proper size. Turning the screw clockwise will increase the flame size, and turning the screw counterclockwise will decrease the flame size.
- Replace the control knob.
- Test the flame by turning the control from the low position to the high position, checking the flame at each setting.
Moving the Range
WARNING |
![]() |
| Tip-Over Hazard A child or adult can tip the range and be killed. Install anti-tip bracket to floor or wall per installation instructions. Slide range back so rear range foot is engaged in the slot of the anti-tip bracket. Re-engage the anti-tip bracket if the range is moved. Do not operate range without anti-tip bracket installed and engaged. Failure to follow these instructions can result in death or serious burns to children and adults. |
For power supply cord-connected ranges:
- Slide range forward.
- Turn the manual shutoff valve to the closed position.
- Unplug the power supply cord.
- Disconnect the gas supply tubing.
- Complete cleaning or maintenance.
- Reconnect the gas supply tubing.
- Open the manual shutoff valve in the gas supply line.
- Plug-in power supply cord.
- Slide range back so rear range foot is under anti-tip bracket.

- Refer to the “Verify Anti-Tip Bracket Is Installed and Engaged” section to verify engagement.
- Check that range is level.
®/™ ©2021 All rights reserved. Used under license in Canada.
Tous droits réservés. Utilisé sous licence au Canada.







A. Terminal lug




















































