Bel-Aire Trion 348818-001A Power Supply Retrofit

Trion 348818-001A Power Supply Retrofit for replacement of F858-0475 & F858-1002
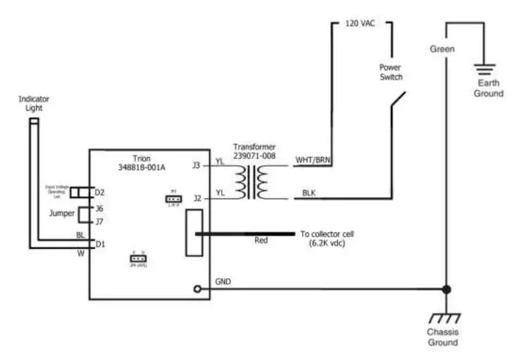
The Trion power supply 348818-001A with transformer 239071-008 can be used as a replacement for power supply F858-0475 and kit F858-1002. It does require some creativity and soldering to install inside a White-Rodgers power box.
- F858-0475 or F858-1001
- Input: 120 vac 50/60 Hz Output: 6450 VDC
- 348818-001A w/ transformer 239071-008
- Input: 120 vacs 50/60 Hz
- Output: 6200 VDC

- Terminals J6 and J7 must be jumped together with any wire or connector etc.

- The Trion PS has an onboard air flow sensor. Bypass it by moving the jumper on the JP9 terminal to the “D”. position.

- The power supply needs to share the same ground as the chassis. The mounting hole on the bottom right of the board is the ground connection. Underneath you should find soldering contacts.

- Green led (D2) indicates power source/transformer is live. Remove the indicator red led light and solder the original indicator light found on the powerbox. (cont.)

Use the original indicator light (F844-0130) and solder to the Trion PS terminal D1, where the red lead was previously removed.
- Depending on whether the power box had an internal air flow sensor (AFS) you may need to modify the 120v power source. If the power box did not contain an internal air flow sensor then you may skip to testing step 7.

- If the original power box did have an internal air flow sensor, discard it and the wires associated with it. Find your 120v power source. The air cleaner needs to turn on and off with the blower. One option is to tap into the blower power wire as a 120v source. The second option is to use a general 120v current sensing relay to sense the current on the blower common wire. You can use Aprilaire relay 51.

- Do a stand-alone test by plugging the powerbox into 120v. This will be your control test. The indicator light should go on and stay solid indicating the power supply outputs voltage normally. When testing the powerbox with the complete unit, you could get unusual behavior that can only be detected with a working power supply.
a. Initial run may cause some sparking but should stop. If the indicator light stays solid then its works normally.
b. If step a indicates working normally, the unit may emit some ozone metallic-like smell. This is normal and should dissipate. If an ozone smell is detected in the living area, reduce output voltage by the instructions below.
c. The sparking from the cell may not stop, or the indicator light shuts off or flicker. This means one of the cells is shorted. Inspect cells for broken ionizing wires or bent plates. Ultimately, do a bench test with the power box and cells using jumper cables to detect short locations. - If the air cleaner sparks non-stop or an ozone smell is detected in a living area then reduce the output voltage. Locate jumper terminal JP1. Relocate the jumper setting from HIGH to MED (L) or LOW (L).

Bel-Aire ElectronicAirCleaners.com , Inc · 70 Case Avenue Seekonk MA 02771 · Ph: 774.901.4770




























