Water Maze 1.103-472.0 Water Blaster

Product Information
- Product Name: Water Blaster
- Model Numbers: 1.103-472.0 (460V), 1.103-484.0 (230V)
- Date of Purchase: 06/01/23
- Manufacturer: WATER MAZE, Inc.
- Website: www.wmaze.com
Introduction
Thank you for purchasing a WATER MAZE Water Blaster. This manual provides information on the operation and maintenance of the product. Please note that the information in this manual is based on the latest product information available at the time of printing. WATER MAZE, Inc. reserves the right to make changes without any obligation.
Owner/User Responsibility
This manual should be considered a permanent part of the machine and should remain with it in case of resale. When ordering parts, please specify the model and serial number.
Installation
The Water Blaster must be placed on a firm surface and bolted to the floor using vibration isolators. No special pad is required. It should be located near a holding tank and sump pit, protected from freezing and water spray. In cold climates, components must be located in a heated enclosure.
Important Safety Information
- All wiring must be performed by a qualified electrician.
- Ground the system before connecting to the power supply.
- Avoid spraying water near electrical components.
- Do not make adjustments on the machine while it is in operation, except those prescribed in this manual.
- Refer to the MSDS (Material Safety Data Sheet) for all materials in the waste stream before servicing the machine. Comply with all warnings and wear protective clothing as stated on the MSDS.
- Ensure coupled hoses are locked before operating.
- Disconnect the machine from the electrical source before making repairs.
- Precaution and knowledge of the equipment are essential to prevent accidents.
- Modifications or use of components not purchased from WATER MAZE may void liability.
Usage Instructions
- Read the owner’s manual thoroughly before using the Water Blaster.
- Make sure the machine is placed on a firm surface and bolted to the floor using vibration isolators.
- Ensure the machine is located near a holding tank and sump pit, protected from freezing and water spray.
- Ground the system before connecting it to the power supply.
- Avoid spraying water near electrical components.
- Do not make any adjustments to the machine while it is in operation, except those prescribed in the manual.
- Before servicing the machine, refer to the MSDS for all materials in the waste stream. Comply with all warnings and wear protective clothing as stated on the MSDS.
- Ensure that coupled hoses are locked before operating.
- Disconnect the machine from the electrical source before making any repairs.
- Take precautions and have knowledge of the equipment to prevent accidents.
- Use only components purchased from WATER MAZE to avoid liability.
- Model Number ______________________________
- Serial Number ______________________________
- Date of Purchase ____________________________
The model and serial numbers will be found on a decal attached to the machine. You should record both serial number and date of purchase and keep in a safe place for future reference.
INTRODUCTION
- Thank you for purchasing a WATER MAZE.
- This manual covers the operation and maintenance of the WATER MAZE Water Blaster. All information in this manual is based on the latest product information avail-able at the time of printing.
- WATER MAZE, Inc. reserves the right to make changes at any time without incurring any obligation.
Owner/User Responsibility:
- The owner and/or user must have an understanding of the manufacturer’s operating instructions and warnings before using this WATER MAZE machine. Warning information should be emphasized and understood. If the operator is not fl uent in English, the manufacturer’s instructions and warnings shall be read to and discussed with the operator in the operator’s native language by the purchaser/owner, making sure that the operator comprehends its contents.
- Owner and/or user must study and maintain for future reference the manufacturers’ instructions.
- This manual should be considered a permanent part of the machine and should remain with it if machine is resold.
- When ordering parts, please specify model and serial number.
UNPACKING
Water Blaster Model 30-765
- Water Blaster Assembly (pre-assembled)
- Wand with the spray gun
- Hose 3/4″ x 100′ (1-1/8″ OD, 1250 PSI)
- N/O and N/C fl oats
- Remote switch
- Manually operated hose reel only (Optional #4-02780008 for 30-765. 1″ inlet and outlet and 3/4″ FT x 1″ MT adapter needed)
IMPORTANT SAFETY INFORMATION
CAUTION
- READ OPERATOR’S MANUAL THOROUGHLY PRIOR TO USE.
- CAUTION: To reduce the risk of injury, read operating instructions carefully before using.
- Read the owner’s manual thoroughly. Failure to follow instruc-tions could cause a malfunction of the machine and result in death, serious bodily injury and/or property damage.
- WARNING: HAZARDOUS VOLT-AGE CAN SHOCK, BURN OR CAUSE DEATH. GROUND SYSTEM BEFORE CONNECTING TO POWER SUPPLY.
- WARNING: Meet the National Electrical Code and local codes for all wiring.
- The installation of the machine must comply with local and/or national codes.
- WARNING: All wiring must be performed by a qualifi ed electrician.
- WARNING: Ground system before con-necting to the power supply.
- Do not spray water near electrical components.
- Never make adjustments on the machine while it is in operation except those prescribed in this manual.
- Before servicing the machine, refer to the MSDS on all of the material identifi ed in the waste stream. You must comply with all warnings and wear all protective clothing stated on the MSDS.
- Be certain coupled hoses have been locked before operating.
- Inlet water temperature must not exceed 120°F.
- When making repairs disconnect machine from electrical source.
- The best insurance against an accident is precaution and knowledge of the equipment.
- WATER MAZE, Inc., is not liable for any modifi ca-tions or the use of components not purchased from WATER MAZE.
- Components will freeze and must be located in a heated enclosure in cold climates.
INSTALLATION
- Location
- The machine must be placed on a fi rm surface. No special pad is required. The machine must be protected from freezing and water spray. The Water Blaster should be placed near holding tank and sump pit. Bolt Water Blaster to fl oor using vibration isolators between Water Blaster and floor.
Component Identifi cation
- All components are visible and easy to identify. Take a minute to become familiar with the Water Blaster (See Component Identifi cation Illustration on page 5).
Pipe Connections
- Water Blaster Model 30-765
- The Water Blaster needs to be gravity fed from a holding tank (not supplied), see page 5. Use 1-1/2″ pipe or hose (not supplied) from holding tank to inlet hole of Water Blaster, see page 7, and attach to inlet strainer. If using pipe, the last 3 feet going into the strainer must be hose.
- The Water Blaster inlet hose needs to be placed above the bottom of the holding tank to help prevent solids from plugging up inlet strainer. The black N/O fl oat needs to be positioned above the inlet hose bulk head, going into tank, to prevent the pump from running dry. An elbow inside the tank on the suction line is recommended to keep fl oating solids from being sucked up. Keep the inlet from the pit, return line or fresh water lines away from the inlet of the suction hose to prevent cavitation. Do not direct feed pump.
- Attach bypass hose (not supplied) to 3/4″ female thread-ed fi tting labeled “return” just to the left of the inlet hole. If you are going to run pipe for your return line have 5-6′ of 3/4″ hose between the frame of Water Blaster and your pipe. Run return line back to collection pit. Attach garden hose (not supplied) to fresh water inlet fi tting. Attach fresh water return line (not provided) between the fresh water inlet and the inlet suction line. Run line to feed tank.
Float Level Controls
- There are two fl oat controls. Float #1 is normally closed and adds fresh water when the water level gets too low. Locate this fl oat towards the middle of the sump. Float #2, normally open, turns the pump off when the water level gets extremely low. See page 5 for Water Blaster fl oat location.
- The wires for both fl oats should be run through conduit from sump to Water Blaster Electrical Box (see page 7) by a qualifi ed electrician following local codes.
Remote
- The WATER MAZE Water Blaster comes with a remote control. The remote is pre-wired.
- If the remote is not needed, the electrical system must be closed to make it operate. Place a jumper wire from Block 1 to Block 2 and another jumper wire from Block 3 to Block 4. This will create a closed circuit when the start button is pushed.
Electrical
- This machine,when installed, must be electrically grounded in accordance with local and/or national codes. Check for proper voltage using a volt meter. It is recommended that a Ground Fault Circuit Interrupter be installed in the circuit breaker for all WATER MAZE equipment.
- NOTE: Always test all electrical outlets for proper voltage before plugging in any equipment. See specifi cations page for voltage and amperage requirements.
START UP Start Up Check List
YES NO
- Suction hose connected? ____ ____
- Discharge hose connected? ____ ____
- Reject or bypass water hose connected? ____ ____
- Fresh water hose connected? ____ ____
- Are control floats #1 and #2 connected? ____ ___
- Correct power supply? ____ ____
Water Blaster Model 30-765
- Clean inlet filter.
- Make sure oil in the pump is filed to mark on the sight glass.
- Make sure the relief valve handle is in the down position. Back off relief valve pressure knob.
- Set Multi-Function Timer to 5 seconds.
- Depress the ON button to start the motor and drive the pump.
- Wait a few seconds for the pump to prime.
- Move the relief valve handle to the up position.
- Adjust the relief valve while spraying the gun. Pressure should read 500 psi while spraying or 600-650 psi in bypass mode.
- The vacuum gauge should read between 6-8, If the vacuum exceeds 10″, a vacuum switch will turn off unit. The inlet filter should be cleaned and the unit restarted.
- Note: If filter is clean, check downstream for blockage.
- The system is now operational.
- Do not run the pump without water.
WATER BLASTER COMPONENT IDENTIFICATION AND INSTALLATION
PUMP MAINTENANCE
Water Blaster Model 30-765
- AFTER EACH USE fl ush pump with clean water. Most diaphragm “attacks” occur when chemicals are left sitting in the pump. These few minutes of cleaning are well spent, extending diaphragm life and minimizing chemical buildup throughout the system.
- AFTER EVERY 500 HOURS OF USE OR AT SEASON’S END (whichever comes fi rst), install a new set of diaphragms. Inspect check valves for spring fatigue and seat wear. Change oil using a non-detergent 30 or 40 weight oil: hand rotate shaft while fi lling. This evacuates most unwanted air pockets. Run pump fi ve minutes under “no-load” conditions. This evacuates remaining air pockets from diaphragm cavity. Recheck oil level.
- WINTER STORAGE perform step 1 (above), then, with tank empty and suction and discharge valves “open,” run pump one minute to ensure complete drainage of pump heads and lines. Recirculate an-tifreeze and leave in system to complete winterizing procedure.
- NOTE: Allow antifreeze to replace any possible water in hoses and booms. If a spray gun is in the system, run antifreeze through the hose and spray gun into the tank lid opening to clear and/or dilute water. (Depending on the length of hose, more than one gallon of antifreeze may be required to protect the system from freezing.
- Once a week check air pressure on pulsation damp-ener. With machine off you should have 100 psi.
- NOTE: TO PROTECT AGAINST SERIOUS INJURY, NEVER SPRAY FLAMMABLE LIQUIDS, OR FLUSH PUMP WITH FLAMMABLE LIQUIDS! THIS WILL VOID ANY AND ALL WARRANTIES.
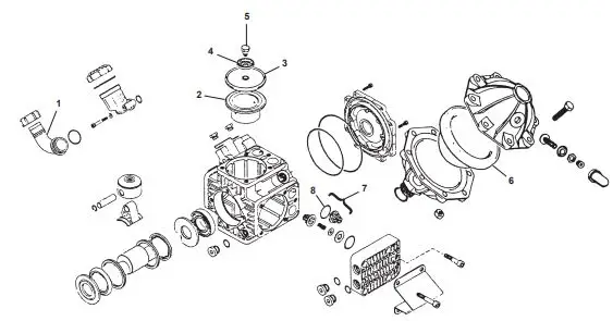
WATER BLASTER EXPLODED VIEW #30-765
WATER BLASTER EXPLODED VIEW
PARTS LIST

WATER BLASTER DIAPHRAGM PUMP #8.715-292.0 UDOR KAPPA

WATER BLASTER DIAPHRAGM PUMP #8.715-292.0 DELTA

TROUBLESHOOTING
Motor Won’t Start
- Check for improper or loose connections, open switches or relays, blown circuit breakers or fuses.
- anually check rotation of motor shaft for free move-ment and lack of obstruction.
Motor Cuts Out — Check for:
- Wiring, loose connections, etc.
- Low voltage at motor (often caused by undersized wiring).
- Binding and overload (amperage reading).
NOTE: Your pump motor is equipped with automatic thermal overload protection. Under normal condi-tions, the motor will automatically shut-off before heat damage build-up can occur, caused by an improper operating condition.
Pump Won’t Prime
- Make sure all discharge valves are open and unob-structed and that water level is above suction screen. Check for blockage.
- Block off suction as close as possible and determine if pump will develop a vacuum.
- a. If pump does not develop a vacuum and pump has suffi cient “priming water”:
- Tighten all bolts and fi ttings on suction side.
- Check voltage to make sure pump is up to speed.
- Open pump and check for clogging or obstruction.
- b. If pump develops a vacuum, check for blocked suction line or strainer or air leak in suction piping.
Low Flow — Generally Check for:
- Clogged or restricted suction line.
- Plugged or restricted fi lter.
- Air leak in suction (bubbles issuing from return fi t-tings).
- Pump operating under speed (low voltage)
- Plugged or restricted impeller.
Noisy Pump — Check for:
- Air leak in suction causing cavitation in pump.
- Cavitation due to restricted or undersized suction line and unrestricted discharge lines. Correct suction condition or throttle discharge lines, if practical.
- Vibration due to improper mounting, etc.
- Foreign matter in pump housing.
- Motor bearings made unserviceable by wear, rust or continual overheating.
Water Blaster Pump – 30-765
| PROBLEM | POSSIBLE CAUSE | SOLUTION |
| • NO PRESSURE • VERY LITTLE PRESSURE • PRESSURE DROPS BELOW WORKING RANGE WHEN RELIEF VALVE IS OPEN TO BOOM OR SPRAY GUN | Plugged strainer* restricting flow | Clean screen. |
| Suction hose obstruction | Clear obstruction. | |
| Collapsed suction hose inside or outside tank restricting flow | Replace collapsed hose. | |
| Pump drawing air through suction line hoses or fittings. | Examine hoses and fittings, ensure air tight fit and no leaks. | |
| Pressure relief valve stuck or worn | Repair or replace relief valve. | |
| Excessive tank foam due to low tank volume | Refill tank. | |
| Nozzle volume is greater than pump capacity | Check relief valve adjustment. Reduce nozzle orifice size or number of nozzles used. | |
| One or more check valves seating improperly | Clean or replace check valves. | |
| • PRESSURE GAUGE FLUCTUATES WILDLY • EXCESSIVE PULSATION | Pulsation dampener pressure too low or too high | Adjust pulsation dampener pressure to 100 psi. |
| Pump drawing air through suction line hoses or fittings | Examine hoses and fittings; ensure air tight fit and no leaks. | |
| Plugged strainer* restricting flow | Clean screen. | |
| Air not entirely evacuated from pump cavity | Run pump with an open discharge to totally evacuate air. | |
| PUMP DOES NOT DRAW WATER | Pump drawing air through suction line hoses or fittings. | Examine hoses and fittings; ensure air tight fit and no leaks. |
| Plugged strainer restricting flow | Clean screen. | |
| One or more check valves sealing improperly | Clean or replace check valves. | |
| PUMP OIL HAS MILKY COLOR OR OIL PLUG POPS OUT | One or more diaphragms have ruptured | Replace diaphragms. |
SPECIFICATIONS
| MODEL | WATER BLASTER |
| 1.103-484.0 (230V) 1.103-472.0 (460V) | |
| DISCHARGE VOLUME | 26 GPM |
| OPERATING PRESSURE | 500 PSI |
| MOTOR | 10 HP |
| PUMP | Diaphragm Pump |
| ELECTRICAL | NEMA 4, Mag Starter |
| NET WEIGHT | 600 lbs. |
| VOLTAGE & AMPERAGE | 230V, 3 PH, 30A 460V, 3 PH, 15A |
LIMITED NEW PRODUCT WARRANTY
WASH WATER / WATER TREATMENT SYSTEMS
- WHAT THIS WARRANTY COVERS
- All WATER MAZE water treatment systems are warranted by to the original purchaser to be free from defects in materials and workmanship under normal use, for the periods specified below. This Limited Warranty, subject to the exclusions shown below, is calculated from the date of the original purchase, and applies to the original components only. Any parts replaced under this warranty will assume the remainder of the part’s warranty period. A 60 day grace period will be given for installa-tion.
ONE YEAR PARTS AND 30 DAY LABOR WARRANTY: - All components excluding normal wear items as described below.
WARRANTY PROVIDED BY OTHER MANUFACTURERS:
Motors, which are warranted by their respective manufacturers, are serviced through these manufacturers’ local authorized service centers. WATER MAZE cannot provide warranty on these items.
WHAT THIS WARRANTY DOES NOT COVER
- This warranty does not cover the following items:
- Normal wear items, such as seals, filters, gaskets, O-rings, packings, pistons, brushes, filtering media, ozone bulbs, sensors, UV scanners, oil-skimmer belt, and impedance sensor. Minor leaks covered first time on original start-up only.
- Damage or malfunctions resulting from accidents, abuse, modifications, alterations, incorrect installation, improper servicing, failure to follow manufacturer’s maintenance instructions or use of the equipment beyond its stated usage specifications as contained in the operator’s manual.
- Damage due to freezing, sludge build-up, chemical deterioration (oxidation, chloride or fluoride corrosion), and rust.
- Damage to components from fluctuations in electrical or water supply.
- Normal maintenance service, including adjustments.
- Transportation to the service center, field labor charges, or freight damage.
- Consumables and water quality.
WHAT YOU MUST DO TO OBTAIN WARRANTY SERVICE
- While not required for warranty service, we request that you register your WATER MAZE Product by returning the completed registration card. In order to obtain warranty service on items warranted by WATER MAZE, you must return the product to your
- Authorized WATER MAZE Dealer, freight prepaid, with proof of purchase, within the applicable warranty period. If the product is permanently installed, you must notify your Authorized WATER MAZE Dealer of the defect. Your Authorized WATER MAZE
- The dealer will file a claim with WATER MAZE, who must subsequently verify the defect. In most cases, the part must be returned to WATER MAZE freight prepaid with the claim. For warranty service on components warranted by other manufacturers, your Authorized WATER MAZE Dealer can help you obtain warranty service through these manufacturers’ local authorized service centers.
LIMITATION OF LIABILITY
- WATER MAZE’S liability for special, incidental, or consequential damages is expressly disclaimed. In no event shall WATER MAZE’S liability exceed the purchase price of the product in question. WATER MAZE makes every effort to ensure that all illustrations and specifications are correct, however, these do not imply a warranty that the product is merchantable or fit for a particular purpose, or that the product will actually conform to the illustrations and specifications. Our obligation under this warranty is expressly limited at our option to the replacement or repair at a service facility or factory designated by us, of such part or parts as inspection shall disclose to have been defective. THE WARRANTY CONTAINED HEREIN IS IN LIEU OF ALL OTHER WARRANTIES, EXPRESS OR IMPLIED, INCLUDING ANY IMPLIED WARRANTY WATER QUALITY, MERCHANTABILITY OR FITNESS FOR A PARTICULAR PURPOSE ARE EXPRESSLY LIMITED TO THE DURATION OF THIS WARRANTY.
- This warranty gives you specific legal rights and you may also have other rights which vary from state to state. WATER MAZE does not authorize any other party, including authorized WATER MAZE Distributors, to make any representation or promise on behalf of WATER MAZE, or to modify the terms, conditions, or limitations in any way. It is the buyer’s responsibility to ensure that the installation and use of WATER MAZE products conform to local codes. While WATER MAZE attempts to assure that its products meet national codes, it cannot be responsible for how the customer chooses to use or install the product. Some states do not allow limitations or exclusion or limitation of incidental or consequential damages, so the above limitation or exclusion may not apply to you.
- WATER BLASTER • 8.913-974.0-E
- Form #8.913-974.0 • Printed in U.S.A.
- For technical assistance or the Water Maze Dealer nearest you consult our web page at www.wmaze.com























