Anticimex E0058 COPA Mesh Module User Guide
COPA Mesh module overview
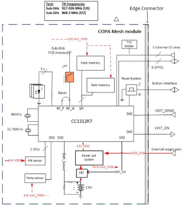
The COPA mesh module consists of a sub-GHz wireless MCU (CC1312R7 from TI), a PCB antenna, a Lithium-type battery, memory, PIR sensor, power circuitry, temperature sensor, LEDs and several different GPIOs to interface with the outside world. A COPA Mesh board can be used in a gateway or as a stand-alone board in a sensor device handling sensor data communication within a mesh network. Sensors could include; PIR devices and rodent traps.
Compliance statement
This device complies with part 15 of the FCC Rules. Operation is subject to the following two conditions: (1) This device may not cause harmful interference, and (2) this device must accept any interference received, including interference that may cause undesired operation. (47 CFR 15.19)
Caution: any changes or modifications not expressly approved by Anticimex Innovation Center A/S will void the user’s authority to operate the equipment (47 CFR 15.21) The antenna is fixed to the device and no change in antenna or fixation of the antenna is acceptable and such modification is considered to violate the Compliance Statement. The Copa Mesh module is in compliance with the requirement for RF exposure in US with 20 cm separation distance between the user and/or bystander of the device. As per 47 CFR 15.105 this equipment has been tested and found to comply with the limits for a Class B digital device, pursuant to part 15 of the FCC Rules. These limits are designed to provide reasonable protection against harmful interference in a residential installation. This equipment generates, uses, and can radiate radio frequency energy and, if not installed and used in accordance with the instructions, may cause harmful interference to radio communications. However, there is no guarantee that interference will not occur in a particular installation. If this equipment does cause harmful interference to radio or television reception, which can be determined by turning the equipment off and on, the user is encouraged to try to correct the interference by one or more of the following measures:
- Reorient or relocate the receiving antenna.
- Increase the separation between the equipment and receiver.
- Connect the equipment into an outlet on a circuit different from that to which the receiver is connected.
- Consult the dealer or an experienced radio/TV technician for help.
COPA Mesh module block diagram
The COPA mesh module is a single-modular transmitter designed to be incorporated into products either as a stand-alone board or connected together with other PCBs (sensor specific boards). The module has the radio circuitry shielded (including crystals, balun and low pass filter) by a shield can and underlying ground layers in the 4 layer PCB. There are no modulation inputs to the board, IQ-data is entirely generated inside the transceiver module itself. The module contains power supply regulation implemented by a LDO (TPS7A0533PDBVT) providing 3.3V supply voltage to the board independently if the board is powered by the onboard battery or an external source. The antenna is permanently attached; implemented as a IFA type PCB antenna.
Connector mapping
| Signals | Description | Type | Nbr of lines | Voltage range | Max voltage |
| External ID lines | Used to identify which type of device the COPA mesh module is connectedto. | DIO | 3(Low/High level identification on each line) | See [1] | VDDS+0.3V (max 4.1V) |
| GPIOs | General purpose inputs/outputs | DIO | 6 | See [1] | VDDS+0.3V (max 4.1V) |
| Button Interface | Low level if button pressed, VDDS if notpressed | DIO | 1 | See [1] | VDDS+0.3V (max 4.1V) |
| VEXT_SENSE | ADC input to detect presence and level of externalsupply | Analog input | 1 | See [1] | -0.3V to VDDS (see CC1312R7datasheet) |
| VEXT_ON | External power sense | DIO | 1 | See [1] | VDDS+0.3V (max 4.1V) |
| External power supply pins | Input pins for external power supply. | Voltage input | 2 | 1.4V to 3.4V | 3.4V in order not to back charge the COPA mesh board battery in case ofhardware failure. |
Power Architecture
The COPA mesh module will have a 3.6V Lithium-type battery mounted all the time. It can use an external power source which it detects through a sense line. The battery is then disconnected mmediately using FETs. External voltage FETs are also controlled from the MCU, first off then on to make sure the battery and mains do not get connected at the same time. On-board capacitors will help bridge the small time required for switching. Voltage coming from the external power source shall be max 3.4V so that it cannot charge the battery (3.6V) in case mains and battery get connected at the same time (due to any software/hardware failures).

Figur 2 Conceptual block diagram for mains/battery voltage logic for when the COPA mesh module is using the power source of another PCB.
Radio description
COPA Mesh module hardware implementation
The sub-GHz radio of the mesh module is a combined MCU/radio transceiver (CC1312R7 from TI) containing all the logic to run the board. The CC1312R7 has a supply range of 1.8V to 3.8V with nominal voltage of 3.3V. The RF signals are entirely generated internally in the CC1312R7 device (see block diagram), including the IQ-signals. The frequency reference of the CC1312R7 radio is an external 48MHz crystal. The entire RF block up to, and including, the low pass filter (including front-end, CC1312 and 48MHz crystal) is contained under a shield can to minimize emissions.
Operational temperature range for the COPA mesh is within; -20 to +70 °C
Receive path
The antenna receives the electro-magnetic waves and generates a single 50Ω ended signal. This signal is impedance transformed and converted to a differential signal through a discrete balun then the differential signals enter the chip through RF_N and RF_P. Inside the chip, the signal is then amplified through a two-stage differential RF LNA. The amplified RF signal is down converted through an IQ differential down converting mixer. The Low IF (0- 1MHz) signal is filtered through an anti-aliasing filter and imposed on to the differential ADC. Further digital filtering, down converting to base-band and the de-modulation is then done within the DSP circuitry. The demodulated data can be clocked out on an IO pin or stored in internal memory for future use. I and Q are two identical differential signals with a 90-degree phase difference. When this signal is used as LO signal in a balanced IQ–mixer, a greater suppression of the image frequency is achieved that improves the receiver selectivity (improving signal suppression at image frequency). The local oscillator is a standard crystal oscillator operating at the fundamental crystal frequency (48MHz). The oscillators are amplitude regulated to suppress the generation of harmonic frequencies. The VCO is a standard multi-vibrator with oscillation frequency determined by its LC tank. The capacitor in this tank is introducing the voltage dependent oscillation frequency. The VCO has a range from 4.2 GHz to 5.6 GHz and this is divided by a division ratio of 30, 15, 12, 6 or 5 to achieveoscillation at the required ISM range. The used division ratio for the gateway is 5.
Transmit path
Frequency modulation is achieved through instantaneous changing the division ratio in the synthesizer. This signal then led through a divide by two circuit, generating the IQ signals used during reception. Only one of these output signals is connected to the multistage amplifier used to generate the differential output signal. This amplified signal is then passed to the RF_N and RF_P pins if configured differentially. The signal is converted to single-ended signal and filtered through the external balun, impedance matching and low-pass filter circuitry. Finally the resulting signal is imposed on the antenna and converted to electro-magnetic waves. The whole transmit chain is fully differential from the VCO within the synthesizer to the RF_P and RF_N pins. The output frequency is generated through a PLL circuit. The output frequency is a result of the division ratio of the loop divider N, the reference divider M and the crystal frequency. The res.ult, Fout=N*Xosc/M, is then the required frequency. The VCO operates at 5xfRF which equals 4630MHz for operation at the highest channel (926MHz)
Signal is a wideband DTS signal without frequency hopping for compliance with FCC 15.247.
- Output power (conducted); 14dBm
- Lowest/highest frequency; 917MHz/926MHz
- Number of channels; up to 5 channels
- Channel bandwidth; >500kHz
- Channel spacing; at least 2MHz (depending on number of channels in use)
- Transmitter duty cycle; <1%
- FHSS; No
- Modulation type; WB-DSSS with 8x spreading factor, 2-GFSK, FEC=2

Figure 1 WB-DSSS Coding Scheme (modulator is 2-GFSK)
- Data rate; 30kbps
- Frequency deviation; 195kHz
- Grounding systems; Grounding of all PCBs interconnected through the PCB edge connectors.
- Sensitivity; -107dBm (at BER=10-2 corresponding to a 80%PER for a 20byte packet)
Other;
- Brown-out detector implemented
- CRC check with retransmissions
SUB-GHz Signal characteristics for EU compliance
Signal is a wideband DTS signal without frequency hopping.
- Output power (conducted); 14dBm
- Operating frequency 868.3MHz
- Number of channels; 1
- Channel bandwidth; < 600kHz
- Transmitter duty cycle; <1%
- FHSS; No
- Modulation type; WB-DSSS with 4x spreading factor, 2-GFSK, FEC=2

Figure 2 WB-DSSS Coding Scheme (modulator is 2-GFSK)
- Data rate; 30kbps
- Frequency deviation; 120kHz
- Grounding systems: Grounding of all PCBs interconnected through the PCB edge connectors.
- Sensitivity; -107dBm (at BER=10-2 corresponding to an 80%PER for a 20byte packet)
Other;
- Brown-out detector implemented
- CRC check with retransmissions
- Receiver Category 2
Antenna system
Mesh board antenna
Antenna type; IFA type PCB antenna.
Max gain measured
| Frequency band | Max antenna gain for TX [dBi] |
| 917MHz – 926MHz | 1.3 |
| 868.3MHz | 1 |
Integration instructions
Label requirements
If the FCC identification number is not visible when the module is installed inside another device, then the outside of the device into which the module is installed must also display a label referring to the enclosed module, “Contains FCC ID: 2AOFP-E0058”.
Allowed operating frequencies.
917-926MHz (center frequency) for the US
868.3MHz (center frequency) for the EU
Other
Co-location of this module with other transmitters that operate simultaneously are required to be evaluated using the FCC multi-transmitter procedures. The host integrator must follow the integration instructions provided in this document and ensure that the composite-system end product complies with the FCC requirements by a technical assessment or evaluation to the FCC rules and to KDB Publication 996369. The module antenna must be installed to meet the RF exposure compliance separation distance of “20 cm” and any additional testing and authorization process as required. The host integrator installing this module into their product must ensure that the final composite product complies with the FCC requirements by a technical assessment or evaluation to the FCC rules, including the transmitter operation and should refer to guidance in KDB 996369. In the case that the host product is energizing the COPA Mesh module through external power supply pins of the edge connector the host device must indicate presence of external voltage on the VEXT_SENSE pins of the edge connector.
PCB layer stackup
PCB tolerance shall be according to the following stackup;

Total thickness with solder mask: 1046um ±10%
PCB material shall be FR4 Std. Tg 150˚C min. (according to IPC-4101/121 or IPC-4101/124).
Anticimex Innovation Center A/S
Skovgaardsvej 25
3200 Helsinge, Denmark
Phone +45 48 79 93 78, [email protected]
anticimex.com/innovationcenter


















