
24 INCH
BOTTOM FREEZER REFRIGERATOR
MODEL NUMBER: F12BFRES450SS
USER MANUAL![]()
WELCOME
Congratulations! You have purchased one of the most efficient refrigeration products available on the market today. We are proud of our quality products and we believe in the dependable service we provide.
Before using the appliance, read through this manual carefully including all the information on safety, installation, operation, and cleaning. These guidelines do not cover every possible condition or situation that may occur. Be safe using common sense and caution when installing, operating and cleaning this appliance. If you are unsure about any of these instructions or warnings, please feel free to contact us.
IMPORTANT SAFETY NOTES
These warnings are provided in the interest of your safety. Please ensure that you understand them all before installing or using this fridge. Your safety is of paramount importance. If you are unsure about any of these meanings or warnings, contact us for assistance.
IMPORTANT: After transit where the fridge has been on its side or back, ensure that the fridge is in a level, upright position for 12 hours to allow compressor fluids to redistribute evenly before use.
PRIOR TO INSTALLATION
At delivery, please check that the fridge is complete and has not been damaged during transport. It is not advised to connect an appliance that has been damaged, especially damage to the electrical supply cable or refrigerant circuit. In the event of damage please contact us for assistance.
DANGER
- Risk of fire or explosion. The flammable refrigerant was used. Do not puncture refrigerant tubing.
- Do not use mechanical devices to defrost the refrigerator.
- Ensure that servicing is done by factory authorized service personnel, to minimize product damage or safety issues.
- WARNING: Keep ventilation openings, in the appliance enclosure or in the built-in structure, clear of obstruction.
- WARNING: Do not use mechanical devices or other means to accelerate the defrosting process, other than those recommended by the manufacturer.
- WARNING: Do not damage the refrigerant circuit.
- WARNING: Do not use electrical appliances inside the food storage compartments of the appliance, unless they are of the type recommended by the manufacturer. ·
- WARNING: Risk of child entrapment. Before you throw away your old refrigerator or freezer:
– Take off the doors.
– Leave the shelves in place so that children may not easily climb inside.
CAUTION
- Risk of fire or explosion. The flammable refrigerant was used.
- Consult the repair manual or owner’s guide before attempting to service this product.
- All safety precautions must be followed. Service the fridge/freezer only if you are a trained or authorized refrigeration technician.
- Dispose of properly in accordance with federal or local regulations.
- Follow handling instructions carefully.
IMPORTANT
- To allow the interior to cool down properly, run the fridge for at least 4 hours empty before adding food.
- This fridge is designed for domestic use only! It is intended for the storage of edible/consumable food and drinks. It is not intended for commercial or industrial use.
- Never use excessive force on the handle to open the door.
- If the room/ambient temperature approaches the fridge’s operating temperature, the fridge may not function correctly. If the room/ambient temperature exceeds 100°F (38°C) the fridge may not function correctly.
IMPORTANT SAFETY NOTES
CHILD SAFETY: Do not allow children to play in, on or around the fridge. It is not a toy. THERE IS A DANGER OF SUFFOCATION IF A CHILD BECOMES TRAPPED INSIDE. When the appliance is not in use, secure or remove the doors to prevent children from playing inside the cabinets.
DANGER
- Risk of child entrapment. Before throwing away an old appliance:
- Remove the door or lid.
- Leave shelves in place so that children may not easily climb inside.
- Cleaning and use maintenance shall not be made by children without supervision.
DANGER OF SUFFOCATION: Keep children away from all packaging material.
This appliance is not intended for use by persons (including children) whose physical, sensory or mental capabilities may be different or reduced, or who lack experience or knowledge unless such persons receive supervision or training to operate the appliance by a person responsible for their safety.
DISPOSING OF THE APPLIANCE
When disposing of your fridge, use an authorized disposal site. The refrigerant must be completely drained and collected by an authorized technician for recycling prior to disposal. Check with your local Environmental Agency for recommendations on recycling this appliance in your area. Before disposal remove the electrical connection wiring and also ensure that the doors are removed to prevent children from being trapped inside –
DANGER OF SUFFOCATION!
This marking indicates that this product should not be disposed of with other household wastes throughout North America. To prevent possible harm to the environment or human health from uncontrolled waste disposal, recycle it responsibly to promote the sustainable reuse of material resources.
GROUNDING INSTRUCTIONS
This appliance must be grounded. Grounding reduces the risk of electrical shock by providing an escape wire for the electrical current.
This appliance has a cord that has a grounding wire with a 3-prong plug. The power cord must be plugged into an outlet that is properly grounded. If the outlet is a 2-prong wall outlet, it must be replaced with a properly grounded 3-prong wall outlet. The serial rating plate indicates the voltage and frequency the appliance is designed for.
WARNING – Improper use of the grounding plug can result in a risk of electric shock. Consult a qualified electrician or service agent if the grounding instructions are not completely understood, or if doubt exists as to whether the appliance is properly grounded. Do not connect your appliance to extension cords or together with another appliance in the same wall outlet. Do not splice the power cord. Do not under any circumstances cut or remove the third ground prong from the power cord. Do not use extension cords or ungrounded (two prongs) adapters.
If the power supply cord is damaged, it must be replaced by the manufacturer, its service agent, or a similarly qualified person in order to avoid hazards.
INSTALLATION INSTRUCTIONS
IMPORTANT: After transit where the fridge has been on its side or back, ensure that the fridge is in a level, upright position for 12 hours before connecting the appliance to a power source, this will reduce the possibility of a malfunction in the cooling system from handling during transportation..
UNPACKING AND CLEANING
Remove all packaging and securing tapes from the appliance. To avoid injury and causing damage to the appliance, be extremely cautious when using sharp or pointed tools to complete this task. Keep children away from the packaging material –
DANGER OF SUFFOCATION
! Wash the inside and outside of the appliance with lukewarm water and a mild soap or detergent. Abrasive or corrosive cleaning agents, steel wool, scouring sponges, or chemical cleaning agents should not be used under any circumstances. A sponge, soft brush or towel is recommended. After cleaning, thoroughly rinse and dry. You may want to leave the doors open allowing the compartments to ventilate for 20-30 minutes to get rid of residual odors. Check with your local Environmental Agency for recommendations on recycling packaging materials in your area.
INSTALLATION
This appliance is heavy. Care should be taken when moving it.
- Be sure that the appliance does not stand on the electrical supply cable. Also, be sure the electrical cable is not squeezed or bent when the appliance is being installed or moved.
- Do not install the appliance near water, for example in a wet basement or near a sink.
- Installation work and adjustments on the appliance must be carried out by qualified personnel only. Work performed by persons with inadequate technical knowledge may adversely affect the performance of the appliance, causing damage to the equipment, and voiding the warranty.
- It is dangerous to make alterations or attempt to modify this product in any way. Product alterations will void the warranty.
USE
- This appliance is intended for household use only. It is not designed for outside installation, including anywhere that is not temperature controlled (garages, porches, vehicles, etc.).
- Do not store any containers with flammable vapors or liquids in or around the appliance, such as organic solvents, spray cans, gas cans, etc. The danger of explosion!
CLEANING
- Before cleaning your appliance always disconnect it from the electrical power supply.
- Allow inside of fridge/freezer to fully thaw, then wash the inside and outside of the appliance with lukewarm water and a mild soap or detergent. Abrasive or corrosive cleaning agents, steel wool, scouring sponges, or chemical cleaning agents should not be used under any circumstances.
SERVICING
- This product should be serviced by an authorized technician and only genuine spare parts should be used.
- Under no circumstances should you attempt to repair the appliance yourself unless advised by FORTÉ. Repairs carried out by inexperienced persons may cause injury or serious malfunctioning of the appliance. Unauthorized work may void the warranty.
POSITIONING THE APPLIANCE
The area in which the fridge is to be installed must be relatively cool, dry, and suitably ventilated. The area must be protected against any inclement weather (rain, snow) and excessive surface dust. To ensure proper function, the appliance must be placed on a flat, firm, and stable surface resting level on all four supports. The floor must be strong enough to support a fully loaded cabinet. Use wood or metal shims to level the fridge if necessary. Do not place the appliance in direct sunlight or near sources of heat, such as a stove or heater, as this can increase electrical consumption. Extreme cold ambient temperatures may also cause the appliance to perform improperly.
Do not place the fridge close to heat sources (heater, stove, boiler, chimney, etc.), and avoid prolonged exposure to direct sunlight. This appliance uses the exterior walls to transfer heat from the inside of the cabinet. Ensure that there is adequate space between the fridge and neighboring walls or large objects. A minimum spacing of 3 inches (7.6 cm) is highly recommended. This will provide sufficient airflow around the appliance resulting in more efficient operation and a longer appliance lifetime. Always keep the air vent openings of the compressor housing cover free from dust and obstructions. This appliance is intended for free-standing installation only and is not intended to be built into a cabinet or counter.
DOOR REVERSAL INSTRUCTIONS
TOOLS REQUIRED:
Slot head screwdriver, cross head screwdriver
IMPORTANT:
Please disconnect the power plug from the electrical outlet. Remove the glass shelves, crisper, and trays from the unit. Tilt the appliance backward to an angle of 45°or more and securely support it.
Removing the doors Drawing A Disassemble the door and components 1, 2, 3, 4, 5, 6, 7, 8, 9, 10, 11, and 12 one by one as marked in drawing A;
- Remove the top right hinge cap
- Unscrew the hinge screws
- Remove top right hinge
- Remove the fridge door (careful not to damage of scratch the door)
- Unscrew the middle hinge screws
- Remove middle hinge
- Remove freezer door (careful not to damage or scratch the door)
- Unscrew the low adjustable feet (height 1″) (8,11)
- Unscrew the low adjustable feet (height ¾”)
- Unscrew the lower freezer door hinge on the right side
- Unscrew the plastic cap-top on the left side.
DOOR REVERSAL INSTRUCTIONS
Reattaching the doors Drawing B NOTE: Items 14, 16, 17, and 19 with being in your enclosed in your manual bag and not fixed on the fridge.
- Fix part item 17 Lower hinge-left
- Fix screws that hold the bottom hinge in place
- Fix the part item 8 low adjustable foot(1″)
- Fix the part item 8 low adjustable foot(1″)
- Fix the part item 11 Adjustable foot
- Fix part item 7 Freezer door
- Fix part item 6 Middle hinge fig.1
- Fix part item 5 Screw
- Fix the door stopper item 19 to the bottom of the fridge door and install the fridge door (fig.1)
- Make sure that the door is in a vertical position and can be closed easily.
- Fix the part item 16 Top left hinge
- Fix the part item 15 Screws
- Fix part item 14 left Hinge cover
- Fix the part item 15 screws and 13 Plastic cover-middle.
- Fix the part item 12 screw covers.
- Put the glass shelves, crisper, and trays from the unit back to their original position
IMPORTANT: After reversing the door hinge, the door gasket may be loose. Should you notice a gap between the gasket and the cabinet, use a hairdryer or heat gun and heat the gasket while on the appliance. The gasket will expand to meet the cabinet. Allow 30 minutes to cool before opening. A correct gasket positioning is a key to preventing refrigerated air from escaping.
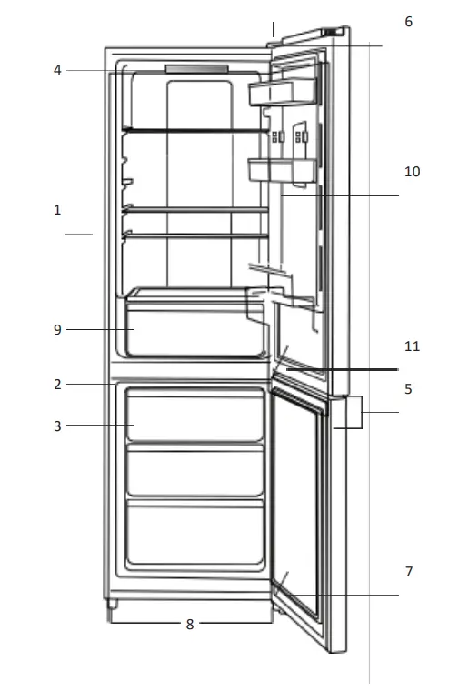
PRODUCT FEATURES
FEATURES:
- Shelf
- Freezer compartment
- Freezer drawers
- Control panel
- Doors
- Upper hinge
- Lower hinge
- Adjustable feet
- Crisper
- Detachable door shelf
- Middle hinge
- Fridge door left hinge
- Left hinge cap
- Freezer door left hinge

OPERATION
STARTING THE FRIDGE
After the fridge has been properly connected to a power source, the compressor will automatically turn on and the cabinet will begin cooling. Allow the cabinet to cool for at least 4 hours prior to adding food items.
OPERATION
Tap any key for the first time and the control panel will be activated. If there is no button selection for one minute, the LED display will automatically go off.
MODE
Tap the “Mode” button to select your desired operation mode. Available modes are Quick Cool, Quick Freezer, and Optimal.
QUICK COOL
The fridge’s temperature will be set to 35°F and will run for 12 hours. After 12 hours, this mode will automatically disable and resume normal operation.
QUICK FREEZE
The freezer’s temperature will be set to -8°F and will run for 24 hours. After 24 hours, this mode will automatically disable and resume normal operation. Note: Quick cool mode does not change the Quick Freezer mode.
OPTIMAL
Tapping the “Optimal” button will adjust the fridge temperature to 35°F and the freezer temperature to -1°F. If press any button other mode or temperature is selected the “Optimal” mode will be disabled.
FRIDGE +/”
Tap the “Fridge +/-” button to adjust the temperature of your fridge. Note: The temperature range for the fridge is 34°F to 44°F.
FREEZER +/
Tap the “Freezer +/-” button to adjust the temperature of your freezer. Note: The temperature range for the freezer is 6°F to -8°F.
When the desired temperature is selected the numbers will flash 5 times to confirm. If another mode is selected during that period switched during the flashing period, the switch will take effect immediately.
CELSIUS & FAHRENHEIT SELECTION
Press and hold down the “Fridge +/-” and the “Freezer +/-” button to switch between Celsius and Fahrenheit.
DOOR ALARM
Press and hold the “Mode” button for 3 seconds to disable the door alarm function. Note: the door The alarm function will be reactivated if the door is left open for more than 3 minutes and will beep 3 times every 3 minutes until the door is closed. The sound will stop after 10 minutes if the door is not closed.
INTERIOR LIGHT
The interior LED light is situated on the inside ceiling of the fridge compartment, it will turn on when the door of the appliance is opened and will turn off when the door is closed. If the interior light burns out, contact a certified service technician to have it replaced. Note: The functionality of the appliance is not affected if the light is not working.
LEVELING INSTRUCTIONS
There are adjustable legs on the bottom of the front of the appliance that can be turned up or down to ensure that the appliance is level.
- Turn the leveling leg counterclockwise as far as it will go, until the top of the foot is touching the bottom of the cabinet.
- Slowly turn the leveling leg clockwise until the appliance is level.
OPENING AND CLOSING THE DOOR
The doors are fitted with uniform sealing strips to prevent warm air and moisture from entering the fridge and freezer compartments. Be sure that the doors and door seals are free from obstructions and form a complete seal around the rim of the fridge/freezer cabinets. Over-stuffing and/or unlevel installation of the appliance will prevent a good seal. It might be hard to open the door immediately after the door is closed. This is due to air contraction in the fridge/freezer cabinets. This pressure difference will equalize in a few seconds, making the doors easy to open once again.
LOADING THE FRIDGE AND FREEZER
Avoid packing food too tightly around the cooling plates located on the back wall of the fridge/ freezer. Allow air flow around these plates to ensure proper operation. When adding unfrozen food to the freezer for the first time, fill the freezer only 1/3 full and wait until that food is sufficiently frozen before adding more. It will also help to cool food more quickly if the food is packaged in smaller containers rather than large ones. Food packages more than 2 inches thick will cool slowly. Avoid placing warm food in contact with cold food.
NORMAL OPERATING SOUNDS
- You may hear faint gurgling or bubbling sounds when the refrigerant is being pumped through the refrigerant coils.
- When the compressor is on, the refrigerant is being pumped through the appliance and you will hear a whirring or pulsing sound from the compressor.
- A thermostat controls the compressor and you may hear a `click’ when the thermostat cuts in and out.
IMPORTANT:
Your appliance is “Frost Free” and does not require defrosting
WATER CATCH BASIN
There is a water catch basin located at the back of the fridge for excess water. With frost-free water will flow from the walls of the fridge compartment through the defrost water drain down into the catch basin. The hot condenser coil runs into the water catch basin and evaporates the water slowly:
Note: if the fridge has to be moved after some time, it would be best to remove the water from the catch basin first..
CARE AND MAINTENANCE
INTERNAL CLEANING
Wash the inside of the appliance with lukewarm water and mild soap. Never use abrasive or corrosive cleaning agents, steel wool, scouring sponges, chemical cleaning agents, or highly perfumed cleaning products to clean the interior as these will damage the surface and leave behind a strong odor. A sponge, towel, or soft brush is recommended. Wash with a mixture of two tablespoons (30ml) of baking soda to 1 quart (1.14L) of warm water. After cleaning, wipe all surfaces with a soft cloth and clean water to rinse, and allow the fridge/freezer to dry.
EXTERNAL CLEANING
Wash the outside of the cabinet with warm water and a mild soap or detergent. Do not use abrasive or corrosive cleaning agents, chemical cleaning agents, steel wool or scouring sponges to clean the fridge as it may cause damage to the surfaces.
POWER FAILURE
Most power failures are corrected within a few hours and should not affect the internal temperature of the appliance if the number of times the door is opened is kept to a minimum. If the power is going to be off for a longer period of time, take the proper steps to protect the contents.
Note: Wait for 3 to 5 minutes before attempting to restart the refrigerator if the operation has been interrupted.
VACATION
- Short vacations: Leave the appliance operating during vacations of less than three weeks.
- Long vacations: If the appliance will not be used for several months, remove all items and disconnect the appliance from its power source. Clean and dry the interior thoroughly. To prevent odor and mold growth, leave the door open slightly, blocking it open if necessary.
MOVING
- Remove all items.
- Tape down shelves inside the appliance.
- Turn the adjustable leg up to the base to avoid damage.
- Tape the door shut
- Be sure the appliance stays in the upright position during transportation. Protect the outside of the appliance with a blanket.
- If the appliance is placed on its back or side during transportation, upon reaching the destination, allow it to remain upright for 6 hours before plugging in to avoid damage to internal components.
CUSTOMER RESPONSIBILITIES
The following items are the responsibility of the customer and are not covered by the warranty:
- Proper care and use of the appliance as described in this manual.
- Damage to the interior or exterior finish or components after delivery.
- Proper power supply, circuit breaker, wiring, and connections.
- Replacement of LED lights. – Contact FORTÉ’s technical service department for instructions on how to fix the issue.
- Service is required as a result of alteration, misuse, abuse, flooding, fire, lightning, or other acts of God.
ENERGY-SAVING TIPS
- Do not install the fridge close to sources of heat, such as a stove, boiler, heater, chimney, etc, and avoid exposure of the appliance to direct sunlight.
- Locate the appliance in a cool well-ventilated room and make sure that the air vents of the compressor housing cover are not obstructed. Also, allow adequate spacing around the cabinet for air circulation (3″ or 7.5cm)
- Avoid unnecessary frosting in the cabinet by packing all food and liquids in airtight packages or containers.
- Always keep food stored in tightly sealed packaging or containers, and allow some space for air to circulate around each item.
- Avoid keeping the door open for extended periods of time or opening the door too frequently as warm air will enter the cabinet and cause the compressor to run unnecessarily often.
- Ensure there are no obstructions preventing the doors from closing properly and forming a tight seal.
- To ensure a safe food storage temperature, maintain an operating temperature inside the fridge cabinet of 2°C/36°F to 4°C/39°F. Fridge temperatures warmer than 4°C/39°F can promote unsafe bacterial growth in food.
TROUBLESHOOTING
| PROBLEM | SOLUTION |
| The appliance is connected but no power | •Check your circuit breaker as it might have tripped •Plug not fully inserted into the wall outlet |
| The appliance is operating, but the interior (cabinet) is not cold | •Allow the appliance at least 4 hrs to cool down once turned on. •Check that the thermostat control knob is turned to the correct setting relevant to the room/ambient temperatures. •Check that the room/ambient temperature is not approaching the internal operating temperature and does not exceed to 100°F (38°C). •Has too much warm food been added to the fridge/freezer recently? If so, it will take some time for the appliance to return to temperature. •Does the cabinet have adequate ventilation around the sidewalls, allowing it to transfer heat properly? (See Installation section) |
| Appliance runs continuously | •Temperature setting is too cold •Door not shut properly or opened excessively •Recently added a large quantity of warm food to the cabinet •Close proximity to a heat source or direct sunlight •Ambient temperature or humidity is very high |
| The door will not open | •Has the door just been opened? If so, leave the appliance closed for a few minutes to allow the air pressure to equalize and try again. |
| Excessive frost and ice has built up | •Is the weather hot and humid? If so, this will increase the rate of frost build-up in the cabinet. •Ensure that stored food is properly packaged. •Check that the door is closed and has a good seal and that nothing is preventing the door from closing properly. •Large quantities of food have recently been placed in the fridge/freezer, and/or the door is frequently opened. •Ensure that proper care and maintenance of the appliance has been performed (cleaning, defrosting, etc…) |
| Noise | •Refer to “Normal Operating Sounds” (page 8) |
| Light does not work | •Contact FORTE’s technical service department for instructions on how to fix the issue. |
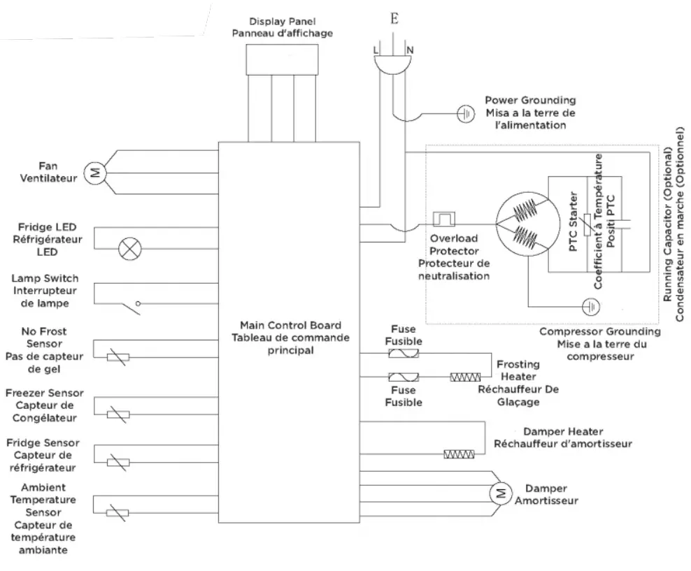
ELECTRICAL DIAGRAM
Refrigerator Warranty
Your REFRIGERATOR has been inspected and tested and is warranted subject to following for a period to 12 months from the date of purchase against defects in workmanship and materials. During this period, we undertake to repair or replace any defective part which was originally defective in our opinion. This warranty is null and void if the appliance is used for commercial purposes.
SECOND THROUGH FIFTH YEAR FULL WARRANTY ON SYSTEM PARTS AS LISTED In the second through fifth years from the date of purchase, when this refrigerator is operated and maintained according to instructions attached to or furnished with the product, FORTÉ Appliances will pay for replacement parts and repair labor costs to correct defects in materials or workmanship in the system. These parts are the compressor, evaporator, condenser, dryer, and connecting tubing.
This warranty is valid only when:
- This appliance has not been opened or tampered with by any unauthorized person.
- The appliance is brought to and taken from the retailer at the customer’s cost and risk.
- The warranty card and Cash Memo duly signed by the authorized retailer are present with the complaint.
- The appliance has been installed, used, and maintained in accordance with the instruction manual.
The warranty does NOT apply for:
- . Damages due to chipping, peeling of coating, and denting.
- Breakage or damage to components made of Bakelite, plastic materials, rubber parts, and cord.
- Normal wear and tear of parts.
- Damage resulting from accident, mishandling or negligence on the part of the customer. Liability for consequential loss or damage is neither accepted nor implied.
FORTÉ Appliances will not pay fo
- Service calls to correct the installation of your refrigerator, to instruct you how to use your refrigerator, to replace house fuses or correct house wiring or plumbing, to replace light bulbs, or replace water filters other than as noted above.
- Repairs when your refrigerator is used in other than normal, single-family household use.
- Pickup and delivery. Your refrigerator is designed to be repaired in the home.
- Damage resulting from accident, alteration, misuse, abuse, fire, flood, improper installation, acts of God, or use of products not approved by FORTÉ Appliances 5. Any food loss due to product failure. 6. Repairs to parts or systems resulting from unauthorized modifications made to the appliance.
- Replacement parts or repair labor costs for units operated outside the United States or Canada.
- Travel or transportation expenses for customers who reside in remote areas.
- Any labor costs for the replacement of the water filter during the limited warranty period.
1870 Bath Avenue, Suite 3
Brooklyn, NY 11214
Tel: 718.249.1217
[email protected]
www.forteappliances.com

















