CHIEF LSCU Designer Video Cart

DISCLAIMER
Legrand | AV and its affiliated corporations and subsidiaries (collectively “Legrand | AV”), intend to make this manual accurate and complete. However, Legrand | AV makes no claim that the information contained herein covers all details, conditions or variations, nor does it provide for every possible contingency in connection with the installation or use of this product. The information contained in this document is subject to change without notice or obligation of any kind. Legrand | AV makes no representation of warranty, expressed or implied, regarding the information contained herein. Legrand | AV assumes no responsibility for accuracy, completeness or sufficiency of the information contained in this document. Chief® is a registered trademark of Legrand AV Inc.
DEFINITIONS
- WARNING alerts you to the possibility of serious injury or death if you do not follow the instructions.
- CAUTION alerts you to the possibility of damage or destruction of equipment if you do not follow the corresponding instructions.
- MOUNTING SYSTEM: A MOUNTING SYSTEM is the primary Chief product to which an accessory and/or component is attached.
- ACCESSORY: AN ACCESSORY is the secondary Chief product which is attached to a primary Chief product, and may have a component attached or setting on it.
- COMPONENT: A COMPONENT is an audiovisual item designed to be attached or resting on an accessory or mounting system such as a video camera, CPU, screen, display, projector, etc.
IMPORTANT SAFETY INSTRUCTIONS
WARNING: FAILURE TO READ AND FOLLOW THE FOLLOWING INSTRUCTIONS CAN RESULT IN SERIOUS PERSONAL INJURY, DAMAGE TO EQUIPMENT OR VOIDING OF FACTORY WARRANTY. It is the installer’s responsibility to make sure all components are properly assembled and installed using the instructions provided.
WARNING: Exceeding the weight capacity can result in instability, causing the cart to tip over resulting in death or serious injury! It is the installer’s responsibility to make sure the weight of all components attached to the LSCU does not exceed 175 lbs (79.3 kg). The Lever Lock™ backplanes have a separate weight limit of 10 lbs (4.5 kg). If the Lever Lock™ backplane is separated, each half backplane has a weight limit of 5 lbs (2.26 kg). (See following graphic)
- WARNING: Use this mounting system only for its intended use as described in these instructions. Do not use attachments not recommended by the manufacturer.
- WARNING: Never operate this mounting system if it is damaged. Return the mounting system to a service center for examination and repair.
- WARNING: RISK OF SERIOUS INJURY OR DEATH! Risk of death or serious injury may occur when children climb on audio and/or video equipment furniture. A remote control or toys placed on the furnishing may encourage a child to climb on the furnishing and as a result the furnishing may tip over on to the child.
- WARNING: RISK OF SERIOUS INJURY OR DEATH! Relocating audio and/or video equipment to furniture not specifically designed to support audio and/or video equipment may result in death or serious injury due to the furnishing collapsing or overturning onto a child.
- NOTE: The LSCU cart has no user serviceable parts.
- NOTE: The LSCU cart can support screen sizes up to a maximum of 75″ (diagonal size).
DIMENSIONS
DIMENSIONS – MOUNTING HOLE LOCATIONS
LEGEND
![]() | Tighten Fastener |
| Apretar elemento de fijación | |
| Befestigungsteil festziehen | |
| Apertar fixador | |
| Serrare il fissaggio | |
| Bevestiging vastdraaien | |
| Serrez les fixations | |
![]() | Loosen Fastener |
| Aflojar elemento de fijación | |
| Befestigungsteil lösen | |
| Desapertar fixador | |
| Allentare il fissaggio | |
| Bevestiging losdraaien | |
| Desserrez les fixations | |
![]() | Phillips Screwdriver |
| Destornillador Phillips | |
| Kreuzschlitzschraubendreher | |
| Chave de fendas Phillips | |
| Cacciavite a stella | |
| Kruiskopschroevendraaier | |
| Tournevis à pointe cruciforme | |
![]()
| Open-Ended Wrench |
| Llave de boca | |
| Gabelschlüssel | |
| Chave de bocas | |
| Chiave a punte aperte | |
| Steeksleutel | |
| Clé à fourche | |
![]()
| By Hand |
| A mano | |
| Von Hand | |
| Com a mão | |
| A mano | |
| Met de hand | |
| À la main | |
![]()
| Hex-Head Wrench |
| Llave de cabeza hexagonal | |
| Sechskantschlüssel | |
| Chave de cabeça sextavada | |
| Chiave esagonale | |
| Zeskantsleutel | |
| Clé à tête hexagonale |
![]() | Pencil Mark |
| Marcar con lápiz | |
| Stiftmarkierung | |
| Marcar com lápis | |
| Segno a matita | |
| Potloodmerkteken | |
| Marquage au crayon | |
![]() | Drill Hole |
| Perforar | |
| Bohrloch | |
| Fazer furo | |
| Praticare un foro | |
| Gat boren | |
| Percez un trou | |
![]() | Adjust |
| Ajustar | |
| Einstellen | |
| Ajustar | |
| Regolare | |
| Afstellen | |
| Ajuster | |
![]() | Remove |
| Quitar | |
| Entfernen | |
| Remover | |
| Rimuovere | |
| Verwijderen | |
| Retirez | |
![]()
| Optional |
| Opcional | |
| Optional | |
| Opcional | |
| Opzionale | |
| Optie | |
| En option | |
|
| Security Wrench |
| Llave de seguridad | |
| Sicherheitsschlüssel | |
| Chave de segurança | |
| Chiave di sicurezza | |
| Veiligheidssleutel | |
| Clé de sécurité |
TOOLS REQUIRED FOR INSTALLATION
PARTS
Assembly And Installation
IMPORTANT: The LSCU packaging was designed to help make the installation and setup easier. Do NOT remove assembly prior to reading installation instructions!
Cart Assembly
- Remove all parts and extra packaging from sides of box leaving only the main assembly (N) in the box. (See Figure 1)
- Lift main assembly (N) up by lifting at the bottom of the assembly. (See Figure 1)
- Carefully set main assembly (N) base on the edge of box.(See Figure 1)

- Insert coupler assemblies (U) onto main assembly (N), lining up the holes on the couplers with the holes on the main assembly (N). (See Figure 2)
CAUTION: Attachment holes may be damaged if a power drill is used to insert button head cap screws. Screws should first be inserted and turned BY HAND with the hex key or with a hand-held screwdriver BEFORE using the hex head drill bit and power drill to complete the attachment. - Use eight M8 x 16mm flat head cap screws (V) to secure two coupler assemblies (U) to main assembly (N). (See Figure 3)

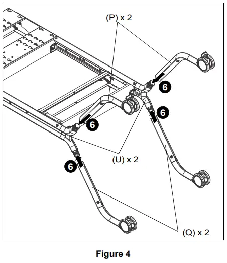
- Install four legs (P and Q) onto two coupler assemblies (U). (See Figure 4)
NOTE: Legs with brakes (P) may be installed to the front or back depending on user preference. - Use two M8 x 16mm flat head cap screws (V) to secure each leg (P and Q) to the coupler assembly (U). (See Figure 5)

- WARNING: Always use two people to move the cart into an upright position.
- Remove cart from box by tipping it from the top onto its wheels. (See Figure 6)

- Lock wheels to hold cart in position during installation.
- Adjust height to desired height if necessary following stepsin ADJUSTMENTS – HEIGHT Section.
IMPORTANT ! : If height is not adjusted at this point, all further steps will have to be undone in order to adjust height later. - Insert two endcaps (J) into each side of main assembly (N). (See Figure 7)
- Use two M8 x 100mm socket head cap screws (W) to secure each side handle (K) to main assembly (N). Do NOT overtighten screws! (See Figure 7)

Display Installation
WARNING: Exceeding the weight capacity can result in serious personal injury or damage to equipment! It is the installer’s responsibility to make sure the combined weight of all accessories and components attached to the LSCU head assembly up to (and including) the display does not exceed 175 lbs (79.3 kg).
WARNING: IMPROPER INSTALLATION CAN LEAD TO MOUNT FALLING CAUSING SERIOUS PERSONAL INJURY OR DAMAGE TO EQUIPMENT! DO NOT substitute hardware. Only use hardware provided or specified by manufacturer.
- Select correct screws, nesting spacers (if necessary) and universal washers (if required) from the hardware bag (A-H) and install hardware to back of screen. (See Figure 8)
IMPORTANT! : The M8 screws do NOT require a washer. Use the universal washer (H) only with M4, M5 and M6 screws.
NOTE: The nesting spacers (G) may be used separately, or put two together in different configurations to create different size spacers. (See Figure 9)
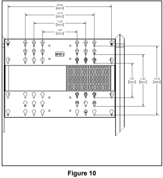
WARNING: Always use two people to mount display to cart! - Determine which holes will be used to mount display to cart. (See Figure 10)
IMPORTANT! : Do NOT install large cover (S) to back before installing the display.
- Install display to cart by inserting screws (A-F) into corresponding mounting holes. (See Figure 11)
IMPORTANT ! : Look through back of cart to make sure all screws are properly seated in mounting holes before letting go of display! - Slide locking plate (M) over top of one of the screws (A-F) to provide necessary stability before tightening screws. (See Figure 11)
- Tighten all screws (A-F) to make sure display is securely connected. (See Figure 11)
Lever Lock Install
- Slide Lever Lock™ backplanes (T) into slots on top of faceplate assembly. (See Figure 12)
- Slide Lever Lock™ backplanes (T) into top slots on faceplate assembly, making sure they “click” into place pressing Lever Lock™ latch lever. (See Figure 12)

- If desired, break the LeverLock™ backplanes (T) along the scored mid-line. (See Figure 13)

- WARNING: Exceeding the weight capacity can result in instability, causing the cart to tip over resulting in death or serious injury! The Lever Lock™ backplanes have a separate weight limit of 10 lbs (4.5 kg). If the Lever Lock™ backplane is separated, each half backplane has a weight limit of 5 lbs (2.26 kg).
- Attach components to Lever Lock™ backplanes (T) following component manufacturer’s instructions. (mounting hardware not included)
Cable Management
- Route cables from display through top holes on cart as desired. (See Figure 14)
- Use cable covers (L) to secure cables to side of cart as desired.(See Figure 14)

- Route cables through lower holes on cart as desired. (See Figure 14)
Covers Installation
NOTE: Before installing any cover, make sure the handle is in the “unlocked” position (to the left) before installing to cart. (See Figure 15)
- Place large cover (S) in position to install by placing lower edge along slot that holds cover. (See Figure 16)
- Press large cover (S) against cart until it is flush with cart and is secured in position. (See Figure 16)
- Slide handle to locked position. (See Figure 16)
- Place small cover (R) in position to install by placing lower edge along slot that holds cover. (See Figure 16)
- Press small cover (R) against cart until it is flush with the cart and is secured in position, (See Figure 16)
- Slide handle to locked position. (See Figure 16)

- Place small cover (R) in position to install by placing lower edge along slot that holds cover. (See Figure 17)
- Press small cover (R) against cart until it is flush with the cart and is secured in position, (See Figure 17)
- Slide handle to locked position. (See Figure 17)

Adjustments
Height Adjustment
- Remove two top button head screws holding faceplace section of mount to outside frame of cart. (See Figure 18)
- Loosen two bottom button head screws holding faceplate section of mount to outside frame of cart. (See Figure 18)
- Lift up and remove faceplate section of mount from outside frame of cart. (See Figure 18)

- Relocate lower screws to appropriate holes on frame based on desired height. (See Figure 19)

- Slide faceplate section back down outside frame until it sits on relocated screws. (See Figure 20)
- Reinstall button head screws removed in Step 1 into corresponding screw holes. (See Figure 20)
- Tighten button head screws relocated in Step 2. (See Figure 20)

Tilt Adjustment
NOTE: The LSCU cart may be tilted 3° or 5° based on user preference.
- Remove display from cart.
- Remove tilt adjustment screws.
- Adjust to desired tilt.
- Reinstall tilt adjustment screws in desired tilt position. (See Figure 21)

Cart Use and Maintenance
- WARNING: Exceeding the weight capacity can result in serious personal injury or damage to equipment! It is the installer’s responsibility to make sure the weight of all components attached to the LSCU does not exceed 175 lbs (79.3 kg).
- WARNING: Use this mounting system only for its intended use as described in these instructions. Do not use attachments not recommended by the manufacturer.
- WARNING: Never operate this mounting system if it is damaged. Return the mounting system to a service center for examination and repair.
- WARNING: RISK OF SERIOUS INJURY OR DEATH! Risk of death or serious injury may occur when children climb on audio and/or video equipment furniture. A remote control or toys placed on the furnishing may encourage a child to climb on the furnishing and as a result the furnishing may tip over on to the child.
- WARNING: RISK OF SERIOUS INJURY OR DEATH! Relocating audio and/or video equipment to furniture not specifically designed to support audio and/or video equipment may result in death or serious injury due to the furnishing collapsing or overturning onto a child.
- NOTE: The LSCU cart has no user serviceable parts.
- NOTE: The LSCU cart can support screen sizes up to a maximum of 75″ (diagonal size).
- Always place cart on a level surface. Push cart using handles. (See Figure 22)

- Always lock the wheels when the cart is not moving by pressing down the locks on wheels. (See Figure 23)

- Check and tighten the hex nuts on the casters occasionally. (See Figure 24) These should be checked especially after use on uneven ground.


- 8800-003341 Rev01
- 2022 Legrand | AV
- www.legrandav.com
- 07/2022
- USA/International A 6436 City West Parkway, Eden Prairie, MN 55344
- P 800.582.6480 / 952.225.6000
- F 877.894.6918 / 952.894.6918
- Europe A Franklinstraat 14, 6003 DK Weert, Netherlands
- P +31 (0) 495 580 852
- F +31 (0) 495 580 845
- Asia Pacific A Office No. 918 on 9/F, Shatin Galleria
- 18-24 Shan Mei Street
- Fotan, Shatin, Hong Kong
- P 852 2145 4099
- F 852 2145 4477


















CAUTION: Attachment holes may be damaged if a power drill is used to insert button head cap screws. Screws should first be inserted and turned BY HAND with the hex key or with a hand-held screwdriver BEFORE using the hex head drill bit and power drill to complete the attachment.
NOTE: Legs with brakes (P) may be installed to the front or back depending on user preference.


IMPORTANT! : The M8 screws do NOT require a washer. Use the universal washer (H) only with M4, M5 and M6 screws.
WARNING: Always use two people to mount display to cart!
IMPORTANT! : Do NOT install large cover (S) to back before installing the display.

























