AUSTRALIAN MONITOR PICOBLUv2 Mixer Amplifier
IMPORTANT INFORMATION
- Read these instructions.
- Keep these instructions.
- Heed all warnings.
- Follow all instructions.
- Do not use this apparatus near water.
- Clean only with dry cloth.
- Do not block any ventilation openings. Install in accordance with the manufacturer’s instructions.
- Do not install near any heat sources such as radiators, heat registers, stoves, or other apparatus (including amplifiers) that produce heat.
- Do not defeat the safety purpose of the polarized or grounding-type plug. A polarized plug has two blades with one wider than the other. A grounding type plug has two blades and a third grounding prong. The wide blade or the third prong are provided for your safety. If the provided plug does not fit into your outlet, consult an electrician for replacement of the obsolete outlet.
- Protect the power cord from being walked on or pinched particularly at plugs, convenience receptacles, and the point where they exit from the apparatus.
- Only use attachments/accessories specified by the manufacturer.
- Use only with the cart, stand, tripod, bracket, or table specified by the manufacturer, or sold with the apparatus. When a cart is used, use caution when moving the cart/apparatus combination to avoid injury from tip-over.
- Unplug this apparatus during lightning storms or when unused for long periods of time.
- Refer all servicing to qualified service personnel. Servicing is required when the apparatus has been damaged in any way, such as power supply cord or plug is damaged, liquid has been spilled or objects have fallen into the apparatus, the apparatus has been exposed to rain or moisture, does not operate normally, or has been dropped.
- This appliance shall not be exposed to dripping or splashing water and that no object filled with liquid such as vases shall be placed on the apparatus.
- Plug this apparatus to the proper wall outlet and make the plug to be disconnected readily operable.
- Mainsplug is used as disconnected device and it should remain readily operable during intended use. In order to disconnect the apparatus from
the mains completely, the mains plug should be disconnected from the mains socket outlet completely. - To reduce the risk of fire or electric shock, do not expose this apparatus to rain or moisture.
- An appliance with a protective earth terminal should be connected to a mains outlet with a protective earth connection.
- The apparatus should be disconnected from the mains completely before speaker wiring. The speaker output should be proper protected from direct contact and pay attention to speaker connections, terminals and speaker wiring during normal operation.
CONTENTS
Congratulations on choosing Australian Monitor for your professional amplification requirements. The Australian Monitor PICOBLUv2 is a small form factor 30W Mixer Amplifier specifically designed for small space applications such as cafes, restaurants, small retail and classrooms. The PICOBLUv2 features 3 mixer channels with microphone, line level, Bluetooth® and 3.5mm input jack options.
WARNING
- TO PREVENT FIRE OR SHOCK HAZARD, DO NOT USE THE PLUG WITH AN EXTENSION CORD, RECEPTACLE OR OTHER OUTLET UNLESS
- THE BLADES CAN BE FULLY INSERTED TO PREVENT BLADE EXPOSURE.
- TO REDUCE THE RISK OF FIRE OR ELECTRIC SHOCK, DO NOT EXPOSE THIS APPLIANCE
- TO RAIN OR MOISTURE.
- TO PREVENT ELECTRICAL SHOCK, MATCH WIDE BLADE PLUG TO WIDE SLOT & FULLY INSERT.
CAUTION
- THESE SERVICING INSTRUCTIONS ARE FOR USE BY QUALIFIED SERVICE PERSONNEL ONLY.
- TO REDUCE THE RISK OF ELECTRIC SHOCK DO NOT PERFORM ANY SERVICING OTHER THAN THAT
- CONTAINED IN THE OPERATING INSTRUCTIONS UNLESS YOU ARE QUALIFIED TO DO SO.
The lightning flash with arrowhead symbol, within an equilateral triangle, is intended to alert the user to the presence of uninsulated “dangerous voltage” within the product’s enclosure that may be of sufficient magnitude to constitute a risk of electric shock to persons.
The lightning flash with arrowhead symbol, within an equilateral triangle, is intended to alert the user to the presence of uninsulated “dangerous voltage” within the product’s enclosure that may be of sufficient magnitude to constitute a risk of electric shock to persons.
The exclamation point within an equilateral triangle is intended to alert the user to the presence of important operating and maintenance (servicing) instructions in the literature accompanying the appliance
For European Union countries: This symbol on the product or its packaging indicates that this product must not be disposed of with other waste.
Instead, it is your responsibility to dispose of your waste equipment by handing it over to a designated collection point for the recycling of waste electrical and electronic equipment.
Please contact your local authority for further details of your nearest designated collection point.
FEATURES
- 30W Mixer Amplifier
- 3 channel mixer
- Microphone support
- Bluetooth®
- Audio Receiver
- Programmable Name and PIN
- Advanced connection options
- Phone call support (HFP Profile)
- 3.5mm input
- Bass and Treble Tone Controls
- 100V and 4Ω outputs
- Priority Mute for microphones
- Line Output
- 217mm x 271mm x 44mm
- Rack mountable
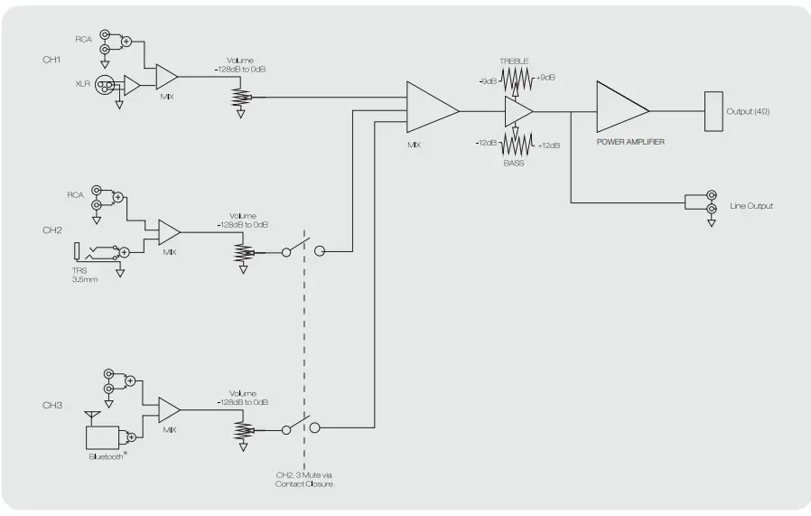
PICOBLUv2 BLOCK DIAGRAM
FRONT PANEL
CH 1-3
These control the levels for each channel input.
BASS
There is 12dB of cut and boost at 100Hz.
TREBLE
There is 9dB of cut and boost at 10kHz.
SIGNAL
This LED indicates the unit is outputting a signal.
POWER
This LED indicates the unit is on.
POWER SWITCH
This switches the power to the unit on and off. The up position is on.
BLUETOOTH®
Consult the Bluetooth® Audio Streaming section of this manual for further details of these controls.
INPUT 2
Input 2 is an auxiliary line input. Its volume is controlled by the CH2 volume knob on the front
REAR PANEL
CH 1
- XLR input – This is a balanced microphone input with an input sensitivity of 3mV.
- RCA input – This is an unbalanced line level input. It has an input sensitivity of 405mV. The two RCA sockets are summed to mono internally.
CH 2-3
- RCA Input: These are unbalanced line level inputs.
- They have an input sensitivity of 405mV. The two RCA sockets are summed to mono internally.
- CH2 RCA input is mixed with the 3.5mm front panel auxillary input.
- CH3 RCA input is mixed with the Bluetooth® input.
INSTALLATION
LINE OUTPUT
The LINE output is on an unbalanced RCA connector. The output level is 766mV with an output impedance of 4.7kΩ at the rated output. The mono output signal is split across two RCA outputs.
SPEAKER OUTPUT
The class AB amplifier output features 100V Line or 4Ω low impedance. NOTE: Only one output type should be used at a time.
MUTE INPUT
To enable CH1 priority (i.e., mute CH2 & CH3), connect the two contacts together with the mute illustration on the speaker terminal block
MAINS INPUT CONNECTOR
Your amplifier is fitted with a standard IEC 60320-C14 socket for mains connection. Use the mains cable supplied to power up the unit.
NOTE: Your unit must always be earthed!
LINE OUTPUT
The LINE output RCA can be used to connect up to 3 booster amplifiers.
INPUT CONNECTIONS
For wiring balanced in, pin 2 is hot. Unbalanced wiring on the microphone inputs is not recommended. Balanced input wiring (shielded pair cable) is recommended. Unbalanced RCA wiring should be keep as short as possible
PAGING SOLUTION
The PICOBLUv2 can be configured to provide a paging solution for small installations. Simply connect a paging microphone to CH1 XLR input and connect the contact closure output of the paging microphone to the PICOBLUv2 mute terminals as shown below:
PAGING SOLUTION – MUTE BACKGROUND MUSIC (CH2, CH3) TO PERFORM PAGING ON CH1
BLUETOOTH® AUDIO STREAMING
The PICOBLUv2 includes a Bluetooth® Audio streaming interface which can receive audio from any device like a mobile phone, computer or tablet. Simply connect your Bluetooth® device and it will mix in to the amplifier output.
BLUETOOTH® CONNECTION
- Press the ON/OFF button to activate Bluetooth and enter pairing mode
- On your Bluetooth® source device, e.g. a mobile phone, select the PICOBLUv2. Default name: PICOBLU-XXXX.
- Consult the source device’s manual about accessing the Bluetooth® connection options.
- Your Bluetooth® device will ask for a passcode/PIN. Default PIN: 2626
- The PAIR LED will then flash 10 times to indicate successful pairing
- Play audio from your Bluetooth® device.
- Hold down the ON/OFF button for 5 seconds to turn the Bluetooth module off
BLUETOOTH® CONNECTION RANGE
The Bluetooth® connection range is a minimum of 10 meters. However, range is typically much larger but not guaranteed.
CONNECTING A DIFFERENT BLUETOOTH® DEVICE
The Bluetooth® module can only support one device connection at a time. If you need to change devices, repeat the Bluetooth® connection process described above. By entering pairing mode it disconnects the current device and allows a new device to be connected.
POWER OFF THE BLUETOOTH® DEVICE
To power off the Bluetooth® module hold down the Bluetooth® ON/OFF button for 5 seconds.
IMPORTANT:
Ensure that the volume of your Bluetooth® device is set to an appropriate level as this effectively adds in another volume control to your system.
NOTE:
The Bluetooth® module is powered off as standard when turning the amplifier on to maximise security. If the amplifier is power cycled you must turn the Bluetooth® module back on by pressing the Bluetooth® ON/ OFF button.
BLUETOOTH® AUDIO STREAMING (CONT.) PROGRAMMABLE BLUETOOTH® SETTINGS
The PICOBLUv2 adds the capability to customise the settings of the Bluetooth module by programming new settings via the USB-C front panel connector. Using the Bluetooth programming software, available on the Australian Monitor website, connect a PC to the PICOBLUv2 USB-C port and upload the required settings.
The software can modify the following settings:
- Bluetooth Name
- Bluetooth PIN
- Enabling/Disabling PIN security
- Phone call support
- Device pairing history

TROUBLESHOOTING
DIMENSIONS
- FRONT

- PICO-RMK 1RU RACK MOUNT KIT:

- PICO-DMK TOP:

- UNDER DESK RACK MOUNT KIT:

SPECIFICATIONS


ENGINEERED BY AUSTRALIAN MONITOR
Address: Unit 1, 2 Daydream Street, Warriewood NSW 2102 Australia
Website: www.australianmonitor.com.au
International inquiries email: [email protected] ABN 86 003 231 187



























