AzureWave uSD-1212 Adapter Board User Guide

Revision History
| Version | Revision Date | Description | Initials | Approved |
| A | 2020/3/23 | l Initial Version | Renton Tao | N.C. Chen |
| B | 2020/5/3 | l Update “2. uSD-1212 adapter board HW description” | JM.Pang | N.C. Chen |
| C | 2020/5/15 | l Format update | JM.Pang | N.C. Chen |
| D | 2020/6/04 | l Add “3. PCM UART extension” l Update “4. EVB Kits Contents” | JM.Pang | N.C. Chen |
| E | 2020/7/17 | l Add Block Diagram of AW-CM358- uSD | JM.Pang | N.C. Chen |
|
F |
2020/9/29 | l Update 2.3 Schematics and 2.4 Placement l Update 2.2 HW introduction l Remove the content of PCM UART extension adapter board in 3. EVB Kits Contents |
JM.Pang |
N.C. Chen |
| G | 2021/01/27 | Add block diagram of AW-AM281-uSD | Grace Liu | N.C. Chen |
1. Introduction
Azure
W ave provides uSD 1212 adapter board with Wi Fi/BT module solutions for NXP i.MX RT and i.MX6 Evaluation Kits. The uSD 1212 adapter board supports AW AM281SM (w/ NXP 88W8977) and AW CM358SM (w/ NXP 88W8987) Wi Fi combo BT module solutions.
- WiFi through uSD interface is for AW-CM358SM and AW-AM281SM.
- BT through UART is only for AW-CM358SM.
- BT through uSD is only for AW-AM281SM.
| Main chip | AzureWave Module | uSD Adaptor Board |
| NXP 88W8977 | AW-AM281SM | AW-AM281-uSD |
| NXP 88W8987 | AW-CM358SM | AW-CM358-uSD |
1.1 Supported I/O to host
- Micro SD (uSD) interface for Wi-Fi or WiFi/BT.
- Arduino headers for Bluetooth through UART interface.
- FFC connector for UART and other control signal.
- Embedded UART-to-USB IC as an option for UART.
- Other debug and power interface.
1.2 Supported I/O signal level
| I/O\voltage level | 1.8V | 3.3V |
| SDIO(3.0/2.0) | V | V |
| UART | N/A | V |
1.3 Supported RF standards
| Model \ Standards | Wi-Fi* | BT* |
| AW-AM281SM | 1×1 Wi-Fi 4 (2.4/5GHz) | 5.0 |
| AW-CM358SM | 1×1 Wi-Fi 5 (2.4/5GHz) | 5.0 |
*Connecting with i-pex gen 4 RF connector
2. uSD-1212 Adapter Board
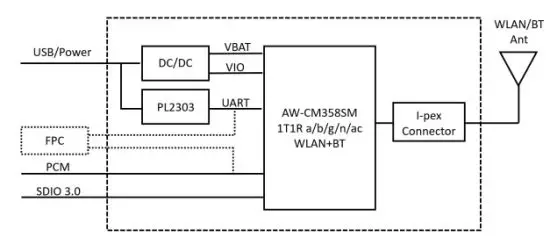
2.1 Block Diagram
For AW AM 281 uSD

AW-AM281SM-uSD Block Diagram
For AW CM358 uSD

AW-CM358-uSD Block Diagram
2.2 HW Description
VIO for SDIO voltage level options
- For 3.3V supply, please connect J4 (2-3).
- For 1.8V supply, please connect J4 (1-2). 3.3V power source is configured from SDIO connector as default.

The information contained herein is the exclusive property of AzureWave and shall not be distributed, reproduced, or disclosed in whole or in part without prior written permission of AzureWave.
UART signal is configured from FFC connector at BOT side as default. By using headers for Bluetooth through UART interface
- UART_RTS: J7 (pin 3) or J10 (pin 6)
- UART_TXD: J8 (pin 1) or J10 (pin 4)
- UART_CTS: J7 (pin 4) or J10 (pin 8)
- UART_RXD: J8 (pin 2) or J10 (pin 2)

The information contained herein is the exclusive property of AzureWave and shall not be distributed, reproduced, or disclosed in whole or in part without prior written permission of AzureWave.
PCM signal is configured from FFC connector at BOT side as default. By using headers for PCM interface
- PCM_IN: J11 (pin 1)
- PCM_OUT: J11 (pin 2)
- PCM_SYNC: J11 (pin 3)
- PCM_CLK: J11 (pin 4)

The information contained herein is the exclusive property of AzureWave and shall not be distributed, reproduced, or disclosed
in whole or in part without prior written permission of AzureWave.
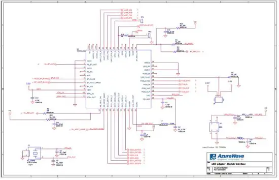
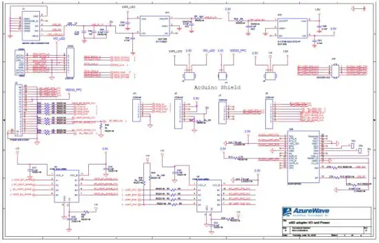
2.3 Schematics

The information contained herein is the exclusive property of AzureWave and shall not be distributed, reproduced, or disclosed in whole or in part without prior written permission of AzureWave.

The information contained herein is the exclusive property of AzureWave and shall not be distributed, reproduced, or disclosed
in whole or in part without prior written permission of AzureWave.

The information contained herein is the exclusive property of AzureWave and shall not be distributed, reproduced, or disclosed
in whole or in part without prior written permission of AzureWave.
2.4 Placement

The information contained herein is the exclusive property of AzureWave and shall not be distributed, reproduced, or disclosed
in whole or in part without prior written permission of AzureWave.

The information contained herein is the exclusive property of AzureWave and shall not be distributed, reproduced, or disclosed
in whole or in part without prior written permission of AzureWave.
3. EVB Kits Contents

The information contained herein is the exclusive property of AzureWave and shall not be distributed, reproduced, or disclosed
in whole or in part without prior written permission of AzureWave.




















