
AW-CU427-USB
IoT Connectivity Evaluation Board for AWS IoT Core
Getting Started Guide
Rev. 0.1
Revision History
| Version | Revision Date | Description | Initials | Approved |
| 0.1 | 2021/01/14 | Initial version | Steven Jian | Chihhao Liao |
1. Overview of AW-CU427-USB

- USB Type-C male Plug
- Powerful MCU
- Printed Antenna
- Top side
- Bottom side
- SPI Flash
- 8-Pin header
2. Hardware Setup
2.1 Components
- Plug the AW-CU427-USB dongle into the USB type C port or through an USB type A male to USB type C female cable (not included in the box) if the computer does not have the USB type C port or it can not recognize the dongle


2.2 Identify the Hardware and Firmware
- The simple way to identify the hardware and firmware of AW-CU427 is under Windows. You also can identify it under Linux.
Check if Device Manager can recognize AW-CU427-USB. If not, download FTDI Driver at https://www.ftdichip.com/Drivers/VCP.htm, then send the AT commands through the second FTDI com port

- Open a serial connection by using PuTTY or the similar terminal emulator

- To force the terminal show characters you type and send the command only after you hit the “Enter” key, set Local echo & Local line editing to “Force on”

- Type AT+MOD_About and hit “Enter” key to identify the dongle hardware and firmware

2.3 Antenna Installation Guide
The AW-CU427-USB includes an integrated omnidirectional antenna. Hence, the dongle can be seen as an antenna.
Objects close to the antenna (the dongle) become new sources for radiation from far field perspective. This can be a problem if those objects are electrically large. Recommended minimum clearance is 20mm for conductive materials and 10mm for non-conductive materials. Failing to meet the clearance requirements will detune the antenna and the radiation pattern may not be omnidirectional.
Use AT command AT+WIFI_On and AT+WIFI_Scan to check if the RSSI (Received Signal Strength Indication) is good (>-65dBm) or not. If not, adjust the setup until the RSSI >-65dBm.
The examples below are antenna radiation patterns with different setups:
- Steel Desk & Chair + Horizontal Position


- Steel Desk & Chair + Horizontal Position + Close to Desk Edge


- Wood Desk & Chair + Vertical Position


- Wood Desk & Chair + Vertical Position + Close to Desk Edge


3. AWS Command Example
Please find the command details in AWS CONNECTOR AT Command Set.
Below are commands for the demo:
- Turn on Wi-Fi module: AT+WIFI_On
- Retrieve the Wi-Fi AP | Station Mode: AT+WIFI_GetMode
- Perform a Wi-Fi network scan: AT+WIFI_Scan
- Set and store the Wi-Fi AP information when AW-CU427-USB in Station Mode:
AT+WIFI_SetAP=SSID,password, security type
SSID: SSID of AP (case sensitive)
password: password for AP (case sensitive)
security type: OPEN | WEP | WPA | WPA2 - Connect to the AP: AT+WIFI_Connect
- Define and store Thing-specific configuration:
AT+THING_Set=client ID,endpoint,client certificate,client private key
client ID: Thing name(Client ID)
endpoint: AWS IoT endpoint URL
client certificate: Certificate for this Thing
client private key: Private key for this Thing - Connect the client to MQTT broker: AT+MQTT_Connect
- Subscribe to and save MQTT topic: AT+MQTT_Subscribe=<topic>,<qos>
- Publish to MQTT topic:
AT+MQTT_Publish=topic,message,qos
topic: Topic to publish to
message: Message to publish
qos: 0 | 1
3.1 Getting Started with AWS IoT Core
Step 0: The below link is a documents of how to setup AWS IOT, you can refer to it for full AWS IOT knowledge.
https://docs.aws.amazon.com/iot/latest/developerguide/iot-gs.html
But, if you want to setup AzureWave AWS Connector, you would just refer to the following steps.
Step 1: Create AWS Account, Create an IAM user.
Please refer to the below link to setup AWS Account and IAM user.
https://docs.aws.amazon.com/iot/latest/developerguide/setting-up.html
If you have created an IAM user, please refer to the following setting to connect these two policies (AmazonFreeRTOSFullAccess, AWSIoTFullAccess) to your IAM.
https://docs.aws.amazon.com/freertos/latest/userguide/freertos-account-and-permissions.html
Step 2: Create a thing.
A thing represents a specific device or instance that can communicate with AWS IOT. Please refer to the following link to create a thing.
https://docs.aws.amazon.com/iot/latest/developerguide/create-aws-thing.html
Step 3: Register a device
This step will create certificate and private key. You can use certificate, private key, thing name and endpoint as AT+THING_Set command parameter. After this command executing, the four parameter will be provision to our connector. After provisioning, you can connect to AWS IOT with MQTT or SHADOW operation.
Please refer to the steps at the following link.
https://docs.aws.amazon.com/iot/latest/developerguide/register-device.html
After finishing the steps, please notice the following two actions:
- Download certificate and private key
In Create and activate a device certificate chapter, please download and keep the certificate and private key. Because they will be used when sending the AT+THING_Set command.

- Thing Name and Endpoint
These two data will also be used for AT+THING_Set command.
You can find out thing name in Manage > Things submenu, and endpoint in settings of AWS IOT Console at console.aws.amazon/iot.


3.2 Publish and Monitor MQTT message on the cloud
Step 0: Make sure the AP under test is connected to the internet using other Wi-Fi enabled devices. Assume the SSID, password and security type of the AP is MySSID, MyPassword, wpa2.
Step 1: Connect the AW-CU427-USB to the system (refer to 2. Hardware Setup) and turn off the wireless devices near the AW-CU427-USB (except for the device under test). Turn on the Wi-Fi module of the AW-CU427-USB using AT+WIFI_On
Step 2: Check if AW-CU427-USB is in station mode using AT+WIFI_GetMode
Step 3: Set and store information of the AP using AT+WIFI_SetAP= MySSID,MyPassword,wpa2
AT+WIFI_SetAP=SSID,password,security type
SSID: SSID of AP (case sensitive)
password: password for AP (case sensitive)
security type: OPEN | WEP | WPA | WPA2
Step 4: Connect to the AP: AT+WIFI_Connect
Step 5: Define and store Thing-specific configuration using AT+THING_Set command
AT+THING_Set=client ID,endpoint,client certificate,client private key
client ID: Thing name(Client ID)
endpoint: AWS IoT endpoint URL
client certificate: Certificate for this Thing (downloaded in 3.1 step 3)
client private key: Private key for this Thing (downloaded in 3.1 step 3)
You should create command as format below:
AT+THING_Set=98c6, a3qjEXAMPLEffp-ats.iot.us-east-1.amazonaws.com, —–BEGIN CERTIFICATE—–\n…base64 data…\n—–END CERTIFICATE—–\n, —–BEGIN RSA PRIVATE KEY—–\n…base64 data…\n—–END RSA PRIVATE KEY—–\n
Note: a3qjEXAMPLEffp is just an example endpoint, your endpoint URL should replace it. Please follow the instructions to find the endpoint.
- Navigate to the AWS IoT console
- Choose Settings in the navigation pane
- The endpoint can be found under Custom endpoint
Step 6: Connect the client to MQTT broker: AT+MQTT_Connect.
Step 7: Subscribe to and save MQTT topic using AT+MQTT_Subscribe=iotdemo/1,0
Step 8: Publish to MQTT topic using AT+MQTT_Publish=iotdemo/1, hello, 0
AT+MQTT_Publish=topic,message,qos
topic: Topic to publish to
message: Message to publish
qos: 0 | 1
Step 9: Use the MQTT client in the AWS IoT console to monitor the messages that device sends to the AWS Cloud.
Sign in to the AWS IoT console.
https://console.aws.amazon.com/iotv2/
In the navigation pane, choose Test to open the MQTT client.
In Subscription topic, enter iotdemo/#, and then choose Subscribe to topic.
You should see the message send from device as like below.
4. Block Diagram and Schematic
4.1 Block Diagram for AW-CU427-USB

Pin Name (J60) is also shown on the bottom of PCBA
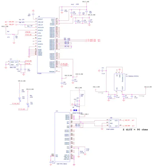
4.2 Schematics for AW-CU427-USB
FTDI Bridge (USB to UART/JTAG)

Mount CC2 pin pull-down R129 if connect the dongle to the host through a type c(male) to type c(female) cable. Some PC/NBs can not recognize the dongle when using USB type C ports. In that case, connect the dongle to the PC/NB through a type A(male) to type C(female) cable.

5. Additional Information
The AW-CU427-USB is designed for Engineering Evaluation Purpose Only as opposed to an end product. Thus, it may not comply with directives such as WEEE, CE and FCC. The dongle is not completely enclosed with a shielding case. User must take whatever measures to prevent ESD and minimize interference generated by the dongle. For preventing any damage on this dongle, please plug it into USB female port horizontally.
Appendix
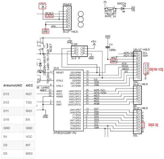
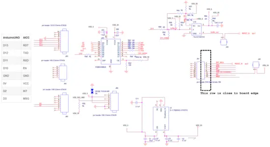
AW-CU427-USB work with Arduino Uno
Remove all the jumpers (2mm pitch) on the dongle before mating it with the Arduino Uno through the ARDUINO UNO ADAPTOR. The digital logic level & power supply input of the dongle are 3.3V. DO NOT directly connect the dongle to the Arduino Uno.

ARDUINO UNO ADAPTOR
- AW-CU427-USB connected to Arduino Uno through the ARDUINO UNO ADAPTOR

- AW-CU300AV3-USB
- Arduino Uno Adaptor
- Arduino Uno
- Block Diagram for Arduino Uno Adaptor

- Schematics for Arduino Uno Adaptor


The information contained herein is the exclusive property of AzureWave and shall not be distributed, reproduced, or disclosed in whole or in part without prior written permission of AzureWave.
References
a3qjEXAMPLEffp-ats.iot.us-east-1.amazonaws.com
console.aws.amazon.com/iotv2/
First steps - FreeRTOS First steps - FreeRTOS
How to manage things with the registry - AWS IoT Core How to manage things with the registry - AWS IoT Core
Getting started with AWS IoT Core - AWS IoT Core Getting started with AWS IoT Core - AWS IoT Core
How to manage things with the registry - AWS IoT Core How to manage things with the registry - AWS IoT Core
Set up your AWS account - AWS IoT Core
VCP Drivers - FTDI



















