Cp-35 System 3 Universal Alarm Control Unit
Instruction Manual
Fire Safety
MODEL CP -35 Control panel
INTALLATION AND MAINTENANCE MANUAL
Cp-35 System 3 Universal Alarm Control Unit
CAUTION
ALL WIRING MUST BE DONE AS DESCRIBED BELOW, TO OBTAIN SAFE AND PROPER SYSTEM OPERATION
- Earth ground the System 3 enclosure properly; see the latest edition of the National Electrical Code for approved methods. Conduit ground is NOT adequate.
- Separate all wiring for initiating devices (i.e., detectors, manual stations, etc.) from all other wiring in the System 3 enclosure.
- INSULATE ALL CABLE DRAIN WIRES from any conduit or other earth grounded electrical box, including those in the System 3 enclosure.
- Connect shield cable drain wire ONLY at the SPECIFIED location inside the System 3 enclosure.
- Earth ground all conduit runs throughout the installation.
For additional wiring information, refer to this manual or call Siemens Building Technologies, Inc. Technical Support Department at 1-800-248-7976.
Figure 1
Interior View of CP-35 Displays Power Supply (PS-35) and Modules Selected
INSTALLATION AND WIRING
The reliability of the SIEMENS System 3 depends to a great extent upon proper installation of the control panel, modules, detectors, associated equipment, and wiring. These instructions outline the requirements for a satisfactory installation.
Careful completion of each detail provides an automatic detection and control system that is dependable and gives reliable operation.
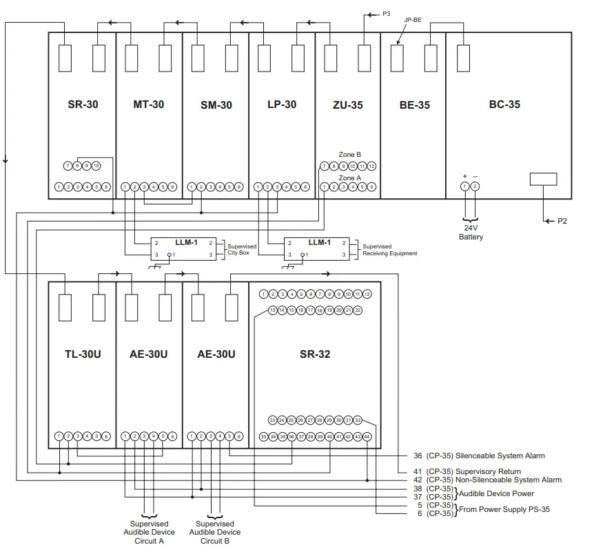
Connection terminals for the Control Panel are shown in the WIRING DIAGRAM in the centerfold. The wiring arrangement for a typical system with control panel and modules is shown in Figure 3, TYPICAL SYSTEM WIRING.
Connection terminals for the individual modules are shown on the Operation and Installation Instructions sheet provided with each of the modules.
Any questions regarding the equipment or installation should be directed to the Siemens Building Technologies, Inc. Technical Support Group.
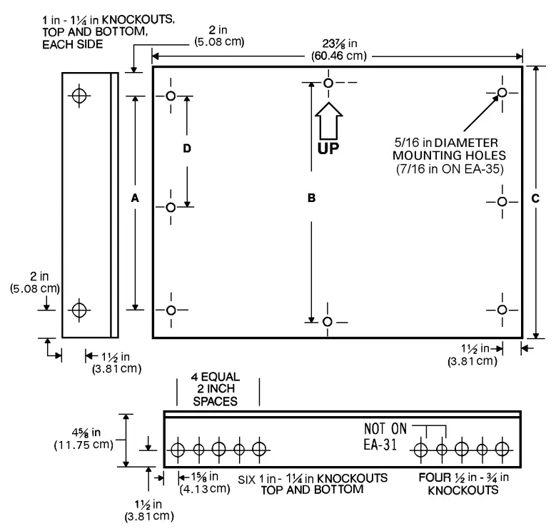
Mounting the Control Panel Enclosure (Figure 2)
Securely fasten the control panel enclosure to a shock and vibration-free surface in a clean, dry area. It should be mounted with the top of the enclosure approximately
6 feet above the floor. The location should ensure that the control panel is easily visible and readily accessible for maintenance. Leave sufficient room to open the enclosure door.
Wiring should be in accordance with national and local codes for fire alarm circuits. Use the knockouts provided. For AC supply power, use No. 14 or larger AWG, 600V insulation wire.
Pick up the module/frame assembly by the straps provided at the end of the wiring channels. Do not place hands behind the modules, as the circuitry may be damaged.
Install the module/frame assembly in the enclosure, securing it to the studs with the 5/16 inch nuts provided.
CAUTION: Do not overtighten nuts (do not use ratchet type wrench), as the studs can be broken if excessive force is applied.
Power Requirements
The CP-35 is designed to operate from the 24 VDC output provided from the Model PS-35 power supply.
Connection from the CP-35 to the power supply is made by a six-wire harness assembly.
The PS-35 power supply operates from a 120 volt, 50/60 Hz, three-wire, grounded neutral, power source. The power supply must be connected directly through separate circuitbreakers or fuses, to the line side of the main power feed for the building. No other equipment may be supplied from these separate circuitbreakers or fuses. Wire must run continuously from the AC power source to the PS-35 input terminals. Refer to the WIRING DIAGRAM.
Installing the Control Panel and Power Supply
Install the system power supply PS-35 in the upper righthand corner of the enclosure. It occupies three module spaces. Immediately to the left is the CP-35 Control Panel.
These two modules together occupy the entire top tier.
When the BC-35 charger/transfer module is used, place it directly below the power supply module in the second tier.
When using Battery Extender Module BE-35 and Meter Module MM-35, place them to the left of the BC-35 and use an interconnecting cable between them and the CP-35.
(See Figure 3.)
Other system modules may now be placed adjacent to the last battery associated module and connected to CP-35 at P2, via the JA-24 plug and harness assembly. Subsequent
modules may then be placed to fill up the second tier and then the third, etc.
Make the connections between adjacent modules with the JA-5 plug and harness assembly. Make connections between modules of different tiers using the JA-24 cable harness assembly. The module supervision circuit is completed by installation of the JS-24, JS-64, or JS-98 supervisory return cable assembly from the unused bus receptacle of the last module in the system to terminal 41 of the CP-35.
| Enclosure | A | B | C | D |
| EA-31 | 10 in (25.4 cm) | – | 14 in (35.56 cm) | – |
| EA-32 | 20’12 in (52.07 cm) | 22318 in (56.83 cm) | 24’12 in (62.23 cm) | – |
| EA-33 | 31 in (78.74 cm) | 32718 in (83.50 cm) | 35 in (88.95 cm) | 15’/2 in (39.37 cm) |
| EA-35 | 52 in (132.08 cm) | 53 7/8 in (136.84 cm) | 56 in (142.24 cm) | 26 in (66.04 cm) |
Figure 2 Enclosure Mounting Dimensions
Installation of Conduit Boxes or Shielded Cable
Where local installation codes require an outlet box, see the appropriate Installation Instructions for the correct box to use with that device. Where local codes permit, the detectors may be wired using limited-energy shielded cable.
The Control Panel enclosure and all detector and alarm circuit conduit must be properly grounded. Insure that all conduit makes good electrical contact between the control panel and outlet boxes.
Use ground shielded cable at the control panel only.
Detection/Alarm Initiating Circuit Wiring to Zone Modules
- ALL WIRING MUST COMPLY WITH LOCAL AND NATIONAL CODES.
- FOR INITIATING DEVICE CIRCUITS:
a. All initiating circuits are rated power limited and should be wired in accordance with applicable codes.
b. The minimum wire size permitted is 18 AWG.
c. All wiring should be in a continuously grounded conduit or, where permissible, in approved 300V shielded, limited energy cable (such as Model LEC).
d. When shielded cable is used without conduit, terminate the wiring shields at each device box, junction box, enclosure, etc. However, if the device box is already grounded by another means, such as being mounted to a grounded structure, the wire shields should be continuous and should not be attached to the box in question. The wire shields in all cases should be continuous and grounded at the point of original at the control panel, for example.
e. Multiple initiating circuits within the same cable or conduit do not have to be individually shielded.
f. The maximum line resistance of a Class B circuit (both wires) is 36 ohms for standard initiating circuits and 20 ohms if at least one detector has a relay.
When using 4 wire, Class A supervised initiating circuits, the total zone initiating circuit resistance must be no more than 36 ohms-9 ohms per line. For detectors with relays, a total of 20 ohms is allowed. For wire resistance information, refer to the latest edition of the National Electric Code, or contact the manufacturer of the wire in question.
g. T-tapping and parallel branching are not allowed on initiating circuits. Every base, except the last one, will have one set of incoming and one set of outgoing wires.
h. The wire interconnecting the devices is continuously supervised, and when the ZU-35 type modules are used, must be terminated with an EOL device (50µfd capacitor furnished with the Control Panel).
The EOL device may be mounted directly in Series 3 or Series 4 bases. When large base units are used as the last detector on the zone circuit, mount the EOL device to an EL-30/31 EOL device mounting assembly.
Be sure to observe polarity when connecting the EOL device (Refer to the label on the EL-30). If the EOL device is installed incorrectly, the zone circuit may indicate a constant alarm condition.
NOTE: For four-wire Class A type connection, the end of line device is installed at the module (See Figure 3).
j. Some alarm initiating devices such as manual stations, waterflow switches, and thermal units do not have separate mounting bases. Connections to these devices are made directly to their internal screw terminals, based on their individual configuration.
Installing Detector Bases
Remove the Siemens Building Technologies, Inc. detector base from the carton. On the DB-4 detector base, a cardboard cover holds the contacts between terminals 4 and 5
together. This cover must be in place to test the circuit.
The DB-3S base provides a jumper only, connected between terminals 1a and 1b of the base.
Install detector bases and other alarm initiating devices in accordance with the wiring diagram. DO NOT install bases for any detectors in direct air flow of air conditioning or ventilating air ducts.
Mount the EOL device at the last base in each detector circuit, as indicated on the Wiring Diagram (Refer to Detection/Alarm Initiating Circuit Wiring above). Connect manual stations, thermal detectors, and all detector bases to the circuit at this time. Refer to the Wiring Diagram of the specific equipment for connection details.
Installation of Audible Alarm Devices
All audible alarm device circuits are supervised and use polarized alarm devices. Other types of devices do not function properly on these circuits. For proper circuit supervision, terminate the circuit with a 5.6K ohm end-of-line resistor.
When a DC alarm circuit is used, the EOL device is a 5.6K, 1/ 2W resistor (furnished with the CP-35). This resistor may be mounted in an EL-30/31 mounting assembly. If an AC alarm circuit is used, the EOL device must be a 5.6K, 5W resistor (with the EL-32 assembly).
NOTE: The above applies when AE-30U type Alarm Extender modules are used. Class A audible alarm connections must operate from 24 VDC, and the EOL device is connected at the module terminals.
FOR INDICATING APPLIANCE CIRCUITS:
- All releasing and extinguishing circuits must use a minimum of 16 AWG wire, shielded cable, or must be in continuously grounded conduit. The maximum line resistance (both wires) permitted is 3 ohms. These circuits including their wiring, are not power limited and should be wired in accordance with applicable codes. For wire resistance information, refer to the latest edition of the National Electric Code, or contact the manufacturer of the wire in question.
- All audible and visual alarm signalling circuits must use a minimum of 14 AWG wire. The maximum line resistance (both wires) permitted is 3 ohms. The wiring does not have to be shielded. These circuits and their wiring, are not power limited and should be wired in accordance with applicable codes. For wire resistance information, refer to the latest edition of the National Electrical Code, or contact the manufacturer of the wire in question.
- T-tapping and parallel branching are not allowed on either releasing or audible circuits.
- On leased line circuits like those with SIEMENS Model LP-30, the external wiring must be between 2K and 5K ohms. This line must be a dedicated pair for fire alarm
use only. For wire resistance information, contact the manufacturer/installer of the wire in question. - On municipal tie circuits like those with SIEMENS Model MT-30, the total loop resistance from the LLM-1 to the municipal tie, including the 14.5 ohms in the municipal tie, should not exceed 22.5 ohms. For wire resistance information, refer to the latest edition of the National Electric Code, or contact the manufacturer of the wire in question.
SIEMENS Model CP-35
WIRING DIAGRAM P/N 315-084902-22
NOTES:
- When emergency power is provided using charger/transfer module Model BC-35, 24 VDC audible devices must be used with end of line device with Model EL-31 or equivalent on audible device circuits. When BC-35 is not used, 120 VAC audible devices may be employed by use of AC program plug Model No. JP-A (black wires) in P2, and Model EL-32 with end of line device, or by use of 24 VDC audible devices with program plug Model No. JP-D (yellow) in P2, and Model EL-31 with end of line device.
Note: When Class A audible circuit configuration is used, 24 VDC audible devices are required. - Connect the silenceable System Alarm output signal, terminal 36, to audible circuit actuation input terminals such as terminal 39 of the CP-35 and terminal 5 of the AE/AA-30U modules. Connect the non-silenceable system alarm output signal, terminal 42, to such modules as the MT-30, LP-30, and SR-35. When other alarm signals such as coding or time limit are required, see individual module instruction sheets.
- When water flow devices are used, employ non-silenceable system alarm output signal TB1, terminal 42, to energize audible alarm device circuits.
- Audible alarm device circuits may be coded by using coder modules MC-30 or ZC-30.
- Audible alarm device circuit signal duration may be limited by using the time limit cutout module Model TL-30U.
- Refer to battery manufacturer’s instructions for maintenance and test of System batteries when applicable.
- Refer to appropriate module instructions for specific information. The maximum line resistance should be 3 ohms, and a minimum of 14 AWG wire is recommended. All wiring should comply with the local and national codes that apply to the particular installation.
- NFPA 72 requires a secondary power supply source, as does the inclusion of automatic FM-200™ releasing service. The secondary (standby) power source must consist of one of the following:
a. A storage battery which provides 24 hour capacity (but 60 hour capability is required for Remote Station and Municipal Tie systems)
b. An engine-driven generator and storage batteries with 4 hour capability
c. Multiple automatic starting, engine-driven generators capable of supplying the energy required with the largest generator out of service. - The total power supply current (24 VDC full wave) is rated at 10A max for the PS-35 power supply. This current is the sum of that which flows through (a) Plug P3 (3A max) to the various modules and (b) terminals 5 and 6 of the power supply module and all audible alarm device circuits when DC audible devices are used. Under no circumstances should these given maximum current values be exceeded.
- COMPATIBLE NOTIFICATION APPLIANCES
Use only the notification appliances listed in P/N 315-096363. - Auxilliary output is rated 24 VDC Nominal, 1.5A max for internal application such as SR-32, SR-33, SR-35, or Model RA annunciator located within control unit enclosure(s). (See Note 9 for total current rating.)
- See individual detector instructions for actual terminal connection numbers. Maximum of 30 detectors per circuit allowed. (Only one PBA-1191 may be used per circuit.)
- To use power limited wiring to NFPA 70, NEC Article 760, the audible circuits (terminals 32 and 35) must use the PLM-35 module. Refer to Instructions P/N 315-093495.
- Connect the following modules only: AA-30U, AD-30S, AE-30U, HC-30U, HC-35, DS-30, LP-30, MC-30, MT-30, PM-31, PM-32, RM-30U, RM-30RU, SM-30, SR-30, SR-32, SR-35, TL-30U, ZC-30, and ZC-31.
- All power limited wiring requires separation from non-power limited wiring. Refer to the System 3 Power Limited Wiring Instructions, P/N 315-093680.
DIAGRAM A
Typical Class A connection of CP-35 Supervised Zone Initiating Circuits
NOTE: Refer to the CP-35 Field Assembly, P/N 315-085178 for additional wiring information.

NOTE: TOTAL LINE RESISTANCE (4 WIRES) NOT TO EXCEED 36 OHMS.
NOTE: POLARITY SHOWN IN SUPERVISORY CONDITION.
DIAGRAM B
Typical Class A connection of CP-35
Supervised Audible Alarm Device Circuit
COMPATIBLE DETECTORS
| DETECTOR | BASE | INSTALLATION INSTRUCTIONS PART NUMBER |
| DI-3/3H | DB-3S** | P/N 315-081943-16 |
| DI-A3/A3H | DB-3S** | P/N 315-081943-16 |
| DI-B3/B3H | AD-3I/3ILP AD-3RI/3RP SA-3I/3P | P/N 315-093234-6 P/N 315-086591-7 P/N 315-086593-6 |
| DT-11 | DB-11 DB-3S with DB-ADPT | P/N 315-095429-2 P/N 315-095429-2 |
| PBA-1191* | PBB-1191 | P/N 315-095424-2 |
| PE-3/3T | DB-3S** | P/N 315-090875-6 |
| PE-11/11T | DB-11 DB-3S with DB-ADPT AD-11P/11PR | P/N 315-094198-7 P/N 315-094198-7 P/N 315-095659-7 |
* The PBA-1191 can be used only with the ZB-35 module.
** The ADB-3 base may also be used (P/N 315-086238-5)
CP-35 IS THE COMPATIBILITY IDENTIFIER
NOTES:
- LP-30, MT-30, and SR-35 operated from system alarm.
- MT-30 may be disconnected by SM-30.
- AE-30U, circuit A is operated by cross zone of ZU-35 through time-in delay of TL-30U.
- AE-30U, circuit B is operated from silenceable alarm output of CP-35.
- SR-32:
Relay 4K operated from Zone 1 alarm (ZU-35)
Relay 5K operated from Zone 2 alarm (ZU-35)
Relay 6K operated from system alarm
Figure 3 Typical System Wiring
Tests of Wiring
Check that cardboard covers or jumpers, as applicable, are in place. Install end-of-line device(s). Detector circuits should NOT be connected to modules at this time. No plug-in detectors should be in their bases.
Check the detector/alarm initiating device circuit(s). Short the wires together (discharges EOL device). Using a VOM set to read high resistance (for example, a Simpson Model 260 set to the Rx 10,000 ohm range), measure the resistance of the circuit.
NOTE: Observe polarity; connect positive side of meter to positive side of the circuit.
The meter needle should quickly drop down to a low resistance reading and then slowly increase in resistance to a value greater than one megohm. If maximum resistance reached is less than one megohm, check for reversed EOL device or EOL device with excessive leakage.
Also check that the resistance between each side of the circuit and the enclosure or ground is greater than 25K ohms.
If wiring reads correct resistance on meter, connect wires to proper terminals on Control Panel or module.
Remove all detector shield covers and/or jumpers, as applicable, and install plug-in detectors in their bases.
To Test System Operation
CAUTION:
If the System is connected to the Fire Department, or activates an external system (for example, a leased line connection), disarm the outputs before servicing to prevent activation. Notify persons in the building(s) that you are conducting a System test so that they can ignore any alarms that sound during testing. Be sure to reset the System at the end of the inspection.
a. Unlock and open system enclosure door.
b. Make certain that any and all unwanted outgoing alarm signals are disconnected in the event that the Control Panel goes into an alarm condition.
c. Apply required power, AC and battery, to system.
Only the power LED should be on. All disconnect and/or silencing switches, if used, should be in their normal positions. Move RESET/LAMP TEST switch to RESET and hold. All Control Panel indicators, LEDs, and the trouble horn will operate. Release RESET switch. The trouble LED and horn should return to normal supervisory operation.
To test supervision of the audible alarm circuit(s), open each circuit at the EOL device. Check that trouble indications appear at the Control Panel. If proper indications appear, reconnect the lead to return the system to normal supervisory operation.
To test operation of the audible alarm circuit(s), activate a detector/actuation device or manual station. Check that all audible alarm devices sound, that the alarm lamp lights, and that the audible devices can be silenced. See Note 1 below.
To test operation of detection/actuation circuit(s), activate each device and manual station. Check that the detector alarm LED lights and that alarm and zone indications are
given by the Control Panel and the proper module. To activate a detector (ion or photoelectric) or to test for GO/NO GO operation, use SIEMENS Test Gas, P/N 315-282747.
Activate a thermal detector by using an electric heat gun (See NFPA 72 Detectors). Refer to the detector Installation and Wiring Instructions for more testing information.
Use disconnect switches (See Note 2) during tests to isolate any external alarm operated circuits (activation of fire extinguishing system, notification to Fire Department, etc.).
When such external circuits are connected to the system, check that upon alarm, they operate when switch is in its normal position and that they do not operate when the switch is in the disconnect position.
If the above tests provide proper results, close and lock the enclosure door. If not, refer to MAINTENANCE.
NOTES:
- When activated from silenceable alarm output terminal.
- When this feature is used in system.
MAINTENANCE
To insure proper and reliable operation, follow this inspection and testing schedule.
Every 6 Months
Inspect all detectors for accumulations of dirt and dust.
Clean detectors as necessary by following the Cleaning Procedure outlined in the Installation and Wiring Instructions for each detector. Gear cleaning program intervals to the individual detector environment.
Testing the System
Test the system to insure its operational reliability and optimum performance. Only qualified service personnel should test. Test as frequently as, and in accordance with, NFPA 72 Signaling Systems and 72 Detectors.
CAUTION:
If the System is connected to the Fire Department, or activates an external system (for example, a leased line connection), disarm the outputs before servicing to prevent activation. Notify persons in the building(s) that you are conducting a System test so that they can ignore any alarms that sound during testing. Be sure to reset the System at the end of the inspection.
Activate a detector or other alarm initiating device. To activate a detector (ion or photoelectric) or to test for GO/NO GO operation, use SIEMENS Test Gas, P/N 315-282747.
Activate a thermal detector by usingan electric heat gun (See NFPA 72 Detectors). Refer tothe detector Installation and Wiring Instructions for moretesting information. Check the operation of each detector/alarm initiating device on all circuits. Measure the sensitivity of each detector using the appropriate sensitivity tester (where applicable).
Check that all audibles sound, that the System alarm LED lights, and that the audible devices can be silenced. Check that the proper zone lamp responds. Reset the System. Check that the System LEDs and audibles activate when the Reset switch is moved momentarily to the RESET position.
After completing the test, return all switches to Normal position.
TROUBLESHOOTING THE CP-35
A system trouble condition may result from any of the following conditions.
- Module placement loop open
a. Check for 24 VDC with respect to system common (terminal 6 of the power supply) at terminal 41 of the CP-35.
b. With no voltage present at terminal 41, check that all modules are in place and that the ten wire cable connectors are both present and well seated on each module connector. - Trouble condition from a supervised zone, audible alarm, or associated module from which a trouble signal may be produced
a. Observe visual trouble indication on individual modules.
b. If present, proceed to correct that individual fault condition. - Ground fault connection
a. Observe that the visual ground fault indicator is lit.
b. Normal voltage between chassis ground and system common (terminal 6 of power supply) should read approximately 7.5 to 8 VDC.
c. A higher voltage reading indicates a ground with respect to the positive voltage supply source.
d. A lower voltage reading indicates a ground with respect to the common or minus voltage supply source. - Auxiliary power output terminals (5 and 6) of the power supply not energized
a. Normal voltage value should be the supply voltage value (approximately 24 VDC).
b. With no voltage present, check fuse 3 of the power supply. - Loss of 120 VAC trouble supply input to the power supply (terminals 3 and 2 of the power supply)
a. Check incoming supply voltage.
b. With voltage present at terminals 3 and 2 of power supply, read voltage at P1, pin 5 with respect to terminal 2. With no voltage reading (120 VAC) present, check F1 fuse within the power supply unit. - Loss of 120 VAC main supply input to power supply (terminals 1 and 2 of power supply). (When emergency power is provided with the BC-35, the CP-35 Control Panel power indicator flashes repeatedly.) When no emergency power is provided, all visual indicators are turned off and only a change of state of trouble relay 2K/4 results.
a. Check incoming supply voltage.
b. With voltage present at terminals 1 and 2 of the power supply, check circuitbreaker CB1 by depressing the reset button and/or F2 fuse within the power supply unit. - Battery charger/transfer module fault (when used)
a. Observe visual trouble indication on the BC-35 module.
b. See individual BC-35 Installation Instructions for possible trouble conditions. - Key operated remote alarm station (RA-38/RTA-38, when used) silence switch not in normal open condition (Includes possible low resistance value between outgoing lines, terminals 30 and 31 of the CP-35).
a. Normal reading should be 11.5 to 12 VDC.
b. For lower voltage value readings, check station or lines for possible shunted condition. - Loss of 12 VDC logic supply
a. With terminals 30 and 31 of the CP-35 open, measure 11.5 to 12 VDC across these terminals.
b. With no low voltage present at terminals 30 and 31 of the CP-35, check that interconnecting pin 34 connection between the main PC board and the secondary PC board of the CP-35 is securely in place.
NOTE: Make certain that plug connection is replaced in the correct pin to pin sequence.
(Arrow marking on the plug connections going to pin1.) - Supervision of alarm relay coil (1K/4) open circuits.
Operation of the relay by placing the Control Panel in alarm condition indicates that coil winding is intact. (Before placing panel in alarm condition, make certain that any, and all, unwanted outgoing alarm signal connections are disconnected.)
Technical Manuals Online! – http://www.tech-man.com
firealarmresources.com
Siemens Building Technologies, Inc.
8 Fernwood Road
Florham Park, New Jersey 07932
Siemens Building Technologies, Ltd.
2 Kenview Boulevard
Brampton, Ontario L6T 5E4 CN
firealarmresources.com


















