JASCO 54559 WiFi In Wall Toggle Smart Switch

DIMENSIONS

Specifications
- Power: 120VAC, 60Hz Signal Frequency: 2.4GHz
- Maximum Load: 960W Incandescent, 1/2 HP Motor 1800W (15A Resistive)
- Range: Up to 100 feet from router
- Operating Temperature: 32-104° F (0-40° C)
- Warranty: 5-year limited product warranty
- Requires neutral wire. Switch must be mounted indoors
Design Features
- QuickFit™ – Improved components reduce the housing depth by up to 20 percent compared to previous Wi-Fi models and eliminated the need for heat tabs
- SimpleWire™ – Auto line-load sensing terminals support fast installation by detecting line and load wires and configuring the switch accordingly. Dual ground ports, which are offset to avoid switch box mounting screws, support daisy-chaining in multi-switch setups
- Turn the connected device On/Off manually or with the JascoPro™ Series App
- May be used in single pole installation or with up to four Jasco model 46560 Add-on switches in 3 or 4-way connections, or can be connected with the existing 3-way switch.
- Works with all LED, CFL, halogen and incandescent bulbs
- Blue LED indicates automatic or manual paring mode status. Also indicates switch location in a dark room(with 4 adjustable settings)
- Can be included in multiple Groups, Scenes and automation
- Double-tap and triple-tap scene activation directly from device
- Screw Terminal installation; requires wiring connections for Line (Hot), Load, Neutral, and Ground. Traveler wire required for multi pole installation
- Uses a standard decora wall plate (wall plate not included)
- LED status can be inverted manually changed to invert, always OFF and always ON
- Inline traveler circuit protection
Installation Recommendations
- Insert wire into port and tighten screw. Do not wrap wire around screw
- Indoor use only
- Wallplates sold separately
- Trilingual Instruction manual – (English, French, Spanish)
PRODUCT SPECIFICATIONS
Single Location Wiring

Space-Saving Screw Terminals

Multi-Location Wiring

WARNING – SHOCK HAZARD
Turn OFF the power to the branch circuit for the switch and lighting fixture at the service panel. Al wiring connections must be made with the power OFF to avoid personal injury and damage to the Switch. This device is intended for installation in accordance with the National Electric Code and local regulations in the United States or the Canadian Electrical Code and local regulations in Canada. If you are unsure or uncomfortable about performing this installation, consult a qualified electrician.
Thank you for your purchase Instructions made easy Read instructions or watch easy-tofollow video.

Scan code or visit byJasco.corn/64559I
Register your product
Receive exclusive deals and register your product.

For additional JascoPro Series products. visit our website, www.byJasco.com.

Like our product?
Leave a review on your favorite retailer website or amazon.com.
Having Problems?
Let us know how we can help. Call 1-800-654•8483 between 7 AM·BPM, M-F, Central Time.
INSTALL THE APP
Remotely operate your smart switch with the easy-to-use JascoPro Series app. Follow the available instructions and resources to set u p your smart device

NOTE: If the LED is not flashing, ensure the air gap switch is all the way to the left. Press the programming button for five seconds to reset the device and start the pairing process. If the LED is still not flashing, tum off power at the circuit breaker or fuse box, remove switch and check wire connections.
SPECIFICATIONS
IMPORTANT WFD4002
- Voltage: 120VAC, 60Hz
- Incandescent: 960W
- Resistive: 1800W (15A)
- Motor: 1/2HP
- Operating Control Type 1.B Action
- Pollution Degree 2 IP20
- Rated Impulse Voltage 2500V
- Software Class A
- Specifications subject to change without notice due to continui ng product improvement
FEATURES
IMPORTANT! The fixture controlled by the Wi-Fi smart switch must not exceed switch ratings.
Get to you know your Wi-Fi smart switch
- Turn ON/OFF manually or through the JascoPro Seri es a pp
- Compatible with Amazon Alexa and Google Home
- Auto-detect line/load terminals May be used in single-pole installation or 3-way wiring configurations
- Compatible with all LED, CFL, incandescent and halogen lights
- Uses a standard, toggle wal l plate for single-gang installations (wallplate not included)
- Screw terminal installation – requires wiring connections for line (hot), load, neutral and ground. Traveler wi re required for 3-way installation

- A. Ground (green/bare)
- B. Line or load (black)
- C. Li ne or load (black)
- D. Traveler (red/other)
- E. Neutra l (white)
- F. Up – press & release to tu rn switch ON
- G. Down – press & release to turn switch OFF
- H . Programming button press for five seconds to enter pairing mode or restore factory settings
- I. Air gap switch – sl ide the air gap switch ri ght to disconnect the power. Move it to the left for normal operation
REMOVE SINGLE-POLE SWITCH

- Shut off power to the circuit at the circuit breaker or fuse box.
IMPORTANT! Verify power to switch box is OFF before continuing. - Remove wall plate.
- Remove the switch mounting screws.
- Carefully remove the switch from the switch box DO NOT disconnect the wires.
- Identify the followi nlJ wi res i n the switch box:
- A. Ground – Green/bare
- B. Line (hot) – Black (connected to power)
- C. Load – Black (connected to lighting)
- D. Neutral – White
- Disconnect the wi res from the existi ng switch – label wires accord i ng to the previous terminal connections
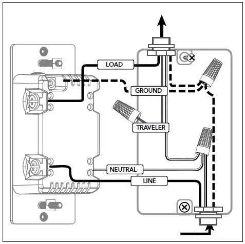
SINGLE-SWITCH WIRING
WIRING REQUIREMENTS
Attach using the enclosure’s holes, strip insulation 5/Sin. (16mm). UL specifies the tightening torque for the screws is 121bf-in (74Kgf-cm).

- Connect green/bare wire to the GROUND terminal.
- Connect the black wire from the light to either LINE/LOAD terminal.
- Connect the black wire from the power source (hot) to the other L I N E/LOAD terminal.
- Connect the white wire to the NEUTRAL terminal – use jumper if necessary.
NOTE: The traveler terminal is only used for multi-switch wiring and is not used in a two-way system (one switch and one load). - Secure the Wi-Fi switch into the switch box with the provided mounting screws – ensure wires are not pinched or crushed.
- Install the wallplate.
- The blue LED backlight flashes twice per second for up to 10 minutes to indicate the device is in pairing mode.
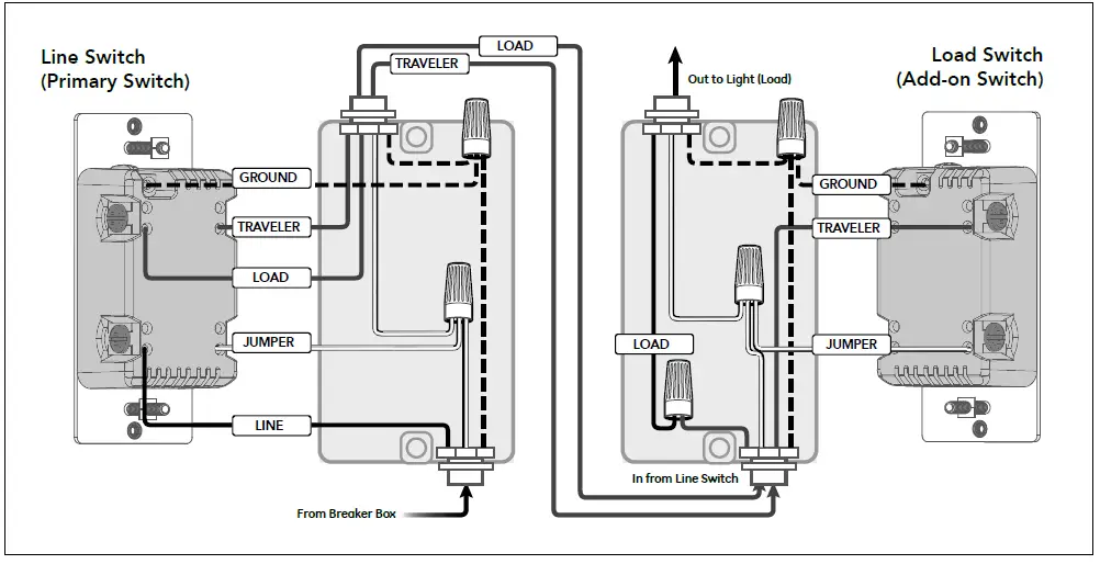
3-WAY SWITCH WI RING
The sma rt device supports standard 3-way switches for ON/OFF control and Enbrighten, Ultra Pro or JascoPro Series add-on switches for ful l smart functions from all locati ons. Below are instructions for installing a standard 3-way switch. See the add-on switch manual for add-on switch installati on i nstructions.
Typical wiring schematic for 3-way installation

Wi-Fi switch on line side with standard 3-way switch

LINE SIDE (WI-Fl SWITCH)
- Shut off power to the circuit at the circuit breaker or fuse box
- Remove line side wallplate
- Remove switch from line side switch box – DO NOT disconnect wires
- Label wire from the power source L I N E
- Label o n e remaining wire traveler 1 – note t h e color of this wire for installation of the 3-way switch
- Label the other remaining wire traveler 2
- Disconnect all wires from the switch
- Connect green/bare wire to the GROUN D terminal
- Connect the line wire to either LINE/LOAD terminal
- Connect the traveler 1 wire to the other L I N E/LOAD terminal
- Connect the traveler 2 wire to the TRAVELER termi nal
- Connect one end of a jumper to the bundle of neutral wires using a wire nut
- Connect the other end of the j u m per to the NEUTRAL terminal
- Secure the Wi-Fi switch into the switch box with the provided mounting screws – ensure wires are not pinched or crushed
- Install the wallplate
- The blue LED backlight twice per second for up to 10 minutes to indicate the device is in pairing mode
LOAD SIDE (3-WAY SWITCH)
- Remove load side wall plate
2. Remove switch from load side switch box – DO NOT disconnect wires
3. Label wire from the light LOAD
4. Label traveler 1 wi re – recall the wire color from the Wi-Fi switch installation - Label traveler 2 wire
- Disconnect all wires from the switch
- Connect green/bare wire to the GROU ND terminal
- Connect the load wire to the traveler 1 wire using a wire nut
- Connect traveler 2 to the LINE (hot) terminal
- Connect one end of a jumper to the bundle of line wires using a wire nut
- Connect the other end of the jumper to the COMMON terminal
- Secure the 3-way switch into the switch box – ensure wires are not pinched or crushed
- Install the wallplate
- Apply power to the fuse box or ci rcu it breaker.
Scan code for alternate 3-way wiring process





















