Evikon E2658-N2O Nitrous Oxide Detector Transmitter

Nitrous Oxide
Nitrous oxide is a colorless non-flammable gas, with a slight metallic scent and taste. It is also known as laughing gas or nitrous.
| Chemical formula | N2O | |
| Molar weight | 44 | |
| Relative gas density (to air) | 1.53 | |
| Conversion | 1 ppm= 1.8 mg/m3 | |
| Boiling point | -88.48 °C | |
| Odor | Slightly sweetish | |
| Hazards | Will support combustion, and may increase the intensity of the fire. Containers may explode when heated. Inhalation causes intense analgesia; concentrations of over 40-60% cause loss of consciousness preceded by hysteria. Contact of liquid with eyes or skin causes frostbite burn. | |
| Exposure limits (ACGIH) | TWA | 25 ppm |
Conversion of ppm to mg/m3 is calculated for 25°C and 1 atm.
Specifications
| Sensor type | Optical (NDIR) |
| Sampling method | Diffusion |
| Typical detection range | 0…1000 ppm |
| Max. overload | 2000 ppm |
| Resolution / digital unit | 1 ppm |
| Response time T90 | < 30s |
| Sensor lifetime | > 5 years |
| Calibration interval | 12 months |
| Signal update | Every 1 second |
| Power supply | 12…36 VDC (default), 24 VAC or 230 VAC as options |
| Power consumption | < 2 VA |
| Load resistance | RL < (Us – 2 V) / 22 mA for 4-20 mA RL > 250 kOhm for 0-10 V mode |
| Digital interface | RS485, Modbus RTU protocol |
| Cable connections | Screwless spring-loaded terminals |
| Analog outputs | 2 × 4-20 mA / 0-10 V, user settable |
| Outputs assignment | OUT1 2 gas; OUT2 2 gas |
| Output scale width | > 10 × resolution Recommended: 20-100% of the detection range |
| Enclosure | Diecast aluminum, wall mount, protection class IP66 |
| Dimensions | H80 × W125 × D57 / H80 × W175 × D80 mm |
| Protection | Flameproof, ATEX: II 2 GD, Ex ed IIC T4 Gb |
|
CE marking | According to 2014/30/EU and 2014/34/EU, EN 61000-6-3:2020, EN 61326-1:2013 (EMC, Emissions) EN 61000-6-1:2019, EN 61000-6-2:2019, EN 61326-2-1:2013 (EMC, Immunity) EN 60079-0:2018, EN 60079-1:2014, EN 60079-31:2014, EN 60079-29-1:2016, EN 60079-29-2:2015, EN 60079-29-3:2014 |
|
Operating conditions | -20 °C to +50 °C 0 to 95% RH non-condensing; 0,9…1,1 atm; Explosion-safe areas Non-aggressive atmosphere NOTE! The sensor may exhibit sensitivity to CO2 |
| Relay option | |
| Relay outputs | 2 × SPST, max 5 A, 30 VDC / 250 VAC |
| Default alarm setpoints (set/release) | RE1 (LOW): 50/40 ppm RE2 (HIGH): 100/80 ppm Determined by the user within 5-95% of the detection range |
Product Description
E2658 is a series of flameproof gas detectors-transmitters intended for operation in safe zones and ATEX Zones 2 and 22. E2658 series devices are based on the PluraSens® multifunctional platform and provide all its features. The instruments utilize gas sensors of various types with excellent repeatability, stability, and long lifetime. The E2658 series provides two independent analog outputs OUT1 and OUT2, user-selectable to 4-20 mA or 0-10 V, proportional to gas concentrations. RS485 Modbus RTU digital communication interface allows easy instrument configuration and integration into various automation systems. The following features are available as an option:
- Two relays RE1 and RE2 with closing contacts. Relay outputs can be used to switch alarm sirens, ventilation fans, shut-off valves, or other actuators,
- 24 VAC or 230 VAC as options for power supply
The version of your detector is marked on the package. If the symbol is marked on the equipment, consult the documentation for further information.
Safety requirements
Misuse will impair the protection of the product. Always adhere to the safety provisions applicable in the country of use. Do not perform any maintenance operation with the power on. Do not let water or foreign objects inside the device. Removal of the PCB from the enclosure voids the warranty. Do not touch the electronic components directly, as they are sensitive to static electricity. Connection diagrams can be found in the electrical connections section. The device might not perform correctly or be damaged if the wrong power supply is connected. It is crucial to tighten properly all the thread connections (screws, cable glands). Use ATEX-certified armored cables or cable conduits that are rated for use in the desired environment. A disconnecting device that is marked as such and easily accessible should be included in the installation of this product. The device should be properly earthed.
Operating conditions
The device should be used in a basic electromagnetic environment, where the latter is defined in EN 61326-1. Avoid strong mechanical shock and vibrations. Although E2658 series devices are suitable for use in the presence of flammable dust, special precautions should be taken when operating in a dusty environment. Dust may block the porous filter of the sensor and compromise the results of the measurement. The detector should be inspected regularly if used in a dusty atmosphere. Keep the instrument away from direct sunlight. A sudden temperature or humidity change might affect the sensitivity of the sensor. Make sure that installation and maintenance are performed in an explosion safe atmosphere.
Installation guidelines
Before proceeding with the installation it is mandatory to read the Safety requirements section and make sure to comply with all listed instructions. Installation standards EN 60079-29-2 and EN 45544-4 are also recommended for further instructions and related information about the installation. During the installation of the detector-transmitter, the following points must be considered:
- Application (air quality control or leakage detection.)
- Properties of the space under investigation (room geometry, direction, and velocity of airflows, etc.),
- Nitrous oxide is heavier than air. The recommended location is close to or below the potential leakage source.
- The device should be accessible for maintenance and repair
The aforementioned conditions above will affect the coverage area of the device. However, the coverage area for a detector-transmitter is usually between 2.5 to 5 meters radius. For early leakage detection, install the sensor as close as possible to the potential leakage sources (flanges, valves, pressure reducers, pumps, etc.), taking into consideration other points listed above. For general area monitoring without definite leakage sources, the detectors should be distributed evenly in the room. For personal safety control, the detectors are installed in the breathing zone (at the height of the head of people or animals). The recommended sensor position is vertical, pointing downwards. The device is fixed on the wall using two fixing holes located outside the sealed area of the device (see dimensional drawing). Unscrew four lid screws and detach the lid from the detector. Fix the detector on the wall and earth the enclosure using an earthing terminal on the side of the device.
NOTE! Never perform installation or maintenance in an explosive atmosphere!
Mounting dimensions

Front view
Bottom view
Sensor probe handling
The sensor probes of all types are equipped with a hydrophobic microporous PTFE filter to protect the sensor from dust, dirt, and water drops. The filter should be replaced if it gets strongly contaminated. To replace the PTFE filter, unscrew the sensor head cap and remove the old filter. Place a new filter into the cap and tighten it again.
NOTE! Never stab or press the filter near its center where the sensor is located since this may damage the sensor. Do not remove the filter as it may cause the device to show incorrect values and/or break the sensor. The recommended orientation of the sensor probe is vertical with the sensor tip pointing downwards. This prevents the possible accumulation of condensed water on the sensor protection filter.
Gas sensor replacement procedures
- Remove the sensor head cap from the device,
- Remove the PTFE filter (if it is not removed within the cap),
- Remove the O-ring rubber,
- Detach the NDIR sensor from the device,
- Insert the new NDIR sensor inside,
- Put back the O-ring rubber, PTFE filter, and the head cap, respectively.
Electrical connections
Unscrew four lid screws and detach the lid from the device. Use the M25 cable gland to let in the cables of the power supply and of the external devices. Without turning on the power, plug the power cable, and connect the analog/relay outputs and/or digital interface terminals to the necessary devices according to the relevant connection diagram.
- Version with PSU and relays
- Version with PSU and without relays

- Version without PSU and with relays
- Version without PSU and relays
| Jumpers | |
| J1 | OUT1 type (open: 4-20 mA; closed 0-10 V) |
| J2 | OUT2 type (open: 4-20 mA; closed 0-10 V) |
| X6 | Reset Modbus network parameters to default |
| X4 terminals | |
| OUT1 | 4-20 mA / 0-10 V output |
| OUT2 | 4-20 mA / 0-10 V output |
| 0V | 0 V / 24 VAC Neutral (optional) |
| A | RS485 A / Data + |
| B | RS485 B / Data – |
| +U | +24 VDC / 24 VAC Phase (optional) |
| X5 terminals (optional) | |
| L | 90…265 VAC Phase |
| N | 90…265 VAC Neutral |
| RE1 NO | Relay 1, normally open terminal |
| RE1 COM | Relay 1, common terminal |
| RE2 NO | Relay 2, normally open terminal |
| RE2 COM | Relay 2, common terminal |
The screwless quick connect spring terminals on the E2658 series devices are suitable for a wide range of wires with cross-section 0,5…1,5 mm2 . We recommend striping the wire end by 8…9 mm and using the wire end sleeves. To connect the wire, insert the wire end into the terminal hole. To disconnect, push the spring-loaded terminal lever, pull the wire out, and release the lever. Use a twisted-pair cable, e.g. LiYY TP 2×2×0.5 mm2 or CAT 5, to connect the device to the RS485 network. A and B on the device represent DATA+ and DATA- respectively, polarity must be respected when connecting to an external RS485 network. Both analog outputs can be independently changed between 4-20 mA and 0-10 V type using jumpers J1 (OUT1) and J2 (OUT2). By closing pins on a specific jumper the related output is 0-10 V, with an open jumper the output is 4-20 mA. Power restart is required after changing the position of the jumpers.
NOTE! The outputs are not galvanically isolated from the external power supply and share a common 0V. Allowed load resistance limits are stated in the Specifications table. To power the instrument from an external power source, connect terminals 0V and +U to the source. If the integrated mains power supply module is used, connect terminals L and N to the mains.
NOTE! Actuator short-circuits should be avoided, to protect the instrument relays using external fuses or safety switches.
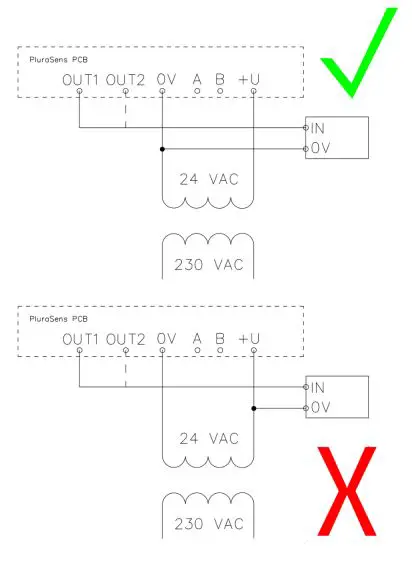
Correct and incorrect cabling for 24 VAC
Operation
Turn on the power. The instrument warm-up time takes about 1 minute after switching on and the final sensor stabilization time to maximum accuracy takes about 5 minutes. The operating status is indicated by the LED on the PCB of the device. The control LED (red) response to different processes is presented in the following table:
| Mode | LED mode |
| During calibration mode or sensor heating period (if activated) | 0.5 Hz (50% on, 50% off) |
| Relay 1 turned on | Blinking 1 Hz (50% on, 50% off) |
| Relay 2 turned on | Blinking 2 Hz (50% on, 50% off) |
| During the Modbus communication cycle | Short on-off pulses |
| Normal operating/measurement | Continuously on or off |
Make sure that the detector-transmitter is properly mounted, the external devices connected, the power LED (green) on, and the control LED (red) is constantly lit. Place the lid back and fix it with the screws. The device is ready to use.
Maintenance
Do not perform any maintenance operation with the power on. Clean the device with a soft damp cloth. Do not use any abrasive cleaning agents. Do not immerse the device in water or any cleaning media.
Calibration
E2658-N2O detector-transmitters have been calibrated by the Manufacturer with standard gas mixtures before delivery. Provided that the sensor is used under moderate conditions, field recalibration is recommended every 12 months. Please contact your dealer for more information.
Delivery set
- Detector-transmitter E2658
- Mounting accessories:
- 2 screws with plastic dowels
Order code for E2658-N2O options
| E2658 options | Order code |
| Integrated 90…265 V mains power supply module | E2658-N2O-230 |
| Integrated 24 VAC power supply module | E2658-N2O-24VAC |
| Two SPST relays | E2658-N2O-R |
Configuring
A standard configuration kit includes a USB-RS485 converter, fixed flow regulator, gas tubing with applicators, and a software pack. Please contact your Seller for more information.
Detectors- transmitters E2658 share all functionalities of the PluraSens® multifunctional platform. The features and options include:
- Digital output change rate-limiting filter
- Digital integrating (averaging) filter
- Free assignment of each analog output to the chosen parameter
- Flexible setting of analog output scales for each output
- Output zero and slope adjustment for calibration
- Free assignment of each of two relays to the chosen parameter
- Several relay control logic modes
- Switch delays and minimum on/off state durations for each relay
The output scales can be changed by Modbus commands by using the configuration software and the standard configuration kit (see Modbus RTU Communication).
Return to default settings
To reset the device’s Slave ID, baud rate, and stop bit numbers to factory settings, proceed as follows:
- De-energize the device
- Connect the X6 jumper
- Turn on the device
- De-energize the device
- Disconnect the X6 jumper
- Turn on the device
Modbus RTU Communication
RS485 communication interface
- Databits: 8
- Parity: none / odd / even
- Stop bits: 1 or 2
- Protocol: Modbus RTU
Supported Modbus functions:
- 03 – Read multiple registers
- 06 – Write a single register
Communication parameters
| Parameter | Permitted values | Default |
| Supported baud rates | 1200, 2400, 4800, 9600, 19200, 38400, 57600 | 9600 |
| Data bits | 8 | 8 |
| Parity | none / odd / even | none |
| Stop bits | 1, 2 | 1 |
| Protocol | Modbus RTU | |
| Modbus functions | 03 – Read multiple registers 06 – Write a single register | |
|
Error codes | 01 – Illegal function 02 – Illegal data address 03 – Illegal data value 04 – Slave device failure (details of last error 04 can be read from register 0x0008) | |
Modbus holding registers
Register addresses are shown 0-based, Address in hexadecimal, Reg in decimal format. Modbus holding register numbers MHR are shown in the decimal 1-based format and may be addressed either from 00001 or 40001 bases.
| Address | Reg / MHR | RW | Description | Supported values (dec) | Default |
| 0x0001 | 1 / 40002 | R | Hardware version | – | |
| 0x0002 | 2 / 40003 | R | Software version | – | |
| 0x0003 | 3 / 40004 | R | Product serial number | 1…65535 | – |
| 0x0004 | 4 / 40005 | RW | Slave ID (net address) * | 1…247 ** | 1 |
| 0x0005 | 5 / 40006 | RW | Baud rate * | 1200, 2400, 4800, 9600, 19200, 38400, 57600 | 9600 |
| 0x0006 | 6 / 40007 | RW | Response delay, ms | 1…255 | 10 |
|
0x0007 |
7 / 40008 |
RW |
Stop bits, parity bit * | 1 – No parity bit, 1 stop bit (default after factory reset) 2 – No parity bit, 2 stop bits 3 – Odd parity, 1 stop bit 4 – Even parity, 1 stop bit NOTE: 3 and 4 are available starting from the Software version 0x218 (dec. 536) |
1 |
| 0x0008 | 8 /40009 | R | Last error code | 1…255 | – |
| 0x0011 | 17 / 40018 | RW | Technological: age of last data in seconds (read) / restart (write) | 0…65535 s (read), writing 42330 restarts the instrument | – |
| 0x00A5 | 165 / 40166 | RW | Zero adjustments for gas data, ADC | -32000…+32000 ADC units | 0 |
| 0x00A6 | 166 / 40167 | RW | Slope adjustment for gas data | 1…65535 | 512 |
| 0x00A7 | 167 / 40168 | RW | The change rate limit for gas units / s | 1…32000, 0 – no limit | 0 |
| 0x00A8 | 168 / 40169 | RW | Integrating filter time constant, s | 1…32000 (seconds), 0 – no filter | 0 |
| Address | Reg / MHR | RW | Description | Supported values (dec) | Default |
| 0x00C9 | 201 / 40202 | RW | Parameter tied to analog output 1 | ![]() 0 – None 2 – Gas concentration 9 – Forced Modbus control, value set in MHR / 40204 | 2 |
| 0x00CA | 202 / 40203 | RW | Parameter tied to analog output 2 | ![]() 0 – None 2 – Gas concentration 9 – Forced Modbus control, value set in MHR / 40205 | 2 |
| 0x00CB | 203 / 40204 | RW | Forced value for analog output 1*** | 0…1000 (0.0%…. 100.0% of output scale) | 0 |
| 0x00CC | 204 / 40205 | RW | Forced value for analog output 2*** | 0…1000 (0.0%…. 100.0% of output scale) | 0 |
| 0x00D3 | 211 / 40212 | RW | Parameter tied to relay RE1 | 0 –none 2 – gas concentration 9 – control by Modbus control, state set in MHR / 40214 | 2 |
|
0x00D4 | 212 / 40213 |
RW | Parameter tied to relay RE2 | 0 – none 2 – gas concentration 9- – control by Modbus control, state set in MHR / 40215 |
2 |
| 0x00D5 | 213 / 40214 | RW | Forced state for relay RE1*** | 0 –off, 1 – on | 0 |
| 0x00D6 | 214/ 40215 | RW | Forced state for relay RE2*** | 0 – off, 1 – on | 0 |
| 0x00D7 | 215 / 40216 | RW | Switching delay for relay RE1 | 0…1000 (s) | 0 |
| 0x00D8 | 216 / 40217 | RW | Switching delay for relay RE2 | 0…1000 (s) | 0 |
| 0x00D9 | 217 / 40218 | RW | Minimal on/off time for relay RE1 | 0…1000 (s) | 0 |
| 0x00DA | 218 / 40219 | RW | Minimal on/off time for relay RE2 | 0…1000 (s) | 0 |
| Address | Reg / MHR | RW | Description | Supported values (dec) | Default |
| 0x00DB | 219 / 40220 | RW | Control logic for relay RE1 | 0 – none 1 – relay on at high values 2 – relay on at low values | 0 |
| 3 – relay on at values | |||||
| within the range | |||||
| 4 – relay on for the values | |||||
| out of the range | |||||
| 0x00DC | 220 / 40221 | RW | Control logic for relay RE2 | 0 – none 1 – relay on at high values 2 – relay on at low values | 0 |
| 3 – relay on at values | |||||
| within the range | |||||
| 4 – relay on for the values | |||||
| out of the range |
| 0x00DD | 221 / 40222 | RW | LOW setpoint for relay RE1 | 0…65535 (gas units) | see Specifications |
| 0x00DE | 222 / 40223 | RW | HIGH setpoint for relay RE1 | 0…65535 (gas units) | see Specifications |
| 0x00DF | 223 / 40224 | RW | LOW setpoint for relay RE2 | 0…65535 (gas units) | see Specifications |
| 0x00E0 | 224 / 40225 | RW | HIGH setpoint for relay RE2 | 0…65535 (gas units) | see Specifications |
| Address | Reg / MHR | RW | Description | Supported values (dec) | Default |
|
0x00FF |
255 / 40256 |
RW |
Sensor, analog outputs, LED and buzzer status | bit[0]=0/1 – sensor present/absent, RO bit[1]=0/1 – analog outputs deactivated/activated bit[2]=0/1 – in case the sensor is absent, turn signaling off/on analog output1 bit[3]=0/1 – in case the sensor is absent, turn on signaling with low current/high current on analog output1; if bit[2]=0 this bit will be ignored bit[4]=0/1 – in case of sensor absent, turn signaling off/on analog output2 bit[5]=0/1 – in case of sensor absent, turn on signaling with low current/high current on analog output2; if bit[4]==0 this bit will be ignored bit[6]=0/1 – current/voltage output detected on output1, RO bit[7]=0/1 – current/voltage output detected on output2, RO bit[8]=0/1 – LED deactivated/activated bit[9]=0/1 – buzzer deactivated/activated bit[10]=0/1 – LED is on/off in normal condition |
user defined |
The new value is applied after restart. Broadcast slave ID 0 can be used to assign a new ID to the instrument with an unknown ID. When addressing by ID 0 the device shall be the only Modbus instrument in the network. The device will not respond to the Master command when addressed by ID 0. This value is dynamic and not kept in EEPROM after a restart.
Warranty
This product is warranted to be free from defects in material and workmanship for a period of one year from the date of the original sale. During this warranty period, the Manufacturer will, at its option, either repair or replace a product that proves to be defective. This warranty is void if the product has been operated in conditions outside ranges specified by the Manufacturer or damaged by customer error or negligence or if there has been an unauthorized modification.
Manufacturer contacts
Evikon MCI OÜ
Teaduspargi 7/9, Tartu
50411 Estonia
[email protected]
www.evikon.eu






















