Danfoss iC2-Micro Frequency Converters

Product Information: iC2-Micro Frequency Converters
The iC2-Micro Frequency Converters are AC drives that are designed to provide necessary information to qualified personnel for installation and commissioning. These frequency converters should be used safely and professionally to avoid any risk of death, serious injury, and equipment or property damage. The iC2-Micro Frequency Converters should not be disposed of together with domestic waste that contains electrical components. Instead, they should be collected separately according to local and currently valid legislation.
Safety Instructions
It is essential to pay particular attention to the safety instructions and general warnings while using the iC2-Micro Frequency Converters. They contain high voltage when connected to AC mains input, DC supply, or load sharing. Leakage currents of the drive exceed 3.5 mA, so ensure that the minimum size of the ground conductor complies with the local safety regulations for high touch current equipment.
Installation Instructions
The following are the installation instructions for the iC2-Micro Frequency Converters:
Mechanical Dimensions
The iC2-Micro Frequency Converters come in different enclosure sizes and have specific mechanical dimensions. Refer to Table 1 for the enclosure size, height, width, depth, and maximum weight of each frequency converter.
Connecting to Mains and Motor
The iC2-Micro Frequency Converters should be connected to mains and motor as follows:
- The potentiometer on the local control panel extends 6.5 mm (0.26 in) from the drive.
- Refer to Table 1 for connecting terminals for load sharing and brake.
- Illustration 1 shows how to mount the ground cable, mains, and motor wires.
- Voltage levels of up to 850 V DC may occur between terminals +UDC/+BR and -UDC, which are not short-circuit protected.
Control Terminals
Illustration 3 provides an overview of control terminals in PNP-configuration with factory setting (speed control mode).
RJ45 Port and RS485 Termination Switch
The iC2-Micro Frequency Converters have an RJ45 port that complies with Modbus 485 protocol. Refer to the user manual for instructions on how to use the RJ45 port and RS485 termination switch.
Usage Instructions
Follow the below instructions while using the iC2-Micro
Frequency Converters:
- Read and follow the instructions provided in the user manual carefully.
- Use the frequency converters safely and professionally to avoid any risk of death, serious injury, and equipment or property damage.
- Do not dispose of equipment containing electrical components together with domestic waste.
- Connect the frequency converters to mains and motor according to the instructions provided in the user manual.
- Refer to Table 1 for connecting terminals for load sharing and brake.
- Mount the ground cable, mains, and motor wires according to Illustration 1.
- Ensure that the minimum size of the ground conductor complies with the local safety regulations for high touch current equipment.
- Refer to Illustration 3 for an overview of control terminals in PNP-configuration with factory setting (speed control mode).
- Refer to the user manual for instructions on how to use the RJ45 port and RS485 termination switch.
Introduction
This operating guide provides necessary information for qualied personnel to install and commission the AC drive. Read and follow the instructions to use the drive safely and professionally.
- Do not dispose of equipment containing electrical components together with domestic waste.
- Collect it separately in accordance with local and currently valid legislation.
Safety
Pay particular attention to the safety instructions and general warnings to avoid the risk of death, serious injury, and equipment or property damage.
WARNING
- HIGH VOLTAGE
AC drives contain high voltage when connected to AC mains input, DC supply, or load sharing. - UNINTENDED START
The motor may start from control panel, I/O inputs, eldbus, or MyDrive® Insight at any time, when the drive is connected to the AC mains, DC supply, or load sharing. - DISCHARGE TIME
The drive contains DC-link capacitors, which can remain charged even when the drive is not powered. High voltage can be present even when the warning indicator lights are o.- Stop the motor, disconnect AC mains and permanent magnet type motors, and remove DC-link supplies, including battery backups, UPS, and DC-link connections to other drives.
- Wait for the capacitors to discharge fully and measure it before performing any service or repair work.
- The minimum waiting time is 4 minutes for MA01c, MA02c, MA01a, MA02a, and MA03a drives, and 15 minutes for MA04a and MA05a drives.
- LEAKAGE CURRENT
Leakage currents of the drive exceed 3.5 mA. Make sure that the minimum size of the ground conductor complies with the local safety regulations for high touch current equipment.
Installation
Mechanical Dimension
Note:
- Including decoupling plate.
- The potentiometer on the local control panel extends 6.5 mm (0.26 in) from the drive.
- Not including decoupling plate.
Connecting to Mains and Motor
- Mount the ground wires to the PE terminal.
- Connect motor to terminals U, V, and W.
- Mount mains supply to terminals L1/L, L2, and L3/N (3-phase) or L1/L and L3/N (single-phase) and tighten.
- For required maximum screwing torque, see the back of terminal cover.
Load Sharing/Brake


- For MA01a, MA02a, and MA03a drives, wire with recommended connector (Ultra- Pod Fully Insulated FASTON Receptacles and Tabs, 521366-2, TE connectivity).
- For other enclosure sizes, mount the wires to the related terminal and tighten. For required maximum screwing torque, see the back of the terminal cover.
- For more details, contact Danfoss or refer to the drive’s design guide.
NOTICE
Voltage levels of up to 850 V DC may occur between terminals +UDC/+BR and -UDC. Not short-circuit protected.
Control Terminals
- All control cable terminals are located underneath the terminal cover in front of the drive.
- See the back of the terminal cover for outlines of control terminals and switches.

NOTICE
Remove the terminal cover with a screwdriver, see illustration 2.
RJ45 Port and RS485 Termination Switch
The drive has an RJ45 port which complies with Modbus 485 protocol.
The RJ45 port is used for connecting:
- External control panel (Control Panel 2.0 OP2).
- PC tool (MyDrive® Insight) via an adapter option.(1)
- Offine configuration tool for parameter settings when the drive is not powered on.(1)
Note: (1) The tool is not available currently
NOTICE
- The RJ45 port supports up to 3 m (9.8 ft) of shielded CAT5e cable which is NOT used to directly connect the drive to a PC. Failure to follow this notice causes damage to the PC.
- RS485 termination switch should be set to ON if the drive is at the end of the eldbus.
- Do not operate RS485 termination switch when the drive is powered on.
Programming
Control Panel


Operation with Control Panel
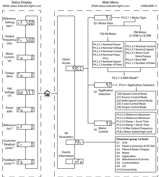
After the drive is powered up, press the Home/Menu key to toggle between status display and main menu.
Use the Up/Down keys to select items, and press the OK key to confirm selection

Note:
- Local mode only.
- Remote mode only.
- The status is only shown when the corresponding function is enabled.
- For AMA execution, refer to chapter Automatic Motor Adaptation (AMA). If parameter P5.4.3 Motor Control Principle is set as [0] U/f, no need to execute AMA.
Automatic Motor Adaptation (AMA)
- Via running AMA in VVC+ mode, the drive builds a mathematical model of the motor to optimize compati- bility between drive and motor, and thus enhances the motor control performance.
- Some motors may be unable to run the complete version of the test. In that case, select [2] Enable Reduced AMA in parameter P4.2.1.3 AMA Mode.
- AMA completes within 5 minutes. For best results, run the following procedure on a cold motor.
Procedure:
- Set motor data according to the motor nameplate.
- If needed, set motor cable length in parameter P4.2.1.4 Motor Cable Length.
- Set [1] Enable Complete AMA or [2] Enable Reduced AMA for parameter P4.2.1.3 AMA Mode, the main display shows To start AMA, see illustration 7.
- Press the Start key, the test runs automatically and the main display indicates when it is completed.
- When AMA is completed, press any key to exit and return to normal operation mode.

Troubleshooting
Table 6: Warning and Fault Events Summary

Note: (1) These faults may be caused by mains distortions. Installing a Danfoss line lter may rectify this problem.
Specifications


Ambient Conditions
Mounting Clearance

EMC Compatibility and Motor Cable Length
Based on different EMC filter types, the drive has 2 variants:
(1) Drive with built-in EMC filter. (2) Drive with non built-in EMC filter

- Drive with built-in EMC filter fulfills radiated emission C2 limits.
- Drive with non built-in EMC filter fulfills conducted/radiated emission C4 requirements.
- The drive is designed to operate with optimum performance within the maximum motor cable lengths defined in Table 12 Maximum Motor Cable Length.
Fuses and Circuit Breakers
Accessories and Spare Parts
Technical Documentation
Scan the QR code to access more technical documents for the drive. Or, after scanning the QR code, click Global English on the website to select your local region’s website, search iC2 to and the documents in your own languages 
Danfoss A/S
Ulsnaes 1
DK-6300 Graasten
drives.danfoss.com
Danfoss can accept no responsibility for possible errors in catalogs, brochures, and other printed material. Danfoss reserves the right to alter its products without notice. This also applies to products already on order provided that such alterations can be made without subsequential changes being necessary in specifications already agreed. All trademarks in this material are property of the respective companies. Danfoss and the Danfoss logotype are trademarks of Danfoss A/S. All rights reserved.
Danfoss A/S © 2023.05




















