User Manual
Earth Ground Resistance Tester Kit
Model 382252

Additional User Manual Translations available at www.extech.com
Introduction
Congratulations on your purchase of the Extech 382252 Earth Ground Resistance Tester Kit. This device can measure Earth Ground Resistance (in 3 ranges), Earth Voltage and Resistance (up to 200kand AC and DC voltage. This device was designed to meet EN61010-1 safety standards. Careful care and use of this meter will provide years of reliable service.
Safety
Please read the following safety information carefully before attempting to operate the meter and use the meter only as specified in this manual.
Environmental safety information
- Do not use meter outdoors when precipitation is likely
- Installation Category III
- Pollution degree 2
- Altitude: 2000 meters max.
- Ambient conditions: 32 to 104oF (0 to 40oC); RH: 80% max
- Observe the following international safety warning symbols
Safety Symbols
Caution: Refer to this manual before using this meter
Dangerous Voltages
Meter is protected throughout by double or reinforced insulation
Organizations that provide rules and guidelines for proper grounding
- The National Electrical Code (NEC)
- Underwriters Laboratories (UL)
- National Fire Protection Association (NFPA)
- American National Standards Institute (ANSI)
- Occupational Safety Health Administration (OSHA)
- Telecommunications Industry Standard (TIA)
Meter Description

- Digital Display See Display Description below
- HOLD key Freezes measurement value on display
- Zero ADJ control- Adjusts Zero value on display
- Backlight key Turns on Backlight
- TEST key Enables Earth Resistance and Earth Voltage Tests
- Function Selector switch Selects desired range and function
Top View

- VC Input (Red)
- P Input (Yellow)
- COM / E Input (Green)
Display Description

- Test status Icon
- Battery Charge indicator
- Voltage Unit indicator
- Audible Signal Icon
- Ω/kΩ Units Indicators
- Measurement Value
- AC/DC Voltage Indicators
- Low Battery Icon
- HOLD Icon
Operation
ZERO Adjustment of Earth Resistance Ranges
1. Connect the long test leads to the meter as follows:
a. Green lead to the ‘E’ terminal (Green jack)
b. Yellow lead to the ‘P’ terminal (Yellow jack)
c. Red lead to the ‘C’ terminal (Red jack)
2. Set the function selector switch to the desired measurement range. (20, 200, 2000)
3. Short the 3 test leads together by clipping them all to a single earth ground rod.
4. Press the TEST key.
5. Use the 0-Adjust knob to adjust the displayed reading to 000
6. Press to TEST key again to end the Zero adjustment process.
7. Perform this adjustment for each range.
Test Connection Diagram

- 382252 Meter
- Green Test Lead (E)
- Yellow Test Lead (P)
- Red Test Lead (C)
- Existing Ground rod
- P1 Auxiliary Earth Bar
- C1 Auxiliary Earth Bar
Earth Voltage Test
- Set the Function selector switch to the EARTH VOLTAGE position (AC or DC)
- Connect the 2 Voltage test leads to the meter. Connect the black and red leads – connect the black lead to the E (green jack) and connect the Red test lead to the C (Red jack).
- Connect the test leads to the item under test.
- Confirm that the voltage measurement is less than 10V AC; otherwise accurate Earth resistance measurements cannot be made. If voltage is present (higher than 10V AC), the source of the voltage must be found and corrected before testing can continue.
Earth Ground Resistance test
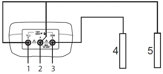
- Connect the 3 test leads to the meter (1) as follows:
• Green lead (2) to the ‘E’ terminal
• Yellow lead (3) to the ‘P’ terminal
• Red lead (4) to the ‘C’ terminal - Drive the Auxiliary Earth Bars P1 (6) & C1 (7) into the ground. Align the bars an equal distance apart to the existing Earth ground rod connection and in a straight line as shown in the diagram above.
If the auxiliary bars are placed in close proximity to the ground stake, measurement inaccuracies will result. (Minimum distance between rods should be no less than 10 feet (3m). - Connect the alligator clip end of the test leads to the Earth bars and existing ground rod connection as shown above:
Green lead (2) to the existing ground rod (5)
Yellow lead (3) to Earth Bar P1 (6)
Red lead (4) to the Earth Bar C1 (7) - Set the meter’s function switch to the desired resistance range. (20, 200, 2000).
- Zero the range as described in the Zero adjustment procedure above.
- Press the TEST button. . The ” ” icon will flash and the audible signal will sound.
- Note the displayed reading.
- If high resistance is detected, note the value and take appropriate steps to correct the ground connection if necessary.
- Press to TEST key to end the test.
- Readings of “1”……. are typical when the test leads are not connected to the meter.
HOLD Function
The Hold function freezes the latest measurement reading on the LCD.
- Press the HOLD key to freeze the reading on the LCD
- Press the HOLD key again to exit the HOLD function.
- The HOLD function does not retain measurement data if the meter is turned off.
Backlight
1. Press the “
” key to turn on the backlight. 2. The backlight will turn off after approximately 15 seconds.
200k Resistance Measurement
1. Connect the red test lead to the V(C) connector and the black test lead to the COM (E) connector.
2. Set the function selector switch to the 200kposition.
3. Connect the test probes to the circuit under test.
4. Note the displayed Resistance value.
AC Voltage Measurement
1. Connect the red test lead to the V(C) connector and the black test lead to the COM (E) connector.
2. Set the function selector switch to the 750V AC position.
3. Connect the test probes to the circuit under test.
4. Note the displayed Voltage value.
DC Voltage Measurement
- Connect the red test lead to the V(C) connector and the black test lead to the COM (E) connector.
- Set the function selector switch to the 1000V DC position.
- Connect the test probes to the circuit under test.
- Note the displayed Voltage value.
Three terminal Ground Resistance Measurement
- Using the Red and Green (1.5m) test leads with the alligator clips, Connect one of the banana jacks of the red test lead to the V(C) connector (Red) and the other to the P (Yellow) connector on the meter.
- Connect the Green test lead (1.5m) with the alligator clip to the COM (E) (Green) connector on the meter.
- Set the function selector switch to the one of the Earth resistance positions. (20, 200, 2000)
- Perform the Zero adjustment as described above.
- Connect the Red and Green test clips to the ground rod or other item to be measured
- Press TEST button. The ” ” icon will flash and the audible signal will sound.
- Note the resistance reading on the display.
- Press the TEST button to stop the test.

Maintenance
Battery Replacement
When the low battery icon ‘ ‘ appears on the LCD, the meter’s batteries must be changed. 1. Remove power and disconnect the test leads from the meter.
2. Remove the tilt stand from the rear of the meter.
3. Remove the 4 battery compartment screws with a Phillips head screwdriver.
4. Remove the battery compartment cover and replace the six 1.5V ‘AA’ batteries.
5. Affix compartment cover and tighten screw.
6. Reattach the tilt stand. You, as the end user, are legally bound (Battery ordinance) to return all used batteries and accumulators; disposal in the household garbage is prohibited!
You can hand over your used batteries/accumulators at collection points in your community or wherever batteries/accumulators are sold! Disposal: Follow the valid legal stipulations in respect of the disposal of the device at the end of its lifecycle
Cleaning and Storage
Periodically wipe the meter’s case with a damp cloth and mild detergent; do not use abrasives or solvents. If the meter is not to be used for a period longer than 60 days, remove the batteries and store them separately.
Specifications
General Specifications
| Measurements | Earth Ground Resistance (in 3 ranges), Earth Voltage, AC Voltage to 750V and DC Voltage to 1000V and resistance. |
| Display | Large LCD with dual display |
| Sampling Time | 2.5 times per second |
| est lead length | Red lead: 50′ (15m), Yellow: 33′ (10m), Green: 16′ (5m) |
| Over-range indication | 1′ displayed as most significant digit |
| Power supply | Six 1.5V ‘AA’ batteries (included) |
| Low battery indication | LCD displays icon |
| Auto Power Off | After approximately 15 minutes of use |
| Safety | EN-61010-1 category III |
| Weight | 700g (24.7oz) with batteries |
| Dimensions | 200 x 92 x 50 mm (7.9 x 3.62 x 2″) |
| Operating Conditions | 0ºC to 40ºC (32ºF to 104ºF), with < 80% RH |
| Storage Conditions | -10ºC to 60ºC (14ºF to 140ºF), with < 70% RH |
Measurement Specifications
| Measurement | Range | Resolution | Accuracy |
| Earth Ground Resistance | 20W | 0.01W | ± (2% reading + 10 digits) |
| 200W | 0.1W | ± (2% reading + 3 digits) | |
| 2000W | 1W | ||
| Earth Voltage Frequency: 40 to 500Hz | 0 to 200VAC | 0.1V | ± (3% reading +3digits) |
| Resistance | 0 to 200kΩ | 0.1kW | ± (1% reading +2 digits) |
| Overload Protection: 250 Vrms | |||
| AC Voltage 40 Hz to 400Hz | 0 to 750V | 1V | ± (1.2% reading +10 digits) |
| Overload Protection: 750 Vrms, Input Impedance: 10MW | |||
| DC Voltage | 0 to 1000V | 1V | ± (0.8% reading +3 digits) |
| Overload Protection: 1000 Vrms, Input Impedance: 10MW | |||
Kit contents
382252 Earth Ground Resistance Meter
2 Ground rods – zinc plated iron (22cm)
6 – AA alkaline batteries
3 Ground rod test cables – Red (15m), Yellow (10m), Green(5m)
2 Test leads for Ground Resistance with alligator clips (Red and Green) (1.5m)
2 Test leads for Voltage/Resistance (Black and Red) (1m)
User’s manual
Cloth Carrying case
Copyright © 2014-2017 FLIR Systems, Inc.
All rights reserved including the right of reproduction in whole or in part in any form ISO-9001 Certified
www.extech.com
382252-en-GB_V1.5 1/17



















