PENTAIR Hydromatic SKHS Series Submersible High Head Sewage Ejector Pumps

Important Safety Instructions
SAVE THESE INSTRUCTIONS – This manual contains important instructions that should be followed during installation, operation, and maintenance of the product. Save this manual for future reference.
This is the safety alert symbol. When you see this symbol on your pump or in this manual, look for one of the following signal words and be alert to the potential for personal injury!
indicates a hazard which, if not avoided, will result in death or serious injury.
indicates a hazard which, if not avoided, could result in death or serious injury.
indicates a hazard which, if not avoided, could result in minor or moderate injury.
NOTICE addresses practices not related to personal injury.
The manufacturer cannot anticipate every possible circumstance that might involve a hazard. The warnings in this manual, and the tags and decals affixed to the unit are, therefore, not all-inclusive. If you use a procedure or operating technique that the manufacturer does not specifically recommend, you must satisfy yourself that it is safe for you and others. You must also make sure that the procedure or operating technique that you choose does not render the system unsafe.
Electrically powered sewage pumps normally give many years of trouble-free service when correctly installed, maintained, and used. However, unusual circumstances (interruption of power to the pump, large solids in the sump, flooding that exceeds the pump’s capacity, electrical or mechanical failure in the pump, etc.) may prevent your pump from functioning normally. To prevent possible damage, consult your dealer about installing a secondary sewage pump or a high water alarm.
See Troubleshooting in this manual for information about common sewage pump problems and remedies. For more information, see your retailer, call Hydromatic® customer service at 1-888-957-8677 or visit our web site at hydromatic.com.
Hazardous voltage – risk of electrical shock. Shock can cause serious injury or death.
Failure to follow the warnings below can result in fatal electric shock.
Burn Hazard. Motors can operate at high temperatures. Do not touch an operating motor. To do so can cause personal injury.
Risk of flooding. If a flexible discharge hose is used, pump may move around in sump when motor starts. If it moves far enough so that the switch hits the side of sump, the switch may stick and prevent the pump from starting. Make sure the pump is secured so it cannot move around in the sump.
Hazardous pressure and gas – risk of explosion and personal injury. Failure to follow the warnings that follow can result in personal injury.
- If your basement has water or moisture on the floor, do not walk on the wet area until all the power has been turned off. If the shut-off box is in the basement, call the electric company or the hydro authority to shut off the service to the house, or call your local fire department for instructions. Do not handle the pump or pump motor with wet hands or when standing on wet or damp surfaces.
- Connect only to a properly grounded receptacle.
- All wiring should be performed by a qualified electrician.
- Protect the electrical cord from sharp objects, hot surfaces, oils, and chemicals. Observe the Cord Lift Warning shown below.
- Risk of explosion and hazardous gas. Septic tank must be vented in accordance with local plumbing codes.
Do not smoke or use sparkable electrical devices or flame in a septic (gaseous) or possible septic sump. If a septic sump condition exists and if entry into sump is necessary, then (1) provide proper safety precautions per OSHA requirements and (2) do not enter sump until these precautions are strictly adhered to.
Do not install pump in location classified as hazardous per N.E.C., ANSI/NFPA 70- 2001. - Know the pump application, limitations and potential hazards.
- Wear safety glasses at all times when working with the pump.
- Keep the work area clean, uncluttered and properly lighted – secure all unused tools and equipment.
- Keep visitors at a safe distance from working area.
- Make the workshop child-proof – with padlocks, master switches, and by removing starter keys.
- Release all pressure within the system before servicing any component.
- Provide a means of pressure relief for pumps whose discharge line can be shut-off or obstructed.
- Periodically inspect the pump and system components. Perform routine maintenance as required.
- Drain all the liquid from the system before servicing.
California Proposition 65 Warning
This product and related accessories contain chemicals known to the State of California to cause cancer, birth defects or other reproductive harm.
Installation
Thank you for purchasing this Hydromatic® pump. To help ensure years of trouble-free operation, please read the manual carefully.
Before installation, check your local electrical and plumbing codes. Typical sewage pump installations are shown on the next page.
Cord Lift Warning
- WARNING
Risk of electrical shock. Can burn or kill.
Do not lift pump by power cord.
Risk of electrical shock and fire.
- Attempting to lift or support the pump by the power cord can damage cord and cord connections, expose bare wires, and cause a fire or electrical shock.
- Use handle on top of pump for all lifting or lowering of pump. Disconnect the power to the pump before doing any work on it or attempting to remove it from the pit.
- Lifting or supporting the pump by the power cord will void the warranty.
Installation
Typical Simplex Installation
Typical Duplex Installation
Follow these guidelines for installation:
- Provide properly sized pit (see Specifications) on sewage tank. Minimum pump run time is two minutes. For maximum pump life, three minutes
is recommended. - Make sure sump is free of string, cloth, nails, gravel, etc. before installing pump.
- Do not set pump directly on the bottom of sump pit if it is not solid. Raise the pump by using bricks or concrete blocks underneath it.
- Do not remove ground pin from electrical plug.
- Do not use an extension cord to operate this pump.
- For proper automatic operation, make sure the pump power cord is plugged into the piggyback receptacle on the switch cord. Three phase models must be properly connected to a suitable control panel.
- Use steel or plastic pipe for all connecting lines between pump and sewer outlet.
NOTICE: Some city regulations do not allow installing a pump with plastic pipe.
Check local regulations. - Use PTFE pipe thread sealant tape on pipe connections. Do not use ordinary pipe joint compound on plastic pipe or pump. Pipe joint compound can attack plastics and damage pump.
- In applications where the pump may sit idle for months at a time, it is recommended that the pump(s) be cycled every month to ensure the pumping system is working properly when needed.
- A check valve should be installed horizontally in the discharge pipe.
- The optional Hydromatic Q Alert is an audible alarm system for high water conditions. It should be installed in every sump for greater protection. NOTICE: Q Alert is for indoor use only. Other Q Alarm and control panels are available for outdoor use. Contact your Hydromatic distributor for applications.
- Use pump partially or completely submerged for pumping waterlike liquids. The pump will pump solid materials up to 2” (spherical) in diameter. This pump has not been investigated for use in swimming pool areas.
Risk of fire. Do not pump flammable liquids. Strong chemicals or salt water should not be pumped without consulting your Hydromatic distributor for proper seals and coatings.
Operation
NOTICE: Do not allow pump to run in a dry sump. Doing so will void the warranty and may damage the pump.
An automatic overload protector in the motor will protect the motor from burning out due to overheating/overloading. When the motor cools down, the overload protector will automatically reset.
If overload trips frequently, check for the cause. It could be a stuck impeller, wrong/low voltage, or electrical failure in motor. If an electrical failure in the motor is suspected, have it serviced by a competent repairman.
Maintenance
Read the following instructions carefully before replacing any parts. Reasonable care and safe methods should be practiced. Check local codes and requirements before installation. Only a competent plumber or electrician should make the installations.
Submerge pump in a disinfectant solution (dilute chlorine bleach) for at least one hour before disassembling pump.
Check for an obstruction in the impeller by looking through the suction hole of the pump. The shaft should turn freely if unobstructed. Keep fingers, clothing or any material from suction inlet.
The steps described in this section should be performed only by an authorized service center.
NOTICE: Read all directions before replacing any parts. Always remove pump from power source before servicing.
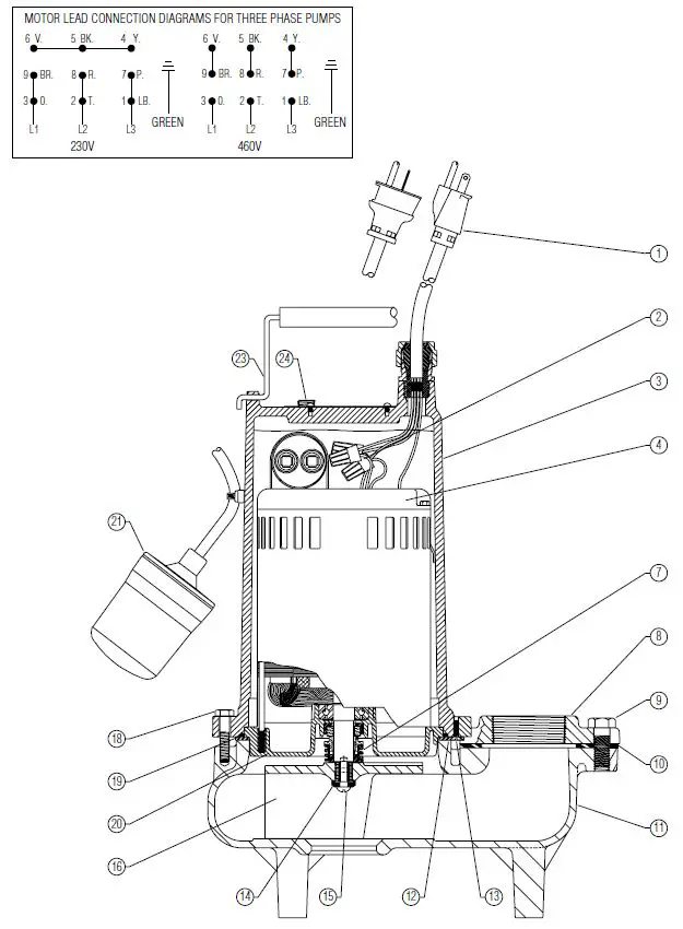
The numbers in parentheses, such as “(3)” or “(16)”, refer to item numbers used on the Repair Parts diagram.
Using an ohmmeter
To be sure wires are not burned off or broken, use an ohmmeter to perform resistance checks. Set ohmmeter scale to R X 1 scale and check meter by putting both meter leads together and adjusting the needle knob until meter reads zero. If meter cannot be adjusted to zero, the batteries in meter must be replaced.
NOTICE: Always reset meter to zero [0] when going to a new scale before making any measurements.
If wire is OK, meter needle will go to near zero and stay there. If meter needle does not move, the wire has an open and the wire must be repaired or replaced.
Resistance Checks
- For single phase (1ø) pumps, attach one meter lead to the white cord wire of the power cord and the other meter lead to the black cord wire. This reading should match the resistance shown in Winding Resistance Chart, 1ø, 230V.
Model Start Winding Run WInding Total SKHS50 2.92 Ω 15.1 Ω 18.02 Ω SKHS100 2.38 Ω 12.15 Ω 14.53 Ω SKHS150 1.82 Ω 9.12 Ω 10.94 Ω SKHS200 1.42 Ω 1.93 Ω 3.35 Ω Winding Resistance Chart, 1ø, 230V
For three phase (3ø) pumps, repeat the above procedure for the black and white wires, the black and brown wires, and the brown and purple wires. Each of the three separate readings should read approximately the same and should match the resistance shown in Winding Resistance Chart, 3ø. If no resistance is obtainable for any of the three phases, either a wire is broken, there is a bad connection or the winding is defective. Skip Steps 5 and 8 if resistance is OK.Model
200V 230V 460V 575V Any one phase Any one phase Any one phase Any one phase SKHS50 21.4 Ω 21.4 Ω 21.4 Ω 33.1 Ω SKHS100 17.8 Ω 17.8 Ω 17.8 Ω 27.8 Ω SKHS150 14.03 Ω 14.03 Ω 14.03 Ω 21.9 Ω SKHS200 2.05 Ω 10.52 Ω 10.52 Ω 16.5 Ω Winding Resistance Chart, 3ø
- Remove plug (24) from top of housing (3) and pour oil into a clean glass container. If oil is clear, it will indicate motor is not burned and there has been no water leak into the motor. If oil is black, it will indicate a burned stator. If oil is cloudy, it will indicate water in motor oil, so all seals should be replaced.
- After draining oil, remove the hex head cap screws
(18) that attach motor housing (3) to volute (11). Slide motor housing upward 5 to 6 inches in order to expose power cord wire connections to motor
(4). Disassemble power cord wire connections from motor and then disassemble power cord from motor housing. Using the wire leads from the motor, check the winding resistance with an ohmmeter. - On 1ø units, check capacitor using ohmmeter. With ohmmeter scale set at R X 1000, attach meter leads to capacitor. The meter needle should go to zero and come back slowly. If it does not, the capacitor should be replaced.
- Disconnect power cord leads and unscrew the green ground lead from top of motor.
- On 3ø units, carefully loosen the power cord assembly (1) from the motor housing (3). With power cord loose, remove the four wire nuts (2) and screws and carefully lift off the motor housing (3) and the motor assembly.
- Unscrew wire nuts (2) and remove the power cord
(1) from the pump. Using the spade terminals coming from the motor (4), check the winding resistance with an ohmmeter. - Attach one meter lead to the motor terminal T1 and the other meter lead to motor terminal T4.
See Winding Resistance Chart for an appropriate resistance reading. If no resistance is obtainable for either the start or main winding, either there is a bad connection or the winding is defective. - For 3ø pumps, remove hex head cap screws (18) from the motor housing (3) and lift up housing until all wire nut connections (2) are accessible. Unscrew wire nuts and remove the motor housing (3) from the pump.
- Twist the three leads of one end of the power cord together. Then at the other end, with an ohmmeter, check any two leads. Also check the third lead with either of the first two. If a zero reading is indicated for any wire, the wire is broken and a new power cord assembly must be installed.
- Set ohmmeter scale pointer to R X 100K scale. Connect one meter lead to one lead of the stator and touch the other meter lead to the motor housing (3). If the resistance to the ground is less than 500,000 ohms, there is moisture in the winding or leakage through stator insulation. The stator must be dried out and then rechecked on the ohmmeter. If the resistance is still less than 500,000 ohms after drying, the stator must be replaced. A zero reading indicates a direct short, and the stator will have to be replaced.
- If the wiring is grounded, remove plug (24) from top of housing (3) and pour oil into a clean glass container. If oil is clear, it will indicate motor is not burned and there has been no water leak into the motor. If oil is black, it will indicate a burned stator. If oil is cloudy, it will indicate water in motor oil, so all seals should be replaced. If there is no apparent moisture in the oil , the stator must be checked with a high pot tester.
Shock Hazard. Due to the high voltage, use extreme care when using the high pot tester.
A dangerous shock can be avoided with careful handling of the test probes.
Using a voltage of 1500 volts for 115 volt motors and 2000 volts for 230 volt motors, touch one probe to the white lead and the other probe to the stator laminations for only one second. Buzzing will indicate arcing is occurring at a breakdown of insulation or a small amount of moisture is present. The stator will then have to be dried out or replaced. The high pot test is very destructive. So, each time the same stator is checked, the voltage should be lowered about 250 volts. If not, you may cause the stator to short by breaking down the insulation. - Repeat step 8, this time attaching the meter leads to the stator wires. If a zero reading is obtained, the winding is defective and the stator must be replaced.
Disassembly
- Unscrew the hex head cap screws (18) and remove the volute (11).
- On 3ø models, remove the impeller screw (15) and impeller washer (14). On all models unscrew the impeller (16). Hold the rotor/shaft assembly with a screwdriver and carefully tap impeller with a plastic or rubber hammer.
- Remove the flat head machine screw from seal plate (20). Remove clamp ring (12) and motor housing (4) off the seal plate (20).
- Remove the four hex head stator bolts and lift the stator from the seal plate (20). A screwdriver can be inserted under the stator shell in order to remove the stator.
- Bump the end of the shaft with a plastic hammer. This will push the rotating half of the mechanical seal (7) from the shaft and also push the lower bearing from the seal plate (20). Now remove the shaft, rotor and bearing assembly from the seal plate (20).
- If water is found in the oil, both the rotating and stationary halves of the mechanical seal (7) must be replaced. Remove the stationary seal half by inserting a screwdriver into seal plate (20) from the top and tapping lightly with a hammer.
- turn the bearing by hand: if it feels rough when turned or looks rusted, it should be replaced. Use a bearing puller to remove the bearing.
Reassembly
- Thoroughly clean the o-ring (19) and bearing pockets in the volute. All sand and dirt must be removed.
- If the stationary seal half was removed, coat the replacement stationary seal half with O-ring lube and use a plastic pusher to press it into the motor housing (3). Make sure the rubber ring goes in first. Do not use any sharp objects that may damage
the seal. - When installing a replacement bearing, press only on the inner face and make sure the bearing is flush against the snap ring. If a press is not available, the bearing can be tapped onto the shaft using a sleeve that bears only on the inner face. Pressing on the outer face will ruin the bearing.
- Push the shaft, rotor and ball bearing assembly into the seal plate (20), being careful not to chip the ceramic of the stationary seal half.
- Replace the motor (4) if it is visibly burned or if the ground resistance test or the winding resistance test has failed. Note that the replacement stator must be of the same manufacture as the existing rotor or vice versa. Replace the four stator bolts.
- Remove the old O-ring (19), regardless of condition, and replace. Place the new O-ring over the seal plate shoulder. Do not ‘roll” it. If twisted, water may enter chamber and cause failure.
- Clean the motor housing (3) thoroughly, then position it onto the seal plate.
- Coat the rubber ring on the rotating seal half with
O- ring lube and press the seal onto the shaft with the rubber ring facing the impeller (16).
NOTICE: Mixing old and new seal parts will cause immediate seal failure. When replacing seal, replace both the rotational and the stationary seal halves. - Attach clamp ring (12) to seal plate (20) and secure with machine screws.
- Install impeller (16) onto the pump shaft. On 3ø models fasten the impeller washer with the impeller screw to the pump shaft.
- Turn impeller (16). It should turn freely with no drag.
- Secure motor housing to volute case with three hex head screws (18).
- Reach in the eye of the volute (11) and turn impeller
(16) again. It should turn freely with no drag. - If it is necessary to replace the power cord assembly (1) on a 3ø pump, obtain a new power cord assembly. Referring to wiring diagrams in
this manual, secure wires together with wire nuts
(2) only.
Do not tape connections as the hot oil will deteriorate the tape and cause motor failure.
Tuck wires up into the housing to prevent rubbing on the rotor and secure power cord assembly to the motor housing (3).
To replace the power cord (1) on a 1ø pump, coat the cord grip threads with PTFE thread sealant tape and screw the new power cord assembly (1) into the motor housing (3). Place the ground screw through the terminal of the green ground wire and tighten into the top of the motor housing (4). Tighten the knurled nut with pliers or a pipe wrench.
Do not tape connections as the hot oil will deteriorate the tape and cause motor failure. - Before filling the motor housing with oil, a seal leak test should be performed. Apply 7 to 8 pounds of air pressure in the 1/4″ NPT tap (24) on the top of the motor cover and seal chamber.
NOTICE Too much pressure will damage the seal. Seal would have to be replaced.
Then submerge the pump in water and check for leaks. If a leak occurs, isolate where it is coming from and correct the problem by replacing the failed part.
Hydromatic pumps have a small air vent hole in the impeller cavity to let out trapped air. If this hole becomes plugged, pump may air lock. To break the air lock, use a small screwdriver to clear hole in the impeller cavity.
As a secondary precaution in installations of
this type, an 1⁄8” hole should be drilled in the discharge pipe just above the volute. The check valve should be at least 12 inches above pump discharge. Do not put check valve directly into pump discharge opening.
NOTICE In sumps where the pump is operating daily, air locking rarely occurs.
Oil fill
- After seal leak test is satisfactory, remove unit from water and wipe or blow off any excess water.
- Do not put oil in motor with any water present in motor cavity.
- Use refined paraffinic transformer oil, Shellflex™ 2210 or equivalent.
- Slowly fill oil to 1/8″ over windings in motor housing through opening (24). Use an oil fill tube that will go into holes so that air can escape. Replace plug (24). NOTICE Do not fill the motor housing completely –allow air space for expansion.
- Connect power cord wires to terminals in panel, or connect power source, and check pump running. Motor should run smoothly and be free of vibration. Pump is ready for operation.
Troubleshooting
Troub Hazarleshootingdous voltage. Can shock, burn, or kill. Disconnect power before attempting any service or repair work on pump.
Hazardous impellers and unexpected starts which can cause loss of fingers. Keep hands away from pump suction inlet when working on or servicing pump.
| Symptom | Possible Cause(s) | Corrective Action |
|
Motor not running | Motor protector tripped. | Allow motor to cool. Make sure pump is completely submerged. Clear debris from volute and impeller. Check for high amp draw. |
| Open circuit breaker or blown fuse. | Replace fuse or reset breaker. If circuit breaker opens repeatedly, don’t reset it – call a licensed electrician. | |
| Impeller clogged or binding. | Check amp draw. If it is more than twice the nameplate amps, the impeller is locked. Bearings and shaft may be damaged. DISCONNECT POWER, clear debris from volute, impeller, and cutter as needed. | |
| Power cable damaged. | Resistance between power cable and ground should be infinity. If any reading is less than infinity, call a licensed electrician. | |
| Bad control panel. | Inspect control panel wiring. Call a licensed electrician. | |
| Defective liquid level switch. | With switch disconnected from power, check continuity through switch while activating liquid level switch. Replace switch if necessary. | |
| Not enough liquid in wet well to activate controls. | Allow the liquid to rise several inches above the switch-on level. | |
| Liquid level cords tangled | Untangle cords for free operation. | |
| Automatic controls defective | Try running pump in manual mode. If it runs, the automatic control is at fault. | |
|
Pump runs continuously | Liquid level control cords tangled | Untangle cords for free operation. |
| Pump is airlocked. | Stop pump for about one minute, then restart. Repeat stopping and starting until the airlock clears. If the airlock persists, DISCONNECT POWER, pull the pump and drill a 1/8” hole in the discharge pipe between the pump discharge and the check valve. | |
| Flow in matches or exceeds the pump’s capacity. | A larger pump or more pumps may be needed. | |
|
Little or no effluent delivered from pump | Check valve plugged, stuck shut, or installed backwards. | Make sure check valve is installed correctly (flow arrow should point away from pump) and functioning correctly. |
| System head excessive. | Consult dealer. | |
| Pump suction plugged. | DISCONNECT POWER, pull pump, inspect, and clear as needed. | |
| Wrong voltage or not wired correctly. | Check pump’s rotation; check nameplate voltage against supply voltage (they must match); consult a licensed electrician. | |
| Pump is air locked. | Stop pump for about one minute, then restart. Repeat stopping and starting until the airlock clears. If the airlock persists, DISCONNECT POWER, pull the pump and drill a 1/8” hole in the discharge pipe between the pump discharge and the check valve. | |
| Worn or damaged impeller. | DISCONNECT POWER, pull pump and inspect impeller. Replace if necessary. | |
| Liquid level controls incorrectly installed or defective. | Reposition or replace as necessary. | |
|
Pump cycles constantly | No discharge check valve installed. | Install discharge check valve. |
| Discharge check valve stuck open. | Repair or replace check valve as necessary. | |
| Sewage wetwell too small. | Consult dealer. | |
| Liquid level controls incorrectly installed or defective. | Reposition or replace as necessary. | |
| Pump too small for inlet flow. | Consult dealer about larger pump or second pump. |
Repair Parts
SKHS50, SKHS100, SKHS150, SKHS200 Si e Phase
SKHS50, SKHS100, SKHS150, SKHS200 Single and Three Phase
| Item | Description | Qty. | SKHS50 Part Number | SKHS100 Part Number | SKHS150 Part Number | SKHS200 Part Number |
|
1 |
Power Cord Assy. |
1 | 132160015 (115V/1ø – 20’) | 132160185 (208-230V 1ø – 20’) | 132160185 (208-230V 1ø – 20’) | 132160185 (208-230V 1ø – 20’) |
| 132160205 (208-230V 1ø – 20’) | 116440895 (ALL 3ø – 20’) | 116440895 (ALL 3ø – 20’) | 116440895 (ALL 3ø – 20’) | |||
| 116440895 (ALL 3ø – 20’) | — | |||||
| 2 | Connector-Wire | 4 | 000730011 (ALL 3ø) | |||
| 3 | Motor Housing | 1 | 000565002 | |||
|
4 |
Motor |
1 | 149580001 (115V 1ø) | 149580081 (208V 1ø) | 149581011 (230V 1ø) | 149581051 (208/230V 1ø) |
| 149580011 (230V 1ø) | 149580051 (230V 1ø) | 149581021 (230/460V 3ø) | 149581061 (208V 3ø) | |||
| 149580021 (208/230/460V 3ø) | 149580061 (208/230/460V 3ø) | 149581031 (575V 1ø) | 149581071 (230/460V 3ø) | |||
| 149580031 (575V 3ø) | 149580071 (575V 1ø) | 149581041 (208V 1ø) | 149581081 (575V 1ø) | |||
| 149580041 (208V 1ø) | — | |||||
| 7 | Seal-Type 21 | 1 | 22447A000 | |||
| 8 | Discharge Flange | 1 | 002080002 | |||
| 9 | Screw-HHC | 2 | 19103A052 | |||
| 10 | Flange Gasket | 1 | 003240011 | |||
| 11 | Volute Case | 1 | 068180022 | |||
| 12 | Clamp Ring | 1 | 056770003 | |||
| 13 | Screw-Flat Head | 3 | 009840011 | |||
| 14 | Impeller Washer | 1 | 005180021 (3ø ONLY) | |||
| 15 | Screw-Flat Head | 1 | 001110081 (3ø ONLY) | |||
| 16 | Impeller | 1 | 047811052 | 047811072 | 047811112 | 047811122 |
| 18 | Screw-HHC | 3 | 001010101 | |||
| 19 | O-Ring | 2 | 000770031 | |||
| 20 | Bearing/Seal Plate | 1 | 068460002 | |||
| 21 | Float Switch Ass’y | 1 | 145951201 (115V 1ø) 20’ | 139670251 (208/230V 1ø) | 145950201 (208/230V 1ø) | — |
| 139670251 (208/230V 1ø) 20’ | — | |||||
| 23 | Handle Ass’y | 1 | 000600005 | |||
| 24 | Pipe Plug | 1 | 149810011 | |||
Warranty
Limited Warranty
HYDROMATIC warrants to the original consumer purchaser (“Purchaser” or “You”) of HYDROMATIC Sump Pumps, Effluent Pumps, Sewage Pumps (other than 2-1/2”), and Package Systems, that they will be free from defects in material and workmanship for the Warranty Period of 36 months from date of manufacture.
Our warrWarrantyanty will not apply to any product that, in our sole judgement, has been subject to negligence, misapplication, improper installation, or improper maintenance. Without limiting the foregoing, operating a three phase motor with single phase power through a phase converter will void the warranty. Note also that three phase motors must be protected by three-leg, ambient compensated, extra-quick trip overload relays of the recommended size or the warranty is void.
Your only remedy, and HYDROMATIC’s only duty, is that HYDROMATIC repair or replace defective products (at HYDROMATIC’s choice). You must pay all labor and shipping charges associated with this warranty and must request warranty service through the installing dealer as soon as a problem is discovered. No request for service will be accepted if received after the Warranty Period has expired. This warranty is not transferable.
EXCEPTIONS: Hydromatic Special Application Pumps, Battery Back-Up Sump Pumps, Filtered Effluent Pumps, Grinder
Pumps, and 2-1/2” Sewage Pumps are warranted for a period of 12 months from date of purchase or 18 months from date of manufacture, whichever comes first.
HYDROMATIC SHALL NOT BE LIABLE FOR ANY CONSEQUENTIAL, INCIDENTAL, OR CONTINGENT
DAMAGES WHATSOEVER.
THE FOREGOING LIMITED WARRANTIES ARE EXCLUSIVE AND IN LIEU OF ALL OTHER EXPRESS AND IMPLIED WARRANTIES, INCLUDING BUT NOT LIMITED TO IMPLIED WARRANTIES OF MERCHANTABILITY AND FITNESS FOR
A PARTICULAR PURPOSE. THE FOREGOING LIMITED WARRANTIES SHALL NOT EXTEND BEYOND THE DURATION PROVIDED HEREIN.
Some states do not allow the exclusion or limitation of incidental or consequential damages or limitations on the duration of an implied warranty, so the above limitations or exclusions may not apply to You. This warranty gives You specific legal rights and You may also have other rights which vary from state to state.
This Limited Warranty is effective June 1, 2011 and replaces all undated warranties and warranties dated before June 1, 2011.
HYDROMATIC
293 Wright Street, Delavan, WI 53115
Phone: 888-957-8677
Fax: 800-426-9446
Web Site: hydromatic.com
Specifications
Product Specifications
| Model | SKHS50 | SKHS100 | SKHS150 | SKHS200 |
| Typical Application | Sewage, high capacity | |||
| Capacities | up to 138 GPM (8.7 LPS) | up to 160 GPM (10.1 LPS) | up to 146 GPM (9.2 LPS) | up to 175 GPM (11 LPS) |
| Heads | up to 45 ft. (13.7 m) | up to 58 ft. (17.7 m) | up to 70 ft. (21.3 m) | up to 75 ft. (22.9 m) |
| Electrical | 115V, 1ø, 14.2 FLA, 60 Hz; 208V, 1ø, 9.2 FLA, 60 Hz; 230V, 1ø, 8.3 FLA, 60 Hz; 208V, 3ø, 6.6 FLA, 60 Hz; 230V, 3ø, 6.0 FLA, 60 Hz; 460V, 3ø, 3.0 FLA, 60 Hz; 575V, 3ø, 2.4 FLA, 60 Hz | 208V, 1ø, 12.6 FLA, 60 Hz; 230V, 1ø, 11.4 FLA, 60 Hz; 208V, 3ø, 8.8 FLA, 60 Hz; 230V, 3ø, 8.0 FLA, 60 Hz; 460V, 3ø, 4.0 FLA, 60 Hz; 575V, 3ø, 3.2 FLA, 60 Hz | 208V, 1ø, 15.3 FLA, 60 Hz; 230V, 1ø, 13.1 FLA, 60 Hz; 208V, 3ø, 8.5 FLA, 60 Hz; 230V, 3ø, 7.6 FLA, 60 Hz; 460V, 3ø, 3.9 FLA, 60 Hz; 575V, 3ø, 3.1 FLA, 60 Hz | 230V, 1ø, 18.0 FLA, 60 Hz; 208V, 3ø, 10.4 FLA, 60 Hz; 230V, 3ø, 9.0 FLA, 60 Hz; 460V, 3ø, 4.5 FLA, 60 Hz; 575V, 3ø, 3.6 FLA, 60 Hz |
| Motor | 1/2 HP, 3450 RPM | 1 HP, 3450 RPM | 1-1/2 HP, 3450 RPM | 2 HP, 3450 RPM |
| Intermittent Liquid Temperature | 140°F (60°C) | |||
| Minimum Recommended Sump Diameter | Simplex = 24” (609.6) mm) Duplex = 30” (762.0 mm) | |||
| Automatic Operation | Wide-angle Float switch (manual available) | |||
| Materials of Construction | Class 30 cast iron | |||
| Impeller | Class 30 cast iron semi-open | |||
| Discharge Size | 2” NPT (50.8 mm) std. 3” NPT (76.2 mm) opt. | |||
| Solids Handling | 2” (50.8 mm) | |||
| Power Cord | 14/3, STWA, 1ø, 20’ std. 18/4, STWA, 3ø, 20’ std. | |||
Performance Curve





















