
SUBMERSIBLE SEWAGE PUMP
MW50 SERIES

INSTALLATION AND OPERATION MANUAL
23833A275 (04-01-21) ©2021 Pentair. All Rights Reserved.
SAFETY INSTRUCTIONS
SAFETY SYMBOLS
This is the safety alert symbol. When you see this symbol on your pump or in this manual, look for one of the following signal words and be alert to the potential for personal injury:
warns about hazards that will cause serious personal injury, death or major property damage if ignored.
warns about hazards that can cause serious personal injury, death or major property damage if ignored.
warns about hazards that will or can cause minor personal injury or property damage if ignored.
NOTE addresses practices not related to personal injury.
GENERAL SAFETY
- Carefully read and follow all safety instructions in this manual and on the unit itself.
- Follow all applicable local and state codes and regulations.
- Keep safety labels in good condition, replacing any missing or damaged labels.
- Vent sewage or septic tank according to local codes.
- Do not install pump in any location classified as hazardous by National Electrical Code, ANSI/NFPA 80-1984 or the Canadian Electrical Code.
Hazardous voltage. Can shock, burn, or kill.
During operation the pump is in water. To avoid fatal shocks, proceed as follows if pump needs servicing:
- Do not smoke or use devices that can generate sparks in a septic (gaseous) environment.
- Disconnect power to outlet box before unplugging pump.
- Take extreme care when changing fuses. Do not stand in water or put your finger in the fuse socket.
- Do not modify the cord or plug. When using cord and plug, use a grounded outlet only. When wiring to a system control, connect ground lead to the system ground.
- Be sure that construction and access to septic sumps conform with all OSHA requirements.
- Do not run the pump dry. Dry running can overheat the pump, (causing burns to anyone handling it) and will void the warranty.
- The pump normally runs hot. To avoid burns when servicing pump, allow it to cool for 20 minutes after shutdown before handling it.
- The pump is permanently lubricated. No oiling or greasing is required in normal operation. For overhaul, see instructions under this manual’s Maintenance section.
CALIFORNIA PROPOSITION 65 WARNING:
This product and related accessories contain chemicals known to the State of California to cause cancer, birth defects or other reproductive harm.
ELECTRICAL SAFETY
Hazardous voltage. Can shock, burn, or kill.
When installing, operating, or servicing this pump, follow the safety instructions listed below.
- DO NOT splice the electrical power cord.
- DO NOT allow the plug on the end of the electrical cord to be submerged.
- DO NOT use extension cords. They are a fire hazard and can reduce voltage sufficiently to prevent pumping and/or damage motor.
- DO NOT handle or service the pump while it is connected to the power supply.
- DO NOT remove the grounding prong from the plug or modify the plug. To protect against electrical shock, the power cord is a three-wire conductor and includes a 3-prong grounded plug. Plug the pump into a 3-wire, grounded, grounding-type receptacle. Connect the pump according to the NEC or CEC and local codes.
- BE SURE that power supply information (Voltage/ Hertz/ Phase) on pump motor nameplate matches incoming power supply exactly. Install pump according to all electrical codes that apply.
Before installing your pump, check carefully for shipping damage. Any claim for shipping damage must be made with your supplier at the point of purchase. The manufacturer cannot make shipping damage adjustments.
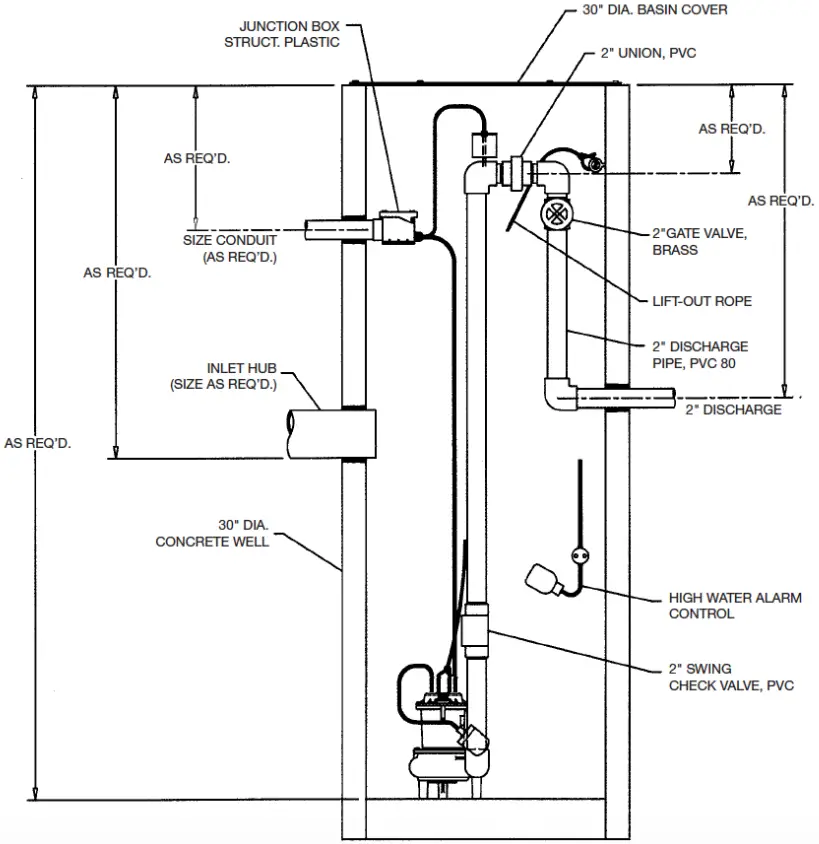
INSTALLATION
DESCRIPTION
The MW50 is available in 115 volt or 230 volt, single phase, 1/2 HP motors. All units are single seal only, available in automatic or manual with either 115 volt or 230 volt grounded plugs.
These pumps are NOT for use in swimming pools or fountains.
The MW50 Series Pumps are designed for use in residential sewage applications. These units are designed for handling raw sewage discharged for residential and light commercial developments.
Impellers are enclosed two-vane type to handle 2″ spherical solids and are made of engineered thermoplastic or bronze. The discharge pipe size is 2″ NPT for attachment to almost all sewage applications.
AIR LOCKING
A pump is said to be air locked if air is trapped in the pump and it cannot get out, thus preventing the pump from operating.
The MW50 pumps have a 1/16″ air vent hole in the impeller chamber to let out trapped air. If this hole becomes plugged, the pump may air lock. As a secondary precaution a 1/8″ hole should be drilled in the discharge pipe below the check valve. The check valve should be 12″ to 18″ above the pump discharge. Do not put check valve directly into pump discharge opening.
LEVEL CONTROLS
All pumps must use sealed level control switches for automatic operation. All automatic pumps have piggyback level control float switches. The power cord has a ground pin that plugs into a grounded receptacle. The grounded receptacle cannot be used in the wet basin due to danger of current leakage.
NOTE The float control must be tethered a minimum 4″ to pump or discharge pipe. Control must float free from pump and basin wall.
On all duplex units or simplex installations with additional options like high water alarm, the power cord plug must be cut off and wired into a control panel or into a sealed junction box if used in wet basin. The AWS-1 control also acts as a sealed junction box for connecting power cord to pump cord.
The automatic pump has a mercury-free, 115 or 230 volt piggyback float switch, available in 10′ and 20′ lengths. The switch is attached with a cable tie to be mounted to the discharge pipe and tethered a minimum of 4″. Plug the switch cord plug into a proper voltage, properly grounded outlet. Plug the power cord into the back of the switch cord and tape the cords to the discharge pipe every 12″.
MOTOR TYPE
The motors used are pressed into the cast iron housing and surrounded by dielectric oil for the greatest heat dissipation. A permanent split capacitor, 1/2 HP, 1625 RPM motor is used. The unit has Class A motor insulation, and is available in single phase, 115 or 230 volt with overload protection and uses a lower ball bearing – upper sleeve bearing. The pump has no starting switches and does not require a control panel for simplex installation.
INSTALLATION
Basin or tank must be vented in accordance with local plumbing codes. These pumps are not designed for and CANNOT be installed in locations classified as hazardous in accordance with the National Electric Code ANSI/NFPA 70.
Never enter pump chamber after sewage or effluent has been in basin. Sewage water can give off methane, hydrogen sulfide, and other gases which are highly poisonous. For this reason, Pentair Myers recommends installing effluent pumps with a quick removal system. The quick removal system may be a union or Cam-lok® coupling if the pipe or discharge hose is within reach from the surface, or a rail system type quick disconnect on deeper installations.
The dosing tank or pumping chamber must be constructed of corrosion resistant materials and must be capable of withstanding all anticipated internal and external loads. It also must not allow infiltration or exfiltration. The tank must have provisions for antibuoyancy. Access holes or covers must be adequate size and be accessible from the surface to allow for installation and maintenance of the system. Access covers must be lockable or heavy enough to prevent easy access by unauthorized personnel. The pumping chamber holding capacity should be selected to allow for emergency conditions.
The discharge pipe must be the same size as the pump discharge, 2″ or larger. In order to ensure sufficient fluid velocity to prevent any residual solids from collecting in the discharge pipe, it is recommended that a minimum flow of 2′ per second be maintained (21 GPM through 2″ pipe and 46 GPM through 3″ pipe). It is recommended that PVC or equal pipe is used for corrosion resistance. A full flow (ball or gate) shut-off valve must be installed to prevent back flow of effluent if the pump must be removed for service. A check valve must be installed on pressure sewer systems and on other systems where conditions allow to prevent back flow and to reduce wear on the pump system.
A high water alarm must be installed on a separate circuit from the pump circuit. The alarm should have the ability to be tested for proper operation.
REPAIR PARTS INDEX

| REF. | DESCRIPTION | QTY. | PART NUMBER |
| 1 | Electric Cord | 1 | 115V cord PW117-122-TSE |
| 1 | Electric Cord | 1 | 230V cord PW117-218-TSE |
| 2 | Piggy back Switch, 115 volt, 20′ | 1 | 21813B131 |
| 2 | Piggy back Switch, 230 volt, 20′ | 1 | 21813B133 |
TROUBLESHOOTING
Always unplug power cords or turn off all main and branch circuit breakers before doing any work on the pump. If control panel is remote from pump, disconnect lead wires to motor so that no one can turn the circuit breaker back on.
| PROBLEM | POSSIBLE CAUSES |
| Pump does not run or start when water is up in tank. |
|
| Pump runs but does not deliver flow. |
|
DIMENSIONS

WARRANTY
Limited Warranty
Myers® warrants to the original consumer purchaser (“Purchaser” or “You”) of the products listed below, that they will be free from defects in material and workmanship for the Warranty Period shown below.
| Product | Warranty Period whichever occurs first: |
| Jet pumps, small centrifugal pumps, submersible pumps and related accessories | 12 months from date of original installation, or 18 months from date of manufacture |
| Fibrewound Tanks | 5 years from date of original installation |
| Steel Pressure Tanks | 5 years from date of original installation |
| Sump/Sewage/Effluent/Utility/Battery Backup Products | 36 months from date of manufacture |
| Wastewater Solids Handling Pumps | 12 months from date of shipment from factory or 18 months from date of manufacture |
Our warranty applies only where such products are used in compliance with the requirements of the applicable product catalog and/or manuals. For additional information, please refer to the applicable standard limited warranty featured in the product manual.
Our warranty will not apply to any product that, in our sole judgment, has been subject to negligence, misapplication, improper installation, or improper maintenance. Without limiting the foregoing, operating a three phase motor with single phase power through a phase converter will void the warranty. Note also that three phase motors must be protected by three-leg, ambient compensated, extra-quick trip overload relays of the recommended size or the warranty is void.
Your only remedy, and MYERS’s only duty, is that MYERS repair or replace defective products (at MYERS’s choice). You must pay all labor and shipping charges associated with this warranty and must request warranty service through the installing dealer as soon as a problem is discovered. No request for service will be accepted if received after the Warranty Period has expired. This warranty is not transferable.
MYERS SHALL NOT BE LIABLE FOR ANY CONSEQUENTIAL, INCIDENTAL, OR CONTINGENT DAMAGES WHATSOEVER.
THE FOREGOING LIMITED WARRANTIES ARE EXCLUSIVE AND IN LIEU OF ALL OTHER EXPRESS AND IMPLIED WARRANTIES, INCLUDING BUT NOT LIMITED TO IMPLIED WARRANTIES OF MERCHANTABILITY AND FITNESS FOR A PARTICULAR PURPOSE. THE FOREGOING LIMITED WARRANTIES SHALL NOT EXTEND BEYOND THE DURATION PROVIDED HEREIN.
Some states do not allow the exclusion or limitation of incidental or consequential damages or limitations on the duration of an implied warranty, so the above limitations or exclusions may not apply to You. This warranty gives You specific legal rights and You may also have other rights which vary from state to state.
This Limited Warranty is effective January 1, 2021 and replaces all undated warranties and warranties dated before January 1, 2021.
PENTAIR MYERS
293 Wright Street, Delavan, WI 53115
Phone: 888-987-8677 · Fax: 800-426-9446 · www.femyers.com
In Canada: 490 Pinebush Road, Unit 4, Cambridge, Ontario N1T 0A5
Phone: 800-363-7867 · Fax: 888-606-5484


293 Wright Street | Delavan, WI 53115 | Ph: 866-973-6835 | Orders Fax: 800.321.8793 | pentair.com
All indicated Pentair trademarks and logos are property of Pentair. Third party registered and unregistered trademarks and logos are the property of their respective owners. Because we are continuously improving our products and services, Pentair reserves the right to change specifications without prior notice. Pentair is an equal opportunity employer.
23833A275 (04-01-21) ©2021 Pentair. All Rights Reserved.


















