EUROBOOR ECO.50+-T Magnetic Drilling Machine with 2-Way Electromagnet

Exploded views & spare parts list
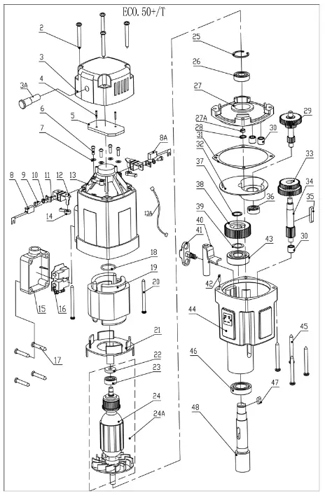
Exploded views


Spare parts list
| No. | Part. no. | Description | Qty |
| 1 | 050T.1001Z | ECO.50+/T motor unit 220V ext. cable | 1 |
| 050T.1001ZA | ECO.50+/T motor unit 110V ext. cable | ||
| 2 | 050.0106 | Screw 4.8 x 45 | 4 |
| 3 | 050.0111Z | End cover 110V / 220V | 1 |
| 3A | P020.0278 | Led indicator red alarm 220V | 1 |
| P020.0278A | Led indicator red alarm 110V | ||
| 4 | 032T.0019XA | Screw M3 x 8 | 2 |
| 5 | 050T.0006 | Control unit 2 | 1 |
| 6 |
050.0371 |
Carbon brush holder |
2 |
| 7 | |||
| 9 | |||
| 10 | |||
| 11 | |||
| 12 | |||
| 14 | |||
| 8(A) | Carbon.50+ | Carbon brush set 220V | 1 |
| Carbon.50A+ | Carbon brush set 110V | ||
| 13 | 050.0142 | Housing | 1 |
| 13A | CS050T.0342 | Cable set | 1 |
| 15 | 050.0586 | Cable housing | 1 |
| 16 | 050T.0002 | Control unit 1 220V (2015) | 1 |
| 050T.0002 | Control unit 1 220V (2015) | ||
| 17 | 050.0587 | Screw 5 x 30 | 4 |
| 18 | 050.0116 | Adapter ring Ø27 x 2.45 | 1 |
| 19 | 050T.0276-1 | Field 220V ECO.50T 1501 -> | 1 |
| 050T.0277-1 | Field 110V ECO.50T 1501 -> | ||
| 20 | 020.0024 | Screw M4 x 60 | 2 |
| 21 | 050.0261 | Baffle | 1 |
| 22 | 050T.0180 | Ring magnet | 1 |
| 23 | 032.0126 | Bearing 608ZZ 8 x 22 x 7 | 1 |
| 24A | 050T.0181 | Armature 220V | 1 |
| 050T.0186 | Armature 110V | ||
| 25 | 032.0166 | Circlip 472/28/1.2 | 1 |
| 26 | 032.0171 | Bearing 6001ZZ 12 x 28 x 8 | 1 |
| 27 | 050.0236 | Inner gear plate | 1 |
| 27A | 050.0065 | Metal ring Ø40 | 1 |
| 28 | 050.0176 | Circlip | 1 |
| No. | Part. no. | Description | Qty |
| 29 | 050.0252 | Gear assembly | 1 |
| 30 | 040.0161 | Needle bearing HK0810 | 3 |
| 31 | 050.0207 | Gasket middle | 1 |
| 32 | 050.0211 | Plate for gear casing | 1 |
| 33 | 050.0171 | Gear 34/40Z | 1 |
| 34 | 050.0231 | Axle 13T | 1 |
| 35 | 040.0301 | Key | 1 |
| 36 | 032.0221 | Bearing 608 8 x 22 x 7 | 1 |
| 37 | 050.0426 | Circlip 471/15/1 | 1 |
| 38 | 050.0177 | Spindle gear | 1 |
| 39 | 050.0182 | Adapter ring | 1 |
| 40 | 050.0291 | Clutch shaft | 1 |
| 41 | 040.0286 | Gear switch | 1 |
| 42 | 032.0211 | Casing pin 4 x 12 | 1 |
| 43 | 050.0221 | Bearing 17 x 40 x 12 | 1 |
| 44 | 050.0208 | Gear box incl. plate 220V | 1 |
| 050.0209 | Gear box incl. plate 110V | ||
| 45 | 032.0106 | Screw M5 x 50 | 4 |
| 46 | 050.0466 | Bearing 20 x 37 x 9 | 1 |
| 47 | 050.0431 | Key for spindle drive 5 x 5 x 10 mm | 1 |
| 48 | 050.0191 | Spindle drive shaft MT2 | 1 |
| 49 | 020.0156 | Bolt M6 x 20 | 10 |
| 50 | 020.0111 | Washer M6 DIN7980 | 10 |
| 51 | 040.0041 | Motor fixing plate 110 mm | 1 |
| 52 | 020.0063 | Screw M5 x 20 | 3 |
| 53 | KSP.M/3 | Tank holder | 1 |
| 54 | 050.0141 | Motor holder | 1 |
| 55 | 020.0146B | Screw M6 x 35 | 1 |
| 56 | 050.0011 | Slide | 1 |
| 57 | 032.0016 | Rack | 1 |
| 58 | 020.0086/Z | Rail set Aluminium (L/R) Z-profile | 1 |
| 59 | |||
| 60 | 020.0229 | Screw M4 x 20 | 6 |
| 61 | 020.0298 | Motor cable clamp | 1 |
| 62 | 020.0081 | Screw BKVZ M6 x 16 | 1 |
| 63 | 020.0077H | End plate black | 1 |
| 64 | 020.0101 | Panel screw BKVZ M4 x 8 | 4 |
| 65 | PP.RSEU-220 | Rear panel EB 220V | 1 |
| PP.RSEU-110 | Rear panel EB 110V |
| No. | Part. no. | Description | Qty |
| 70A | 050T.1028 | Speed control unit 220V | 1 |
| 050T.1028A | Speed control unit 110V | ||
| 72 | 020.0056/X | Frame aluminium rail (L) | 1 |
| 73 | 020.0231 | Screw M5 x 6 | 4 |
| 74 | 360.1040 | Motor cable cover | 1 |
| 74A | 050T.B060 | Motor cable complete | 1 |
| 74B | CS050T.0341/2 | Cable set 1608 -> | 1 |
| 75 | 020.0041 | Coupling nut PG9 (motor cable) | 2 |
| 76 | 020.0061/XB | Capstan hub assembly black | 1 |
| 77 | 020.0315 | Arm for capstan | 3 |
| 78 | 032.1016 | Main cable set 220V EU | 1 |
| 032.1016A | Main cable set 110V US | 1 | |
| 10 | 020.0182 | Grounding screw/washer/nut | 1 |
| 79 | |||
| 80 | |||
| 79 | 020.0037 | Cable clamp complete | 1 |
| 81 | |||
| 82 | |||
| 83 | 032T.0009 | Spacer | 1 |
| 84 | 050T+.0003X | Front panel ECO.50+/T | 1 |
| 85 | 030E.0091/Y | Motor switch 220V (5- pin) yellow | 1 |
| 030E.0092/Y | Motor switch 110V (5- pin) yellow | ||
| 86 | 100.0152 | R/L switch (push) 1800W | 1 |
| 86A | 050T+.B040Z | Panel plate assembly 220V | 1 |
| 050T+.B040ZA | Panel plate assembly 110V | ||
| 86B | Diode.50+/T | Diode ECO.50+/T | 1 |
| 87 | 020.0017 | Fuse 5 x 20 F2A | 1 |
| 88 | 020.0016 | Fuse holder | 1 |
| 89 | 020.0011/1 | Magnet switch | 1 |
| 90 | 020.0206 | LED indicator set | 1 |
| 91 | 050T.1009 | Potentiometer (turn) knob | 1 |
| 92 | 020.0257 | Capacitance | 1 |
| 93 | 020.0112 | Washer M6 | 4 |
| 94 | 055.1041 | Gyroscope PCB set | 1 |
| 95 | 100.1008 | Sensor | 1 |
| No. | Part. no. | Description | Qty |
| 96 | 050T.1022 | Magnet 220V | 1 |
| 050T.1022A | Magnet 110V | ||
| 200 | 050T+.2010 | Case for ECO.50+/T with sticker | 1 |
| 201 | KSP.Q2 | Coolant tank Quick Connect 2015 | 1 |
| 202 | IBO.0.2L | Bottle 0.2LTR | 1 |
|
203 | PRM.61 | Euroboor working gloves size M |
1 |
| PRM.62 | Euroboor working gloves size L | ||
| PRM.63 | Euroboor working gloves size XL | ||
| 204 | SAF.400 | Safety chain (1 mtr) with lock | 1 |
| 205 | SAF.100 | Safety goggles | 1 |
| 206 | KSP.P | Pin and knob for cooling tank | 1 |
| 207 | SAF.200 | Ear plugs | 1 |
| 208 | 050.0141A | Stop pin | 1 |
| 209 | IMB.US2.5 | Allen key 2.5 mm | 1 |
| 210 | IMB.US3 | Allen key 3.0 mm | 1 |
| 211 | IMB.US4 | Allen key 4.0 mm | 1 |
| 212 | IMB.US5 | Allen key 5.0 mm | 1 |
| 213 | DRIFT2 | Drift MT2 | 1 |
| 214 | SAF.MDMB | Safety guard for ECO.50 | 1 |
| 215 | 020.0223 | Screw M5 x 10 | 2 |
| 216 | IMC.20 | Arbor MT2 – 19.05 (3/4″) Weldon | 1 |
| 217 | TCM.10D376 | Tap holder DIN376 M10 Ø7 | 1 |
| 218 | TCM.12D376 | Tap holder DIN376 M12 Ø9 | 1 |
| 219 | TCM.14D376 | Tap holder DIN376 M14 Ø11 | 1 |
| 220 | TCM.16D376 | Tap holder DIN376 M16 Ø12 | 1 |
| 217 | TCM.3/8ANSI | Tap holder ANSI 3/8″ | 1 |
| 218 | TCM.7/16ANSI | Tap holder ANSI 7/16″ | 1 |
| 219 | TCM.1/2ANSI | Tap holder ANSI 1/2″ | 1 |
| 220 | TCM.5/8ANSI | Tap holder ANSI 5/8″ | 1 |
| IBO.G1 | Gear box oil IBO.G1 1LTR | 1 | |
| IBO.6001 | Tapping oil IBO.60 1 LTR | 1 | |
| iBP.70 | Cutting paste IBP.70 1KG | 1 |















