perle IOLAN SDG4 LA/LE Serial to Cellular Device Server

THE SPECIFICATIONS AND INFORMATION REGARDING THE PRODUCTS IN THIS GUIDE ARE SUBJECT TO CHANGE WITHOUT NOTICE. ALL STATEMENTS, INFORMATION, AND RECOMMENDATIONS IN THIS GUIDE ARE BELIEVED TO BE ACCURATE BUT ARE PRESENTED WITHOUT WARRANTY OF ANY KIND, EXPRESS OR IMPLIED. USERS MUST TAKE FULL RESPONSIBILITY FOR THEIR APPLICATION OF ANY PRODUCTS.
This equipment has been tested and found to comply with the limits for a Class A digital device, pursuant to part 15 of the FCC rules. These limits are designed to provide reasonable protection against harmful interference when the equipment is operated in a commercial environment. This equipment generates, uses, and can radiate radio-frequency energy and, if not installed and used in accordance with this hardware guide may cause harmful interference to radio communications. Operation of this equipment in a residential area is likely to cause harmful interference, in which case users will be required to correct the interference at their own expense.
Modifications to this product not authorized by Perle could void the FCC approval and negate your authority to operate the product.
Perle reserves the right to make changes without further notice, to any products to improve reliability, function, or design.
Perle, the Perle logo, and IOLAN SDG4 LA/LE are trademarks of Perle Systems Limited.
©2021 Perle Systems Limited.
Hardware
Preface
Audience
This guide is for the network or computer technician responsible for installing the Perle IOLAN SDG4 LA/LE. Familiarity with the concepts and terminology of Ethernet and local area networks is required.
Purpose
This document describes the hardware and physical characteristics of the Perle IOLAN SDG4 LA/LE. It covers hardware features as well as installation and basic configuration and operation of the product. For detail information on configuring the various features of the IOLAN please see the “IOLAN Secure User’s Guide”.
Document Conventions
This document contains the following conventions:
Most text is presented in the typeface used in this paragraph. Other typefaces are used to help you identify certain types of information. The other typefaces are:
Note: Means reader take note: notes contain helpful suggestions.
Caution: Means reader be careful. In this situation, you might perform an action that could result in equipment damage or loss of data.
Warning: IMPORTANT SAFETY INSTRUCTIONS
Means danger. You are in a situation that could cause bodily injury. Before you work on any equipment, be aware of the hazards involved with electrical circuitry and be familiar with standard practices for preventing accidents. Only qualified personnel should connect power to this unit.
Overview
This guide provides information on installing and doing the initial configuration on the IOLAN SDG4 LA/LE unit.
The IOLAN SDG4 LA/LE has four RJ-45 serial ports.
IOLAN SDG4 LA/LE (Top View)

IOLAN SDG4 LA/LE (Side Views)

Ethernet and Serial Ports
10/100/1000Base-T Port
The Ethernet port provides the standard Gigabit Ethernet interface speeds of 10/100/ 1000 Mbps through twisted pair (UTP) cables of up to 100 meters (328ft) in length.
Serial / Console Port
The unit has four RJ-45 ports. All ports can be used to connect a serial device. When used to connect a serial device, the ports can operate in EIA-232, EIA-422 or EIA-485 mode. When port 1 is used to connect a console, the port can be used to fully configure and manage the IOLAN. For details on how to connect to the serial ports see Connecting the Serial Port .
For details on the serial port pin-out see Appendix D – Cabling and Connectors .
Reset Button
The inset “Reset” button will reboot the IOLAN if pushed in and released quickly. It will reset the IOLAN to factory defaults if pushed in and held for more than three seconds. For more details on the operation of the Reset button see “Resetting the IOLAN ”
Console / Serial DIP Switch
Serial port 1 can act as a console port or a serial port. The mode of operation is deter-mined by the position of the “console/serial port” DIP switch. The DIP is set in the fac-tory to serial (up position). Unless you plan to attach a console to the IOLAN, leave the DIP switch in the serial position. In console mode, this port can be used to provide access to the IOLAN management function using the industry standard CLI command set (see Console Port Mode ).
See the IOLAN Command Line Interface Reference Guide for a complete set of the com-mands available via the console.
WPS Button
Insert a paper clip into the inset hole labeled as “WPS” and gently press inwards. Pressing this button for less than 3 seconds will put the IOLAN SDG4 LA/LE in WPS mode, greater than 4 seconds will put the unit in Soft-AP mode.
LED Indicators
Power/Ready
| State | Description |
| Green – solid | System Ready |
| Green – flashing | System is booting or dip switch is in console mode |
| Amber – flashing | System is booting |
| Red | Error condition |
Link 10/100/1000
| State | Description |
| Green | 1000 Mbps (flashes with activity) |
| Green/Amber | 100 Mbps (flashes with activity) |
| Amber | 10 Mbps (flashes with activity) |
| Off | No LAN connection |
WWAN
| State | Description |
| Green – solid | A cellular connection has been established |
| Green – flashing | Data is being transmitted over the cellular network |
| Off | no cellular connection established |
Signal strength
| State | Description |
| Amber/ Green | Wireless signal strength from amber LEDS to green LEDS with green being the strongest signal strength |
Ethernet Port Status Indicators
Port Link / Speed

| State | Description |
| Green | 1000 Mbps (flashes with activity) |
| Green/Amber | 100 Mbps (flashes with activity) |
| Amber | 10 Mbps (flashes with activity) |
| Off | No LAN connection |
Installation
General Cautions and Warnings
- Power sources must be off prior to beginning the power connection steps. Read the installation instructions before you connect the unit to its power source.
- Ensure that the voltage and current ratings of the intended power source are appropriate for the IOLAN as indicated on the product label.
- Ensure that the installation and electrical wiring of the equipment is performed by trained and qualified personnel and that the installation complies with all local and national electrical codes.
- The working voltage inputs are designed for operation with Safety extra low Voltage (SELV). Connect only to SELV circuits with voltage restrictions in line with IEC 62368-1:2018
- If this equipment is used in a manner not specified by the manufacturer, the protection provided by the equipment may be impaired.
- Transient protection shall be provided that is set at a level not exceeding 140% of the peak rated voltage value at the supply terminals to the equipment.
- In case of malfunction or damage, no attempts at repair should be made. Do not dismantle the product. All repairs need to be made by a qualified Perle representative.
- This unit should be installed in a restricted access location where access can only be gained by service personnel or users who have been instructed about the reasons for the restrictions applied to the location and about any precautions that shall be taken; and access is through the use of a tool or lock and key, or any means of security, and is controlled by the authority responsible for the location.
Connecting the Hardware
Power
Either the barrel or TB (Terminal Block) connector can be used to power the SDG4 LA/LE.

Connecting the barrel connector
Plug the power adapter into a power socket and connect the barrel connector end into the IOLAN SDG4 LA/LE. The SDG4 LA/LE will perform a power up sequence. The Power/Ready LED should show a solid green. See LED Indicators for power up sequence.
Connecting the terminal block connector
- Ensure power is NOT applied to the wires prior to connection.
- On each end wire (12-20 AWG), remove the insulation from the copper wire 5 mm (3/ 16 of an inch).
- Loosen the left screw on the top of the terminal connector block, then insert your positive (+) wire into the left terminal and screw it down tight (.51Nm torque). Loosen the right screw on the top of the terminal connector block, then insert your negative (-) wire into the right terminal and screw it down tight (.51Nm torque).
- Re-insert the terminal block connector if removed.
Grounding and Power Cord Relief clip
If your installation requires additional grounding, follow this procedure. Grounding the chassis requires the following items:
- One grounding lug (not provided)
- One 12AWG wire (not provided)
Follow the manufacturers instructions for attaching the ground wire to the grounding lug.
- Attach the grounding lug to the chassis and secure with the grounding screw pro-vided. See Figure 1.
- Attach the power cord relief clip as shown in Figure 2.

Connecting the Serial Port
The Serial ports are normally used to connect serial devices. Serial port 1 can also be used as a console to fully configure and manage the IOLAN.
The serial ports are an RJ-45 connector. For complete details on the pinout of the port see Appendix D – Cabling and Connectors
Console Port Mode
- Power off the IOLAN.
- Set the “console/serial DIP switch” to the console (down) position.
- Connect an 8 pin cable between the IOLAN serial port 1 and the RJ-45 to DB-9 con-verter shipped with your IOLAN. Connect the DB-9 end of the converter to the COM port of your PC.
- Choose Start > Control Panel > Systems or equivalent on the Windows Operating System you are using.
- Click the Hardware tab and choose Device Manager, Expand the Ports (COM & LPT) section. This will expand the drop down to show the number of COM ports on your system. Connect the cable to one of these ports (probably COM1 or COM2).
- Start an terminal-emulation program (such as Putty or SecureCRT) on the COM port where you have connected the IOLAN serial port.
- Configure this COM port within the terminal emulation program with the following parameters:
- 9600 baud
- 8 data bits
- 1 stop bit
- No parity
- None (flow control)
- Connect the power and allow the IOLAN to complete the boot up sequence.
- You should now be able to see all messages sent to the console of the IOLAN.
Serial Port Mode
Serial mode is used when the IOLAN acts as a communication sever to provide access to the serial device which is connected to its serial port. For the different methods which can be used to connect to the serial device see the IOLAN Secure User’s Guide. When serial port 1 is in this mode, all console mode functions are disabled on the port.
To set serial port 1 in this mode, ensure that the “console/serial DIP switch” is in the serial (up) position.
Connecting Data Ports
Wi-Fi Connections
Connect the Wi-Fi antennas by simply screwing the antennas onto the connectors on the IOLAN.
Ethernet Connection
By default the 10/100/1000 Ethernet port will automatically set itself up to match the speed of the port it is connected to. If auto negotiation is not supported by that port then, the port can be configured to operate at a fixed speed and duplex settings.
To connect to 10Base-T, 100Base-TX or 1000Base-T follow these steps:
- Connect a straight through Ethernet cable from the IOLAN SDG4 LA/LE Ethernet port to an 10/100/1000 RJ45 port on the network hub/switch.
- Once the IOLAN SDG4 LA/LE is connected and the link is established, the link LEDs will turn on. These LEDs will indicate whether you have a 10,100 or 1000 Mb/s link to your hub/switch. See. (LED Indicators) for more details.
Ethernet Connector – 8-pin RJ-45

Operation
Resetting the IOLAN
To reset the IOLAN insert a paper clip into the inset hole labelled as “Reset” and gently press inwards. The Power/Ready LEDs on the IOLAN SDG4 LA/LE will go ON and then momentarily OFF when released to show that the unit has been reset.

Resetting the IOLAN to Factory Default Configuration
To reset the configuration of the IOLAN, insert a paper clip into the inset hole labelled as “Reset” and hold the reset button between 3 and 10 seconds, the IOLAN will reset the configuration to factory default (either the Perle or custom default configuration). If you hold the reset button greater than 10 seconds, then the IOLAN will reset the configura-tion to the Perle factory default configuration.
Configuring the IOLAN
The IOLAN can be configured, operated and monitored using any of the following methods. See the IOLAN Secure User’s Guide for more details.
CLI A text-based Command Line Interface based on industry standard syntax and structure. The CLI can be accessed from the console port. An IP address is not required for CLI access on the console port. Once an IP address has been assigned the IOAN can also be accessed by Telnet, SSH, SNMP or the Web interface.
Web Manager
The Perle Web Manager is an embedded Web based application that provides an easy to use browser interface for configuring ans managing the IOLAN. Once an IP address has been assigned/configured on IOLAN, it can be accessed through any standard desktop web browser.
Device Manager
This windows-based utility provides the ability to do either an initial setup (out of the box) or to configure and manage the IOLAN. In order to use this utility the IOLAN must be connected to your network. You can download the Device Manager software from our website at www.perle.com
Appendix A – Technical Specifications
IOLAN SDG4 LA/LE Technical Specifications
| SDG4 LA/LE | |
| Power | Input Voltage Range: 9 – 30 VDC Typical Power Consumption @24VDC – 4.2 Watts |
| Operating Temperature | -40°C to 75°C -40°F to 167°F |
| Storage Temperature | -40°C to 85°C -40°F to 185°F |
| Operating and Storage Humidity | 5 to 95% (non condensing) |
| Weight | 0.4 kg (0.88 lbs) |
| Dimensions | 110 by 111 by 24 mm 4.3 by 4.4 by 0.9 in. |
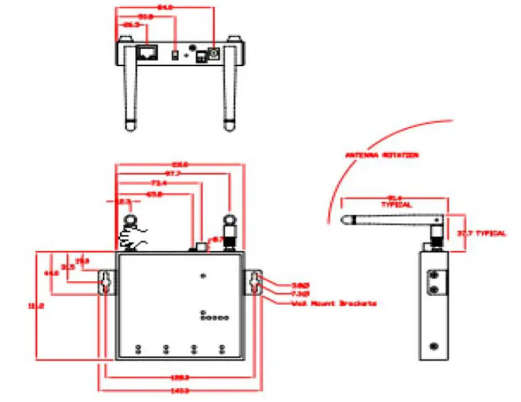
Appendix B – Mechanical Drawing


Appendix C – Sample Label


Appendix D – Cabling and Connectors
This appendix provides information for the serial RJ45 connector and the Ethernet cable. A Starter Kit (optional) can be purchased from https://www.perle.com/products.shtml
The serial port can operate in either EIA 232, 422 or 485 mode. This is a software config-uration. If EIA 422 or 485 is selected, the line termination may need to be set. SW5 has two switches associated with the serial port. See Terminating 485/Full/Half and 422 Mode below.
Ensure you have the appropriate cable for connecting your serial devices to the serial ports on the IOLAN.
IOLAN RJ-45 Connector

Pinout
| Pinout | EIA-232 | EIA-422 | EIA-485 Full Duplex | EIA-485 Half Duplex |
| 1 (in) | DCD | |||
| 2 (out) | RTS | TxD+ | TxD+ | TxD+/RxD+ |
| 3 (in) | DSR | |||
| 4 (out) | TxD | TxD- | TxD- | TxD-/RxD- |
| 5 (in) | RxD | RxD+ | RxD+ | |
| 6 | GND | GND | GND | GND |
| 7 (in) | CTS | RxD- | RxD- | |
| 8 (out) | DTR |
Terminating 485/Full/Half and 422 Mode
When in 485/full/half or 422 mode, termination is not necessary unless the IOLAN’s are the end points.
Remove the screws from the case and gently lift the top section of the case from the bottom section. Locate SW 5 on the board.
To set RX Termination on port 1: Set DIP switch #1 ON (used for 422/485 half duplex) To set TX Termination on port 1: Set DIP switch #2 ON (used for 485 full duplex).
To set RX Termination on port 2: Set DIP switch #3 ON (used for 422/485 half duplex) To set TX Termination on port 2: Set DIP switch #4 ON (used for 485 full duplex).
To set RX Termination on port 3: Set DIP switch #5 ON (used for 422/485 half duplex) To set TX Termination on port 3: Set DIP switch #6 ON (used for 485 full duplex).
To set RX Termination on port 4: Set DIP switch #7 ON (used for 422/485 half duplex) To set TX Termination on port 4: Set DIP switch #8 ON (used for 485 full duplex).

Note: For EIA-232 these switches must be in the OFF position (default)
Ethernet Cable
The 10/100/1000BaseT(X) port is located on the back of the IOLAN SDG4 LA/LE. This Ethernet port will automatically adjust depending on the type of Ethernet cable used (straight-through or cross-over), and the type of device (NIC-type or HUB/Switch-type) connected to the port.
Requirements:
• Cat 5 UTP or STP, Cat 5e cables
• 24-22 AWG (0.20mm2 – 0.33mm2)
• Straight through or Ethernet Crossover cable
Appendix E – IOLAN Maintenance
- Ensure there is clearance of 50.8mm (2 inches) on all sides of the IOLAN SDG4 LA/LE to provide proper airflow through the unit
- Do not use solvents or cleaning agents on this unit
- Keep vent holes clear of debris
- If case gets dirty wipe with a dry cloth
- Ensure all cables are in good working condition and replace any frayed cables or cables without clips
Contacting Perle Systems Limited
Contacting Technical Support
Contact information for the Perle Technical Assistance Center (PTAC) can be found at the link below. https://www.perle.com/support_services/support_request.shtm
Warranty / Registration
This product is covered by the Perle IOLAN SDG Warranty. Details can be found at: https://www.perle.com/support_services/warranty.shtml




















