TOW TUFF TMD-35ETD8 Adjustable Electric Trailer Dolly Owner's Manual

Thank you very much for choosing this product! For future reference, please complete the owner’s record below:
Model: ____TMD-35ETD8____
Purchase Date: _______________
Save the receipt, the warranty, and these instructions. It is important that you read the entire manual to become familiar with this product before you begin using it.
This product is designed for certain applications only. The manufacturer cannot be responsible for issues arising from modification. We strongly recommend that this product not be modified and/or used for any application other than that for which it was designed. If you have any questions relative to a particular application, DO NOT use the product until you have first contacted us to determine if it can, or should, be performed on the product.
For technical questions, please call 1-218-943-6296.
INTENDED USE
Tow Tuff brings the easy way to move trailers with the TMD-3500ETD heavy-duty adjustable trailer dolly with 3 casters. This adjustable trailer dolly is the perfect way to move trailers into storage, through tight areas, & in spaces that hard to drive. The 3,600 lb. Capacity of this dolly allows you to easily move a wide variety of trailers. The handlebar and built-in 24V battery and 800w motor eliminates the need to bend over altogether! With exceptional power, control, durability, and duration, the TMD-3500ETD is perfect for moving further distances easily and comfortably with just the pull of a trigger.
TECHNICAL SPECIFICATIONS

GENERAL SAFETY RULES
WARNING: DO NOT ride on the dolly! No persons should ride on the dolly.
WARNING: Read and understand all instructions. Failure to follow all instructions listed below may result in serious injury.
- Always know your dolly. Take time to fully read the installation and operator’s guide in order to understand your dolly and its operations.
- Never store battery pack in a tool box or box with nails, screws, keys, etc. Shorting of battery terminal may cause fire.
- Always avoid contact with battery fluid, which may occur under extreme use or temperature conditions.
- Always dispose or recycle battery according to local ordinances/regulations.
- Always protect terminals with insulating tape, prior to disposal, to prevent shorting.
- Never attempt to disassemble the battery. Battery is sealed.
- Never charge damaged battery packs, replace damaged pack immediately. Battery short or fire may result.
- Never incinerate the battery pack even if it is severely damaged or is completely worn out.
- Never operate trailer dolly in an environment containing explosive or combustible material.
- Always remove the battery when the unit is not in use for extended periods.
- Always use Tow Tuff charger to charge lead-acid battery pack, Other types of batteries may burst causing damage and injury to person.
- Never operate charger with damaged cord or plug. Replace immediately.
- Never use Tow Tuff charger to charge other batteries.
- Never operate charger if it has received a sharp blow, been dropped or otherwise damaged in any way.
- Never charge battery in damp or wet environments. Do not cover the charger with clothes or similar items during charging.
- The use of accessories which are not recommended or supplied by the charger manufacturer may present a risk of fire, electric shock or personal injury.
- Always charge battery at temperatures between32°F-120°F (0°C-49°).
- Always store battery at temperatures between 32°F-86°F (0°C-30°C).
- Always disconnect charger when battery is fully charged.
- Always charge battery every three months if not in use.
- Do not exceed the maximum capacity of the trailer dolly: Trailer weight: 1620kgs /3600lbs, tongue weight: 270kgs / 600lbs.
- Make sure the hitch ball and the coupler are locked securely before use
- Always use factory approved mounting hardware, components, and accessories.
- Do not use the dolly on the downhill slope, always make sure that the road is flat, and the slope angle is less than 4 degrees when pulling uphill.
- Do not use dolly to move people.
- Do not operate this dolly under the influence of alcohol or drugs.
- Be sure to remove any elements or obstacles that may hinder the safe operation of the dolly.
- When installing, assembling, repairing or not using the dolly, be sure to disconnect the power supply of the dolly.
- Never operate or install the trailer dolly without reading or understanding the operator’s manual.
- DO NOT allow children to operate this dolly.
CAUTION: Do not allow persons to operate or assemble this Adjustable Electric Trailer Dolly until they have read this manual and have developed a thorough understanding of how the Adjustable Electric Trailer Dolly works.
WARNING: The warnings, cautions, and instructions discussed in this instruction manual cannot cover all possible conditions or situations that could occur. It must be understood by the operator that common sense and caution are factors that cannot be built into this product, but must be supplied by the operator.
SAVE THESE INSTRUCTIONS
WORK AREA
- Keep work area clean, free of clutter, and well lit. Cluttered and dark work areas can cause accidents.
- Keep children and bystanders away while operating a Adjustable Electric Trailer Dolly. Distractions can cause you to lose control, so visitors should remain at a safe distance from the work area.
- Be alert of your surroundings. Using a Adjustable Electric Trailer Dolly in confined work areas may put you dangerously close to sharp tools and rotating parts.
PERSONAL SAFETY
- Stay alert, watch what you are doing, and use common sense when using a Adjustable Electric Trailer Dolly. Do not use a Adjustable Electric Trailer Dolly while you are tired or under the influence of drugs, alcohol, or medication. A moment of inattention while operating a Adjustable Electric Trailer Dolly may result in serious personal injury.
- Dress properly. Do not wear loose clothing, dangling objects, or jewelry. Keep your hair, clothing, and gloves away from moving parts. Loose clothes, jewelry, or long hair can be caught in moving parts.
- Use safety apparel and equipment. Use safety goggles or safety glasses with side shields that comply with current national standards or, when needed, a face shield. Use a dust mask if working in dusty work conditions. This applies to all persons in the work area. Also use non-skid, safety shoes, hard hats, gloves, dust collection systems, and hearing protection when appropriate.
- DO NOT ride on the dolly! No persons should ride on the dolly.
Adjustable Electric Trailer Dolly USE AND CARE
- Do not modify the Adjustable Electric Trailer Dolly in any way. Unauthorized modification may impair the function and/or safety and could affect the life of the equipment. There are specific applications for which the Adjustable Electric Trailer Dolly was designed.
- Always check for damaged or worn-out parts before using the Adjustable Electric Trailer Dolly. Broken parts will affect the Adjustable Electric Trailer Dolly operation. Replace or repair damaged or worn parts immediately.
- Do not exceed the Adjustable Electric Trailer Dolly load capacity.
- Distribute the load evenly. Uneven loads may cause the Adjustable Electric Trailer Dolly to tip, resulting in personal injury to the operator or others.
- Use the Adjustable Electric Trailer Dolly on flat and level surfaces capable of supporting the Adjustable Electric Trailer Dolly and its maximum load. Pulling or pushing a load on a slanted or uneven surface can result in loss of control.
- Store idle Adjustable Electric Trailer Dolly. When Adjustable Electric Trailer Dolly is not in use, store it in a secure place out of the reach of children. Inspect it for good working condition prior to storage and before re-use
All UNITS COME WITH

STRUCTURE INTRODUCTION

- Switch Button- Switch for “forward” or “reverse”
- Speed controller: Drive with various speed by this controller
- Connecting rod – connect the handle and main frame
- Power Switch-Start this before use the power dolly, and shut down the dolly after use.
- Battery box-Lead acid battery & controller installed inside
- Ball mount- Connect the hitch ball with the trailer
- Adjustable ball mount
- Latch- locked while ball mount height adjusted
- Machine Controller
- Batteries: 2*12V -7AH lead acid battery
- Rear Wheel : Transaction transmission
- Motor: power Supply
- Swivel: Turn away during working
- Main frame: support for battery box and motor
- INPUT100~240VAC, OUTPUT:DC28.8V- 2.0A
- Recharge socket: connect with charger
- Handlebar: install the handle and switch button
ASSEMBLY
1. Assemble the handlebar
Insert the connecting rod into the handle-bar, make sure the holes are aligned and secured by bolts; Pull the cable out from connecting rod
ends. (See Figure 1)

2. Hitch ball mount assembly
Insert the washer and tighten the nut into adjustable ball mount, thread the hitch ball till completely tight. (See Figure 2)

3. Assemble the swivel wheel
Put the swivel wheel shaft into the frame, secure with nut and bolt (See Figure 3)

4. Rear wheel assembly
Install the rear wheel on the axle, insert the flat key and tighten bolts. (See Figure 4)

5. Assemble the adjustable hitch
Ball mount: Adjust the ball mount with the required height, secure the latch and lock with pin. (See Figure 5)

6. Connecting rod assembly
Connect the battery cable from the top tube of the main frame, and put out from the round hole in the middle of the connecting rod (gentle reminding: there are 2 holes in two side of the main frame and hole bottom, which are assistant for your observation during the cable connection.) (See Figure 6)

7. Battery Assembly
Pull out the battery wire from the inside hole on the battery box, tighten the battery box to the frame with bolts. (See Figure 7)

8. Battery & Controller Assembly
Place batteries into the box. DO NOT TOUCH THE BATTERY’S POSITIVE AND NEGATIVE BY ANY METAL PARTS. A fire could result. (See Figure 8)

9. Battery cable connection (See Figure 9)

BATTERY

Caution: Incorrect battery wire connection may cause a short-circuit or fire. It may lead to battery damage, cause a fire, or lead to physical damage..
POWER SWITCH CONNECTION
Caution: Incorrect power switch cable connection may cause a short-circuit, it may destroy the battery, cause a fire, or physical danger

Contol Switch Controller

Motor Connection

10. After the wire connection, lock the battery box, seal with the plug, installation finished. (See Figure 10)

WARNING: Read and understand all instructions. Failure to follow all instructions listed below may result in serious injury
BEFORE USE
- Check the dolly and make sure all bolts are tight and the hitch ball mount is secure.
- Check all the wheels to make sure they are in good working order, be sure the tire pressure is 30±2psi(2.1±0.1kg/cm2)
- Check the battery and make sure the switches are working.
- Start the dolly before loading onto the trailer and check the dolly can forward and reverse freely
- Make sure the trailer weight is no more than 1620kgs/3600Lb and the tongue weight is under 270kgs/600Lb
- Please use this dolly on flat road only. For your safety, do not use it on a slope over 4 degrees. No brake is installed so do not use on the downhill grade.
OPERATION
- Move the dolly close to the trailer, adjust the ball hitch mount to correct height. Normally leave the hitch ball 100-200mm over the weld spots, tighten the hitch ball mount with latch and pin. (See Figure 11)

- .The two pegs are to tilt the trailer dolly under the coupler and position the dolly in the operating position. NOT FOR RIDING. No persons should ride the dolly.
- Hold the assembled Ball Mount underneath the hitch. With the Weld Spots in the correct position, insert the Ball into the Hitch and lock it as normal. (See Figure 12)

- Switch on the power and speed controller button. Check the battery status. Switch the button into Forward or Reverse, and move the dolly with the speed controller knob. The speed can vary up to 1.5mph. (See Figure 13)

- Shut down the power after use. Park the dolly in the correct position. PLEASE RECHARGE THE BATTERY WITHN 3 MONTHS.
OVERLOAD PROTECTION
This dolly is equipped with an overload protection system, it will shut down if over loaded. This will protect the machine. Please do not try to restart when the dolly is overloaded and shut down, please re-start after reducing the weight.
TROUBLE SHOOTING

MAINTENANCE
- Maintain your Adjustable Electric Trailer Dolly. It is recommended that the general condition of any Adjustable Electric Trailer Dolly be examined before it is used. Keep your Adjustable Electric Trailer Dolly in good repair by adopting a program of conscientious repair and maintenance. If any abnormal vibrations or noise occurs, have the problem corrected before further use. Have necessary repairs made by qualified service personnel.
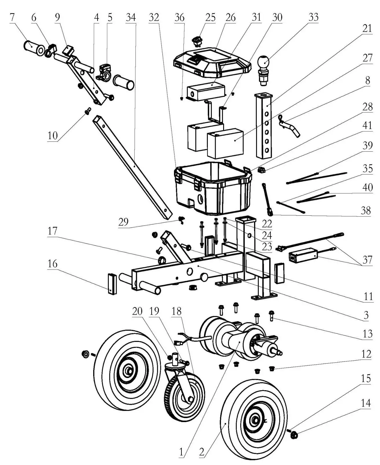
DIAGRAM & PARTS LIST


For replacement parts and technical questions, please call 1-218-943-6296
WARRANTY
One-year limited parts warranty.

TG
PO BOX 203
Miltona, MN 56354
Made in China



















