BAXI BW200-R Electric Water Heater

GENERAL INFORMATION
This water heater must be installed in accordance with local codes. In the absence of local codes, install this water heater in accordance with the N.E.C. Reference Book (latest edition). The warranty for this water heater is in effect only when the water heater is installed, adjusted, and operated in accordance with this Installation and Operating Instructions. The manufacturer will not be held liable for damage resulting from alteration and/or failure to comply with these instructions. This water heater has been designed and certified for the purpose of heating potable water. The installation and use of this water heater for any purpose other than the heating of potable water, may cause damage to the water heater and create a hazardous condition and nullify the warranty.
CAUTION
Incorrect operation of this appliance may create a hazard to life and property and will nullify the warranty. Do not use this appliance if any part has been submerged in water. The plumbing professional responsible for the installation of this water heater should be contacted to inspect the appliance and to replace any part of the control system, including the thermostat, which has been submerged in water. Make sure that the rating plate on the water heater is referenced for certainty that the correct voltage is being supplied to the water heater.
DANGER
Do not store or use gasoline or other flammable, combustible, or corrosive vapors and liquids in the vicinity of this or any other appliance. A sacrificial anode is used to extend tank life. Removal of this anode, for any reason, will nullify the warranty. In areas where water is unusually active, an odor may occur at the hot water faucet due to a reaction between the sacrificial anode and impurities in the water. If this should happen, an alternative anode may be purchased from the supplier that installed this water heater. This will minimize the odor while protecting the tank. Additionally, the water heater should be flushed with appropriate dissolvers to eliminate any bacteria.
IMPORTANT
Before proceeding, please inspect the water heater and its components for possible damage. DO NOT install any damaged components. If damage is evident, please contact the supplier where the water heater was purchased or the manufacturer listed on the rating plate for replacement parts. Our products incorporate components that are both environmentally safe and harmless to health, so they can be disassembled as easily as possible and recycled once they reach their final life stage. Recycling of materials reduces the quantity of waste and the need for the production of raw materials (e.g. metals) which requires a substantial amount of energy and causes the release of harmful substances. Recycling procedures reduce the consumption of natural resources, as the waste parts made of plastic and metal can be returned to various production processes. For more information on waste disposal, please visit your waste collection center or the store where the product was purchased.
INSTALLATION
Locating the Water Heater
WARNING
Water heaters are heat-producing appliances. To avoid damage or injury, there shall be no materials stored against the water heater and proper care shall be taken to avoid unnecessary contact (especially by children) with the water heater. UNDER NO CIRCUMSTANCES SHALL FLAMMABLE MATERIALS, SUCH AS GASOLINE OR PAINT THINNER BE USED OR STORED IN THE VICINITY OF THIS WATER HEATER OR ANY LOCATION FROM WHICH FUMES COULD REACH THE WATER HEATER. This water heater MUST be installed indoors out of the wind and weather. This water heater shall NOT be installed in any location where gasoline or flammable vapors are likely to be present unless the installation is such to eliminate the probable ignition of gasoline or flammable vapors. The location of this water heater is of the utmost importance. Before installing the water heater, select a location that is accessible to water supply lines and the power supply. It is recommended that the water heater be located near the center of greatest hot water usage to prevent heat loss through the pipes. DO NOT locate the water heater where water lines could be subjected to freezing temperatures. Locate the water heater so that access panels and drain valves are accessible. This water heater MUST be installed indoors. Failure to install this water heater indoors and protected from wind and weather will void the warranty. The water heater must be installed in the vertical position with the water fittings pointing upward. The water heater must be positioned on the appropriate surface.
NOTE: Take into consideration also the filled weight of the water heater Water heater corrosion and component failure can be caused by the heating and breakdown of airborne chemical vapors. Examples of some typical compounds that are potentially corrosive are: spray can propellants, cleaning solvents, refrigerators, and air conditioning refrigerants, swimming pool chemicals, calcium or sodium chloride, waxes, and process chemicals. These materials are corrosive at very low concentration levels with little or no odor to reveal their presence. NOTE: DAMAGE TO THE WATER HEATER CAUSED BY EXPOSURE TO CORROSIVE VAPORS IS NOT COVERED BY THE WARRANTY. DO NOT OPERATE THE WATER HEATER IF EXPOSURE HAS OR WILL OCCUR. DO NOT STORE ANY POTENTIALLY CORROSIVE COMPOUNDS IN THE VICINITY OF THE WATER HEATER. This water heater must be located in an area where leakage of the tank or water line connections and the combination temperature and pressure relief valve will not result in damage to the area adjacent to the water heater or to the lower floors of the structure. When such locations cannot be avoided, a suitable drain pan must be installed under the water heater. The drain pan must have a minimum length and width of at least 4 in. (10.2 cm) greater than the water heater. The drain pan, as described above, can be purchased from your plumbing professional. The drain pan must be piped to an adequate drain. The piping must be pitched for proper drainage.
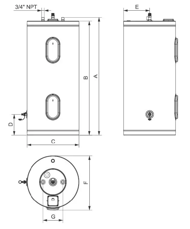
Figure 1: Water Heater Dimensions
| A (mm) | B (mm) | C (mm) | D (mm) | E (mm) | F (mm) | G (mm) | |
| BW200-R | 1201 | 1165 | 533 | 216 | 267 | 555 | 203 |
| BW300-R | 1631 | 1595 | 560 | 231 | 280 | 582 | 203 |
Technical Characteristics
| Type | BW200-R | BW300-R |
| Capacity | 200 L | 300 L |
| Water Pressure | 1MPa (10 bar) | |
| Net Weight (empty) | 26 kg | 32 kg |
| Connections to the water supply network | 3/4” NPT | |
| Temperature Range | 32 to 66 °C | |
| Phase | Single (1PH) | |||||
| Model | BW200- R1NCPP | BW200- R1NCWW | BW200- R1NCZZ | BW300- R1NCPP | BW300- R1NCWW | BW300- R1NCZZ |
| Operation | Non-simultaneous | |||||
| Nominal Power – Upper Heating Element (W) | -/3000 | 3500/ 4500 | 4500/ 6000 | -/3000 | 3500/ 4500 | 4500/ 6000 |
| Nominal Power – Lower Heating Element (W) | -/3000 | 3500/ 4500 | 4500/ 6000 | -/3000 | 3500/ 4500 | 4500/ 6000 |
| Nominal Voltage (VAC) | 240 | 208/ 240 | 208/ 240 | 240 | 208/ 240 | 208/ 240 |
| Phase | Three (3PH) | ||
| Model | BW200-R3SGPP | BW300-R3SGWW | BW200-R3SGZZ |
| Operation | Simultaneous | ||
| Nominal Power – Upper Heating Element (W) | 3000 | 4500 | 6000 |
| Nominal Power – Lower Heating Element (W) | 3000 | 4500 | 6000 |
| Nominal Voltage (VAC) | 415 | ||
Water Connections
NOTE: BEFORE PROCEEDING WITH THE INSTALLATION, CLOSE THE MAIN WATER SUPPLY VALVE.
After shutting the main water supply valve, open a faucet to relieve the water line pressure to prevent any water from leaking out of the pipes while making the water connections to the water heater. After the pressure has been relieved, close the faucet. The COLD-water inlet and HOT water outlet are identified on the water heater. The fittings at the cold-water inlet and hot water outlet have 3/4” NPT tapered male threads. Make the proper plumbing connections between the water heater and the plumbing system in the house. Install a shut-off valve in the cold-water supply line. The Inlet and outlet pipes of the water heater are color-coded. The supply of cold water is marked with a blue ring. The outlet for warm water is marked with a red ring.
CAUTION
If sweat fittings are to be used, DO NOT apply heat to the nipples on the water heater. Sweat the tubing to the adapter before fitting the adapter to the water connections. It is imperative that heat is not applied to the nipples containing a plastic liner.
IMPORTANT
FAILURE TO INSTALL AND MAINTAIN A NEW, LISTED 3/4” X 3/4” TEMPERATURE-PRESSURE RELIEF VALVE WILL RELEASE THE MANUFACTURER FROM ANY CLAIM WHICH MIGHT RESULT FROM EXCESSIVE TEMPERATURE AND PRESSURES. If this water heater is installed in a closed water supply system, such as the one having a back-flow preventer in the cold-water supply, provisions shall be made to control thermal expansion. DO NOT operate this water heater in a closed system without provisions for controlling thermal expansion. Your water supplier or local plumbing inspector should be contacted on how to control this situation. After installation of the water lines, open the main water supply valve and fill the water heater. While the water heater is filling, open several hot water faucets to allow air to escape from the water system. When a steady stream of water flows through the faucets, close them and check all water connections for possible leaks. NEVER OPERATE THE WATER HEATER WITHOUT FIRST BEING CERTAIN IT IS FILLED WITH WATER. This water heater must be permanently connected to the water mains and not by a hose set.
WARNING
For protection against excessive temperatures and pressure, install temperature and pressure protective equipment required by local codes, but not less than a combination temperature and pressure relief valve certified by a nationally recognized testing laboratory that maintains periodic inspection of production of listed equipment or materials, as meeting the Requirements for Relief Valves and Automatic Gas Shutoff Devices for Hot Water Supply Systems, ANSI Z21.22, and the Standard CAN1-4.4 Temperature, Pressure, Temperature, and Pressure Relief Valves and Vacuum Relief Valves. The combination temperature and pressure relief valve shall be marked with a maximum set pressure, not to exceed the maximum working pressure of the water heater. The combination temperature and pressure relief valve shall also have an hourly rated temperature steam BTU discharge capacity not less than the hourly input rating of the water heater. Install the combination temperature and pressure relief valve into the opening provided and marked for this purpose on the water heater
Note: Some models may already be equipped or supplied with a combination temperature and pressure relief valve. Verify that the combination temperature and pressure relief valve comply with local codes. If the combination temperature and pressure relief valve does not comply with local codes, replace it with one that does. Follow the installation instructions above on this page. Install a discharge line so that water discharged from the combination temperature and pressure relief valve will exit within six (6) inches (15.3 cm) above, or any distance below the structural floor and cannot contact any live electrical part. The discharge line is to be installed to allow for complete drainage of both the temperature and pressure relief valve and the discharge line. The discharge opening must not be subjected to blockage or freezing. DO NOT thread, plug or cap the discharge line. It is recommended that a minimum of four (4) inches (10.2 cm) be provided on the side of the water heater for servicing and maintenance of the combination temperature and pressure relief valve. Do not place a valve between the combination temperature and pressure relief valve and the tank.
WARNING
Hydrogen gas can be produced in a hot water system served by this water heater that has not been used for a long period of time (generally two weeks or more). Hydrogen gas is extremely flammable. To reduce the risk of injury under these conditions, it is recommended that the hot water faucet be opened for several minutes at the kitchen sink before using any electrical appliance connected to the hot water system. If hydrogen is present, there will probably be an unusual sound such as air escaping through the pipe as the water begins to flow. There should be no smoking or open flame near the faucet at the time it is open.
CAUTION
INCREASING THE THERMOSTAT SETTING ABOVE THE PRESET TEMPERATURE MAY CAUSE SEVERE BURNS AND CONSUME EXCESSIVE ENERGY. HOTTER WATER INCREASES THE RISK OF SCALD INJURY. This water heater can deliver scalding temperature water at any faucet in the system. Be careful whenever using hot water to avoid scalding injury. Certain appliances, such as dishwashers and automatic clothes washers, may require increased temperature water. By setting the thermostat on this water heater to obtain increased temperature water required by these appliances, you may create the potential for scald injury. To protect against injury, you should install an ASSE-approved mixing valve in the water system. This valve will reduce the point of discharge temperature by mixing cold and hot water in branch supply lines. Such valves are available from the manufacturer of this water heater or a local plumbing supplier. Please consult with a plumbing professional.
| APPROXIMATE TIME/TEMPERATURE RELATIONSHIPS IN SCALDS | |
| 120°F (49°C) | More than 5 minutes |
| 125°F (52°C) | 1½ to 2 minutes |
| 130°F (54°C) | About 30 seconds |
| 135°F (57°C) | About 10 seconds |
| 140°F (60°C) | Less than 5 seconds |
| 145°F (63°C) | Less than 3 seconds |
| 150°F (66°C) | About 1½ seconds |
| 155°F (68°C) | About 1 second |
Electrical Connections
Before any electrical connections are made, be sure that the water heater is full of water and that the manual shut-off valve in the cold-water supply line is open. Check the rating plate and wiring diagram before proceeding. This electric water heater was built and wired in accordance with the IEC testing approvals requirements. The temperature limiting device is of the manual reset, trip-free type and has been factory installed to interrupt all ungrounded power supply conductors in the event of thermostat failure. Thermostats are factory set and wired in accordance with the wiring diagram fastened to the inside of the top access panel. The plumbing supplier in your area ordered this heater wired at the factory to comply with existing area codes, but local utility codes may require or allow other circuitry. Consult your local power company to determine the correct electrical hook-up in order to meet local utility and building codes and in order to obtain the most economical rates. Also, check to find out if you are required to obtain a permit before starting the installation. The following chart shows the recommended fuse size for the maximum water heater wattage. The maximum wattage and rated voltage are shown on the water heater data plate. The water heater must be well grounded. Must have some means of disconnect that follow local utility and building codes. An opening for a 3/4-inch electrical fitting is provided for field wiring connections. Check the rating plate and diagram before proceeding. Protection should be adequate to the electrical demand of the heater.

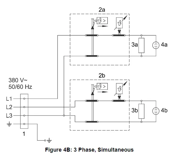
| Legend | |
| 1 | Connection box |
| 2a | Upper thermostat with bipolar safety thermostat |
| 2b | Lower thermostat |
| 3a | Upper heating element |
| 3b | Lower heating element |
| 4a | Upper light indicator |
| 4b | Lower light indicator |
| L1 | Live Conductor |
| N | Neutral Conductor |
WARNING
WARNING! WATER HEATER EQUIPPED FOR LIMITED RANGE OF VOLTAGE! This water heater is equipped for determinate range voltage 208/240 VAC or 415 VAC. Check the rating plate of the device for the correct voltage. DO NOT use this water heater with any voltage other than that shown on the rating plate. Failure to use the correct voltage may cause serious problems for the safety of persons and the device.
| Legend | |
| 1 | Connection box |
| 2a | Upper thermostat with bipolar safety thermostat |
| 2b | Lower thermostat with bipolar safety thermostat |
| 3a | Upper heating element |
| 3b | Lower heating element |
| 4a | Upper light indicator |
| 4b | Lower light indicator |
| L1 | Live Conductor |
| L2 | Live Conductor |
| L3 | Live Conductor |
SAFETY SHUT-OFF
Water heaters have a bipolar safety thermostat that works in case of abnormal heating of water. The operation of the safety thermostat causes the automatic opening of the circuit the electrical heating element, whose resetting is manual, and must be done after the elimination of the cause of the anomaly. If this anomaly occurs, call an authorized service center.
GENERAL OPERATION
Before closing the switch to allow an electric current to flow to the water heater, make certain that the water heater is full of water and that the cold-water inlet valve is open. Complete failure of the heating element(s) will result if they are not totally immersed in water at all times. Failure of the element(s) due to dry-firing is not covered by warranty. When the switch is closed, the operation of this electric water heater is automatic.
CAUTION
Scalding may occur within five (5) seconds at a temperature setting of 140°F (60°C). Care must be taken whenever using hot water to avoid scalding injury. Certain appliances require high-temperature hot water (such as dishwashers and automatic clothes washers).
TO FILL THE WATER HEATER
- Close the water heater drain valve (if provided) by inserting a standard flathead screwdriver into the slot and turning clockwise.
- Open the cold-water supply shut-off valve.
- Open several hot water faucets to allow air to escape from the system.
- When a steady stream of water flows from the faucets, the water heater is filled. Close the faucets and check for water leaks at the water heater drain valve, combination temperature, and pressure relief valve, and the hot and cold-water connections.
TO DRAIN THE WATER HEATER
Should it become necessary to completely drain the water heater, make sure you follow the steps below:
- Disconnect the power supply to the water heater. Consult the plumbing professional or electric company in your area for service.
- Close the cold-water supply shut-off valve.
- Open the drain valve (if provided) on the water heater by inserting a standard flathead screwdriver into the slot and turning counter-clockwise. The drain valve has threads on the end that will allow the connection of a standard hose coupling. For those models not equipped with a drain valve, disconnect cold water inlet piping at a convenient connection location as close to an adequate drain as possible. CAUTION! THIS WATER MAY BE HOT.
- Open a hot water faucet to allow air to enter the system. To refill the water heater, refer to “TO FILL THE WATER HEATER.”
Thermostat Adjustment
Setting the Water Temperature
- The thermostat has been set at the factory at about 52 °C to reduce the risk of scald injury. We recommend this setting as this ensures the safest and most economical operation of the water heater. This way the water temperature is maintained at about 52 °C. The operation of the heater at this temperature level also results in a reduced build-up of calcium and lime, as well as reduced heat loss than is the case at higher temperatures.
- An authorized person can change the thermostat setting by removing the protective cover and turning the thermostat adjustment screw on the side of the electric water heater. Align markings on thermostat and adjustment screw to desired water temperature.

DANGER
Hotter water increases the risk of scald injury. Scalding may occur within five (5) seconds at a temperature setting of 140°F (60°C). To protect against hot water injury, install an ASSE-approved mixing valve in the water system. This valve will reduce the point of discharge water temperatures by mixing cold and hot water in branch water lines. A licensed plumbing professional or local plumbing authority should be consulted.
Note: This water heater is equipped with an energy cut-out device to prevent overheating. Should overheating occur, turn off the electrical supply to the water heater and contact a qualified service technician.
LIGHT INDICATOR
The operation of the heating element is indicated by the light indicator that stays on until the temperature in the tank has reached the set level or until the heater has been deliberately switched off.
ANTIFREEZING PROTECTION
When the water heater is not in use for longer periods of time, it should be protected from freezing by setting the temperature to the minimum possible position. Do not disconnect the power. Should you choose to disconnect the power, the water heater should be thoroughly drained before the onset of freezing conditions (see Draining of water).
CLEANING
It is advised to clean the outer cover with a soft cloth and a mild solution of washing liquid. The use of abrasive or solvent cleaning fluids should be avoided.
MAINTENANCE
IMPORTANT
The water heater should be inspected at a minimum of annually by a qualified service technician for damaged components. DO NOT operate this water heater if any part is found damaged. Shut off the electric power whenever the water supply to the water heater is off. Shut off the electric power and water supply, and drain the heater completely to prevent freezing whenever the building is left unoccupied during the cold weather months. In order to ensure efficient operation and long tank life, drain the water heater at least once a month through the drain valve until the water runs clear. Failure to do this may result in noisy operation and lime and sediment buildup in the bottom of the tank. Check the temperature-pressure relief valve to ensure that the valve has not become encrusted with lime. Lift the lever at the top of the valve several times until the valve seats properly without leaking and operates freely.
WARNING
When lifting the lever of a temperature-pressure relief valve, hot water will be released under pressure. Be certain that any released water does not result in bodily injury or property damage. The magnesium anode rod should be inspected periodically and replaced when necessary to prolong tank life. The following maintenance should be performed by a qualified service technician at the minimum periodic intervals suggested below. In some installations, the maintenance interval may be more frequent depending on the amount of use and the operating conditions of the water heater. Regular inspection and maintenance of the water heater will help to ensure safe and reliable operation.
- Annually, check the operation of the thermostat(s).
- Bi-annually, check the seal around the heating elements for leaks. If there is any sign of leaking, disconnect the power supply to the water heater and contact the plumbing professional that installed this water heater or a qualified service technician.
- At least once a year, check the combination temperature and pressure relief valve to ensure that the valve has not become encrusted with lime. Lift the lever at the top of the temperature-pressure relief valve several times until the valve seats properly without leaking and operates freely.
WARNING: When lifting the lever of the temperature-pressure relief valve, hot water will be released under pressure. Be certain that any released water does not result in bodily injury or property damage. - If the combination temperature and pressure relief valve on the appliance discharges periodically, this may be due to thermal expansion in a closed water supply system. Contact the water supplier or local plumbing inspector on how to correct this situation. Do not plug the combination temperature and pressure relief valve outlet for any reason.
- Monthly, drain off a gallon of water from the water heater to remove silt and sediment.
WARNING: THIS WATER MAY BE HOT. - A combination sacrificial anode rod/hot water outlet nipple has been installed to extend tank life. The anode rod should be inspected periodically (every 2 years) and replaced when necessary to prolong tank life. Water conditions in your area will influence the time interval for inspection and replacement of the anode rod. Contact the plumbing professional who installed the water heater, or the manufacturer listed on the rating plate for anode replacement information. The use of a water softener may increase the speed of anode consumption. More frequent inspection of the anode is needed when using softened (or phosphate-treated) water.
CAUTION
FOR YOUR SAFETY, DO NOT ATTEMPT TO REPAIR THERMOSTAT(S), HEATING ELEMENTS, OR ELECTRICAL WIRING. REFER SUCH REPAIRS TO A QUALIFIED SERVICE TECHNICIAN.
Draining the Water Heater
- Unplug the water heater.
- Open the hot tap to let hot water go out. Continue flowing until cold water is running out from the faucet.
- Turn off the cold water supply.
- Close the hot water faucet.
- Connect suitable hose to draining valve to prevent uncontrolled spilling.
- Open the draining valve to drain the water.
Contact your local plumbing supplier or plumbing professional for replacement parts or contact the company at the address displayed on the rating plate of the water heater.
For faster and better service, please provide the part name, model, and serial number(s) of the water heater(s) when ordering parts.
READ THE WARRANTY FOR A FULL EXPLANATION OF THE LENGTH OF TIME THAT PARTS AND THE WATER HEATER ARE WARRANTED.
Complete the following information and retain it for future reference:
Model No: __________________________________________________ Serial No: __________________________________________________
Service Phone
Days: ______________________Nights:_________________________
Address: ___________________________________________________ Supplier: ___________________________________________________
Supplier Phone No: __________________________________________




















